WeekendHobby.com


ขอรูป ที่อยู่ ของ sensor ทั้งหมดหน่อย ครับ
omarinth
จาก Kia โอม
พฤหัสบดีที่ , 24/7/2551
เวลา : 11:38

อ่าน = 1762
222.123.209.220
       ถึงพี่ภูผาหรือ สมาชิกเกีย ท่านอื่น ด้วยครับ
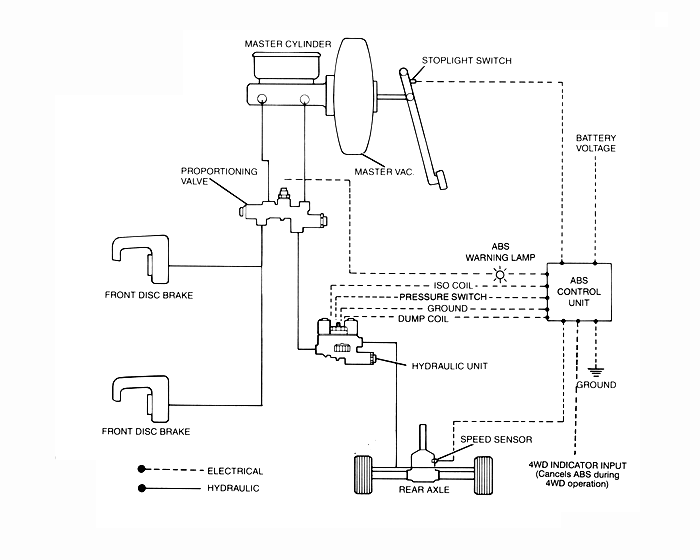
ขอรูป ที่อยู่ ของ sensor ทั้งหมดหน่อย ครับผมไม่ได้เวฟไว้ครับ

เครื่องมือในการใช้งาน website =>> สมัครสมาชิก | Login | Logout | เปลี่ยนไอคอนส่วนตัว | เกี่ยวกับเรา | ติดต่อโฆษณา         View stat by Truehits.net


   
   

คำตอบที่ 1
       ไม่มีเลยโอม รอท่านอื่นๆแล้วกัน
มีแต่เคย save ของพี่สมหวังไว้ของ ABS





phupha จาก ภูผา  61.91.73.130  พฤหัสบดี, 24/7/2551 เวลา : 19:39   


คำตอบที่ 2
       ขอบคุณครับพี่ อย่าง น้อยก็ได้หนึ่งรูป ครับ



จาก Kia โอม  118.172.104.50  พฤหัสบดี, 24/7/2551 เวลา : 21:42   


คำตอบที่ 3
       รูปนี้ใช้ได้ปาว อยู่เหนือสบายดีหรือ





สมหวัง จาก สมหวัง  124.121.72.75  ศุกร์, 25/7/2551 เวลา : 08:45   


คำตอบที่ 4
       ส่งให้ผมหน่อยครับพี่สมหวัง สบายดีอะเปล่าคร๊าบ
ทาง เมล์ omarinth@yahoo.com ครับ ขอบคุณครับ



จาก Kia โอม  117.47.45.34  ศุกร์, 25/7/2551 เวลา : 13:23   


คำตอบที่ 5
       คนสบายดีครับ แต่ เจ้าหมูเขียวท่อ รั่วตรงหน้าแปลน อะครับ



จาก Kia โอม  117.47.45.34  ศุกร์, 25/7/2551 เวลา : 13:25   


คำตอบที่ 6
       คุณสมหวัง ขอด้วยคนครับ todza87@hotmail.com
ขอบคุณครับ



จาก Love kia  118.173.58.180  ศุกร์, 25/7/2551 เวลา : 13:30   


คำตอบที่ 7
      



Kia Nueng Yudya จาก Kia Nueng Yudya  202.149.25.233  ศุกร์, 25/7/2551 เวลา : 18:20   


คำตอบที่ 8
       คุณสมหวัง ขอด้วยคนครับ t.jantanapon@gmial.com ขอบคุณมากครับ



จาก นาโต้(ชุมพร)  61.19.67.230  ศุกร์, 25/7/2551 เวลา : 20:13   


คำตอบที่ 9
       พี่ นาโต้(ชุมพร) ครับเดี๋ยวผมส่งไปให้ครับ ได้จากพี่สมหวังแล้ว ครับ



omarinth จาก Kia โอม  118.172.105.205  ศุกร์, 25/7/2551 เวลา : 20:38   


คำตอบที่ 10
       ขอด้วย kee.ni1966@gmail.com



kee.ni จาก jocky  124.120.237.82  ศุกร์, 25/7/2551 เวลา : 21:04   


คำตอบที่ 11
       ด้วยคน



phupha จาก ภูผา  61.91.73.130  ศุกร์, 25/7/2551 เวลา : 21:15   


คำตอบที่ 12
       เอาด้วยครับ
wiwaty@hotmail.com



stwiwaty จาก KIA eed  58.8.157.140  ศุกร์, 25/7/2551 เวลา : 22:42   


คำตอบที่ 13
       พี่ภูผา ครับ อีเมล์ครับ พี่ ผมม่ายรู้จาส่งไปที่ไหน อะ



จาก Kia โอม  118.172.105.205  ศุกร์, 25/7/2551 เวลา : 23:43   


คำตอบที่ 14
       ผมได้รับแล้วครับ ขอบคุณ คุณสมหวังมากๆครับ



todza870 จาก love kia  118.173.53.210  ศุกร์, 25/7/2551 เวลา : 23:45   


คำตอบที่ 15
       ส่งอีแมวไปแล้ว reply กลับมาล่ะ



phupha จาก ภูผา  61.91.73.130  เสาร์, 26/7/2551 เวลา : 01:00   


คำตอบที่ 16
       ขอบคุณมากๆๆๆๆๆครับ kia โอม



จาก นาโต้(ชุมพร)  61.19.67.92  เสาร์, 26/7/2551 เวลา : 03:04   


คำตอบที่ 17
       ลองดูอันนี้ครับไม่รู้จะตรงกับความต้องการหรือเปล่า



จาก komoly  125.25.55.176  เสาร์, 26/7/2551 เวลา : 08:02   


คำตอบที่ 18
       ขอโทษครับ
ลองดูอันนี้ครับไม่รู้จะตรงกับความต้องการหรือเปล่า
http://www.oldbookthai.com/kia/main%20Harness.mht



จาก komoly  125.25.55.176  เสาร์, 26/7/2551 เวลา : 08:03   


คำตอบที่ 19
       ขอบคุณมากครับพี่ komoly โดน มาก ๆ ครับแจ่มเลยได้รู้ว่ายัง มี พี่ ๆ ที่เก็บเว็ปเก่าไว้อยู่



omarinth จาก Kia โอม  117.47.231.88  เสาร์, 26/7/2551 เวลา : 08:57   


คำตอบที่ 20
       ขอด้วยครับ
chatree_may@yahoo.com

ขแบคุณครับ



จาก เกียชล  125.27.9.236  อาทิตย์, 27/7/2551 เวลา : 17:09   


คำตอบที่ 21
       ยังไม่ได้รับเลยครับเกียโอม



จาก นาโต้(ชุมพร)  61.19.67.195  จันทร์, 28/7/2551 เวลา : 12:42   


คำตอบที่ 22
       ส่งไปแทนแล้วครับ คุณ นาโต้



จาก Love kia  118.173.55.3  จันทร์, 28/7/2551 เวลา : 15:49   


คำตอบที่ 23
       ส่งต่อให้ Jocky แล้วครับ



จาก Love kia  118.173.55.3  จันทร์, 28/7/2551 เวลา : 16:00   


คำตอบที่ 24
       ขอบคุณพี่ Love kia ที่ส่ง ต่อให้ ครับ ของพี่ นาโต้(ชุมพร)ผมก็ส่งให้แล้ว ครับแต่ เมล์มันตีกลับ อ่ะครับไม่แน่ใจว่าอีเมล์ผิดหรือเปล่าครับ



จาก Kia โอม  118.172.109.60  จันทร์, 28/7/2551 เวลา : 22:03   


คำตอบที่ 25
       ขอด้วยครับ hs6lky@gmail.com ขอบคุณล่วงหน้าครับ



hs6lky จาก จ่าเกีย  118.172.136.251  อังคาร, 29/7/2551 เวลา : 08:32   


คำตอบที่ 26
       คุณจ่าเกีย เป็น VRด้วย หรือครับ ของผม HS5MEC ครับเดี๋ยวผมส่งต่อให้ครับ



จาก Kia โอม  117.47.226.206  อังคาร, 29/7/2551 เวลา : 08:55   


คำตอบที่ 27
       แก้ไขเป็น HS5NEC ครับ



omarinth จาก Kia โอม  117.47.226.206  อังคาร, 29/7/2551 เวลา : 08:58   


คำตอบที่ 28
       KIA โอม ของผม HS9DUY ครับ เจอะเจอทักทายกันบ้างครับ



จาก Love kia  118.173.52.211  อังคาร, 29/7/2551 เวลา : 21:06   


คำตอบที่ 29
       ยินดีครับ พี่ Love kia (HS9DUY) HS5NEC ได้รู้จักเพื่อนแฮมเพิ่มอีกครับผ่านมาทางเหนือ ลำปาง ลำพูนเชียงใหม่ แวะทักทายกัน น่ะครับพี่



จาก Kia โอม  222.123.65.212  พุธ, 30/7/2551 เวลา : 16:21   


คำตอบที่ 30
       ของผม HS8NB ครับผม



จาก นาโต้(ชุมพร)  61.19.67.166  พุธ, 30/7/2551 เวลา : 23:21   


คำตอบที่ 31
       แจ่มครับ คุณนาโต้ สงสัยผมต้องไปปัดฝุ่นของเก่ามาเล่นแล้วละ
รู้สึกว่าจะมีเพื่อนสมาชิกหลานคนทีเป็น VR (NB นี้ไม่รุ่น 2 ก็ 3 นะ ท่านพี่ เก๋าจริง ของผม รุ่น 12 ครับ)



todza870 จาก love kia  118.173.55.54  พุธ, 30/7/2551 เวลา : 23:53   


คำตอบที่ 32
       ผมรบกวนขอด้วยนะครับพี่สมหวัง.... a_bumbup@hotmail.com หรือ a.rakdee@gmail.com

*ไม่ทราบใครพอจะรู้ อาการ ตำแหน่ง และความหมายของ Purge Control Solenoid Valve กับ Solenoid Valve (EGR)บ้างครับ

ขอบคุณครับ....



จาก RakDee  203.130.159.3  พฤหัสบดี, 31/7/2551 เวลา : 21:54   


คำตอบที่ 33
       รบกวนส่งที่อยู่ของเซ็นเซอร์ ทาง E-mail wera_a2008@hotmail.com ครับ


ขอบคุณครับ

dumdum



จาก dumdum  118.174.32.28  พฤหัสบดี, 31/7/2551 เวลา : 22:11   


คำตอบที่ 34
       พี่ love kia (HS9DUY) พี่ นาโต้(ชุมพร) HS8NBเล่นเรียงรุ่นกันเลยหรือครับว่าง ๆ มาแถวนี้เรียกหากันมั่ง นะครับ QRU73 คร๊าบ



omarinth จาก Kia โอม  118.172.109.121  พฤหัสบดี, 31/7/2551 เวลา : 22:23   


คำตอบที่ 35
       คุณ dumdum คุณRakDee ครับ ไม่แน่ใจว่า ได้เมล์หรือยังช่วยแจ้งด้วยครับ จะได้ส่งไปให้ครับ ส่วนคำถามคุณRakDee จะลองพยายามหาให้ครับ



omarinth จาก Kia โอม  118.172.109.121  พฤหัสบดี, 31/7/2551 เวลา : 22:26   


คำตอบที่ 36
       คุณ RakDee ครับ รถปีไหนครับ



omarinth จาก Kia โอม  118.172.109.121  พฤหัสบดี, 31/7/2551 เวลา : 22:42   


คำตอบที่ 37
       kia โอม ขอใหม่อีกทีครับพอดีครังที่แล้วพิมพ์ผิด T.JANTANAPON@gmail.com Qru 73 qrt



จาก นาโต้(ชุมพร)  61.19.67.252  พฤหัสบดี, 31/7/2551 เวลา : 22:55   


คำตอบที่ 38
       ถึงว่าส่งยังไงก็ไม่ได้ คุณนาโต้ KIA โอมจัดการให้พี่แกหน่อยเดี๋ยวส่งซ้อนกัน



จาก Love kia  118.173.53.155  พฤหัสบดี, 31/7/2551 เวลา : 23:10   


คำตอบที่ 39
       ได้รับเมล์แล้วครับต้องขอบคุณมากครับคุณเกียโอม
อย่างไงผมขอรบกวนตำแหน่ง sensor ด้วยนะครับ...a.rakdee@gmail.com


Sportage AUTO ปี97 (รุ่นที่ไม่มี abs)ครับ

ขอบคุณอีกครั้งครับ....RakDee



จาก RakDee  203.130.159.3  พฤหัสบดี, 31/7/2551 เวลา : 23:40   


คำตอบที่ 40
       ได้ครับ เดี๋ยวผมจัดส่งต่อครับพี่ Love kia นอนดึกเหมือนกัน นะครับ พี่สองคน อะ คุณ RakDee ด้วยหรือครับ ที่นอน ดึก



จาก Kia โอม  118.172.109.121  พฤหัสบดี, 31/7/2551 เวลา : 23:48   


คำตอบที่ 41
       ส่งไปแล้ว นะครับพี่ QRU 73



จาก Kia โอม  118.172.109.121  พฤหัสบดี, 31/7/2551 เวลา : 23:58   


คำตอบที่ 42
       ครับง่วงแล้วเหมือนกัน...

ช่วงนี้ไม่ค่อยได้เข้าเนทครับ เพราะย้ายงาน มาทำงานที่ไซด์งาน ไม่มีเนทให้เล่นไม่เหมือนอยู่ที่ออฟฟิต เปิดดูทั้งวัน

เลยต้องมาเล่นที่บ้าน นานๆได้เล่นเลยเพลินไปหน่อย ผบ. เรียกให้นอนหลายรอบแล้ว



จาก RakDee  203.130.159.3  ศุกร์, 1/8/2551 เวลา : 00:02   


คำตอบที่ 43
       ได้รับแล้วครับขอบคุณมากๆๆๆๆๆครับสําหรับทุกท่านที่ส่งมาครับผมคนตกงานไม่ค่อยมีอะไรทําเลยนอนไม่ค่อยดิกแค่ตี2-3แค่นั้นเอง



จาก นาโต้(ชุมพร)  61.19.67.104  ศุกร์, 1/8/2551 เวลา : 11:52   


คำตอบที่ 44
       รบกวนส่งที่อยู่ของเซ็นเซอร์ ทาง E-mail intaraworasilp@thaimail.com ด้วยครับ




ar-o จาก ar-o  49.229.1.171  พฤหัสบดี, 7/4/2554 เวลา : 05:17   


คำตอบที่ 45
       อยากได้ครับ รบกวนส่งให้ด้วยครับ MANO2499@hotmail.com
ขอบคุณครับ



MAN2499 จาก MAN2499  124.122.58.234  เสาร์, 9/4/2554 เวลา : 21:07   


คำตอบที่ 46
       รบกวนครับ ขอบคุณครับ
thinnaphong2005@hotmail.com



Tidar จาก Ti  124.122.222.238  อาทิตย์, 10/4/2554 เวลา : 07:55   


คำตอบที่ 47
       อืม...
เนื่องจากเป็น กระทูของปี 2551 เกรงว่าพี่ๆ เค้าจะไม่ได้เข้ามาดูนะครับ (เก่ามากแล้ว) ยังไงลองตั้งกระทูใหม่ดูละกันครับ



ganza จาก Ganza  58.9.2.94  อาทิตย์, 10/4/2554 เวลา : 10:32   


คำตอบที่ 48
       ขอด้วยครับ/pati.mtn@gmail.com
ขอบคุณครับ



kia45 จาก kia45  113.53.80.216  อาทิตย์, 10/4/2554 เวลา : 20:14   


คำตอบที่ 49
       รบกวนด้วยคับ
tus_egat@yahoo.com



saluman จาก Saluman  203.146.104.32  จันทร์, 11/4/2554 เวลา : 12:56   


คำตอบที่ 50
       เก่ามากจริงๆ ตกใจหมดเลย ว่าทำไมชื่อผมยังอยู่ ไม่ได้เขาเว็ปมานานแล้ว



todza870 จาก Love Kia  113.53.207.194  อาทิตย์, 17/4/2554 เวลา : 15:21   


      

Since 22, Feb 2001 hit counter View My Stats  Truehits.net      วัน<%=WeekdayName(Weekday(Date))%>,<%=formatdatetime(date(),1)%> (Online <%=Application("OnlineUsers")%> คน)
                                       

เพื่อลดภาระของ ฐานข้อมูล ซึ่งมีขนาดใหญ่มาก เพราะเวบเปิดมากว่า 10 ปี
จึงทำให้เวบช้าลงมาก ทีมงานจึงขออนุญาต แปลงข้อมูลจาก ฐานข้อมูลหลักเป็น SHTML File
เพื่อลดภาระการทำงานของ ฐานข้อมูลหลักครับ การแปลงฐานข้อมูลนี้ จะทำให้กระทู้นี้
ไม่สามารถตอบคำถามได้อีกต่อไปครับ แต่จะสามารถค้นหาชื่อกระทู้ และ Link ตรงมาที่หน้านี้ได้เหมือนเดิมครับ

ด้วยความนับถืออย่างสูง ทีมงาน Weekendhobby.com


Convert on : 23/8/2554 5:58:54

Error processing SSI file