WeekendHobby.com
เครื่องมือในการใช้งาน website =>> สมัครสมาชิก | Login | Logout | เปลี่ยนไอคอนส่วนตัว | เกี่ยวกับเรา | ติดต่อโฆษณา         View stat by Truehits.net


มีเสียงดังในคอนโทรลหน้า
rama
จาก rama
IP:182.52.59.227

พฤหัสบดีที่ , 30/5/2556
เวลา : 11:45

อ่านแล้ว = ครั้ง
 เก็บเข้ากระทู้ส่วนตัว
แจ้งตรวจสอบกระทู้
 แจ้งลบ
ส่งหาเพื่อน ส่งหาเพื่อน

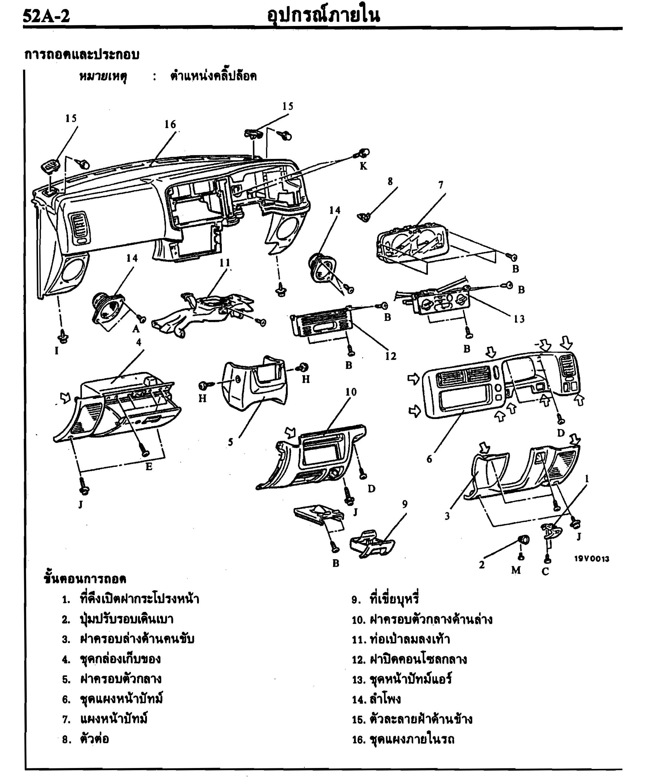
       รบกวนพี่ช่วยบอกแหล่งที่มาของเสียงในในคอนโทรลหน้าด้วยครับ เวลาขับรถหรือจอดไฟแดงมีเสียงเหมือนกับอะไรสักอย่างไม่แ่น่น(คล้ายๆกับเสียงเหรียญในแกะ)น่ารำคาญมากครับ จะรื้อดูก็ไม่รู้จะเริ่มตรงไหนก่อน พี่พอจะบอกได้ไหมครับถ้ามีภาพประกอบการรื้อยิ่งดีครับ ผมลองเคาะดูก็ไม่หายมีเสียงกวนใจมากเลยครับ เลยต้องมาขออนุเคราะห์จากพี่ๆในคลับนี้ครับ ออเป็นตาด้าปี 05 ขับสองเกียธรรมดา (โฉมไตตั้น) ขอคุณครับ


 แสดงความคิดเห็นย่อย แสดงความคิดเห็นย่อย

แจ้งเพื่อเก็บขึ้นกระทู้พิเศษ คลิ๊กที่นี่แจ้งเพื่อนำขึ้นกระทู้พิเศษ

คำตอบแบ่งหน้าละ 30 คำตอบ ขณะนี้คุณอยู่ที่หน้า 1 จาก >>> 1  

คำตอบที่ 1
       ไม่ใช่ก็ไกล้เคียง





ดีมากๆเลยครับพี่01
จาก : attawut_th(attawut_th) 31/5/2556 11:08:12 [124.120.157.197]
 แสดงความคิดเห็นย่อย แสดงความคิดเห็นย่อย

ongart จาก 01/Strado 182.52.49.107 พฤหัสบดี, 30/5/2556 เวลา : 12:20  IP : 182.52.49.107   

edit แก้ไขคำตอบ   delete ลบคำตอบ 29368

คำตอบที่ 2
       ไปโหลดเอามาอ่าน

http://www.weekendhobby.com/offroad/mitsubishi/question.asp?id=20111





 แก้ไขเมื่อ : 30/5/2556 12:45:09



 แสดงความคิดเห็นย่อย แสดงความคิดเห็นย่อย

ongart จาก 01/Strado 182.52.49.107 พฤหัสบดี, 30/5/2556 เวลา : 12:22  IP : 182.52.49.107   

edit แก้ไขคำตอบ   delete ลบคำตอบ 29369

คำตอบที่ 3
       https://drive.google.com/folderview?id=0B-wg-7FajG8ka09tdEhTYVpKLTg&usp=sharing




 แสดงความคิดเห็นย่อย แสดงความคิดเห็นย่อย

ongart จาก 01/Strado 183.89.114.242 พฤหัสบดี, 30/5/2556 เวลา : 12:44  IP : 183.89.114.242   

edit แก้ไขคำตอบ   delete ลบคำตอบ 29371

      

คำตอบแบ่งหน้าละ 30 คำตอบ ขณะนี้คุณอยู่ที่หน้า 1 จาก >>> 1  



website รองรับการใช้งานทุกระบบปฏิบัติการของ PC Tablet SmartPhone ทุกระบบสามารถโพสข้อความและรูปภาพได้โดยไม่ต้องย่อไฟล์
เพื่อความปลอดภัยในการใช้ website WeekendHobby.Com สมาชิก เท่านั้น จึงจะตั้งกระทู้ หรือ ตอบกระทู้ได้ครับ
Login Click ที่นี่
สมัครสมาชิก Click ที่นี่



Since 22, Feb 2001 hit counter View My Stats  Truehits.net      วันศุกร์,13 กุมภาพันธ์ 2569 (Online 5197 คน)