WeekendHobby.com


ช่วยตอบข้อข้องใจผมหน่อยครับว่า 4D56-Tc กับ 4M40-Tc ใช้กล่อง ECU ควบคุ้มด้วยเหรอ???

จาก ผู้น้อย
พุธที่ , 30/5/2550
เวลา : 21:02

อ่าน = 2878
203.114.120.157
       ไปอ่านเจอในหนังสือบอกว่า ตัว2.5VG-Turbo กับตัว 2.8VG-Rally Master Turbo ใช้กล่องด้วยเหรอนี่

เครื่องมือในการใช้งาน website =>> สมัครสมาชิก | Login | Logout | เปลี่ยนไอคอนส่วนตัว | เกี่ยวกับเรา | ติดต่อโฆษณา         View stat by Truehits.net


   
   

คำตอบที่ 1
       UP
.
.
.
.
.
ยังไม่มีใครมาตอบให้ผมเลย
ฮือๆๆๆๆๆๆๆๆๆๆๆๆๆๆๆๆๆๆๆๆๆๆๆๆๆ



จาก ผู้น้อย  203.188.24.67  พฤหัสบดี, 31/5/2550 เวลา : 07:33   


คำตอบที่ 2
       พี่ Nick พี่ ตาลเดี่ยว มาตอบหน่อยคร๊าบ ผมไม่กล้าตอบแบบรู้ไม่จริงอ่ะครับ



นายเทพ จาก นายเทพ  203.146.144.78  พฤหัสบดี, 31/5/2550 เวลา : 11:58   


คำตอบที่ 3
       ก็ตัว สตราด้า ตัวสุดท้ายก้อนเปลี่ยนโฉมเป็นไททันไงครับ
2.8 Rally Master .............ซึ่งตัวนี้ก็ยังอยู่ใน "G-wagon ตัวปัจจุบันด้วย ตกลง 4M40-Tc นี้ VG-Turbo มันใช่กล่องหรือเปล่าครับ???????



จาก ผู้น้อย-จขกท  203.188.54.140  พฤหัสบดี, 31/5/2550 เวลา : 20:47   


คำตอบที่ 4
       2.8 rally master ไม่ใช่ VG นะคร้าบ



จาก ya  203.113.56.75  พฤหัสบดี, 31/5/2550 เวลา : 21:51   


คำตอบที่ 5
       อย่าไปว่า จขกท เลย คนเราสับสนกันได้ถ้าเขารู้เขาคงไม่ถาม



จาก ลุงพร  203.188.32.65  ศุกร์, 1/6/2550 เวลา : 06:17   


คำตอบที่ 6
       ...สวัสดีครับคุณผู้น้อย.................

ช่วยตอบข้อข้องใจผมหน่อยครับว่า 4D56-Tc กับ 4M40-Tc ใช้กล่อง ECU ควบคุ้มด้วยเหรอ???




โทษที่ครับรอช้าหน่อย....พอดีเข้ามาถามช่วงวันหยุดก็จะอย่างนี้ละครับ เพื่อนหยุดงาน พาเมียออกเที่ยวกันหมด........

เครื่องของมิตซู
4D56
รายละเอียดเครื่องมีเยอะครับ
4d56 2500 ไม่มีเทอร์โบ
4d56t 2500 เทอร์โบไม่อินเตอร์ ปั๊มธรรมดา
4d56tc 2500 เทอร์โบมีอินเตอรื แยกออกไปอีกคือปั๊มธรรมดา(ปาเหลี่ยม)กับปั๊มไฟฟ้า ..ใช้ ecu คุมปั๊มไฟฟ้า(ในไทรทั่น....เดลิก้านอก)เทอร์โบธรรมดา
4d56tc vg turbo 2500 เทอร์โบแปรผัน+อินเตอร์ ปั๊มไฟฟ้า ในบ้านเราตัวนี้ใช้ ecu ควมคุมปั๊มไฟฟ้าและชุดเทอร์โบแปรผันครับ (vg turbo) อยู่ใน g-wagon และ strada บ้ารเราครับhttp://www.weekendhobby.com/offroad/strada/Question.asp?ID=9689


4M40

4m40 2800 รุ่นแรกของสต้าด้า รวมถึงรถนอกด้วยไม่มีเทอร์โบปั๊มธรรมดาhttp://www.weekendhobby.com/offroad/strada/Question.asp?ID=6506
4m40tc 2800 เทอร์โบ+อินเตอรื อยู่ในโชกุน สต้าด้าบ้านเรารุ่นหลัง รถตู้เดลิก้า ปั๊มธรรมดาhttp://www.weekendhobby.com/offroad/strada/Question.asp?ID=7193
4m40tc เครื่องรถนอกรุ่นใหม่ๆ 2800 เทอร์โบ+อินเตอร์ ปั๊มไฟฟ้า ใช้ ecu คุมปั๊มเทอร์โบธรรมดาไม่แปรผันhttp://www.weekendhobby.com/offroad/strada/Question.asp?ID=9719

http://www.weekendhobby.com/offroad/strada/Question.asp?ID=9904


ECU ย่อมาจากอะไร และมีหน้าที่อะไร
ตอบ ECU หรือที่เราเรียกกันว่า “กล่องเครื่อง” ย่อมาจาก Electronic Control Unit เป็นอุปกรณ์อิเล็กทรอนิกส์ มีพื้นฐานมาจากคอมพิวเตอร์ หน้าที่หลักของ กล่องเครื่อง / ECU คือเป็นอุปกรณ์ที่ทำหน้าที่รับข้อมูลจากเซ็นเซอร์ต่างๆเพื่อนำมาประมวลผล และใช้ในการควบคุมการการสั่งจ่ายน้ำมันเชื้อ เพลิงและการจุดระเบิดของเครื่องยนต์ ในเครื่องยนต์ปัจจุบัน ECU จะไม่ควบคุมเพียงแค่ การจ่ายน้ำมันเชื้อเพลิง และ การจุดระเบิดเท่านั้น ECU ยังสามารถ ที่จะควบคุมระบบต่างๆ อาทิเช่นระบบปรับความยาวท่อร่วมไอดีแปรผัน ระบบวาล์วแปรผัน การทำงานของคอมเพรสเซอร์แอร์ พัดลมระบายความร้อน ระบบควบคุมไอน้ำมันเชื้อเพลิง เป็นต้น ซึ่งความสามารถเหล่านี้ไม่เป็นเพียงการลดความซ้ำซ้อนของอุปกรณ์ต่างๆ ECU สามารถที่จะจัดการให้อุปกรณ์ต่างๆ ทำงานสัมพันธ์กันได้ เพื่อประสิทธิภาพเครื่องยนต์สูงสุด ลดมลภาวะ และประหยัดน้ำมันเชื้อเพลิง ยังผลให้เครื่องยนต์ประหยัดน้ำมันเชื้อเพลิง มีกำลังที่สูงขึ้น ยืดอายุการใช้งาน มีการตอบสนองได้อย่างรวดเร็ว และลดมลภาวะที่ปล่อยออกมา นอกจากนี้ ECU ยังทำงานร่วมกับระบบกันขโมย (Immobilizer) โดยระบบจะไม่อนุญาตให้กุญแจที่ไม่ถูกต้องสามารถสตาร์ทเครื่องยนต์ติดได้



......ตอบคำถาม......ละนะ......555


กล่อง ecu ก็คิอชุดตัวรับสํญานจากหน่วยวัดต่างเข้ามาประมวลผลแล้วส่งสัญญาณออกไปคอนโทรลอุปกาณ์อื่นต่อไป เป็นสมองกล

ถ้าในรถยนต์แต่ละรุ่นก็จะมีแบ่งแยกกันออกไป

.....เช่นรถรู่นใหม่ๆ จะมีชุด ecu เกือบทั้งหมดครับ สังเกตูตั้งแต่รุ่นปั๊มไฟฟ้า หัวฉีดไฟฟ้า เทอร์โบแปรผันครับ ในตัวของมิตซู จะมีชุด ecu ควบคุมตั้งแต่รุ่น 2500 vg turbo ครับและรุ่นต่อมา triton 2500 และ 3200 จะมี ecu ควบคุมปั๊มไฟฟ้าครับ
ส่วนตัวเครื่อง 2800 จะมีอยู่ 3 รุ่นครับที่เห็นๆนะครับ
คือรุ่น 2800 ธรรมดาไม่มีเทอร์โบปั๊มธรรมดา จะไม่มี ecu ควบคุมเครื่องครับ และรุ่นต่อมา 4m40tc 2800 turbo rally master ไม่มี ecu คุมเครื่องครับ จะไม่มีคำว่า vg ครับเพราะเป็น 2800 เทอร์โบรรมดาครับ(ถ้า vg คือเทอร์โบแปรผันครับ ควบคุมด้วย ecu คุมเครื่องครับจะมีเฉพาะรุ่น 2500 เท่านั้น).........และอีกรุ่น 1 ที่เจอในเชียงกงครับ จะเป็น 2800 เทอร์โบธรรมดา แต่มี ecu เครื่องคอนโทรลปั๊มไฟฟ้าครับ เป็นเครื่องที่ผลิตติดรถในเมืองนอกครับ........

.......แต่ปกติรถสมัยนี้จะมี ecu มาหมดครับเพื่อคอนโทรลในส่วนการใช้งานอย่างอื่นๆด้วยครับ เช่นชุด air bag ระบบขับเคลื่อน 4 ล้อ ระบบเบรค abs และอื่นๆอีกเพื่อมาแทนที่ ระบบไฟฟ้าแบบเก่าๆที่เป็นพวกรีเลย์ เพราะตัวจะเล็กกว่า ประหยัดพื่นที่ ........

.....ที่นี้จากคำถามของเจ้าของกระทู้ที่ถามน่าจะหมายถึงชุด ecu ที่ควบคุมระบบเครื่องนะครับ ลองศึกษาดูนะครับ ผิดถูกอย่างไร ท่านอื่นๆช่วยได้นะครับ..............

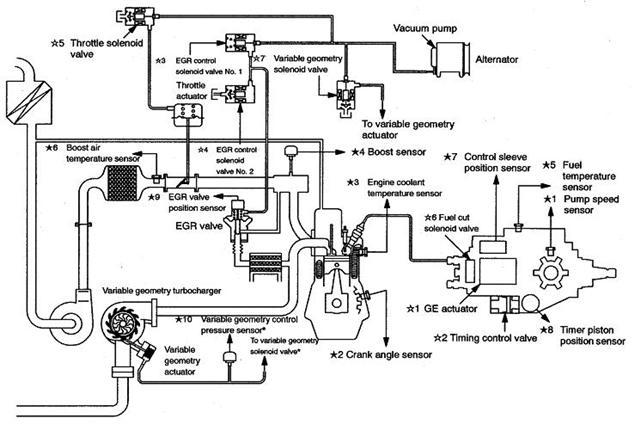
.....ข้างล่างนี้ไดอะแกรม ของ 2500 vg turbo ครับ..........









somkieat_s จาก ตาลเดี่ยว   ศุกร์, 1/6/2550 เวลา : 08:50   


คำตอบที่ 7
       ขอบกราบขอบพระคุณงามๆ เลยครับ ท่านตาลเดี่ยว ครับผม
+++++กระจ่างสะทีคราวนี้+++++



จาก ผู้น้อย  203.114.118.143  ศุกร์, 1/6/2550 เวลา : 18:26   


คำตอบที่ 8
       ยินดีด้วยจ๊ะ



จาก 4D55-Tc  203.188.26.4  เสาร์, 2/6/2550 เวลา : 08:06   


คำตอบที่ 9
       เข้ามาดู



จาก ต้น 081595292*  119.42.71.35  ศุกร์, 11/1/2551 เวลา : 09:23   


คำตอบที่ 10
       ที่เห็นอยู่ทุกวันนี้นะครับ เมื่อกี๊ก็เพิ่งลงไปดูในไลน์มาหมาดๆ

1.4D56 ไม่โบ ท่อร่วมสั้น ปั๊มแตนๆ(จะเลิกผลิตแล้วมีขายเฉพาะประเทศล้าหลัง)
2.4D56 ไม่โบ ท่อร่วมยาว ปั๊มแตนๆ ขายที่ยุโรปและอเมริกาใต้
3.4D56 โบVG +ปั๊มไฟฟ้า โบ TF035HL2
4.4D56 โบไม่VG+ปั๊มแบบสุญญากาศ โบ..จำไม่ได้ครับเพราะของเข้ามาเมื่อ 2 เดือนที่แล้ว เลยไม่ได้ดูให้ เคยถ่ายรูปไว้แต่หาไม่เจอ.. แต่รู้ว่ารุ่นนี้แรงสุดๆ
5.4D56 DID 116แรงไม่มีอินเตอร์ โบ UT10 โข่งเล็กมากๆ
6.4D56 DID 140แรง มีอินเตอร์ โบ UT 10 โข่งเล็กเช่นกัน



จาก เต๋า แหลมบัง  203.155.250.178  อังคาร, 11/8/2552 เวลา : 14:40   


คำตอบที่ 11
       เพิ่มเติมนะครับ .....

4D56 3TS ไม่โบ ปั๊มไฟฟ้า ท่อร่วมสั้นเครื่องไม่ 4
4D56524S ไม่โบ ปั๊มไฟฟ้า ท่อร่วมยาว เครื่อง 4 วีลครับ ส่งนอก
4D561427S โบVG+ปั๊มไฟฟ้า+EGR เครื่องไทตั้น รุ่นหัวเดียวและGL
4D56CE4376 โบVG +ปั๊มไฟฟ้า สตราด้า 4 ประตู 4 วีล+รุ่นแค็บ
4D56A1414S โบ+ปั๊มสุญญากาศ สังเกตุง่ายๆว่า เวสต์เกตจะอยู่ด้านบนเสมอ ตัวนี้สำหรับขาแรงตัวจริง



จาก เต๋า แหลมบัง  203.155.250.178  อังคาร, 11/8/2552 เวลา : 14:53   


      

Since 22, Feb 2001 hit counter View My Stats  Truehits.net      วัน<%=WeekdayName(Weekday(Date))%>,<%=formatdatetime(date(),1)%> (Online <%=Application("OnlineUsers")%> คน)
                                       

เพื่อลดภาระของ ฐานข้อมูล ซึ่งมีขนาดใหญ่มาก เพราะเวบเปิดมากว่า 10 ปี
จึงทำให้เวบช้าลงมาก ทีมงานจึงขออนุญาต แปลงข้อมูลจาก ฐานข้อมูลหลักเป็น SHTML File
เพื่อลดภาระการทำงานของ ฐานข้อมูลหลักครับ การแปลงฐานข้อมูลนี้ จะทำให้กระทู้นี้
ไม่สามารถตอบคำถามได้อีกต่อไปครับ แต่จะสามารถค้นหาชื่อกระทู้ และ Link ตรงมาที่หน้านี้ได้เหมือนเดิมครับ

ด้วยความนับถืออย่างสูง ทีมงาน Weekendhobby.com


Convert on : 25/8/2554 6:20:49

Error processing SSI file