WeekendHobby.com


**** การแก้เรื่องไฟ 4x4 กระพริบ แบบวิชาการ ****
ongart
จาก 01
พฤหัสบดีที่ , 12/7/2550
เวลา : 17:22

อ่าน = 18801
202.183.229.100
       กำลังหาเรื่องคานหน้า โชกุน อยู่แล้วไปเจอเรื่องนี้เข้าก็เลยเอามาฝาก เป็นประโยชน์มาก มีไดอะแกรมของท่อลมด้วย
เสียอย่างเดียว เป็นภาษาปะกิต ดูรูปเอาก็พอจะเข้าใจละครับ หรือใครจะแปลก็จะขอบคุณมากๆ
ถ้าอยากได้ File เต็มๆ ก็แจ้ง email ไว้นะครับ

ลิงค์ สมาชิกอีกวิธีหนึ่ง

http://www.weekendhobby.com/offroad/mitsubishi/Question.asp?ID=13908


http://www.weekendhobby.com/offroad/mitsubishi/Question.asp?ID=16876

http://www.weekendhobby.com/offroad/mitsubishi/Question.asp?ID=14476



 แก้ไขเมื่อ : 20/9/2553 15:22:22

 แก้ไขเมื่อ : 25/10/2553 15:19:10

 แก้ไขเมื่อ : 12/11/2553 11:32:32




เครื่องมือในการใช้งาน website =>> สมัครสมาชิก | Login | Logout | เปลี่ยนไอคอนส่วนตัว | เกี่ยวกับเรา | ติดต่อโฆษณา         View stat by Truehits.net


   
   

คำตอบที่ 1
      
ขออนุญาตลบ ภาษา English ออกนะครับ


 แก้ไขเมื่อ : 25/10/2553 15:14:10



ongart จาก 01  202.183.229.100  พฤหัสบดี, 12/7/2550 เวลา : 17:24   


คำตอบที่ 2
      
ขออนุญาตลบ ภาษา English ออกนะครับ


 แก้ไขเมื่อ : 25/10/2553 15:14:28



ongart จาก 01  202.183.229.100  พฤหัสบดี, 12/7/2550 เวลา : 17:24   


คำตอบที่ 3
      
ขออนุญาตลบ ภาษา English ออกนะครับ


 แก้ไขเมื่อ : 25/10/2553 15:14:39



ongart จาก 01  202.183.229.100  พฤหัสบดี, 12/7/2550 เวลา : 17:25   


คำตอบที่ 4
      
โซลินอย์


 แก้ไขเมื่อ : 25/10/2553 15:15:47





ongart จาก 01  202.183.229.100  พฤหัสบดี, 12/7/2550 เวลา : 17:26   


คำตอบที่ 5
      
โซลินอย


 แก้ไขเมื่อ : 25/10/2553 15:17:45





ongart จาก 01  202.183.229.100  พฤหัสบดี, 12/7/2550 เวลา : 17:29   


คำตอบที่ 6
       Key for images:
A - Actuator
B - Boot (covering actuator shaft)
C - Vacuum can (about the size of a tin of baked beans)
D - Differential (front)
E - Axle casing
F - Crossmember






ongart จาก 01  202.183.229.100  พฤหัสบดี, 12/7/2550 เวลา : 17:30   


คำตอบที่ 7
       Front Differential Actuator





ongart จาก 01  202.183.229.100  พฤหัสบดี, 12/7/2550 เวลา : 17:31   


คำตอบที่ 8
      
Key for images:
A - Actuator
B - Boot (covering actuator shaft)
C - Vacuum can (about the size of a tin of baked beans)
D - Differential (front)
E - Axle casing
F - Crossmember


 แก้ไขเมื่อ : 25/10/2553 15:23:49





ongart จาก 01  202.183.229.100  พฤหัสบดี, 12/7/2550 เวลา : 17:32   


คำตอบที่ 9
       Vacuum piping schematic diagram

 แก้ไขเมื่อ : 25/10/2553 15:24:08





ongart จาก 01  202.183.229.100  พฤหัสบดี, 12/7/2550 เวลา : 17:34   


คำตอบที่ 10
       Front axle (viewed from the front, beneath the radiator)


Key for images:
A - Actuator
B - Boot (covering actuator shaft)
C - Vacuum can (about the size of a tin of baked beans)
D - Differential (front)
E - Axle casing
F - Crossmember






ongart จาก 01  202.183.229.100  พฤหัสบดี, 12/7/2550 เวลา : 17:35   


คำตอบที่ 11
      
แฮนด์ปั๊ม สำหรับ ทดสอบรั่ว


 แก้ไขเมื่อ : 25/10/2553 15:24:54





ongart จาก 01  202.183.229.100  พฤหัสบดี, 12/7/2550 เวลา : 17:36   


คำตอบที่ 12
      
ขอลบ ปะกิตออกครับ


 แก้ไขเมื่อ : 25/10/2553 15:25:23



ongart จาก 01  202.183.229.100  พฤหัสบดี, 12/7/2550 เวลา : 17:36   


คำตอบที่ 13
      
ตำแหน่ง สวิทช์ วเกียร์


 แก้ไขเมื่อ : 25/10/2553 15:25:55





ongart จาก 01  202.183.229.100  พฤหัสบดี, 12/7/2550 เวลา : 17:38   


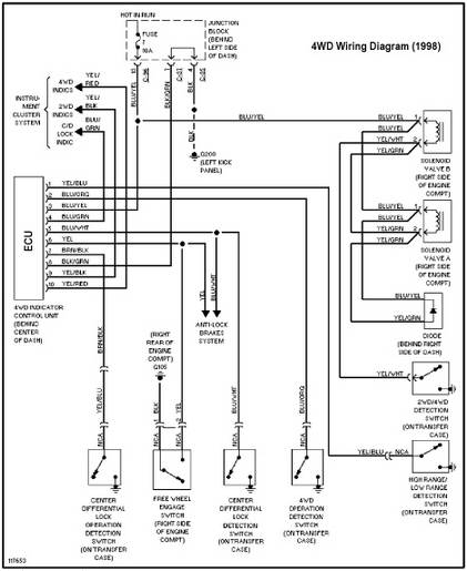
คำตอบที่ 14
       A Wiring Diagram

 แก้ไขเมื่อ : 25/10/2553 15:26:15





ongart จาก 01  202.183.229.100  พฤหัสบดี, 12/7/2550 เวลา : 17:39   


คำตอบที่ 15
       สรุปมัน คล้ายๆกับของ Strada เราอยู่แล้ว นำไปประยุกต์ได้เลยครับ



ongart จาก 01  202.183.229.100  พฤหัสบดี, 12/7/2550 เวลา : 17:42   


คำตอบที่ 16
      



พจน์27 จาก พจน์  58.8.106.242  จันทร์, 16/7/2550 เวลา : 22:05   


คำตอบที่ 17
       ขอบคุณครับ พี่01 รถผมจอดมากกว่าใช้จอดนานๆ พอเข้า4ไม่ว่า low หรือhi ไฟจะกระพริบติดๆดับๆ เสียงวาล์วลมมันทำงาน ต๊อกแต๊กๆ ตลอด ต้องจับคันเกียร์low/hiค่อยๆโยกแบบเน้นๆหลายๆครั้งแล้วมันก็หายกระพริบ แล้วก็ใช้ได้ปกติ น่าจะเป็นที่ sw.ที่เกียร์ใช่ไหมครับ แล้วมันจะเสียไหมครับ



จาก kid  125.27.70.67  ศุกร์, 3/8/2550 เวลา : 07:48   


คำตอบที่ 18
       ที่ผมทำอยู่ตอนนี้ ผม บายพาส สวิทช?หัวเกียร์ครับ
สมัยก่อนก็ เปลี่ยนเหมือนกัยเสียตังหลายพัน
ตอนนี้ ใช้วิชามาร ถอดสายลมด้านบนออก แล้วอุด เพื่อที่จะให้ ก้าน Actuator มันถอยกลับมาอยู่ในตำแหน่งปกติ คือ ล๊อคโฟร์
ถ้าก้าน Actuator มันถูกดึงเข้าในกระโปกเฟือง หมายถึง ปลดโฟร์ ครับ
ยิ่งถ้ามี Freelock นะ ปล่อยให้มันอยู่ในสถาพนั้นไปตลอดเลยจะดี เหมือนผม






ongart จาก 01  202.183.229.100  ศุกร์, 3/8/2550 เวลา : 10:19   


คำตอบที่ 19
       อยากทราบขั้นตอนการถอด Sensor Switch B-04,B-05 ของระบบการเข้าเกียร์ในตำแหน่ง 4H และ 4L ของ Strada 4WD ครับ

ผมพยายามแล้วแต่เนื้อที่ในการถอดน้อยมากครับ
พอถอดสายไฟได้ แต่หัวปลั๊กไปติดกับเกียร์ ไม่รู้ว่าจะถอดยังไงครับ
มันมองไม่เห็นครับ

ขอบคุณมากครับ



จาก มารุต  58.8.64.170  พุธ, 8/8/2550 เวลา : 10:49   


คำตอบที่ 20
       มีประโยน์ชมากๆครับท่าน 01 แต่ผมไม่รู้เรื่องเลย ขนาดภาษาไทยยังงงเลย ท่านใดเก่งภาษาช่วยแปลหน่อยครับ
ไอ้ไฟน่ะ มีปัญหาเกือบทุกคัน



ป่าฝน จาก ป่าฝน  124.120.53.13  พุธ, 8/8/2550 เวลา : 11:33   


คำตอบที่ 21
       เคยถอดโดยการใช้มือคลำเอาครับ
นั้นเป็นสาเหตุที่ทำให้ผม บายพาส/overide มันซะเลย

(การบายพาสนี่ก็คือ ไม่ต้องผ่านสวิทช์ จับมันต่อตรงๆนี่แหละ ไอ้สวิทช์พวกนี้มันจะส่งสัณญาณว่าเข้า 4H or 4L โดยสมบูรณ์)

หลักสำคัญ อยู่ที่ Actuator ว่ามันทำงานหรือไม่ครับ



ongart จาก 01  202.183.229.100  พุธ, 8/8/2550 เวลา : 12:10   


คำตอบที่ 22
       เอาง่ายๆ ถ้ามันไม่เข้าก็ทำตามรูปละกัน
อย่าไปห่วงเรื่องไฟกระพริบ






ongart จาก 01  202.183.229.100  พุธ, 8/8/2550 เวลา : 12:25   


คำตอบที่ 23
       สุดยอด



จาก คนติดตาม  61.47.5.27  พุธ, 8/8/2550 เวลา : 12:52   


คำตอบที่ 24
       ถ้าทำอย่างที่คุณ01บอกมันจะขับ4ตลอดหรือเปล่าครับ ถ้าใช้แล้วเวลาต้องการขับสองจะทำยังไง ขอบคุณครับ(งง)



จาก พวกเดียวกัน  203.113.34.13  เสาร์, 11/8/2550 เวลา : 16:32   


คำตอบที่ 25
       มันล๊อค หน้าอย่างเดียว ถ้าตราบใดที่เราไม่เข้าเกียร์โฟร์ มันก็คือขับสอง
ถ้าเข้าเกียร์โฟร์ ปัป มันก็ 4โดยทันที ไม่มียึกยัก

ถ้าไม่อยากให้ล้อมันขับโดยเฟืองขบ
เสียตังเพิ่ม อีก4-5000บาท ซื้อ Hub lock มาใส่ครับ เหมือนผมครับ
ขี้เกียจมุดใต้ท้องรถในป่าทุกครั้งที่เข้าครับ




ongart จาก 01  124.120.63.180  อาทิตย์, 12/8/2550 เวลา : 18:49   


คำตอบที่ 26
       เหมือนsuzuki เลยครับเออซะใจ



จาก จ่าเดช  58.8.136.165  พุธ, 22/8/2550 เวลา : 10:53   


คำตอบที่ 27
       คำตอบที่ 22 อุดท่อสีเหลืองใช้ไหมครับ



จาก โอทีทีโอ  124.121.94.164  พุธ, 22/8/2550 เวลา : 11:58   


คำตอบที่ 28
       จำไม่ได้แล้วว่า เหลืองหรือ ฟ้า
ตามรูปเลยครับ
เวลาเราเสียบสายลมเข้า ตัว shaft ของ actuator มันจะเลื่อนเข้า
แต่ถ้าเราถอดออก มันจะเลื่อนถอยออกมาครับ

จริงๆ แล้วอันใดอันหนึ่งก็น่าจะได้ แต่ของผมมันเพี้ยนไปหมด ก็เลยแนะนำอันนี้ดีกว่า



ongart จาก 01  202.183.229.100  พุธ, 22/8/2550 เวลา : 12:53   


คำตอบที่ 29
       ดูตาม 18 กับ 22 น่าจะเป็นสีเหลือง ตามรูปที่ 18
ที่ผมไม่แน่ใจคือรถผมเองครับที่ ไม่แน่ชัดเรื่องสี



ongart จาก 01  202.183.229.100  พุธ, 22/8/2550 เวลา : 12:56   


คำตอบที่ 30
       เพิ่มเติม





ongart จาก 01  202.183.229.100  อังคาร, 11/9/2550 เวลา : 16:07   


คำตอบที่ 31
       การอุดด้วย manual ชั่วคราว ถ้าไม่มี free Hub






ongart จาก 01  202.183.229.100  อังคาร, 11/9/2550 เวลา : 16:13   


คำตอบที่ 32
       ที่อยู่ของไอ้ตัวแสบ





ongart จาก 01  202.183.229.100  อังคาร, 11/9/2550 เวลา : 16:40   


คำตอบที่ 33
      





ongart จาก 01  202.183.229.100  อังคาร, 11/9/2550 เวลา : 16:46   


คำตอบที่ 34
      





ongart จาก 01  202.183.229.100  อังคาร, 11/9/2550 เวลา : 16:56   


คำตอบที่ 35
      





ongart จาก 01  202.183.229.100  อังคาร, 11/9/2550 เวลา : 16:58   


คำตอบที่ 36
      





ongart จาก 01  202.183.229.100  อังคาร, 11/9/2550 เวลา : 16:59   


คำตอบที่ 37
       หวังว่านี่คงเป็นประโยชน์ แก่ บรรดา สมาชิก และผู้ที่ใช้ Mitsubishi/Strada โดยทั่วกัน

อย่าให้ ศูนย์ หรือ อู่ แหกตาได้
ถึงเราไม่ได้ทำเอง แต่ขอให้รู้ไว้ใช่ว่า ดีกว่าโดนแหกตา

เปลี่ยน สวิทช์ สี่ตัวไม่ใช่ ถูกๆ สามพันขึ้น เคยมาแล้ว โดนเรื่องไฟกระพริบนี่บ่อยมาก สมัยก่อนๆ
ช่างที่ศูนย์/อู่ ส่วนมากจะเป็นช่างยนต์ เก่งๆ แต่ตกม้าตายเพราะระบบไฟฟ้า กับ นิวแมติก (ลม)



ongart จาก 01  202.183.229.100  อังคาร, 11/9/2550 เวลา : 17:12   


คำตอบที่ 38
       เป็นปัญหาเหมือนกันครับ ผมใช้วิธีตัดสายไฟสวิทในเกียทั้ง 2 ตัวทิ้งสวิทอยู่ในเกียไม่ต้องไปยุ่งกับมัน แล้วจัดการต่อใว้ในห้องเก๋งเวลาจะขับสี่ก็กดสวิทตัวแรกเมื่อกดไฟจะกระพริบ พอกดตัวที่สองไฟก็ค้างแล้วดันเกียขับ4ตาม บางทีขี้เกียจใช้ขับ4 เวลาขึ้นเนินชันลาดยางก็ดันเกีย L อย่างเดียวกลายเป็น L 2 ไปเลยครับ (แต่ไม่ค่อยได้ใช้บ่อยกลัวพังครับL2) ใช้มาเกือบปีแล้วครับไม่มีปัญหาสามารถเรียกขับ4 ได้เมื่อล้อขยับได้ไม่ถึงฟุต



จาก wat  125.25.18.3  อังคาร, 25/9/2550 เวลา : 20:00   


คำตอบที่ 39
       ไม่ทราบว่ามีใครพอจะหา สวิทช์ sensor ให้ได้มั่งไม๊ครับ
พอดีอยู่ ตจว. ไม่สะดวกหาซื้อน่ะครับ

เป็นมือสองก็ดีน่ะครับ..จะได้นำมาเปลี่ยนซักที..

ขอบคุณมากครับ.



จาก tum  202.129.16.29  พุธ, 26/9/2550 เวลา : 10:36   


คำตอบที่ 40
       ที่เชียงกงใกล้บ้านครับ เทียบดูแล้วเช็คความต้านทานดูด้วย ไม่แพง 80-200 บาท ต่อตัวแล้วแต่ร้าน แล้วแต่ฟลุค



prawate จาก ป.ปา  61.90.167.50  พุธ, 26/9/2550 เวลา : 11:07   


คำตอบที่ 41
       เข้ามาดู



จาก ต้น 081595292*  119.42.69.247  จันทร์, 14/1/2551 เวลา : 11:13   


คำตอบที่ 42
       ผมเป็นสมาชิกใหม่ครับ ขอฝากเนื้อฝากตัวด้วยนะครับพี่ๆเพื่อนๆทุกคน ตอนนี้ผมสนใจเรื่องswไฟ4wdมากครับ รถผมไฟมันกระพริบมา1ปีแล้ว มันจะมีผลอะไรมั้ยครับ



จาก ฐาปนา  124.120.203.248  พฤหัสบดี, 26/6/2551 เวลา : 18:15   


คำตอบที่ 43
       กระพริบเฉยๆ ไม่มีผลเสียครับ



จาก 01 no log in  124.120.184.52  ศุกร์, 27/6/2551 เวลา : 12:17   


คำตอบที่ 44
       ขอบคุณมากนะครับ แต่ยังไม่หมดครับไฟ ABS ก็กระพริบด้วยครับ ทุกครั้งเลย



จาก ฐาปนา  124.120.197.242  เสาร์, 28/6/2551 เวลา : 17:00   


คำตอบที่ 45
       pdwk@hotmail.com ขอ ไฟล์ด้วยครับ ขอบคุณครับ



จาก taball  124.121.109.232  พุธ, 17/12/2551 เวลา : 22:43   


คำตอบที่ 46
       สวัสดีครับ
ผมมีปัญหาไฟกระพริบทั้งยังไม่เข้าโฟร์และเข้าโฟร์ เปลี่ยนโซลินอยด์ กับ สวิทย์ ฟรีล้อไม่แล้ว เข้าโฟร์ LOW, HI ไฟไม่กระพริบแล้ว พอปลดมาที่ 2 WD ยังกระพริบเหมือนเดิม ลองเปลี่ยน สวิทย๋เกียร์ ทั้งตัวก็ไม่หาย ล้างสายลมใหม่ทั้งหมดและก็ล้างชุดไดอะแฟรม ยังไม่ดีขึ้น เช็คป์มลมแล้วไม่มีปัญหา ฝากพี่ๆเพื่อนช่วยแนะนำหน่อยครับว่าจะต้องเช็คตรงไหนอีกหรือมีอะไรต้องเปลี่ยนอีกหรือเปล่าว (ไฟกระพริบมาหนี่งเดือนแล้ว)

ขอบพระคุณล่วงหน้าครับ



จาก Num  192.55.18.36  เสาร์, 10/1/2552 เวลา : 06:24   


คำตอบที่ 47
       ถ้าโซลินอยด์ เปลี่ยน ของใหม่ทั้ง สองอัน ท่อลมเปลี่ยนใหม่หมด เข้า โฟร์ ไม่กระพริบ

แต่กลับมาสองกระพริบ เท่าที่วิเคราะห์ได้ตอนนี้ ชุดpluger ที่อยู่ในเฟือง น่าจะดันเข้าไม่สุด

สัณญาณ ที่ หัวเพลา อาจจะยังเหมือนว่า ล้อหน้ายังเข้า สี่ สัณญาณก็ดีกันเอง
เวลา ถอดสายลมเส้นใดเส้นหนึ่ง สังเกตุการ ดันเข้า/ออกของแกนที่ต่อมาจาก ไดอะแฟรม สุดหรือ ครึ่งๆ กลาง

ถอดชุดที่ต่ออยู่กับ เฟืองมาล้างครับ ผมเคยเป็น สนิมทั้งนั้น

ท้ายสุด เข้าสี่ เสียงดัง เฟืองแทบพัง


อีกอันถ้าที่ว่ามาทั้งหมดดีแล้ว คงต้อง บายพาส สวิทช์ หัวเกียร์ทีละอีน แล้วเช็ค ว่า โซลินอยด์ที่เปลี่ยน ทำงานปกติหรือไม่ ถอดมาเช็คทีละอัน

เพราะสาเหตุการกระพริบหลักๆ คือ ลม

ลองดูครับ ว่างๆ ทำเอง แล้วจะเรียนรู้ด้วยตัวเองไปเรื่องยๆครับ







ongart จาก 01  124.120.60.227  เสาร์, 10/1/2552 เวลา : 22:15   


คำตอบที่ 48
       Update ครับ ปัญหาไฟกระพริบขณะยังไม่เข้าโฟร์ Chk. โซลินอยด์ วาวล์พบว่าตัวสีฟ้าผิดปรกติครับ ทำการเปลี่ยนใหม่แล้ว ผล ไม่เข้าโฟร์ ไฟไม่กระพริบแล้วครับ แต่เข้าโฟร์ ไฟกระพริบตลอดครับ (ก่อนหน้านี้กระพริบติดบ้างไม่ติดบ้างที่ โฟร์) ไปต่อไม่ถูกแล้วครับ
ขอคำแนะนำครับ
ขอบคุณครับ



จาก Jingju  117.121.220.194  เสาร์, 24/1/2552 เวลา : 11:59   


คำตอบที่ 49
       เปลี่ยนสายยางด้วยครับ ลองดู



จาก t  118.173.158.88  เสาร์, 24/1/2552 เวลา : 12:13   


คำตอบที่ 50
       ของผม ตอนแรกไฟสี่คูณสี่กระพริบ ตอนนี้ไม่กระพริบแต่เข้าเกียร์ขับสี่ไม่ได้ ต้องตรวจสอบอะไรก่อนครับ และถ้าจะอุดสายลมที่เพลาต้องทำอย่างไรบ้าง และเวลาจะใช้ขับสี่ต้องทำยังงัย ช่วยอธิบายหน่อยครับ ขอบคุณมากครับ



จาก พิพัฒน์  117.47.38.143  เสาร์, 9/5/2552 เวลา : 16:49   


คำตอบที่ 51
       กลับไปอ่าน กท. 31 ขอรับ



ongart จาก 01  124.122.165.2  เสาร์, 9/5/2552 เวลา : 21:27   


คำตอบที่ 52
       ผมใช้เช็กวาล์วใส่กันลมย้อนกลับที่ใต้ทัองรถชุดไดอะเฟรมสีน้ำเงินแล้วหาย ใส่สัก1เดือนแล้วถอดออกก็หาย ส่วนไฟsrsไปเข้าmuๆล้างที่อู่สองเพาแยกวัชรพลเลยปั๊มบางจากซ้ายมือ300บาทหายไปเลย





จาก pol637@hotmail.com  58.8.163.213  พฤหัสบดี, 13/8/2552 เวลา : 20:48   


คำตอบที่ 53
       ดีใจจัง หลังจากที่ไล่ระบบอยู่นาน ค่อยๆคิดไปครับหมดไปหลายขวด ในที่สุดก้อทำได้ครับ ไปหาโซลินอยด์วาล์วแถวคลองถมมีอยู่2ตัวแต่เทสไฟแล้วใช้ได้ตัวเดว เค้าบอกราคา200 ไม่ยอมลดเลยครับบอกว่าของหายากจะเอาไหม(ขายแบบไม่ง้อซะด้วย)เลยต้องจำใจซื้อมาครับ พอกลับมาเสียบปุ๊บ ใช้ได้เลยครับ(ฟลุ๊คป่าวไม่รู้)
เดวว่างๆจะลองซื้อของโตต้ามาลองดูครับ ดูแล้วน่าจะทำได้เพียงแต่แปลงขายึดใหม่ น่าจะไม่ยากครับ
ขอขอบคุณพี่ๆทุกท่านที่ให้ความรู้ ไม่งั้นเวลาเสียก้อต้องวิ่งเข้าอู่อย่างเดียว บางอู่ก้อบอกว่าทำไม่เป็น(ซะงั้น)



Devil_Love จาก มังกรหัวม่วง  61.90.80.22  อาทิตย์, 16/8/2552 เวลา : 15:18   


คำตอบที่ 54
       ขอเบอร์พี่01 ด้วยครับ...



จาก เจ  61.19.228.46  พุธ, 16/9/2552 เวลา : 16:35   


คำตอบที่ 55
       081 9000 773



ongart จาก 01  110.164.91.106  พฤหัสบดี, 17/9/2552 เวลา : 07:52   


คำตอบที่ 56
       แสดงที่อยู่ของเจ้าตัวแสบ







ongart จาก 01  110.164.128.74  อาทิตย์, 20/9/2552 เวลา : 10:00   


คำตอบที่ 57
       เปลี่ยน. โซลินอยด์ วาวล์ แล้วไฟที่กระพริบจะหายจริงไหมครับ ของผม. โซลินอยด์ วาวล์ เสียทั้งหมดเลยเหลือแต่
. โซลินอยด์ วาวล์ ของแอร์แค่ตัวเดียว . โซลินอยด์ วาวล์ พอจะหาซื้อที่ไหนได้บ้างที่ เชียงกงบางพลีมีขายไหม พอดีอยู่ใกล้นะครับ ตัวละประมาณเท่าไหร่



pacarapon จาก pacarapon  111.84.21.84  พุธ, 28/4/2553 เวลา : 22:00   


คำตอบที่ 58
       ลองเดินแล้วถามดู

No.17 หาได้แถวพระรามสอง 3-400

แต่บางที่ก็บอก 500

ลองถามหลายๆ ร้านดูครับ

เปลี่ยนแล้วก็ลองดูสายลมด้วยว่ารั่วไหม

ส่วนสวิทช์หัวเกียร์ ก็บายพาส (ต่อตรง)เอา ไม่ต้องเปลี่ยน เปลืองตังค์



ongart จาก 01/Strado  58.147.31.180  พฤหัสบดี, 29/4/2553 เวลา : 13:27   


      

Since 22, Feb 2001 hit counter View My Stats  Truehits.net      วัน<%=WeekdayName(Weekday(Date))%>,<%=formatdatetime(date(),1)%> (Online <%=Application("OnlineUsers")%> คน)
                                       

เพื่อลดภาระของ ฐานข้อมูล ซึ่งมีขนาดใหญ่มาก เพราะเวบเปิดมากว่า 10 ปี
จึงทำให้เวบช้าลงมาก ทีมงานจึงขออนุญาต แปลงข้อมูลจาก ฐานข้อมูลหลักเป็น SHTML File
เพื่อลดภาระการทำงานของ ฐานข้อมูลหลักครับ การแปลงฐานข้อมูลนี้ จะทำให้กระทู้นี้
ไม่สามารถตอบคำถามได้อีกต่อไปครับ แต่จะสามารถค้นหาชื่อกระทู้ และ Link ตรงมาที่หน้านี้ได้เหมือนเดิมครับ

ด้วยความนับถืออย่างสูง ทีมงาน Weekendhobby.com


Convert on : 25/8/2554 6:21:39

Error processing SSI file