WeekendHobby.com


ลองทำ MP3 FM MODULATOR แบบง่ายๆครับ (DIY)

จาก ee40_suwat
ศุกร์ที่ , 11/4/2551
เวลา : 18:02

อ่าน = 2830
210.246.144.163
       ไปเห็น MP3 FM MODULATOR ราคาประมาณ600-700 บาท คิดดูเลยลองทำเล่นดูครับ(แบบว่าเครื่องเสียงที่ติดรถยังไม่มี CD ) โดยซื้อชุดคิท ไมค์ลอย 100 เมตรมาทำเล่น....




เครื่องมือในการใช้งาน website =>> สมัครสมาชิก | Login | Logout | เปลี่ยนไอคอนส่วนตัว | เกี่ยวกับเรา | ติดต่อโฆษณา         View stat by Truehits.net


   
   

คำตอบที่ 1
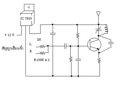
       ซื้อชุดคิท ไมค์ลอย 100 เมตรมาวงจรจะเป็นแบบนี้ครับ ใช้ไฟ 9V ลองจูนให้คลื่นตรงกับเครื่องรับ FM ก่อนนะครับ



จาก suwat  210.246.144.163  ศุกร์, 11/4/2551 เวลา : 18:05   


คำตอบที่ 2
      





จาก suwat  210.246.144.163  ศุกร์, 11/4/2551 เวลา : 18:05   


คำตอบที่ 3
       ต่อเพิ่มด้วย IC 7809 เพื่อให้ได้ไฟ 9 V และเพิ่ม R 100K ด้านสัญญาณเข้า





จาก suwat  210.246.144.163  ศุกร์, 11/4/2551 เวลา : 18:07   


คำตอบที่ 4
       เสร็จแล้วก็ต่อสัญญาณจากเครื่อง MP3 เปิดวิทยุที่รถฟังได้เลยครับ(ไม่มีรูปให้ดูครับกล้องเสียอยู่ครับ)



จาก suwat  210.246.144.163  ศุกร์, 11/4/2551 เวลา : 18:09   


คำตอบที่ 5
       ก็เวิร์คนะพี่ แต่เขาขายแค่ 390 อ่าน SD Card ได้ อ่าน flash drive ได้ มี remote เลือกเพลง ซื้อเขาเถอะคุ้มกว่า



จาก T-man  205.153.103.15  เสาร์, 19/4/2551 เวลา : 00:56   


คำตอบที่ 6
       -ขอบคุณครับที่นำมาเผยแผ่คงมีหลายคนที่อยากรู้และอยากทำเหมือนคุณ suwat มันท้าทายดีผมว่านะ



จาก หนุ่มลำลูกกา  61.90.250.14  จันทร์, 21/4/2551 เวลา : 08:58   


คำตอบที่ 7
       ของผมถอดตัวครื่องของวิทยุออกมาแล้วก็ต่อสายแจ็คเพื่อเอาไปต่อกับเครื่อง mp3 เลยครับ โดยตัดเอาสัญญาณวิทยุออกไปเลย แบบนี้ก็ดีครับ ไม่ต้องจูนหา



จาก gun  203.154.215.73  เสาร์, 6/9/2551 เวลา : 13:39   


คำตอบที่ 8
       ดีครับ คิดแล้วทำ ดีกว่าทำแล้วไม่คิด
ถึงจะเป็นวงจรธรรมดาๆ ค่อยๆทำไปเดี๊ยวเก่งเองครับ



nick p-car จาก nick p-car  118.174.184.173  อาทิตย์, 7/9/2551 เวลา : 21:52   


คำตอบที่ 9
       ดีครับ แนวคิดดีทีเดียวครับ แต่สิ่งที่ได้จะได้คุณภาพเสียงแบบโมโน นะครับ ซึ่งต่างจาก ของที่ซื้อแน่นอนเพราะเป็นแบบสเตอริโอ



mmonl จาก MMONL  202.44.210.45  จันทร์, 8/9/2551 เวลา : 15:48   


      

Since 22, Feb 2001 hit counter View My Stats  Truehits.net      วัน<%=WeekdayName(Weekday(Date))%>,<%=formatdatetime(date(),1)%> (Online <%=Application("OnlineUsers")%> คน)
                                       

เพื่อลดภาระของ ฐานข้อมูล ซึ่งมีขนาดใหญ่มาก เพราะเวบเปิดมากว่า 10 ปี
จึงทำให้เวบช้าลงมาก ทีมงานจึงขออนุญาต แปลงข้อมูลจาก ฐานข้อมูลหลักเป็น SHTML File
เพื่อลดภาระการทำงานของ ฐานข้อมูลหลักครับ การแปลงฐานข้อมูลนี้ จะทำให้กระทู้นี้
ไม่สามารถตอบคำถามได้อีกต่อไปครับ แต่จะสามารถค้นหาชื่อกระทู้ และ Link ตรงมาที่หน้านี้ได้เหมือนเดิมครับ

ด้วยความนับถืออย่างสูง ทีมงาน Weekendhobby.com


Convert on : 25/8/2554 6:28:44

Error processing SSI file