จาก paradorn
อาทิตย์ที่ , 20/4/2551
เวลา : 15:18
อ่าน = 1515
202.122.130.31
|
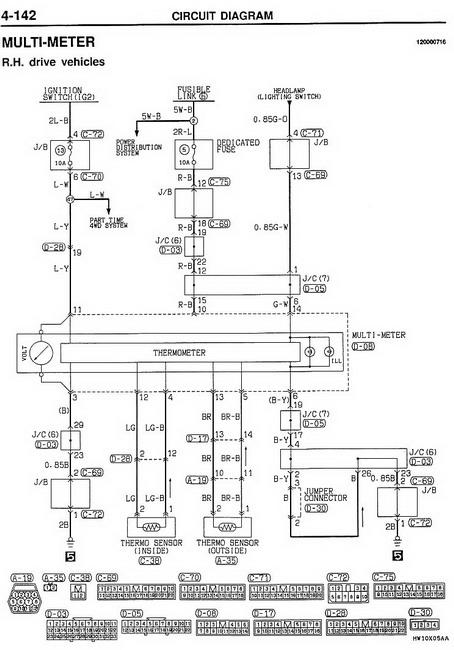
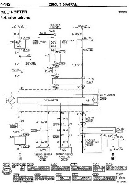
พอดีได้ Land meter มาเป็นตัวที่มีเข็มทิศไฟฟ้า อยากขอรบกวนสอบถามว่าพี่ๆท่านใด พอมีวงจรหรือรู้วิธีการต่อสายไฟ เจ้า Land meter ตัวนี้บ้างครับ จะเป็นประโยชน์ยิ่งกับน้อง เพราะมีสายไฟติดมาด้วย สิบกว่าเส้น งงไปหมดเลย ???

|