WeekendHobby.com


**** ฝากให้ช่างชาติครับ (วิธีการประกอบและติดตั้ง E-Locker Prado 78) ****
ongart
จาก 01
พฤหัสบดีที่ , 5/6/2551
เวลา : 13:47

อ่าน = 1073
202.183.229.100
       เพื่อเป็นประโยชน์แก่ส่วนรวมด้วยครับ คงไม่เฉพาะ Strada ที่หันไปคบคานแข็งเท่านั้น เผือชมรมอื่นๆด้วยครับ





เครื่องมือในการใช้งาน website =>> สมัครสมาชิก | Login | Logout | เปลี่ยนไอคอนส่วนตัว | เกี่ยวกับเรา | ติดต่อโฆษณา         View stat by Truehits.net


   
   

คำตอบที่ 1
       1. บากเสื้อเฟืองตามรูปสีฟ้า
2. บากเสื้อเฟืองด้านเดียวกับชุด actuator อยู่ (ก้ามปูที่ดึงเข้า/ออก)ดูรูปถัดไป ตัวหนังสือสีแดง
3. เพิ่ม stud bolts ตามรูปสีเขียว


ก่อนจะบากเสื้อเฟืองลองประกบเข้าไปดูก่อน





ongart จาก 01  202.183.229.100  พฤหัสบดี, 5/6/2551 เวลา : 13:57   


คำตอบที่ 2
       ทุบตรงรอยเว้าเพื่อเพิ่มระยะห่างอีกนิดหนึ่ง





ongart จาก 01  202.183.229.100  พฤหัสบดี, 5/6/2551 เวลา : 14:02   


คำตอบที่ 3
       แสดงตำแหน่งที่ต้อง Modify





ongart จาก 01  202.183.229.100  พฤหัสบดี, 5/6/2551 เวลา : 14:04   


คำตอบที่ 4
       เปรียบเทียบ ก่อนและหลัง





ongart จาก 01  202.183.229.100  พฤหัสบดี, 5/6/2551 เวลา : 14:05   


คำตอบที่ 5
       หลังจากโมแล้ว





ongart จาก 01  202.183.229.100  พฤหัสบดี, 5/6/2551 เวลา : 14:06   


คำตอบที่ 6
       เช็คระยะความลึกที่ต้องกระทุ้งเพิ่





ongart จาก 01  202.183.229.100  พฤหัสบดี, 5/6/2551 เวลา : 14:10   


คำตอบที่ 7
      





ongart จาก 01  202.183.229.100  พฤหัสบดี, 5/6/2551 เวลา : 14:12   


คำตอบที่ 8
       การทำงานของ Diff

ตอนประกอบเข้าต้องอยู่ในตำแหน่ง Lock





ongart จาก 01  202.183.229.100  พฤหัสบดี, 5/6/2551 เวลา : 14:14   


คำตอบที่ 9
       unlock





ongart จาก 01  202.183.229.100  พฤหัสบดี, 5/6/2551 เวลา : 14:15   


คำตอบที่ 10
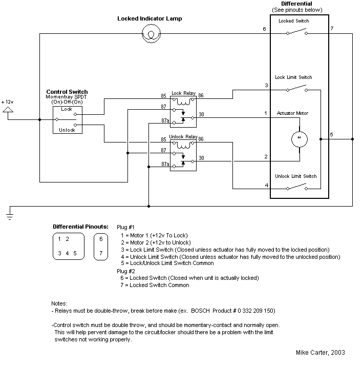
       Circuit diagram แบบที่ใช้ รีเลย์ ซึ่งน่าจะงานที่สุด





ongart จาก 01  202.183.229.100  พฤหัสบดี, 5/6/2551 เวลา : 14:18   


คำตอบที่ 11
       มีวงจรอีกหลายๆแบบ แตกลัวจะงง เอาไปอันเดียวก็พอ

ลองประกบดูก่อนนะคอ่ยลงมือบาก

ตัวนี้เอามาจาก 4 Runner อาจจะไม่เหมือนกันก็ได้
ตัวดิฟ มันเป็นแบบกระดกอยู่แล้ว แต่เสื้อเฟือง เก่ามันไม่เคยลงดิฟ ลองดูละกันครับ



ongart จาก 01  202.183.229.100  พฤหัสบดี, 5/6/2551 เวลา : 14:22   


คำตอบที่ 12
       แจ่มครับ

ขอบคุณครับ

เป็นประโยชน์มากเลยครับ




400 จาก 400  117.47.197.59  พฤหัสบดี, 5/6/2551 เวลา : 14:28   


คำตอบที่ 13
       แถมอีกอัน





ongart จาก 01  202.183.229.100  พฤหัสบดี, 5/6/2551 เวลา : 15:24   


คำตอบที่ 14
       ชาติเอ่ย ทำดีๆนะ เกี่ยวจะพาไปที่ฃอบ ที่ฃอบ
ไม่ต้องกลัวมี ดิฟหน้าหลังตั้ง 2 คัน

นอนกินเหล้าในป่า สนุกจะตาย



ongart จาก 01  124.120.60.224  ศุกร์, 6/6/2551 เวลา : 00:33   


คำตอบที่ 15
       พี่400 ถ้าฃ่างชาติทำเสร็จ ลองบ่อดินแล้ว มีอีกสามที่ๆ อยากไปซ่อม
1. ลิ่นถิ่น
2. โป่งกระดังงา
3. คลิติ้ จะเอา 400ดี ไปซ่อมรูแซะหน่อย

เราคงมีวาสนาได้ไปด้วยกันแน่ครับ



ongart จาก 01  124.120.60.224  ศุกร์, 6/6/2551 เวลา : 00:38   


คำตอบที่ 16
      

อธิบายรายละเอียด หน่อยสิพี่ มันคืออะไร

คานของอะไรกับอะไร ที่พี่เอามาทำ

แล้ว E-Locker ที่พี่ได้มา นี่ปกติ

มันประจำการอยู่กับคานของอะไร

ทำไมต้องแปลง ถ้าจะหาทั้งคานเลยได้มั๊ย






ed จาก ขงเบ้ง@ร้อยท่อ&ร้อยทางเกวียน  202.149.24.161  ศุกร์, 6/6/2551 เวลา : 13:24   


คำตอบที่ 17
       มันเป็นของ prado เฟืองกระดก

แต่เฟืองที่ติดมามันเป็น 10:43 ไม่ใช่ 8::39

และมันมาแค่เฟืองไม่มีคาน สภาพใหม่ ประมูลจากโรงงานที่ ญี่ปุ่น

เสื้อเฟืองที่ติดกับคานมันใส่รุ่นที่เป็น electrical diff ไม่ได้ ก็เลยต้อง ตัดโน้น เจาะนี่

ตอนไปเอา ร้านเขาก็บอกต้องบาก แต่เขาไม่ได้บอกหมดว่าต้อง บากสามจุด แล้วเพิ่ม สตัตโบลท์ ตามรูป

ถ้ามันมาทั้งคานก็ดีซิ


ขงเบ้ง แวะไปดูที่อู่ซิ



ongart จาก 01  202.183.229.100  ศุกร์, 6/6/2551 เวลา : 14:51   


คำตอบที่ 18
      
คำตอบที่ 15....

ลิ่นถิ่น...ขอบายครับ...( แก่แล้ว.กลัวสู้ไม่ไหว? )

โป่งกระดังงา..ระยะทางมันสั้น...อันนี้พอไหว?..

คิสตี้...สนุกดี...พอ.รู้สึกจะเหนื่อย ก็ถึงที่พักพอดี...

ไปวันไหน? ลองโทรมาครับ...

ไม่ติดอะไร?..จะได้ไปร่วม มันๆๆกัน....

....ไม่ชมชอบรสชาติในสุรา...แต่ ชื่นชอบ.บรรยากาศของการร่ำสุรา )

....ข้างบน..ลอกชาวบ้านเขามาครับ
.



400 จาก 400  222.123.241.66  เสาร์, 7/6/2551 เวลา : 08:29   


คำตอบที่ 19
       มีประโยชน์ดีมากครับ

ขออนุญาตสอบถามครับว่า ลักษณะของเฟืองกระดกเป็นอย่างไรครับ และเฟืองที่ติดมากับคานเลยนั้นเป็นแบบไหนครับ

ขอบคุณครับ



Norseman จาก ราเชน  192.55.18.36  จันทร์, 9/6/2551 เวลา : 11:20   


คำตอบที่ 20
       สวย



จาก น้  125.27.205.227  อาทิตย์, 16/8/2552 เวลา : 11:20   


      

Since 22, Feb 2001 hit counter View My Stats  Truehits.net      วัน<%=WeekdayName(Weekday(Date))%>,<%=formatdatetime(date(),1)%> (Online <%=Application("OnlineUsers")%> คน)
                                       

เพื่อลดภาระของ ฐานข้อมูล ซึ่งมีขนาดใหญ่มาก เพราะเวบเปิดมากว่า 10 ปี
จึงทำให้เวบช้าลงมาก ทีมงานจึงขออนุญาต แปลงข้อมูลจาก ฐานข้อมูลหลักเป็น SHTML File
เพื่อลดภาระการทำงานของ ฐานข้อมูลหลักครับ การแปลงฐานข้อมูลนี้ จะทำให้กระทู้นี้
ไม่สามารถตอบคำถามได้อีกต่อไปครับ แต่จะสามารถค้นหาชื่อกระทู้ และ Link ตรงมาที่หน้านี้ได้เหมือนเดิมครับ

ด้วยความนับถืออย่างสูง ทีมงาน Weekendhobby.com


Convert on : 25/8/2554 6:30:11

Error processing SSI file