WeekendHobby.com


กลัวไฟ

จาก ya
อาทิตย์ที่ , 6/7/2551
เวลา : 01:15

อ่าน = 909
203.150.83.20
       ไปเปลี่ยนหลอดไฟหน้า100วัตต์พร้อมชุดรีเลย์มา ราคา1500บาท ปรากฏว่าไฟสว่างขึ้น แต่ที่สวิตช์(ก้านไฟเลี้ยว)ร้อน ปกติหรือเปล่ากลัวไฟไหม้ครับ

เครื่องมือในการใช้งาน website =>> สมัครสมาชิก | Login | Logout | เปลี่ยนไอคอนส่วนตัว | เกี่ยวกับเรา | ติดต่อโฆษณา         View stat by Truehits.net


   
   

คำตอบที่ 1
       ต้องการเดินสายไปก่อนครับว่าต่อแบบไหน
ปกติแล้วจะไม่ร้อนน่ะครับ เพราะไฟจะวิ่งผ่านชุดรีเลย์ที่เพิ่มเข้าไป แต่อย่างัยก็ไม่ควรมีความร้อยที่ สวิตช์(ก้านไฟเลี้ยว) ถ้าร้อนมากก็ควรระวังไว้ครับ



nick p-car จาก nick p-car  118.174.88.98  อาทิตย์, 6/7/2551 เวลา : 19:28   


คำตอบที่ 2
       เคยเป็นเหมือนกันครับ(รถตาด้าขับสอง)...ตอนแรกมันร้อนก้อคิดว่าไม่เป็นอะไร ใช้ไปซักพักแสบตาเป็นอะไรว่า เปิดกระจกควันออกจากในเก๋งเกือบไป.... 555 ต้องขับรถปิดไฟ เปิดไฟกะพริบ
...สุดท้ายต้องเปลี่ยนก้านสวิทย์ไฟที่คอพวงมาลัยทั้งชุด มันร้อนจนละลาย



จาก ไฟแรงสูง  202.29.39.1  จันทร์, 7/7/2551 เวลา : 11:50   


คำตอบที่ 3
       ปรกติเมื่อต่อผ่าน Relay แล้วจะลดภาระของกระแสไฟที่ผ่านสวิตท์ที่คอพวงมาลัยครับ(ตามหลักการ) แต่ที่ร้อนนี้วงจรที่เป็นอย่างไรครับ ถ้าเขียนลงได้ก็จะดี หลายคนจะได้ช่วยวิเคราะห์



จาก PPDN  61.90.200.2  จันทร์, 7/7/2551 เวลา : 12:47   


คำตอบที่ 4
       ตอนนั้นผมเปลียนไปใช้ไฟซีนอน รีเลย์ 2 ตัว ครับ ใช้ประมาณปีกว่า แล้วจึงเกิดเรื่อง(ร้อนจนควันขึ้นแสบตา)



จาก ไฟแรงสูง  202.29.39.1  จันทร์, 7/7/2551 เวลา : 13:18   


คำตอบที่ 5
       ร้อนแบบรู้สึกได้ครับ ไม่ถึงกับร้อนจี๋



จาก ช  203.150.83.20  จันทร์, 7/7/2551 เวลา : 20:43   


คำตอบที่ 6
       ถ้าRelay 2ตัว สวิทช์ร้อนแน่ครับ เพราะRelay2ตัวนี้เพิ่มเฉพาะไฟบวกลดภาระRelayที่ติดมากับรถในห้องเครื่อง
แต่ไฟลบไม่ผ่านRelay ไฟลบจะผ่านสวิทช์ที่คอพวงมาลัย
เพื่อเลือกไฟสูงและต่ำ ซึ่งถ้าหลอดไฟขนาดเดิมจากโรงงาน สวิทช์ตัวนี้ทนได้สบาย เมื่อไปเพิ่มRelay ในไฟบวก
และเพิ่มวัตต์หลอดไฟกระแสที่ไหลมากกว่าปรกติจะตกไปอยู่ที่สวิทช์คอพวงมาลัย จึงเกิดความร้อนจนสามารถไหม้ได้ครับ ของผมจึงใช้Relay 4ตัว ได้ความสว่างเพิ่มขึ้นและทนกว่าRelay2ตัวด้วยครับ



จาก NONG  61.7.232.26  จันทร์, 7/7/2551 เวลา : 20:57   


คำตอบที่ 7
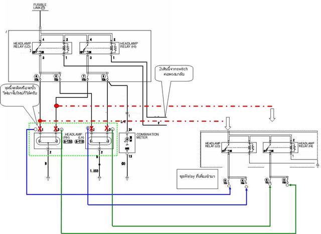
       ต้องขอออกตัวไว้ก่อนครับว่า ผมไม่เก่งอารัยมากมายอารัยแค่พอรู้บ้างครับ ตรงไหนไม่เข้าท่าก็แจ้งได้เลยครับ

จากรูปวงจรเราจะเอาสายเพียง2เส้นที่เป็นขั้วไฟสูงกับไฟต่ำต่ำจากrelayเดิม ไปเปิด/ปิดrelay ที่เพิ่มเข้ามา
ถามว่า-แล้วrelay จะทนได้มัน ร้อนมัย
ตอบว่า-ทนได้และไม่ร้อนครับเพราะตัวrelay ที่เพิ่มเข้าไปกินwatt น้อยกว่าหลอดไฟหน้าหลายเท่าตัวนัก
ส่วนตัวrelay ที่จะเพิ่มขอให้เหมาะสมกับกำลังของหลอดไฟหน้าที่จะเพิ่มกำลังwatt มากขึ้น







nick p-car จาก nick p-car  118.174.149.184  พุธ, 9/7/2551 เวลา : 22:36   


คำตอบที่ 8
       จากวงจรของคุณ Nick p-car. คิดว่าการเพิ่มรีเลย์เข้าไปไม่มีผลต่อสวิทส์ที่คอพวงมาลัยเลย เพราะโหลดก็เป็น รีเลย์ตัวเดิมครับ เเต่ถ้าช่างที่ต่อไม่ใช้วิธีการเพิ่มรีเลย์ แต่เป็นการเปลี่ยนรีเลย์ให้ใหญ่ขึ้นเพื่อให้รับกับโหลดของหลอดไฟได้ ตรงนี้แหละครับที่จะทำให้สวิทส์คอพวงมาลัยร้อนขึ้นจากการจ่ายโหลดให้กับรีเลย์ตัวใหม่ที่มากขึ้นครับ



จาก PPDN  61.90.200.2  พฤหัสบดี, 10/7/2551 เวลา : 12:59   


คำตอบที่ 9
       ใช่แล้วครับต้องเพิ่มรีเลย์ทางไฟลบจากคอพวงมาลัยครับ



จาก kid  202.91.19.194  พฤหัสบดี, 10/7/2551 เวลา : 18:25   


      

Since 22, Feb 2001 hit counter View My Stats  Truehits.net      วัน<%=WeekdayName(Weekday(Date))%>,<%=formatdatetime(date(),1)%> (Online <%=Application("OnlineUsers")%> คน)
                                       

เพื่อลดภาระของ ฐานข้อมูล ซึ่งมีขนาดใหญ่มาก เพราะเวบเปิดมากว่า 10 ปี
จึงทำให้เวบช้าลงมาก ทีมงานจึงขออนุญาต แปลงข้อมูลจาก ฐานข้อมูลหลักเป็น SHTML File
เพื่อลดภาระการทำงานของ ฐานข้อมูลหลักครับ การแปลงฐานข้อมูลนี้ จะทำให้กระทู้นี้
ไม่สามารถตอบคำถามได้อีกต่อไปครับ แต่จะสามารถค้นหาชื่อกระทู้ และ Link ตรงมาที่หน้านี้ได้เหมือนเดิมครับ

ด้วยความนับถืออย่างสูง ทีมงาน Weekendhobby.com


Convert on : 25/8/2554 6:30:46

Error processing SSI file