WeekendHobby.com


มีคัยติดรีเรย์เพิ่มไฟหน้าบ้างคับ
Jame Auto
จาก Jame Auto
จันทร์ที่ , 2/8/2553
เวลา : 18:57

อ่าน = 893
125.25.75.133
       พอดีรถผมติดฟิมล์ทึบไฟหน้ามองไม่ค่อยเห็น อยากใส่รีเลย์เพิ่มไฟหน้าเป็น 100W ไม่ทราบว่าในคลับมีใครใส่มาบ้างคับ ติดตั้งเท่าไหร่ โคมไฟละลายไหม เหลืองไหม ใช้งานได้ดีป่าว ผมจะต่อเองแล้วต่อไม่ถูกงงกับ ระบบไฟที่มาที่ขั้วหลอด เพราะเวลาเปิดไฟต่ำ มีไฟมาเลี้ยง 2 ขั้ว กราว 1 ขั้ว พอเปิดไฟสูงมีไฟมา 1 ขั้ว กราว 1 ขั้ว ที่สำคัญ เวลาเปิดไฟสูง เส้นกราว มันไฟอยู่ เส้นไฟ ของไฟต่ำ เลยต่อไม่ถูก

เครื่องมือในการใช้งาน website =>> สมัครสมาชิก | Login | Logout | เปลี่ยนไอคอนส่วนตัว | เกี่ยวกับเรา | ติดต่อโฆษณา         View stat by Truehits.net


   
   

คำตอบที่ 1
       ไหนๆก็จะทำแล้วแนะให้ใช้relay 2ตัว แยกไฟต่ำ-สูง โดยใช้ขั่วหลังหลอดไฟมาควบคุมRelay พูดง่ายๆว่าเดินชุดไฟใหม่
แต่วิธีผมว่าไม่ใช้การแก้ปัญหานะครับแต่เอาละ ถ้าต่อไม่ถูกส่ง relay-สายไฟ-ขั้วต่อ-เทปพันสาย ฯฯ มาให้ผมเดี๊ยวต่อให้
ไม่มีค่าแรงแต่มีค่าส่งนะ



nick p-car จาก nick p-car  119.31.126.80  จันทร์, 2/8/2553 เวลา : 20:07   


คำตอบที่ 2
       ขอบคุณพี่ด้วยนะคับ รบกวนพี่ช่วยวาด วงจรให้ผมได้ไหมคับ ผมอยากลองติดเองอ่ะคับ ผมงงกับไฟมากเลย



Jame Auto จาก Jame Auto  125.25.75.133  จันทร์, 2/8/2553 เวลา : 20:20   


คำตอบที่ 3
       ใช้relay แบบไหนครับ แต่ผมจำได้ว่าเคยลงไว้ในนี้แล้วครับ



nick p-car จาก nick p-car  119.31.126.67  จันทร์, 2/8/2553 เวลา : 20:41   


คำตอบที่ 4
       รีเลย์ บอด 5 ขา 2ตัว คับ



Jame Auto จาก Jame Auto  125.25.75.133  จันทร์, 2/8/2553 เวลา : 21:07   


คำตอบที่ 5
       ของ boseh 12V 30A
ไม่เข้าใจพรุ่งนี้โทรถามได้ครับ 0843623085 ตอนนี้ต่อnetอยู่





nick p-car จาก nick p-car  119.31.126.67  จันทร์, 2/8/2553 เวลา : 22:12   


คำตอบที่ 6
       ขอคุณพี่มากๆ คับ เดี๋ยวผมลองต่อดู ถ้าไม่เข้าใจต้องรบกวน พี่ แล้วล่ะคับ



Jame Auto จาก Jame Auto  125.25.75.133  จันทร์, 2/8/2553 เวลา : 22:25   


คำตอบที่ 7
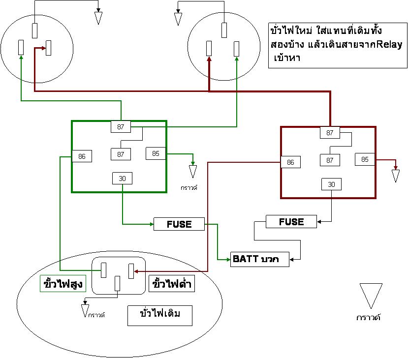
       เอาของ อ. วอนมาให้อ่าน

http://www.weekendhobby.com/offroad/newenergy/Question.asp?ID=668




ongart จาก 01/Strado  125.27.27.2  อังคาร, 3/8/2553 เวลา : 06:57   


คำตอบที่ 8
       พี่ๆคับ ผมต่อสำเร็จแล้วคับ



Jame Auto จาก Jame Auto  125.25.22.13  พุธ, 4/8/2553 เวลา : 19:54   


คำตอบที่ 9
       ไม่โชร์หน่อยหรือครับต่อแบไหนมั่ง



nick p-car จาก nick p-car  119.31.126.82  พุธ, 4/8/2553 เวลา : 21:47   


คำตอบที่ 10
       ผมไม่ได้ถ่ายรูป ตอนทำเลยอ่ะคับ ขอโทษด้วยนะคับ แต่ผมใช้วงจรข้างบน แต่สลับขั้วเอง เพราะขั้วไม่ถูกต้อง



Jame Auto จาก Jame Auto  180.180.7.34  พุธ, 4/8/2553 เวลา : 22:23   


คำตอบที่ 11
       ดีใจด้วยที่ทำเองได้




ongart จาก 01/Strado  118.173.234.54  พฤหัสบดี, 5/8/2553 เวลา : 16:43   


คำตอบที่ 12
       ขอบคุณคับ อิอิ



Jame Auto จาก Jame Auto  125.25.77.153  พฤหัสบดี, 5/8/2553 เวลา : 21:56   


คำตอบที่ 13
       ผมตั้งใจให้ผิดครับ
ผมกำลังให้คุณจับปลา หาปลาไปให้กินเลยมันง่ายเกินไปและมันไม่เกิดประโยชน์
อันใดเลย



nick p-car จาก nick p-car  119.31.126.72  ศุกร์, 6/8/2553 เวลา : 08:12   


คำตอบที่ 14
       กลอุบายเยี่ยมครับ



paperbird จาก paperbird  125.24.202.33  ศุกร์, 6/8/2553 เวลา : 08:46   


คำตอบที่ 15
       อิอิ เข้าใจแกล้งผมนะ แต่ก็ต้องขอบคุณพี่มากๆคับที่ให้ข้อมูลผม



Jame Auto จาก Jame Auto  125.25.86.241  ศุกร์, 6/8/2553 เวลา : 17:15   


คำตอบที่ 16
       ไฟสูงต่ำ มันเป็นขั้วลบจากสวิทช์พวงมาลัย ส่วนกราวด์ก็เป็นขั้วบวกผ่านรีเลย์ไฟหน้า ไม่ใช่หรือคับ ไม่รู้รถผมเป็นอย่างนั้นน่ะ แต่ก่อนผมก็เพิ่มรีเลย์กะเปลี่ยนหลอด100w สุดท้ายโครมไฟไปก่อนมันร้อน โครมเหลือง แตกลายงาเลย ต่อมาก็เปลี่ยนมาลองหลอดซีนอนดู ยิ่งแย่ไปใหญ่ ตอนนี้จึงกลับมาใช้ หลอดของออสแลมรุ่นไนท์เบรค คู่ล่ะ800 แล้วก็เปลี่ยนโ ครมหน้าใหม่เลยคู่ละ สามพันนิดๆ สว่างไม่หลอกตาเหมือนไฟซีนอนด้วย




kiddee จาก กระแช่  111.84.249.191  อาทิตย์, 8/8/2553 เวลา : 06:58   


คำตอบที่ 17
       ถูกต้องคับ แล้วพี่ใช้หลอดกี่ W อยู่อ่ะคับ แล้วโคมไฟสตราด้าไฟเต็มป่าวคับ เบิกศูนย์รึป่าว ผมไปถามที่ศูนย์ไฟเต็มข้างล่ะ 2060 บาท



Jame Auto จาก Jame Auto  125.25.245.143  อาทิตย์, 8/8/2553 เวลา : 07:16   


คำตอบที่ 18
       คับผมตอนนี้มาใช้ wเท่าเดิม 55/65แต่เป็นของออสแลม รุ่นไนท์เบรคคับ เขาว่ามันสว่างกว่าหลอดธรรมดา90% แต่แพงหน่อย แต่คุ้ม ไม่ร้อน ไม่ต้องกล้วโครมเหลือง
ส่วนโครมหน้าเต็มคับ ไม่ได้เบิกศูนย์หรอกคับ ผมซื้อโครมไฟแ้ท้ห้าง กล่องตีตรามิสซู โครมไฟสแตนเรย์ ข้างนอกถูกกว่าศูนย์มากคับ โครมอย่างเดียว16กว่าๆถ้ามีหลอดกับยางครอบท้ายด้วยก็17กว่าๆคับ ผมถามร้านเขาว่าทำไมถึงขายถูกกว่าศูนย์มากนัก ทางร้านบอกว่า เพราะร้านใหญ่ๆยอดขายเขาดี เขาำได้ส่วนลดจากโรงงานมากกว่า ศูนย์จะไ้ด้ไม่เกิน20% ร้านข้างนอกเขาำได้ถึง30% คับ
ยางขอบประตูแค็ปแท้สองข้างหกร้อยกว่าๆ ถ้าศูนย์แปดร้อย



kiddee จาก กระแช่  111.84.10.92  อาทิตย์, 8/8/2553 เวลา : 20:10   


คำตอบที่ 19
       พี่กระแช่คับ แล้วตอนนี้พีใส่รีเลย์เพิ่มไฟหน้าอยู่ป่าวคับ แล้วโคมไฟไปซื้อต้องบอกเค้าว่าอะไรคับ สนใจอยู่เหมือนกัน แล้วหน้าไฟ ออสแลมมีขายทั่วไปใช่ไหมคับ



Jame Auto จาก Jame Auto  118.172.43.247  อาทิตย์, 8/8/2553 เวลา : 21:08   


คำตอบที่ 20
       "ไฟสูงต่ำ มันเป็นขั้วลบจากสวิทช์พวงมาลัย "
ถูกต้องอย่างคุณกระแช่ว่าครับ วงจรไฟรถstdฯ จะออกแบบให้ไฟวิ่งในวงจรทั้งหมดเพียงรอสวิทช์ต่อลงกรารด์ เป็นอันครบวงจร
หากแต่ว่าผมไม่เข้าใจที่คุณกระแช่ว่า "ส่วนกราวด์ก็เป็นขั้วบวกผ่านรีเลย์ไฟหน้า ไม่ใช่หรือคับ" มันเป็นอย่างงัยหรือครับ *กราวด์เป็นขั้วบวก*หรือAdviser แนะนำผมผิด โปรดไขข้อสงสัยดวยครับ
อนึ่งแค่สงสัยครับไม่มีความในแอบแฝง



nick p-car จาก nick p-car  110.49.7.180  อาทิตย์, 8/8/2553 เวลา : 22:45   


คำตอบที่ 21
       สวัสดีคับ
คุณjame รีเลย์ผมก็ยังใส่อยู่ไม่ได้ถอดออก โครมไฟ ผมไปที่ร้านบอกเขาว่าเอาโครมไฟหน้าตาด้าเต็ม เขาก็จะถามกลับมาว่า "เอาแท้หรือเทียม" ผมก็บอก "เอาแท้ห้าง" ส่วนมากทางร้านจะแนะนำของแท้ให้ ถ้าเขารู้ว่าเป็นรถเราเองไม่ได้ซ่อมเพื่อขายคับ นอกจากร้านของไม่มีต้องสั่ง เขาก็จะเอาของเทียมให้ ดูร้านใหญ่ๆหน่อยคับ ผมเคยถามหลายร้านเหมือนกันเรื่องอะไหล่ของแท้ หลายร้านบอกต้องรอสองสามวันแน่ะ ถ้าเทียมจัดได้เลยฮ่ะๆๆ

คุณ nick p-car คับ ขอโทษคับผมอาจเรียกผิด ว่ากราวด์บวก ที่จริงน่าจะเรียกกันว่า commonบวกหรือลบ มากกว่าคับ ไฟหน้าเป็นcommonบวกแล้วมีสวิทช์เป็นลบใช้เลือกสูงต่ำคับ ขาcomจะเป็นไฟบวกที่มาจากรีเลย์ไฟหน้าคับ พอเราเปิดสวิทช์ไฟหน้ารีเลย์ก็จะปล่อยไฟบวกมารอที่ขั้วหลอดไปที่ขั้วcom แล้วได้ไฟลบมาจากสวิทช์ไฟสูงไฟต่ำที่พวงมาลัย อีกทีคับ

การต่อรีเลย์เพิ่มผมเพิ่มถึงสามตัว ตัวแรกเป็นรีเลย์ไฟหน้าที่เป็นตัวปล่อยไฟบวกเพิ่มจากตัวเดิมที่มีอยู่แล้วมันอยู่ในกล่องข้างแบต ให้ทนกระแสได้มากขึ้น
อีกสองตัว เพิ่มไฟลบเพื่อช่วยสวิทช์ที่พวงมาลัยไม่ให้มันไหม้คับ

ผมแนะนำอีกที เปลี่ยนโครมกับเปลี่ยนหลอดแบบดีๆ ผมว่าจะดีกว่าคับ ลงทุนโครมกับหลอดสี่พันกว่า ใช้ได้อีกสิบปี ถ้าไม่ไปทำแตกเอง รถผมทำโครมแตกน้ำเข้าโครมมันเลยหมอง พอมันหมองการสะท้อนแสงจากแผ่นสะท้อนของโครมจะน้อยลง แต่การสะท้อนแสงกลับจากกระจกหน้ากับมากขึ้น เรียกว่าแสงและความร้อนสะท้อนกลับไปกลับมาอยู่ภายในโครมนั่นเอง ยิ่งกระจก(พลาสติก)หมองยิ่งทำให้โครมร้อนมากขึ้นด้วย

ขออภัยอธิบายซะยืดยาว กลัวไม่เข้าใจนะคับ




kiddee จาก กระแช่  111.84.200.33  จันทร์, 9/8/2553 เวลา : 07:47   


คำตอบที่ 22
       ตอนนี้ผมต่อแบบที่เขาใช้กันทั่วๆไป ที่ต่อรีเลย์2ตัวอ่ะคับ ใช้ได้ไหม สวิชต์จะไหม้ไหม ผลระยะยาวมีไหมคับ



Jame Auto จาก Jame Auto  125.25.44.218  จันทร์, 9/8/2553 เวลา : 14:41   


คำตอบที่ 23
       ใช่ครับคุณjame เขาต่อกันแค่สองตัว ตัวหนึ่งไฟสูง ตัวหนึ่งไฟต่ำ เพื่อช่วยสวิทช์ไฟสูงต่ำที่พวงมาลัย คับ สวิทช์ไม่ไหม้หรอกคับ

แต่ที่ผมใช้สามตัว เป็นเหตุผลส่วนตัวคับคือแบบว่า อีกตัวผมเพิ่มจากรีเลย์ไฟหน้าตัวเดิมที่มีอยู่แล้วในกล่องข้างแบต ผมก็ขนานเข้าไปอีกตัว เพราะตอนที่เราดิปไฟสูง (ไม่ใช่ตอนเปิดไฟสูงนะคับ) ไฟหน้าจะติดทั้งสองใส้สูงกับต่ำ 90+100=190W หาร12=16Aสองข้างก็คูณ2 จะได้32A ปกติรีเลย์หน้าคอนแทคมันจะอยู่ที่ 30A แต่ผมไม่แนใจนะคับว่าของเดิมมันกี่แอมป์ ผมกลัวรีเลย์ในกล่องข้างแบตมันไหม้ผมก็เลยขนานรีเลย์30Aเข้าไปอีกตัวคับ

อ้อผมเปลี่ยนสายไฟบวกใหม่หมดให้ใหญ่ขึ้นด้วย ยุ่งยากไหมคับ เพราะไฟบวกเป็นcommon ให้กับหลอดทั้งสองใส้ อย่างที่บอกตอนดิปไฟสูงจะกินกระแสเยอะเพราะมันติดทั้งสองใส้

ลองดูในวงจรไฟก่อนก็ได้คับ ถ้ายังไม่มีวงจรลองหาดาว์โหลดมาดูนะคับ ผมก็ดาว์โหลดเอาจากเวปนี่แหละคับ



kiddee จาก กระแช่  115.67.49.91  จันทร์, 9/8/2553 เวลา : 17:01   


คำตอบที่ 24
       คุณกระแช่ เข้าใจเกือบ 100% แล้วกับการทำงานของวงจรไฟฟ้า หากแต่ว่ามันไม่มีหรอกครับที่ว่า ''อีกสองตัว เพิ่มไฟลบ" แรงดันไฟฟ้าในทฤษฎีการออกแบบต้องคงที่ แต่ที่ว่า "เพื่อช่วยสวิทช์ที่พวงมาลัยไม่ให้มันไหม้คับ "อันนี้ถูกต้องครับเป็นเหตุผลที่เราเพิ่มrelay
หากเปลี่ยนหลอดไฟที่ watt สูงๆ และเปลี่ยนเฉพาะ relay ให้รับกำลังกระแสไฟฟ้า(Amp)ที่มากขึ้นแน่นอนครับRelay ไม่ไหม้แน่นอนแต่ switch คอพวงมาลัยทนกระแสไฟที่เพิ่มขึ้นไม่ได้จนswitchไหม้ อันที่ว่าจะเปลี่ยนswitchคอพวงมาลัยด้วย อันนี้เกินเหตุไปทำไปก็เหมือนขี้ช้างจับตั๊กแต
วงจรได้ถูกออกแบบให้ทนกระแสและแรงดันได้เท่าที่ออกแบบไว้ การที่จะเพิ่มอุปกรณ์ต่างๆไม่ว่า หลอดไฟหรืออุปกรณ์ที่กินกระแสมากๆ ก็ควรจะเพิ่มวงจรตัดต่อที่สามารถรับLoad สูงได้
การเพื่มRelay - Switch - Fuse ต้องเป็นส่วนต่อแยกจากวงจรหลักทำงานเป็นอิสระ ไม่เพิ่ม Load ให้กับวงจรหลักเช่นวงจรที่ให้ไปจะใช้สายไฟจากไฟสูงและต่ำเพียง 2เส้นเท่านั้น ไปControl Relay 2ตัวสำหรับไฟสูงและต่ำ ซึ่งสามารถทนกระแสได้ 30Amp เกินพอสำหรับหลอดไฟ 150watt 2ดวง



nick p-car จาก nick p-car  110.49.93.201  จันทร์, 9/8/2553 เวลา : 18:06   


คำตอบที่ 25
       คุณ nick p-car คับ ขอบคุณที่ทักท้วงคับ ที่ผมว่าเพิ่มไฟลบ ผมหมายถึงเพิ่มการจ่ายกระแสไฟทางด้านไฟลบให้สูงขึ้น ไม่ใช่เพิ่มแรงดันไฟลบคับ เพียงผมพิมพ์สั้นๆง่ายๆนะคับ ขออภัยด้วยคับทำให้เข้าใจผิด

คับรีเลย์ขนาดนี้ทนได้150wสบายๆ แต่ผมหมายถึงรีเลย์จ่ายไฟหน้าที่อยู่ในกล่องข้างแบตนะคับผมจำไม่ได้ว่ามันกี่แอมป์ แล้วตอนเราดิปไฟสูง แค่ดิิปไฟสูงนะคับไม่ใช่เปิดไฟสูง หลอดมันติดพร้อมกันทั้งสูงและต่ำ เป็นหลอดขนาดเดิมๆก็ไม่มีอะไรคับ ถ้าเป็นหลอด100w รวมกันทั้งสูงและต่ำ สองข้างผมว่าน่าจะมากกว่า 300w ผิดถูกอย่างไรช่วยชี้แนะด้วยคับ ยินดีที่ได้แลกเปลี่ยนความรู้คับ คุณ nick p-car

 แก้ไขเมื่อ : 10/8/2553 7:37:07



kiddee จาก กระแช่  111.84.16.197  จันทร์, 9/8/2553 เวลา : 18:46   


คำตอบที่ 26
       พี่กระแช่คับ ตอนนี้ผมต่อรีเลย์เพิ่มไฟหน้าไป( ใช้สายไฟ ขนาด 2.5 ทั้งหมด ) พอได้ไหมคับ และผมยังไม่ได้เปลี่ยนหลอดเลยผมไม่รู้จะใช้หลอดกี่วัตท์ดี ช่วยชี้นำให้ด้วยคับ



Jame Auto จาก Jame Auto  125.25.250.32  จันทร์, 9/8/2553 เวลา : 19:36   


คำตอบที่ 27
       สายไฟ2.5sq.mmเหลือเฟือคับ แต่เรื่องหลอดกี่วัตท์นี้แล้วแต่คุณjameคับ วัตมากก็สว่างมากแล้วก็กินกระแสมากขึ้นร้อนขึ้นโครมก็จะเหลืองเร็วด้วย ถ้าใช้หลอดwเท่าเดิมแต่ใช้หลอดที่มีประสิทธิภาพการให้แสงสว่างที่ดี(อันนี้ผมแนะนำนะคับ) ก็ไม่ต้องเพิ่มรีเลย์เพิ่มสายคับผม

ขออนุญาตินะคับ ลองเข้าไปอ่านดูคับ http://www.hondajazzlover.com/forum/index.php?topic=14250.0




kiddee จาก กระแช่  111.84.205.104  จันทร์, 9/8/2553 เวลา : 21:17   


คำตอบที่ 28
       ขอบคุณมากคับพี่กระแช่ แล้วถ้าผมเปลี่ยนมาเป็นหลอด ออสแลม แต่ใช่วัตท์เท่าเดิมจะได้ไหม ถ้าติดรีเลย์เพิ่มไฟหน้าเข้าไปแล้ว



Jame Auto จาก Jame Auto  125.25.245.25  จันทร์, 9/8/2553 เวลา : 22:26   


คำตอบที่ 29
       คับคุณjame ไม่เป็นไรนี่คับ ผมก็ทำอย่างนั้น ดีซะอีกมันทำให้สวิทช์ที่พวงมาลัยไม่ร้อนด้วย เพราะสวิทช์ที่พวงมาลัยมันแค่จ่ายกระแสให้กับ คอล์ยรีเลย์เท่านั้น ซึ่งคอล์ยรีเลย์คงกินกระแสไม่กี่มิลลิแอมป์

แต่ผมเคยมีปัญหาเรื่องรีเลย์ที่มาเพิ่มนะคับ มดคับ มดมันชอบมาสร้างบ้านในรีเลย์ แฮะๆ มันคงอุ่นมันมั๊ง อันนี้แก้ไขเอาเองนะคับฮ่ะๆๆ

เอาละคับผมต้องเดินทางอีกแล้วเอาไว้ว่างๆผมจะแวะมาเที่ยวใน Strada4x4Club อีกคับ ขอบคุณ คุณnick p-car และพี่ๆเพื่อนๆชาวตาด้าทุกคนด้วยที่ให้คำชี้แนะ ผมได้ความรู้จากที่นี่มากมาย



kiddee จาก กระแช่  1.47.25.184  อังคาร, 10/8/2553 เวลา : 07:37   


คำตอบที่ 30
       ขอบคุณ พี่ๆเพื่อนๆ มากคับ ที่ให้ความรู้กับผม



Jame Auto จาก Jame Auto  118.172.192.11  อังคาร, 10/8/2553 เวลา : 08:00   


      

Since 22, Feb 2001 hit counter View My Stats  Truehits.net      วัน<%=WeekdayName(Weekday(Date))%>,<%=formatdatetime(date(),1)%> (Online <%=Application("OnlineUsers")%> คน)
                                       

เพื่อลดภาระของ ฐานข้อมูล ซึ่งมีขนาดใหญ่มาก เพราะเวบเปิดมากว่า 10 ปี
จึงทำให้เวบช้าลงมาก ทีมงานจึงขออนุญาต แปลงข้อมูลจาก ฐานข้อมูลหลักเป็น SHTML File
เพื่อลดภาระการทำงานของ ฐานข้อมูลหลักครับ การแปลงฐานข้อมูลนี้ จะทำให้กระทู้นี้
ไม่สามารถตอบคำถามได้อีกต่อไปครับ แต่จะสามารถค้นหาชื่อกระทู้ และ Link ตรงมาที่หน้านี้ได้เหมือนเดิมครับ

ด้วยความนับถืออย่างสูง ทีมงาน Weekendhobby.com


Convert on : 25/8/2554 13:21:55

Error processing SSI file