WeekendHobby.com


วิธีการถอดพูเล่ย์ข้อเหวี่ยง

จาก แดง
พฤหัสบดีที่ , 13/7/2549
เวลา : 07:42

อ่าน = 1358
63.68.228.197
       ผมจะถอดพูเล่ย์ข้อเหวี่ยงเพื่อเปลี่ยนสายพาน timing เครื่อง 4D56 แต่ถอดไม่ออก ท่านใดมีวิธีการถอดบ้างครับ
ขอบคุณครับ

เครื่องมือในการใช้งาน website =>> สมัครสมาชิก | Login | Logout | เปลี่ยนไอคอนส่วนตัว | เกี่ยวกับเรา | ติดต่อโฆษณา         View stat by Truehits.net


   
   

คำตอบที่ 1
       ถอดรังผึ้งหม้อน้ำออกก่อนเพื่อความปลอดภัย และมีที่ว่างพอทำงานสะดวก แล้วใช้ประแจบล็อคด้ามยาว (ที่ไม่ใช่ก่อกแก่ก) สวมเข้าหัวน็อต เอาด้าม ค้ำกับชัชซีรถไว้ แล้ว ก็ถึงขั้นตอนสุดท้ายคือ เอากุญแจรถบิดสตาร์ทรถเป็นจังหวะสั้นๆ ให้เครื่องยนต์หมุนซักครึ่งรอบ โดยไม่ทำให้เครื่องยนต์ติดเครื่องนะครับ แล้วก็ถอดออกตามปรกติ การเปลี่ยนสายพานราวลิ้น 4D56 มันมีแหวนรองเฟืองทั้งด้านนอกด้านในหลายชิ้นถ้าไม่ชำนาญก็เอาสีแต้มมาร์คตำแหน่องก่อนถอดไว้กันลืมก่อนนะครับ ใส่กลับผิดด้าน ผิดตัวไปจะยุ่งครับ การถอด ห้ามเอาค้อนเคาะที่เฟืองเพื่อถอดออก พลาดไปเฟืองมันเปราะ อาจจะบิ่นหรือแตก ได้ ให้ใช้ตัวดูดสามขา ค่อยๆดึงออก ตอนใส่สายพานก็ดูจุดมาร์คที่เครื่องยนต์ด้วยนะครับ ขอให้สำเร็จครับ แต่ถ้าเปลี่ยนใจเอาเข้าอู่ที่ไว้ใจได้ก็ง่ายขึ้นอีกครับ



สมภพ จาก สมภพ  203.150.234.235  พฤหัสบดี, 13/7/2549 เวลา : 08:46   


คำตอบที่ 2
       จะถอดพูเล่ย์ข้อเหวี่ยง ฟอร์ด แรงเจอร์ 2.9 แต่คายน๊อตไม่ออกครับแน่นมากๆ ท่านใดมีวิธีบ้างครับผม
ขอบคุณครับ



ningnong77 จาก ningnong  41.220.98.121  อาทิตย์, 14/2/2553 เวลา : 19:15   


คำตอบที่ 3
       ตามนี้ครับ ทำแบบลูกทุ่ง ทำผิดทำถูก ระวังมือไม้จะบาดเจ็บ ของจะเสียหาย ที่มู่เล่จะมีรูประมาณ 12 มม. 2 รูสำหรับล็อกไม่ให้หมุนตาม แล้วใช้บ็อกด้ายาวขันออกตามูปครับ





pich_GD จาก pich_GD  124.122.216.20  จันทร์, 15/2/2553 เวลา : 09:40   


คำตอบที่ 4
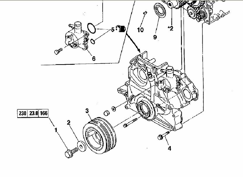
       เวลาไส่กลับก็เหมือนตอนถอด ขันสกรูด้วยประแจปอนด์ ด้วยแรงบิด 230 N.m หรือ 20 Kg.m หรือ 166 ft.lb ครับ ตามมาตรฐานครับ ข้อมูลนี้มาจาก Manual 4M40 ครับ 4D56 ไม่น่าจะแตกต่างกันครับ





pich_GD จาก pich_GD  124.122.216.20  จันทร์, 15/2/2553 เวลา : 09:47   


คำตอบที่ 5
       ขอโทษครับ ขอแก้ไข 20 Kg.m เป็น 23 Kg.m ครับ



pich_GD จาก pich_GD  124.122.216.20  จันทร์, 15/2/2553 เวลา : 09:50   


      

Since 22, Feb 2001 hit counter View My Stats  Truehits.net      วัน<%=WeekdayName(Weekday(Date))%>,<%=formatdatetime(date(),1)%> (Online <%=Application("OnlineUsers")%> คน)
                                       

เพื่อลดภาระของ ฐานข้อมูล ซึ่งมีขนาดใหญ่มาก เพราะเวบเปิดมากว่า 10 ปี
จึงทำให้เวบช้าลงมาก ทีมงานจึงขออนุญาต แปลงข้อมูลจาก ฐานข้อมูลหลักเป็น SHTML File
เพื่อลดภาระการทำงานของ ฐานข้อมูลหลักครับ การแปลงฐานข้อมูลนี้ จะทำให้กระทู้นี้
ไม่สามารถตอบคำถามได้อีกต่อไปครับ แต่จะสามารถค้นหาชื่อกระทู้ และ Link ตรงมาที่หน้านี้ได้เหมือนเดิมครับ

ด้วยความนับถืออย่างสูง ทีมงาน Weekendhobby.com


Convert on : 25/8/2554 5:49:13

Error processing SSI file