จาก สมภพ
เสาร์ที่ , 23/9/2549
เวลา : 11:05
อ่าน = 637
203.150.234.235
|
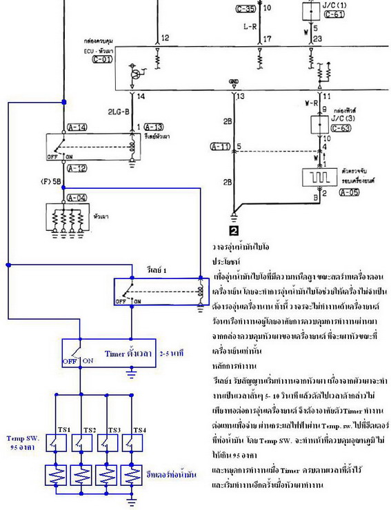
สำหรับคอ B 100 ทั้งหลายครับ ผมว่าปัญหาที่เจอตอนสตาร์ทเครื่องตอนเช้า หรือเครื่องเย็นมากๆ แล้วสตาร์ท ยาก หรือติดแล้วดับ ผมมีแนวคิดว่า ถ้าเราเพิ่มระบบอุ่นน้ำมันเข้าไป ที่ท่อน้ำมันก่อนเข้าหัวฉีด เลย น่าจะแก้ปัญหาได้ เลยลองวาดวงจรให้ดูกัน
ลองช่วยกัน ออกความคิดเห็นหรือข้อแนะนำดีๆ
ลองดูกันก่อนนะครับ เพิ่งจะคิด ยังไม่ได้ลองทำจริงๆ จึงไม่มีข้อมูลเรื่องว่าต้องใช้กำลังวัตต์ฮีตเตอร์ และรูปร่าง คงต้อง D.I.Y. กันเองครับ

|