WeekendHobby.com


**** วงจร รีเลย์ สำหรับ วินซ์ ****
ongart
จาก 01/The Tank
อังคารที่ , 10/10/2549
เวลา : 14:29

อ่าน = 3713
202.183.229.100
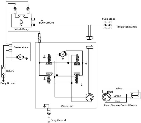
       มีวงจรมาฝาก หลังจากที่ไปคลิ้ติ้ครั้งที่แล้ว วินซ์กันจนพัง ที่ไหนได้รื้อหาสาเหตุทุกอย่าง มอเตอร์ เฟือง สุดท้าย ชุดรีเลย์พัง

ของ Samson/Come-up จะเป็นแบบ รีเลย์ 2 ตัว (แบบที่ผมใช้และพัง)
ของ WARN/RAMSEY etc.. จะเป็นแบบ รีเลย์ 4 ตัว (แบบที่ดัดแปลงใหม่)

แนะนำให้ทำสำรองไว้ หนึ่งชุดเป็นแบบ 4 contact

เครื่องมือในการใช้งาน website =>> สมัครสมาชิก | Login | Logout | เปลี่ยนไอคอนส่วนตัว | เกี่ยวกับเรา | ติดต่อโฆษณา         View stat by Truehits.net


   
   

คำตอบที่ 1
       แบบ contact 2 no.





ongart จาก 01  202.183.229.100  อังคาร, 10/10/2549 เวลา : 14:34   


คำตอบที่ 2
       4 contact





ongart จาก 01  202.183.229.100  อังคาร, 10/10/2549 เวลา : 14:36   


คำตอบที่ 3
       หาซื้อรีเลย์สตาร์ทของรถใหญ่ๆ (12V) 4 ตัว
หาบาร์ทองแดงของเก่า หรือซื้อใหม่ ดัดเป็นตัวลิงค์ ระหว่าง คอนแทค สองอัน สายใหญ่ (35 sq.mm.) อาจจะได้ แต่ไม่ดี ฉนวน อาจจะละลาย
Start contact ตัวละ ไม่เกิน 200บาท



ongart จาก 01  202.183.229.100  อังคาร, 10/10/2549 เวลา : 14:50   


คำตอบที่ 4
       หน้าตาหลังจาก เสร็จแล้ว
ไม่สวย แต่ใช้งานได้





ongart จาก 01  202.183.229.100  พุธ, 11/10/2549 เวลา : 09:55   


คำตอบที่ 5
       รีเลย์สตาร์ทที่ใช้ ตัวละ ไม่เกิน 200 บาท





ongart จาก 01  202.183.229.100  พุธ, 11/10/2549 เวลา : 09:56   


คำตอบที่ 6
       เยี่ยมครับพี่ 01 มีวงจรเก็บเอาไว้เวลามีปัญหาได้ซ่อมถูก



somkieat_s จาก ตาลเดี่ยว  203.114.126.65  พุธ, 11/10/2549 เวลา : 10:28   


คำตอบที่ 7
       Forward scheme





ongart จาก 01  202.183.229.100  พุธ, 11/10/2549 เวลา : 13:20   


คำตอบที่ 8
       Reverse





ongart จาก 01  202.183.229.100  พุธ, 11/10/2549 เวลา : 13:23   


คำตอบที่ 9
       ตาล....ซื้อเผื่อพี่ด้วย 4 ตัว



ed จาก ขงเบ้ง@ร้อยท่อ&ร้อยทางเกวียน  124.120.176.25  พุธ, 11/10/2549 เวลา : 16:38   


คำตอบที่ 10
       เซ็ฟหน้าเก็บไว้เลย............แต่ยังไม่มีวินช์อ่ะ




blue_sushi จาก blue_sushi   พฤหัสบดี, 12/10/2549 เวลา : 08:07   


คำตอบที่ 11
       มีข้อมูลดีๆเอามาแบ่งน้องๆชมขอบคุณมากพี่องอาจ



จาก ขาวหมวย018388707  58.9.111.252  พฤหัสบดี, 12/10/2549 เวลา : 10:02   


คำตอบที่ 12
       เพิ่มเติม แบบต่อมาใช้งานในรถ





ongart จาก 01  202.183.229.100  พฤหัสบดี, 19/10/2549 เวลา : 13:28   


คำตอบที่ 13
       ทดสอบหลายครั้งแล้วดิ อิอิ ขลัง



พจน์27 จาก พจน์  58.8.100.193  พุธ, 25/10/2549 เวลา : 22:15   


คำตอบที่ 14
      



จาก แบงค์  119.42.69.64  ศุกร์, 30/1/2552 เวลา : 13:49   


      

Since 22, Feb 2001 hit counter View My Stats  Truehits.net      วัน<%=WeekdayName(Weekday(Date))%>,<%=formatdatetime(date(),1)%> (Online <%=Application("OnlineUsers")%> คน)
                                       

เพื่อลดภาระของ ฐานข้อมูล ซึ่งมีขนาดใหญ่มาก เพราะเวบเปิดมากว่า 10 ปี
จึงทำให้เวบช้าลงมาก ทีมงานจึงขออนุญาต แปลงข้อมูลจาก ฐานข้อมูลหลักเป็น SHTML File
เพื่อลดภาระการทำงานของ ฐานข้อมูลหลักครับ การแปลงฐานข้อมูลนี้ จะทำให้กระทู้นี้
ไม่สามารถตอบคำถามได้อีกต่อไปครับ แต่จะสามารถค้นหาชื่อกระทู้ และ Link ตรงมาที่หน้านี้ได้เหมือนเดิมครับ

ด้วยความนับถืออย่างสูง ทีมงาน Weekendhobby.com


Convert on : 25/8/2554 5:51:19

Error processing SSI file