คำตอบที่ 6
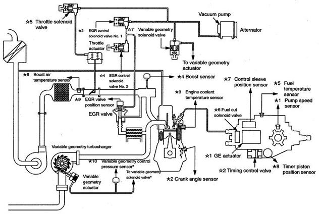
คุณตาลเดี่ยว/คุณน้อยครับ ระบบที่มีผลกระทบเมื่อถอดECU ควบคุมengineออก
ระบบแอร์ ,พัดลมinterฯ ,ระบบเบรคABS ,รีเลย์หัวเผา, หลอดไฟเตือนไฟเบรค ระบบขับเคลื่อน4WD ,Sensor อุณหภูมิเครื่องยนต์ ,Sensorอุณหภูมิอากาศ
Sensorองศาเพลาข้อเหวี่ยง, Sensorวัดเรงดันturbo
ระบบ EGR
Sensorตำแหน่งขาคันเร่ง
Sensorความเร็วรอบปั๊มPE
โซลินอยล์ตัดน้ำมันเชื้อเพลิง
ไฟโชร์หัวเผา
เท่าที่ดูน่ะครับอาจจะไมสามารถถอดเจ้าECUทิ้งได้ครับเพราะระบบไฟฟ้าถูกเชื่อมโยงกันไว้ ครับ
แต่น่าจะทำในส่วนของปั๊มได้ครับ sensorต่างๆขอให้คงไว้ดังเดิมจะเหมาะกว่าครับ คิดเห็นอย่างัยวานบอก
