WeekendHobby.com
เครื่องมือในการใช้งาน website =>> สมัครสมาชิก | Login | Logout | เปลี่ยนไอคอนส่วนตัว | เกี่ยวกับเรา | ติดต่อโฆษณา         View stat by Truehits.net


สอบพี่ๆที่รุ้แนะนำเรื่องการทำวงจรตั้งเวลาดับเครื่องปั่นไฟหน่อยครับ

จาก หน่อยครับ
IP:125.27.210.224

อังคารที่ , 18/11/2551
เวลา : 13:12

อ่านแล้ว = ครั้ง
 เก็บเข้ากระทู้ส่วนตัว
แจ้งตรวจสอบกระทู้
 แจ้งลบ
ส่งหาเพื่อน ส่งหาเพื่อน

       พอดีที่บ้านคุณลุงมีเครื่องปั่นไฟ(เครื่องดีเซล)แบต3ลูก24vอะครับ แกต้องการทำวงจรดับเครื่องปั่นไฟอะครับแบบว่าตั้งให้ดับช่วงที่ใช้ปั่นไฟ8-10ชม.ประมาณนี้แล้วค่อยตัดดับอะครับ ไม่รู้ว่ามันมีวงจรแบบนี้ ทำได้เองบ้างหรือเปล่า อยากได้แบบงบประหยัดๆครับ อยากทำให้คุณลุงใช้ครับ พี่ๆท่านใดเก่งด้านนี้แนะนำด้วยนะครับ จะขอบคุณเป็นอย่างยิ่งเลย


 แสดงความคิดเห็นย่อย แสดงความคิดเห็นย่อย

แจ้งเพื่อเก็บขึ้นกระทู้พิเศษ คลิ๊กที่นี่แจ้งเพื่อนำขึ้นกระทู้พิเศษ

คำตอบแบ่งหน้าละ 30 คำตอบ ขณะนี้คุณอยู่ที่หน้า 1 จาก >>> 1  

คำตอบที่ 1
       เอาแบบง่าย ๆ ก็ใช้ Timer ตัดน้ำมันครับ
คือใช้โซลินอยด์คุมด้วย Timer ตัดน้ำมัน


อ้อ ขออภัยด้วยที่อ่านไม่ละเอียด

วงจรต้องการเอาแบบละเอียดขนาดไหนครับ

ช่วยบอกรายละเอียดให้มากกว่านี้หน่อย เพราะถ้าช่วงกลางคืน หรือ ช่วงกลางวัน
ก็อาจใช้สวิทช์แสงมาคุมก็ได้

มีรายละเอียดการใช้มากกว่านี้ ก็จะได้คิดวิธีการที่น่าเหมาะสมกว่าครับ
เพราะจริง ๆ แล้ว วงจรตั้งเวลานั้นหมูมาก เขียนโปรแกรมแปร๊บเดียวก็เสร็จ

มันไปแพงที่โซลินอยด์ไฟฟ้ามากกว่า

บ่าย ๆ นี้จะช่วยคิดต่อครับ



 แสดงความคิดเห็นย่อย แสดงความคิดเห็นย่อย

somsaks จาก หนุ่มกระโทก 115.67.109.174 อังคาร, 18/11/2551 เวลา : 13:24  IP : 115.67.109.174   

edit แก้ไขคำตอบ   delete ลบคำตอบ 34168

คำตอบที่ 2
       ไปหาซื้อตามร้านอะไหล่ทั่วไป มีขายใช่ไหมครับพี่หนุ่มกระโทก ถ้ามีวงจรต่อด้วยแจ่มเลยครับพี่



 แสดงความคิดเห็นย่อย แสดงความคิดเห็นย่อย

จาก หน่อยเองครับ 125.27.210.224 อังคาร, 18/11/2551 เวลา : 13:43  IP : 125.27.210.224   

edit แก้ไขคำตอบ   delete ลบคำตอบ 34171

คำตอบที่ 3
       ประมาณว่าอยากตั้งตอนไหนก็ได้หนะครับพี่
วงจรมันจะเหมือนพวกtimerที่ติดกะรถติดเทอโบไหมครับ ที่ต้องบิดสวิตท์กุญแจoff ถึงจะเริ่มนับเวลา



 แสดงความคิดเห็นย่อย แสดงความคิดเห็นย่อย

จาก หน่อยเองครับ 125.27.210.224 อังคาร, 18/11/2551 เวลา : 13:49  IP : 125.27.210.224   

edit แก้ไขคำตอบ   delete ลบคำตอบ 34172

คำตอบที่ 4
       ถ้าเป็นใช้ไฟ 220 คุม ก็มีขายครับ ที่ร้านอมรไง เป็นแบบ digital ใส่ถ่านไฟฉาย
ตัวนึงน่าจะซักสองร้อย

ส่วนแบบไขลาน ผมไม่แน่ใจว่า มันตั้งได้กี่ ชม

ถ้าเอาแบบ อนาถา ก็ใช้นาฬิกาปลุกนี่แหละ เอาคอนแทคมันไปคุม รีเลย์ไฟฟ้า
ที่ไปคุมโซลินอยด์อีกที



 แสดงความคิดเห็นย่อย แสดงความคิดเห็นย่อย

somsaks จาก หนุ่มกระโทก 115.67.109.174 อังคาร, 18/11/2551 เวลา : 14:02  IP : 115.67.109.174   

edit แก้ไขคำตอบ   delete ลบคำตอบ 34173

คำตอบที่ 5
      



 แสดงความคิดเห็นย่อย แสดงความคิดเห็นย่อย

chyvw จาก ชาย 203.149.16.33 อังคาร, 18/11/2551 เวลา : 15:01  IP : 203.149.16.33   

edit แก้ไขคำตอบ   delete ลบคำตอบ 34178

คำตอบที่ 6
       ชักงงๆแล้วพี่ แล้วจะไปต่อแบบตรงไหนอะครับ อุปกรณ์แบบในรูปใช่ป่าวพี่หนุ่ม แล้วมันจะตัดการทำงานของเครื่องปั่นไฟยังไงอะครับ





 แสดงความคิดเห็นย่อย แสดงความคิดเห็นย่อย

จาก หน่อยเองครับ 125.27.210.224 อังคาร, 18/11/2551 เวลา : 15:59  IP : 125.27.210.224   

edit แก้ไขคำตอบ   delete ลบคำตอบ 34183

คำตอบที่ 7
       ไอ้ตัวนี้ใช้ไม่ได้ครับ เพราะ

1 คุณไม่มีไฟ 220 ไปเลี่ยงมัน แล้วมันจะเดินได้ยังไง
2 ถ้าเอาตัวนี้ไปใช้ โดยใช้ไฟจากเครื่องปั่นไฟ ตัวมันจะจ่ายไฟ ออกมาตาม
แหล่งจ่ายไฟที่มันใช้ ทีเป็นไฟโวลต์สูง เวลาเอาไปใช้มันอันตราย
ไม่เหมาะกับไปคุมโซลินอยด์
3 ไอ้ตัวนี้จะทำงานได้ถูกต้องก็ต่อเมื่อไฟที่เข้ามัน มีความถึา 50Hz หรือ 60 Hz
เลือกได้ ตามมุมขวาบน มันจะเอาความถี่ของไฟมาเป็นฐานเวลาครับ
คราวนี้ไฟจากเครื่องขนาดเล็ก ความถี่มันไม่ค่อยได้ ดังนั้น มันจะเดินไม่ตรงครับ

ไว้ผมกลับจาก รพ ก่อน คืนนี้จะมาเขียนต่อ

ยังไงช่วยอธิบายการใช้งาน และ แหล่งไฟที่คุณมีให้โดนละอียดซักหน่อย
จะได้ถูกเงิน และเหมาะแก่การใช้งานที่สุด



 แสดงความคิดเห็นย่อย แสดงความคิดเห็นย่อย

somsaks จาก หนุ่มกระโทก 115.67.109.174 อังคาร, 18/11/2551 เวลา : 16:20  IP : 115.67.109.174   

edit แก้ไขคำตอบ   delete ลบคำตอบ 34184

คำตอบที่ 8
       ไปโดนหมอเอาเข็มจิ้มมาโหลกว่า ๆ ระหว่างโดนจิ้มก็ได้ความคิดมาว่า
คงต้องใช้กลไกแบบชาวบ้าน เพราะเห็นว่าจะเอาแบบถูก ๆ

ใช้กระป๋องหรือถังน้ำเจาะรู หรือจะใสวาล์วกำหนดการหยดก็ตามใจ
น้ำหนักที่ถ่วงก็จะตกมาเรื่อย ๆ จนถึงจุดหนึ่งที่เชือกอีกข้างตึง
ก็จะดึงไม้ที่ยันไว้หลุดออกมา น้ำหนักที่ถ่วงอีกตัวก็จะไปทับท่อน้ำมัน


กำหนดเวลาเท่าไหร่ก็แล้วแต่อัตราการหยด กับ ความตึงของเชื้อกเส้นที่สอง

แต่ก่อนผมก็ใช้เชือกกระตุกนี้จับนก





 แสดงความคิดเห็นย่อย แสดงความคิดเห็นย่อย

somsaks จาก หนุ่มกระโทก 115.67.26.138 อังคาร, 18/11/2551 เวลา : 21:05  IP : 115.67.26.138   

edit แก้ไขคำตอบ   delete ลบคำตอบ 34196

คำตอบที่ 9
      


รูปประกอบเป็นศิลปะขั้นสูงจริงๆครับ



 แสดงความคิดเห็นย่อย แสดงความคิดเห็นย่อย

kupree จาก kupree 125.26.72.111 อังคาร, 18/11/2551 เวลา : 21:35  IP : 125.26.72.111   

edit แก้ไขคำตอบ   delete ลบคำตอบ 34197

คำตอบที่ 10
       ก็คุณลุงจะเอาแบบประหยัด ๆนี่ครับ

ถ้าจะเอาแบบอิเลคทรอนิคส์ก็แพงกว่านี้ซิครับ



 แสดงความคิดเห็นย่อย แสดงความคิดเห็นย่อย

somsaks จาก หนุ่มกระโทก 115.67.26.138 อังคาร, 18/11/2551 เวลา : 23:25  IP : 115.67.26.138   

edit แก้ไขคำตอบ   delete ลบคำตอบ 34207

คำตอบที่ 11
       โหพี่หนุ่มครับ แจ่มมากๆ ผมกว่าเดี๋ยวจะทำให้ตอนทำปวดหัวกว่าเดิมนะครับพี่ ไม่ต้องประหยัดขนาดนั้นก็ได้ครับ ใช้แบบวงจรควบคุมหรือโซลินอย อะไรแบบนี้ก็ได้ครับพี่



 แสดงความคิดเห็นย่อย แสดงความคิดเห็นย่อย

จาก หน่อยเองครับ 125.27.209.43 พุธ, 19/11/2551 เวลา : 09:54  IP : 125.27.209.43   

edit แก้ไขคำตอบ   delete ลบคำตอบ 34217

คำตอบที่ 12
       รูปเครื่องปั่นไฟครับพี่ แบบนี้เลย 60kva 380/220v 3phase 50hz 1500rpm
ใช้งานในไร่+รีสอร์ทครับ ที่วังน้ำเขียว ไฟยังเข้าไม่ถึงครับ มีแต่เสาไฟ





 แสดงความคิดเห็นย่อย แสดงความคิดเห็นย่อย

จาก หน่อยเองครับ 125.27.209.43 พุธ, 19/11/2551 เวลา : 11:03  IP : 125.27.209.43   

edit แก้ไขคำตอบ   delete ลบคำตอบ 34220

คำตอบที่ 13
       ได้เลยครับ

ไทม์เมอร์แบบที่จับเวลานาน ๆ มันมักไม่ค่อยเที่ยงครับเพราะว่ามาจากค่า
ความผิดพลาดของ RC ถ้าจะให้ละเอียดเที่ยงตรงต้องใช้พวก CPU เล็กๆ
อย่างตระกูล PIC ราคาถูก และต่อไม่ยาก

เอาแบบง่ายอันดับสองที่ผมพอจะนึกออกคือ ตรงส่วนตั้งเวลาไปใช้คอนแทคของนาฬิกาปลุกครับ
เอารุ่นแบบที่ซื้อถ่านไฟฉายแล้วแถมก็ได้ จะให้มันปลุกตอนกี่โมงก็ไปตั้งเอาเอง
ง่ายดีไหมครับ

1 เตรียมนาฬิกาปลุก
2 ใช้วงจรโมโนสเตเบิล เอาสัญญาญทริกมาจาก คอนแทคของนาฬิกา
คือวงจรโมโนสเตเบิล เมื่อได้รับสัญญาณ มันจะปล่อยพัลลส์ออกไป 1 ลูก
จะกว้างนานเท่าไหร่ขึ้นกับเรากำหนดค่า RC แล้วมันก็หยุด


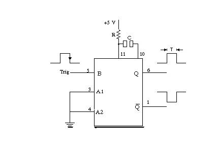
วงจรง่ายที่สุดที่คิดออกตอนนี้คือ ใช้ IC 74121 Monostable Multivibrator

T =0.693RC

กำหนดให้มันนานพอที่พอจะตัดน้ำมันให้เครื่องดับครับ

หรือ จะใช้วงจร 555 ก็ได้ครับ


คิดต่อได้หรือยังครับ

ถ้าให้บอกต่อต้องมีตั๋วฟรีสำหรับ รีสอร์ทซะแล้ว

ว่าแต่ว่ามันอยู่ตรงไหน เผื่อผมแวบไปวังน้ำเขียว จะได้ไเยี่ยมชม







 แสดงความคิดเห็นย่อย แสดงความคิดเห็นย่อย

somsaks จาก หนุ่มกระโทก 115.67.6.44 พุธ, 19/11/2551 เวลา : 12:04  IP : 115.67.6.44   

edit แก้ไขคำตอบ   delete ลบคำตอบ 34221

คำตอบที่ 14
       ขอบคุณครับพี่หนุ่ม พอเข้าใจหลักการครับ
รีสอร์ทกำลังทำครับยังไม่เสร็จ ได้ซัก70% เลยทางเข้าเขาแผงม้าเข้าไปครับ แต่หลายเลี้ยวเหมือนกัน วันหลังเอารูปมาให้ดูครับ



 แสดงความคิดเห็นย่อย แสดงความคิดเห็นย่อย

จาก หน่อยเองครับ 125.27.213.110 พฤหัสบดี, 20/11/2551 เวลา : 09:21  IP : 125.27.213.110   

edit แก้ไขคำตอบ   delete ลบคำตอบ 34252

คำตอบที่ 15
       น่าดีใจแทนคุณลุง ที่มีหลานเก่ง ๆ





 แสดงความคิดเห็นย่อย แสดงความคิดเห็นย่อย

somsaks จาก หนุ่มกระโทก 115.67.184.213 พฤหัสบดี, 20/11/2551 เวลา : 09:44  IP : 115.67.184.213   

edit แก้ไขคำตอบ   delete ลบคำตอบ 34254

คำตอบที่ 16
       ผมเพิ่งมาอ่านอยากเล่าถึงวิธีของผมบ้าง

ตามปกติเครื่องกำเนิดไฟฟ้าจะต้องติดเครื่อง Exercise ทุกสัปดาห์ครั้งละ 30นาที จะไม่ติดเครื่องเลยมันจะพังเอาง่ายๆ แต่พวกช่างมักจะขีเกียจไปติดเครื่องให้วุ่นวายแถมบางที่เอาน้ำมันไปเติมรถแล้วบอกว่าเป็นน้ำมันใช้ Exercise เสียอีก

ดังนั้นจึงต้องมีระบบติดเครื่องอัตโนมัติขึ้นมาโดยมากจะตั้งตรงกันเกือบทุกที่คือบ่ายวันเสาร์เพราะมันเป็นเวลาเลิกงานแล้วหรือไม่ก็กำลังเก็บงานของสัปดาห์นั้นเสียงจะได้ไม่รบกวนคนมากนัก

วิธีก็คือมีนาฬิกาหนึ่งตัวเป็นแบบ 12Vหรือ24V ก็ได้เอาไฟมาจากแบตเตอรี่นั่นแหละ

ขั้นต่อมาตังเวลาเปิดคอนเท็กและปิดคอนแท็กตามที่ต้องการ จะเปิดและปิดแค่สิบนาทีหรือสิบชั่วโมงก็ยังได้ตามต้องการ

พอหน้าคอนแท็กปิดวงจรปั๊บก็ส่งสัญญานเข้าวงจรแคร้งอัพคือสตาร์ทเครื่อง วงจรจะมีรีเลย์ไปต่อไฟฟ้าเข้าระบบเครื่องยนต์แล้วเผาหัวหรือไม่ต้องเผาหัวแล้วแต่ชนิดเครื่องยนต์

การติดเครื่องจะทำการจ่ายไฟเข้ามอเตอร์สตาร์ท 3วินาทีแล้วหยุดแล้วดูว่าเครื่องยนต์ติดหรือไม่ ถ้ายังไม่ติดก็ส่งไฟไปมอเตอร์สตาร์ทอีกครั้ง 3วินาที ทำแบบนี้สามครั้ง ถ้ายังไม่ติดอีกคราวนี้กระดิ่งไฟฟ้าจะดังเรียกช่างมาดูเครื่องยนต์

แล้ววงจรจะรู้ได้อย่างไรว่าเครื่องมันติดแล้ว ก็เอามาจากไฟฟ้าที่ออกมานั่นแหละ ถ้าไดชาร์ทของเครื่องมันมีไฟออกมาแสดงว่าเครื่องยนต์ติดแล้ว

คราวนี้ก็ถึงเวลาดับเครื่องบ้าง

พอถึงเวลาจะดับเครื่องก็ง่ายๆ ตัดไฟเข้าเครื่องทั้งหมดด้วยรีเลย์ตัวแรกที่ทำงานนั่นแหละ มันจะไม่มีไฟฟ้าเข้าปั้มน้ำมันและลิ้นอากาศก็ปิดตัวลงแค่นี้ก็ดับแล้ว






 แสดงความคิดเห็นย่อย แสดงความคิดเห็นย่อย

baron จาก von Richthofen 125.24.25.206 พฤหัสบดี, 20/11/2551 เวลา : 12:02  IP : 125.24.25.206   

edit แก้ไขคำตอบ   delete ลบคำตอบ 34259

คำตอบที่ 17
       แนวความคิดวงจร

ขั้นแรกนาฬิกาดิจิตอลตั้งเวลาหนึ่งตัว รีเลย์จ่ายไฟเข้าเครื่องหนึ่งตัว และรีเลยสตาร์หนึ่งตัว

รีเลยสตาร์ทมันต้องทำงานซ้ำๆกันจนกว่าเครื่องจะติด ดังนั้นมันต้องทำงาน 3วินาทีแล้วหยุดสิบวินาที ถ้ามีไฟจากเครื่องมาแล้วก็หยุด ถ้ายังก็ส่งสัญญานสตาร์ทใหม่ ตัวนี้ใช้ Monostable ของหนุ่มได้เลยแล้วเข้า NAND Gate ตัวหนึ่งกับวงจรไดชาร์ทเครื่องยนต์ เพื่อให้หยุดทำงาน


จะติดเครื่องนานแค่ไหนขึ้นอยู่กับนาฬิกาตัวแรกนั่นแหละ





 แสดงความคิดเห็นย่อย แสดงความคิดเห็นย่อย

baron จาก von Richthofen 125.24.25.206 พฤหัสบดี, 20/11/2551 เวลา : 12:09  IP : 125.24.25.206   

edit แก้ไขคำตอบ   delete ลบคำตอบ 34260

คำตอบที่ 18
       เป็นผมถ้าไม่มีความรู้ว่าจะไปซื้อของที่ไหนและต่ออย่างไร

ผมจะเอาตั๋วนอนรีสอร์ทฟรีตลอดชีพไปแลกวงจร PIC ของหนุ่ม

แบบนี้ไม่ต้องปวดหัว ราคาถูกสมใจ ลงทุนไม่กีพันก็เรียบร้อยแล้ว



 แสดงความคิดเห็นย่อย แสดงความคิดเห็นย่อย

baron จาก von Richthofen 125.24.25.206 พฤหัสบดี, 20/11/2551 เวลา : 12:14  IP : 125.24.25.206   

edit แก้ไขคำตอบ   delete ลบคำตอบ 34261

      

คำตอบแบ่งหน้าละ 30 คำตอบ ขณะนี้คุณอยู่ที่หน้า 1 จาก >>> 1  



website รองรับการใช้งานทุกระบบปฏิบัติการของ PC Tablet SmartPhone ทุกระบบสามารถโพสข้อความและรูปภาพได้โดยไม่ต้องย่อไฟล์
เพื่อความปลอดภัยในการใช้ website WeekendHobby.Com สมาชิก เท่านั้น จึงจะตั้งกระทู้ หรือ ตอบกระทู้ได้ครับ
Login Click ที่นี่
สมัครสมาชิก Click ที่นี่



Since 22, Feb 2001 hit counter View My Stats  Truehits.net      วันอาทิตย์,19 เมษายน 2569 (Online 2140 คน)