WeekendHobby.com
เครื่องมือในการใช้งาน website =>> สมัครสมาชิก | Login | Logout | เปลี่ยนไอคอนส่วนตัว | เกี่ยวกับเรา | ติดต่อโฆษณา         View stat by Truehits.net


ไฟหรี่ ไฟหน้าปัทม์ และไฟถอยหลัง ไม่ติดครับ แต่อื่น ๆ ปกติ

จาก ปาฝึกหัด
IP:124.120.173.247

จันทร์ที่ , 4/5/2552
เวลา : 21:17

อ่านแล้ว = ครั้ง
 เก็บเข้ากระทู้ส่วนตัว
แจ้งตรวจสอบกระทู้
 แจ้งลบ
ส่งหาเพื่อน ส่งหาเพื่อน

       มีท่านใดพอรู้สาเหตุบ้างครับ หรือขอวงจรระบบไฟฟ้าแสงสว่างของเจ้าปาเหลี่ยมหน่อยครับ ตรวจสอบเบื้องต้นฟิวส์ก็ไม่ขาด หลอดไฟก็ไม่ขาด แต่ไฟไม่ติด พอดีเพิ่งไปเปลี่ยนลูกยางปั๊มคลัทช์มา ไม่แน่ใจว่าช่างไปแตะโดนอะไรหรือเปล่าครับ รบกวนด้วยครับ ขอบคุณครับ


 แสดงความคิดเห็นย่อย แสดงความคิดเห็นย่อย

แจ้งเพื่อเก็บขึ้นกระทู้พิเศษ คลิ๊กที่นี่แจ้งเพื่อนำขึ้นกระทู้พิเศษ

คำตอบแบ่งหน้าละ 30 คำตอบ ขณะนี้คุณอยู่ที่หน้า 1 จาก >>> 1  

คำตอบที่ 1
       ไม่รู้ว่าเสียบสายไฟสลับขั่วกันหรีอเปล่าเคยเป็นเหมือนกันแต่ไม่กล้าเดาไปมากกว่านี้ รอผู้รู้มาตอบดีกว่า



 แสดงความคิดเห็นย่อย แสดงความคิดเห็นย่อย

Blue Pajero จาก BLUE PAJERO 202.57.171.202 จันทร์, 4/5/2552 เวลา : 22:17  IP : 202.57.171.202   

edit แก้ไขคำตอบ   delete ลบคำตอบ 41554

คำตอบที่ 2
       หายไปนานเลยนะครับคุณปาฝึกหัด ยินดีต้อนรับกลับบ้าน


แบบนี้ผมก็เคยเป็นตอนที่ช่างมือซนไปต่อสายผิดที่เสื้อเกียร์เอาสายไฟบอกตำแหน่งเกียร์ไปเสียบวงจรไฟถอยหลัง และอีกครั้งสายไฟถอยหลังชอร์ทลงเสื้อเกียร์ เล่นเอารวนไปทั้งแผงหน้าปัดท์

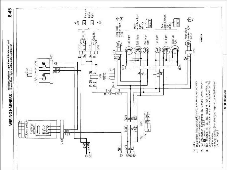
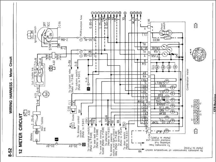
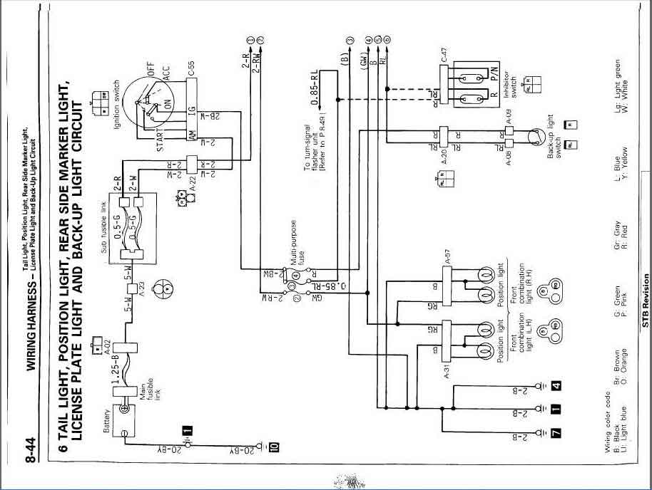
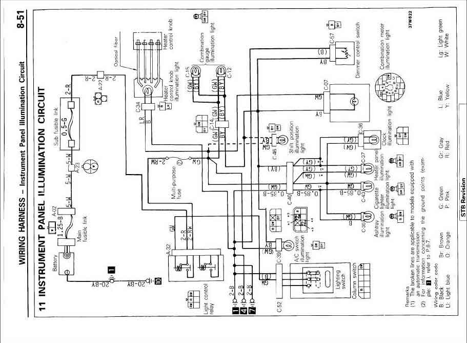
ให้ตรวจสอบฟิวส์ หมายเลข 2 และหมายเลข 7 ที่แผงฟิวส์เล็กข้างพวงมาลัย ว่าขาดหรือไหม้หรือเปล่า ใช้แอมป์มิเตอร์วัดกระแสที่ผ่านฟิวส์ทีละตัวว่ามีตัวไหนกินไฟเกินกว่า 10A บ้าง ถ้ามีตัวไหนเกินแสดงสายชอร์ทลงตัวถังให้สงสัยสายชุดไฟถอยกับชุดไฟตำแหน่งเกียร์ที่ใต้ท้องรถเอาไว้ก่อน

ดูสายไฟชุดที่ไปเสื้อเกียร์ทั้งหมดตั้งต่จุดแยกตรงปั้มคลัทไปจนถึงสวิทซ์ที่เสื้อเกียร์ทั้งสามจุดว่ามันหลุดขาดหรือชอร์ทหรือเปล่า

ขั้นต่อมาให้สับเกียร์ 4H 4L ว่าไฟบอกตำแหน่งแสดงถูกต้องหรือไม่ ถ้าผิดแสดงว่าช่างอาจจะเอาปลั๊กไปตำแหน่งเกียร์ไปยัดเข้าวงจรไฟถอยแทน ทำให้มันรวนไปทั้งระบบ

และให้ปลดสายสวิทซ์ไฟถอยข้างเกียร์ออกแล้ววัดไฟมามาเลี้ยงหรือไม่ ให้ต่อสายตรงอีกเส้นจากแบตเตอรี่ต่อเข้าที่จุดสวิทซ์ไฟถอยที่เสื้อเกียร์ว่าไฟถอยติดหรือเปล่า ถ้าติดให้เอาสายตรงไปจี้ที่อีกขั้วมันจะย้อนกลับเข้าแฝงหน้าปัดท์ดูว่าไปหน้าปัดท์ติดหรือไม่

ถ้าติดครบแสดงว่าไฟเลี้ยงแผงหน้าปัดท์ทั้งพวงมันไม่มีไฟมาเลี้ยง ให้ไล่สายย้อนกลับหาจุดสายขาดย้อนมาที่ฟิวส์ครับ



 แสดงความคิดเห็นย่อย แสดงความคิดเห็นย่อย

baron จาก von Richthofen 125.24.43.135 จันทร์, 4/5/2552 เวลา : 23:23  IP : 125.24.43.135   

edit แก้ไขคำตอบ   delete ลบคำตอบ 41573

คำตอบที่ 3
      





 แสดงความคิดเห็นย่อย แสดงความคิดเห็นย่อย

baron จาก von Richthofen 125.24.43.135 จันทร์, 4/5/2552 เวลา : 23:24  IP : 125.24.43.135   

edit แก้ไขคำตอบ   delete ลบคำตอบ 41574

คำตอบที่ 4
      





 แสดงความคิดเห็นย่อย แสดงความคิดเห็นย่อย

baron จาก von Richthofen 125.24.43.135 จันทร์, 4/5/2552 เวลา : 23:25  IP : 125.24.43.135   

edit แก้ไขคำตอบ   delete ลบคำตอบ 41575

คำตอบที่ 5
      





 แสดงความคิดเห็นย่อย แสดงความคิดเห็นย่อย

baron จาก von Richthofen 125.24.43.135 จันทร์, 4/5/2552 เวลา : 23:25  IP : 125.24.43.135   

edit แก้ไขคำตอบ   delete ลบคำตอบ 41577

คำตอบที่ 6
      





 แสดงความคิดเห็นย่อย แสดงความคิดเห็นย่อย

baron จาก von Richthofen 125.24.43.135 จันทร์, 4/5/2552 เวลา : 23:26  IP : 125.24.43.135   

edit แก้ไขคำตอบ   delete ลบคำตอบ 41578

คำตอบที่ 7
      





 แสดงความคิดเห็นย่อย แสดงความคิดเห็นย่อย

baron จาก von Richthofen 125.24.43.135 อังคาร, 5/5/2552 เวลา : 02:24  IP : 125.24.43.135   

edit แก้ไขคำตอบ   delete ลบคำตอบ 41658

คำตอบที่ 8
       ผมให้วงจรทั้งสองวงจรที่เกี่ยวกับฟิวส์ทั้งสองตัวไว้ คือฟิวส์หมายเลข 2 และฟิวส์หมายเลข 7 ที่ต่อเข้าชุดหน้าปัดท์ทั้งคู่

ลองไล่ตามที่ผมบอกนั่นแหละ ไม่หัววงจรในรถก็ท้ายวงจรที่เสื้อเกียร์ ไม่พ้นที่ผมบอกหรอก ไอ้ไฟแผงหน้าปัดรวนนี่ผมเจอมาหลายรอบจนชินแล้ว



 แสดงความคิดเห็นย่อย แสดงความคิดเห็นย่อย

baron จาก von Richthofen 125.24.43.135 อังคาร, 5/5/2552 เวลา : 02:24  IP : 125.24.43.135   

edit แก้ไขคำตอบ   delete ลบคำตอบ 41659

คำตอบที่ 9
       โห....เยี่ยมสุดยอดเลยขอรับพี่ von


คุณปาฝึกหัด เสียบปลั๊กผิดไม่เป็นไรนะขอรับ มันยังแก้ไขได้ แต่ถ้าไปเสียบอย่างอื่นผิดน่ะ มันอันตรายมากเลย นะขอรับ



 แสดงความคิดเห็นย่อย แสดงความคิดเห็นย่อย

Rin จาก Rin 202.12.118.61 อังคาร, 5/5/2552 เวลา : 10:57  IP : 202.12.118.61   

edit แก้ไขคำตอบ   delete ลบคำตอบ 41666

คำตอบที่ 10
       ขอบคุณท่าน อ.วอน คุณ BLUE PAJERO และท่านขุนรินครับ จะลองไล่ดูครับ ไม่ได้หายไปไหนนักครับยังเฝ้าดูกิจกรรมที่พี่ ๆ ไปกันมาอยู่เลยครับ ยังไม่มีโอกาสได้ไปร่วมด้วย ว่าแต่ที่ท่านขุนรินว่าเสียบถูกเสียบผิดนี่ สงสัยต้องหาโอกาสให้ขยายความนะครับ



 แสดงความคิดเห็นย่อย แสดงความคิดเห็นย่อย

จาก ปาฝึกหัด 61.91.37.237 อังคาร, 5/5/2552 เวลา : 11:37  IP : 61.91.37.237   

edit แก้ไขคำตอบ   delete ลบคำตอบ 41672

คำตอบที่ 11
       ตั้งใจจะรบกวบถาม อ. วอน พอดีเจอกระทู้นี้ ถามรวมกันไปเลย...เมื่อคืนผมมุดไปนอนอยู่ใต้ท้องปาฯ อยู่นานเพื่อบัดกรีสายไฟ สวิทซ์ 4 WD แต่..หาสายไม่เจอ.. เลยเข้าไปดูกระทูเก่าๆ ที่ อ. วอนลงรูปไว้ จึงได้รู้ว่าสายไฟมันกรอบจนกระเด็นขาดหายไป จนไฟเขียว 4WD ไม่ติดที่หน้าปัทม์ ตอนนี้บัดกรีได้แล้ว แถมโดนตะกั่วหยดลงที่คอ ร้องซะลั่นบ้าน แต่ก็ติดพออยู่แค่ปลายติ่งเพราะสายมันหักซะจนกุดสั้น ......
เรียนถาม อ.วอนว่าถ้าผมจะถอดเจ้าสวิทซ์ ทั้ง 2 ตัวออกมาบัดกรีข้างนอก มันจะยุ่งยาก หรือ ต้องระมัดระวังอะไรบ้างไหมครับ เพื่อที่จะเปลี่ยนสายซะใหม่....



 แสดงความคิดเห็นย่อย แสดงความคิดเห็นย่อย

117 จาก 117 125.27.255.195 อังคาร, 5/5/2552 เวลา : 13:58  IP : 125.27.255.195   

edit แก้ไขคำตอบ   delete ลบคำตอบ 41680

คำตอบที่ 12
       เจ้าสองเกลอนี้ละครับ ที่สายมันกรอบ-หักกุดสั้น จนต้องมุดไปบัดกรีซะใหม่ (สายสีแดงเส้นสั้นๆที่ขาดหายไป) เอามาเพิ่ม...ไฟเขียวที่หน้าปัทม์ติดแล้ว






 แสดงความคิดเห็นย่อย แสดงความคิดเห็นย่อย

117 จาก 117 125.27.255.195 อังคาร, 5/5/2552 เวลา : 14:06  IP : 125.27.255.195   

edit แก้ไขคำตอบ   delete ลบคำตอบ 41681

คำตอบที่ 13
       ทำได้ครับ ถอดออกมาแล้วตอนกำลังจะหลุดให้เอามือรองไอ้ไว้หน่อย พอมันหลุดจะมีลูกปืนกลมๆขนาดเท่าไข่จิ้งจกใหลออกจากรูมาด้วยตัวละหนึ่งเม็ด

มันเป็นลูกปืนดันแกนให้เลื่อนเข้าออกแบบนุ่มๆ หายแล้วเรื่องยุ่งต้องไปร้านจักรยานหาลูกปืนล้อมาใส่แทนให้วุ่นวาย

พอบัดกรีแล้วให้ใช้สายที่เปลือกดีๆหน่อยที่ทนน้ำมันทนความร้อนแล้วเอาเทป self fusesing ของ3M หรือไม่มีก็เล่นซิลิโคนคลุมหัวเอาไว้กันน้ำเสียเลย

ผมทำหมดแล้วล่ะ อายุขนาดนี้สายมันกรอบหมดแล้วทุกคันไม่เหลือหรอก



 แสดงความคิดเห็นย่อย แสดงความคิดเห็นย่อย

baron จาก von Richthofen 118.173.71.91 อังคาร, 5/5/2552 เวลา : 15:40  IP : 118.173.71.91   

edit แก้ไขคำตอบ   delete ลบคำตอบ 41682

คำตอบที่ 14
       ต้องมุดดูเจ้าปาซะแล้วว่าเป็นอย่างไรบ้าง

ขอบคุณครับอาจารย์




 แสดงความคิดเห็นย่อย แสดงความคิดเห็นย่อย

Blue Pajero จาก BLUE PAJERO 202.57.170.19 พุธ, 6/5/2552 เวลา : 00:14  IP : 202.57.170.19   

edit แก้ไขคำตอบ   delete ลบคำตอบ 41713

คำตอบที่ 15
      



 แสดงความคิดเห็นย่อย แสดงความคิดเห็นย่อย

praphin จาก Tik 203.146.148.130 พุธ, 6/5/2552 เวลา : 12:01  IP : 203.146.148.130   

edit แก้ไขคำตอบ   delete ลบคำตอบ 41736

คำตอบที่ 16
       อ.วอน ครับ ผมถอดออกมาดูแล้วเป็นอย่างที่ท่านว่าไว้ แต่ที่ด้านปลายต่อสาย มันมีเหมือน เรซิน เทปิดเอาไว้แล้วสายไฟ มันอยู่ด้านใน ผมจะ ต้องแงะ ต้องแคะ ต้องเจาะทะลวง อย่างไรบ้าง จึงจะเจอตันตอ ที่จะบัดกรี และ เปลี่ยนสายใหม่ครับ....



 แสดงความคิดเห็นย่อย แสดงความคิดเห็นย่อย

117 จาก 117 125.27.248.151 พุธ, 6/5/2552 เวลา : 12:43  IP : 125.27.248.151   

edit แก้ไขคำตอบ   delete ลบคำตอบ 41739

คำตอบที่ 17
       ไม่ต้องงัดหรอกครับ ตัดสายเก่าออกเหลือปลายไว้บัดกรีสายใหม่lสักครึ่งเซนต์ก็พอครับ

แต่ถ้ามันขาดกุดหัวบัดกรีไม่พอก็ขุดเรซินลงไปพอบัดกรีได้แล้วป้ายกาวเรซินหรือซิลิโคนกลับ



 แสดงความคิดเห็นย่อย แสดงความคิดเห็นย่อย

baron จาก von Richthofen 125.24.23.117 พุธ, 6/5/2552 เวลา : 13:29  IP : 125.24.23.117   

edit แก้ไขคำตอบ   delete ลบคำตอบ 41743

คำตอบที่ 18
       ตกลงปัญหาของผมอยู่ที่ รีเลย์ในคอพวงมาลัยเสีย (เพิ่งรู้ว่ามีรีเลย์ซ่อนอยู่ในคอพวงมาลัยด้วย) สำหรับชุดไฟหรี่ที่ไม่ติด (รวมไฟแผงหน้าปัทม์) ด้วย ส่วนไฟถอยก็ตรง ๆ เลยครับ สวิทชต์ไฟถอยเจ๊งเปลี่ย่นใหม่หายแล้ว แต่ยังไง เดี๋ยวต้องดูชุดไฟขับสี่แบบท่าน 117 ซะแล้ว ขอบคุณอีกครั้งครับ



 แสดงความคิดเห็นย่อย แสดงความคิดเห็นย่อย

จาก ปาฝึกหัด 202.44.7.68 พุธ, 6/5/2552 เวลา : 13:54  IP : 202.44.7.68   

edit แก้ไขคำตอบ   delete ลบคำตอบ 41749

คำตอบที่ 19
      



 แสดงความคิดเห็นย่อย แสดงความคิดเห็นย่อย

Rin จาก Rin 202.12.118.61 พุธ, 6/5/2552 เวลา : 19:02  IP : 202.12.118.61   

edit แก้ไขคำตอบ   delete ลบคำตอบ 41763

คำตอบที่ 20
       ขอบคุณครับ อ.วอน สายไฟผมมันขาดหัวกุด ไหนๆจะทำให้ดีแล้ว ก็ต้องขุดเข้าไปบัดกรี อย่างที่ท่านว่าแล้วครับ.....



 แสดงความคิดเห็นย่อย แสดงความคิดเห็นย่อย

117 จาก 117 125.27.251.158 พฤหัสบดี, 7/5/2552 เวลา : 08:45  IP : 125.27.251.158   

edit แก้ไขคำตอบ   delete ลบคำตอบ 41789

      

คำตอบแบ่งหน้าละ 30 คำตอบ ขณะนี้คุณอยู่ที่หน้า 1 จาก >>> 1  



website รองรับการใช้งานทุกระบบปฏิบัติการของ PC Tablet SmartPhone ทุกระบบสามารถโพสข้อความและรูปภาพได้โดยไม่ต้องย่อไฟล์
เพื่อความปลอดภัยในการใช้ website WeekendHobby.Com สมาชิก เท่านั้น จึงจะตั้งกระทู้ หรือ ตอบกระทู้ได้ครับ
Login Click ที่นี่
สมัครสมาชิก Click ที่นี่



Since 22, Feb 2001 hit counter View My Stats  Truehits.net      วันอาทิตย์,19 เมษายน 2569 (Online 1859 คน)