WeekendHobby.com
เครื่องมือในการใช้งาน website =>> สมัครสมาชิก | Login | Logout | เปลี่ยนไอคอนส่วนตัว | เกี่ยวกับเรา | ติดต่อโฆษณา         View stat by Truehits.net


กระจกไฟฟ้าปาเหลี่ยม ครับ
sirisak460
จาก tume
IP:110.49.205.11

อาทิตย์ที่ , 21/11/2553
เวลา : 17:55

อ่านแล้ว = ครั้ง
 เก็บเข้ากระทู้ส่วนตัว
แจ้งตรวจสอบกระทู้
 แจ้งลบ
ส่งหาเพื่อน ส่งหาเพื่อน

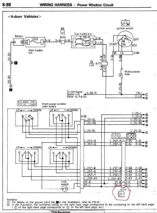
       ขอเรียนสอบถาม อ.von และทุกท่านที่กรุณาครับ กระจกไฟฟ้าปาเหลี่ยมด้านคนขับ ตามลายละเอียดใน Circuit ปลั๊ก C72 จะมีสายไฟ 2 เส้น คือน้ำเงิน (L) กับ ดำ(B) แต่ที่ผมได้มา มันมี 3 เส้น มีเพิ่มเข้ามาคือสีขาว ครับ สายไฟสีขาวต่อเข้ากับอะไรครับ เรียนถามท่านผู้รู้ด้วยครับ ขอบคุณครับ






 แสดงความคิดเห็นย่อย แสดงความคิดเห็นย่อย

แจ้งเพื่อเก็บขึ้นกระทู้พิเศษ คลิ๊กที่นี่แจ้งเพื่อนำขึ้นกระทู้พิเศษ

คำตอบแบ่งหน้าละ 30 คำตอบ ขณะนี้คุณอยู่ที่หน้า 1 จาก >>> 1  

คำตอบที่ 1
       ผมดูจาก Circuit นี้ครับ





 แสดงความคิดเห็นย่อย แสดงความคิดเห็นย่อย

sirisak460 จาก tume 110.49.205.11 อาทิตย์, 21/11/2553 เวลา : 17:57  IP : 110.49.205.11   

edit แก้ไขคำตอบ   delete ลบคำตอบ 52276

คำตอบที่ 2
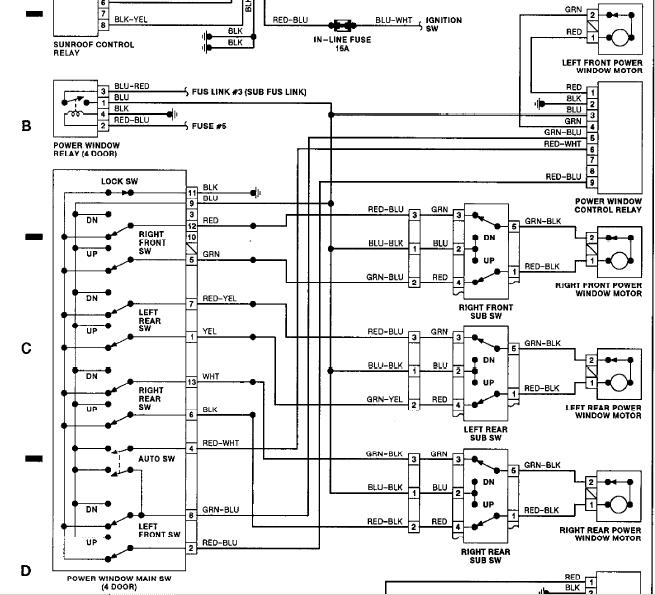
       ลองดูวงจรนี้ครับ บางทีรถคนละปีพวงสายมันไม่ค่อยตรงกันหรอก





 แสดงความคิดเห็นย่อย แสดงความคิดเห็นย่อย

baron จาก von Richthofen 125.24.15.36 จันทร์, 22/11/2553 เวลา : 02:49  IP : 125.24.15.36   

edit แก้ไขคำตอบ   delete ลบคำตอบ 52278

คำตอบที่ 3
       ขอบพระคุณครับอาจารย์



 แสดงความคิดเห็นย่อย แสดงความคิดเห็นย่อย

sirisak460 จาก tume 110.49.205.90 จันทร์, 22/11/2553 เวลา : 20:56  IP : 110.49.205.90   

edit แก้ไขคำตอบ   delete ลบคำตอบ 52282

      

คำตอบแบ่งหน้าละ 30 คำตอบ ขณะนี้คุณอยู่ที่หน้า 1 จาก >>> 1  



website รองรับการใช้งานทุกระบบปฏิบัติการของ PC Tablet SmartPhone ทุกระบบสามารถโพสข้อความและรูปภาพได้โดยไม่ต้องย่อไฟล์
เพื่อความปลอดภัยในการใช้ website WeekendHobby.Com สมาชิก เท่านั้น จึงจะตั้งกระทู้ หรือ ตอบกระทู้ได้ครับ
Login Click ที่นี่
สมัครสมาชิก Click ที่นี่



Since 22, Feb 2001 hit counter View My Stats  Truehits.net      วันศุกร์,13 กุมภาพันธ์ 2569 (Online 3826 คน)