WeekendHobby.com
เครื่องมือในการใช้งาน website =>> สมัครสมาชิก | Login | Logout | เปลี่ยนไอคอนส่วนตัว | เกี่ยวกับเรา | ติดต่อโฆษณา         View stat by Truehits.net


เรียนถามอาจารย์วอน และพี่ๆคับ คือรถผมไปลุยน้ำท่วมมา แล้วมีปัญหามากมาย
kiddee
จาก kid
IP:1.47.8.250

จันทร์ที่ , 14/11/2554
เวลา : 07:24

อ่านแล้ว = ครั้ง
 เก็บเข้ากระทู้ส่วนตัว
แจ้งตรวจสอบกระทู้
 แจ้งลบ
ส่งหาเพื่อน ส่งหาเพื่อน

       ไปช่วยพี่น้องแถวบางกรวยมา ขนของ ทราย คน เสร็จสิ้นภาระกิจ(ที่ล้มเหลว เพราะท่วมไม่เหลือ)
ตอนนี้ผมไม่แน่ใจว่าน้ำจะเข้าลูกปืนล้อหลังได้หรือป่าวครับ แล้วโดยปกติทั่วๆไปเขาต้องเปลี่ยนจาระบี กันที่กี่กิโลคับ แต่สิ่งที่ำทำไปตามอาการแล้วก็มี
1 ลูกปืนพู่เล่คอมแอร์ดัง เปลี่ยนแล้ว250บาท
2 น้ำเข้าทางฟรีล็อค ถึงลูกปืนตัวนอก ถอดเปลี่ยนจาระบีแล้ว
3 น้ำเข้าเฟืองท้าย ผมก็ถ่ายล้าง ดูดออกจนแห้ง แล้วก็เติมน้ำมันเข้าไปใหม่แล้ว ข้อนี้มาเอะใจเอาตอนได้ยินเฟืองท้ายมันเริ่มมีเสียงหอนนิดๆ

แต่เรื่องจาระบีล้อหลังผมยังไม่กล้าถอดดู ยังไม่มีใครเป็นครูให้ อ้อเป็นสตาด้าคับ

ขอบคุณครับ



 แสดงความคิดเห็นย่อย แสดงความคิดเห็นย่อย

แจ้งเพื่อเก็บขึ้นกระทู้พิเศษ คลิ๊กที่นี่แจ้งเพื่อนำขึ้นกระทู้พิเศษ

คำตอบแบ่งหน้าละ 30 คำตอบ ขณะนี้คุณอยู่ที่หน้า 1 จาก >>> 1  

คำตอบที่ 1
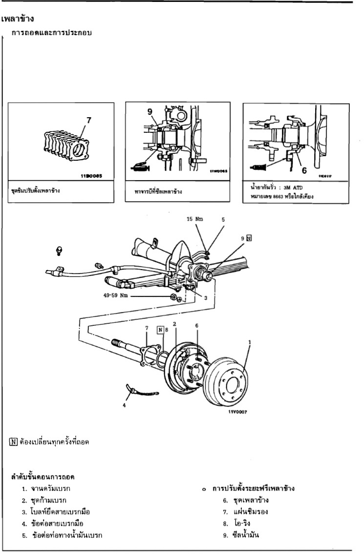
       รถบางคันล้อหลังอัดจารบีไม่ได้ครับ เพราะเป็นลูกปืนตลับแบบซีล
เช่นรถผมเอง Toyota Tiger 4WD

ส่วนสตราด้า 4WD ผมไม่มีข้อมูล ม๊แต่ 2WD






 แสดงความคิดเห็นย่อย แสดงความคิดเห็นย่อย

somsaks จาก หนุ่มกระโทก 1.46.127.114 จันทร์, 14/11/2554 เวลา : 10:18  IP : 1.46.127.114   

edit แก้ไขคำตอบ   delete ลบคำตอบ 54644

คำตอบที่ 2
      





 แสดงความคิดเห็นย่อย แสดงความคิดเห็นย่อย

somsaks จาก หนุ่มกระโทก 1.46.127.114 จันทร์, 14/11/2554 เวลา : 10:19  IP : 1.46.127.114   

edit แก้ไขคำตอบ   delete ลบคำตอบ 54645

คำตอบที่ 3
      





 แสดงความคิดเห็นย่อย แสดงความคิดเห็นย่อย

somsaks จาก หนุ่มกระโทก 1.46.127.114 จันทร์, 14/11/2554 เวลา : 10:20  IP : 1.46.127.114   

edit แก้ไขคำตอบ   delete ลบคำตอบ 54646

คำตอบที่ 4
      





 แสดงความคิดเห็นย่อย แสดงความคิดเห็นย่อย

somsaks จาก หนุ่มกระโทก 1.46.127.114 จันทร์, 14/11/2554 เวลา : 10:21  IP : 1.46.127.114   

edit แก้ไขคำตอบ   delete ลบคำตอบ 54647

คำตอบที่ 5
      





 แสดงความคิดเห็นย่อย แสดงความคิดเห็นย่อย

somsaks จาก หนุ่มกระโทก 1.46.127.114 จันทร์, 14/11/2554 เวลา : 10:22  IP : 1.46.127.114   

edit แก้ไขคำตอบ   delete ลบคำตอบ 54648

คำตอบที่ 6
       ขอบคุณ คุณหนุ่มกระโทก ครับ ดูแล้วก็ยากพอควร แต่ที่สำคัญ คงต้องเตรียมพวกซีลโอริงไว้ก่อน

แล้วไปลุยน้ำแบบนี้ พอจะมีแวว ว่าน้ำเข้าไปในลูกปืนได้ไหมครับ

ทำไมที่ล้อเขาไม่ทำที่อัดจารบีเหมือนกับที่ยอยเพลาหรือลูกหมาก มันจะได้ง่ายๆ



ลูกปืนล้อหลัง ไทเกอร์ ใช้ลูกปืน กลมแบบมีฝาปิด จะใส่จารบีมาจากผู้ผลิตลูกปืนแล้ว จึงอัดจารบีไม่ได้คร
จาก : เกียแดง & ซุปเปอร์เอมี(somdej) 18/11/2554 15:28:11 [171.4.184.206]
 แสดงความคิดเห็นย่อย แสดงความคิดเห็นย่อย

kiddee จาก kid 115.67.245.214 อังคาร, 15/11/2554 เวลา : 07:12  IP : 115.67.245.214   

edit แก้ไขคำตอบ   delete ลบคำตอบ 54650

      

คำตอบแบ่งหน้าละ 30 คำตอบ ขณะนี้คุณอยู่ที่หน้า 1 จาก >>> 1  



website รองรับการใช้งานทุกระบบปฏิบัติการของ PC Tablet SmartPhone ทุกระบบสามารถโพสข้อความและรูปภาพได้โดยไม่ต้องย่อไฟล์
เพื่อความปลอดภัยในการใช้ website WeekendHobby.Com สมาชิก เท่านั้น จึงจะตั้งกระทู้ หรือ ตอบกระทู้ได้ครับ
Login Click ที่นี่
สมัครสมาชิก Click ที่นี่



Since 22, Feb 2001 hit counter View My Stats  Truehits.net      วันพฤหัสบดี,11 ธันวาคม 2568 (Online 6024 คน)