WeekendHobby.com
เครื่องมือในการใช้งาน website =>> สมัครสมาชิก | Login | Logout | เปลี่ยนไอคอนส่วนตัว | เกี่ยวกับเรา | ติดต่อโฆษณา         View stat by Truehits.net


ถึงคุณปาฝึกหัด ( วิชาการชั้นสูง) เรื่องพลังงานจากท่อไอเสียที่มาทำเป็นแกส
somsaks
จาก หนุ่มกระโทก
IP:115.87.201.182

จันทร์ที่ , 9/5/2554
เวลา : 22:35

อ่านแล้ว = ครั้ง
 เก็บเข้ากระทู้ส่วนตัว
แจ้งตรวจสอบกระทู้
 แจ้งลบ
ส่งหาเพื่อน ส่งหาเพื่อน

       ผมมีไอ้อุปกรณ์ยี่ห้อหนึ่ง ที่ประกาศว่าเอาไอเสียมากลับมาใช้ใหม่ได้

บอกใบ้ให้ว่า ภาษาอังกฤษที่ขึ้นต้นด้วยตัว F

เพราะพี่ชายผมเองไปหลงคารมคนขาย ซื้อมาใช้ 1 ชุด แล้วรู้ว่าโดนต้มเสียสุก

พี่ผมรวยเงินแค่หมื่นกว่าบาท ขนหน้าแข้งไม่ร่วงดอก แต่น้องชายเจ็บใจแทน

เพราะอุตส่าห์ร่ำเรียนมาตั้งหลายปี ให้คำปรึกษามาหลายสิบโรงงาน
เข้าไปใน โรงงาน ใคร ๆ ก็เรียกว่า อาจาน ๆ

ขึ้นทะเบียนเป็นผู้เชี่ยวชาญของทั้ง พพ , กรมโรงงาน , สภาอุตสาหกรรม
แต่ทำอะไรกับเรื่องพวกนี้ไม่ได้

เจ็บใจที่เมืองไทยไม่มีหน่วยงานที่ตรวจสอบเรื่องพวกนี้

อยากให้เอาไปทดสอบที่ Lab ปตท จัง ว่ามันจะประหยัดได้ตามที่โอ้อวดหรือไม่

ถ้าไม่สะดวกที่เว็บ ติดต่อหลังไมค์ได้ครับ



อยากเห็นใส่ในจะจะ โปรดติดตามในกระทู้นี้ครับ
"เรามาดูของขวัญปีใหม่สำหรับชาวโลก"
http://www.weekendhobby.com/offroad/newenergy/Question.asp?ID=1994



 แสดงความคิดเห็นย่อย แสดงความคิดเห็นย่อย

แจ้งเพื่อเก็บขึ้นกระทู้พิเศษ คลิ๊กที่นี่แจ้งเพื่อนำขึ้นกระทู้พิเศษ

คำตอบแบ่งหน้าละ 30 คำตอบ ขณะนี้คุณอยู่ที่หน้า 1 จาก >>> 1  2  3  

คำตอบที่ 1
       อยู่ดี ๆ ก็โดนหม้อเป็ดตุ๋น ตุ๋นซะเปื่อย

ผมแฟนผีแท้ ๆ ไหงพี่ชาย กลับกลายต้องมากลายเป็นเป็ดแดงโดนตุ๋น



เเชมป์ก็ได้ได้ไปเเล้ว ทำไมต้องพาดพิงเป็ดตุ๋นครับท่าน
จาก : kupree(kupree) 9/5/2554 22:45:14 [125.26.69.65]
 แสดงความคิดเห็นย่อย แสดงความคิดเห็นย่อย

somsaks จาก หนุ่มกระโทก 115.87.201.182 จันทร์, 9/5/2554 เวลา : 22:43  IP : 115.87.201.182   

edit แก้ไขคำตอบ   delete ลบคำตอบ 53776

คำตอบที่ 2
       กลิ่นเป็นตุ๋นโชยมาอีกแล้ว

ข้างบ้านผมเล่นมาตั้งแต่ ยาเม็ดใส่ถังน้ำมัน รถใช้น้ำ และกำลังเล่นตัวใหม่ จากเดิมขับปิคอัพเก่าตอนนี้อัพเกรดเป็น รถยุโรปมือสองไปแล้ว

ตอนแรกก็ติดป้ายหลังกระจกหราว่ารถคันนี้ใช้น้ำ ตอนนี้ตลาดมันวายเลยเปลี่ยนเป็นรถคันนี้ใช้หม้อเป็ดตุ๋น

สงสัยงานนี้จะมีคนโง่เกิดใหม่อีกหลายราย



 แสดงความคิดเห็นย่อย แสดงความคิดเห็นย่อย

baron จาก von Richthofen 101.108.73.233 จันทร์, 9/5/2554 เวลา : 22:50  IP : 101.108.73.233   

edit แก้ไขคำตอบ   delete ลบคำตอบ 53777

คำตอบที่ 3
       อยากเห็นอุปกรณ์ที่ทำให้คุณหนุ่มกระโทกเจ็บใจจัง

หากใช้ได้ผลจะซื้อติดรถในบริษัททุกคันเลย



 แสดงความคิดเห็นย่อย แสดงความคิดเห็นย่อย

kupree จาก kupree 125.26.69.65 จันทร์, 9/5/2554 เวลา : 22:53  IP : 125.26.69.65   

edit แก้ไขคำตอบ   delete ลบคำตอบ 53778

คำตอบที่ 4
       พี่ผมไปดูไอ้เครื่องปั่นไฟที่มันคุยนักคุยหนาว่าไม่ต้องใช้น้ำมัน

พอผม อธิบายให้ว่า

มันอาศัยความร้อนจากไอเสียบางส่วน ไปทำให้สารไฮโดรคาร์บอนที่อยู่ในน้ำ คือมันลอยเหนือน้ำอยู่แล้ว
(ระเหยออกมาเป็นไอ) ไอเสียบางส่วนก็โดนน้ำดักเอาไว้ด้วย

ไอของสารไฮโดรคาร์บอนนี้ จะถูกอุ่นให้มีความร้อนสูงขึ้นด้วยหลักการ Counter Flow ผ่าน Tube
แล้วไปผสมกับอากาศ โดยปรับวาล์วอากาศด้านซ้าย ( Air Mixture Valve )

ไอ้เครื่องปั่นไฟที่บอกว่าถอดถังน้ำมันออกมาน่ะ ไม่ได้มีอะไร เพราะน้ำมันมันโดนเติมลงไปในถังน้ำครับ

ถึงกะเอามือตบหัวเข่าแล้วร้องว่า ป๊าดโธ่ ! เสียทีจริง ๆ อุตส่าห์มีน้องชายเป็นถึงอาจาน



 แสดงความคิดเห็นย่อย แสดงความคิดเห็นย่อย

somsaks จาก หนุ่มกระโทก 115.87.201.182 จันทร์, 9/5/2554 เวลา : 22:55  IP : 115.87.201.182   

edit แก้ไขคำตอบ   delete ลบคำตอบ 53779

คำตอบที่ 5
       ไส้ในของไอ้เครื่องปั่นไฟที่ว่ามันเป็นแบบนี้ครับ


ไม่ได้มีอะไรพิเศษเลย

ทำเองก็ได้

เจ้าตำรับบอกว่าสำหรับเครื่องยนต์ที่ < 20 แรงม้า








 แสดงความคิดเห็นย่อย แสดงความคิดเห็นย่อย

somsaks จาก หนุ่มกระโทก 115.87.201.182 จันทร์, 9/5/2554 เวลา : 22:58  IP : 115.87.201.182   

edit แก้ไขคำตอบ   delete ลบคำตอบ 53780

คำตอบที่ 6
       ผมไม่รู้เรื่องครับคุณหนุ่มกระโทก

เเค่อยากรู้ว่าเสียเงินเเล้ว " ใช้ได้จริงมั้ย ?"



 แสดงความคิดเห็นย่อย แสดงความคิดเห็นย่อย

kupree จาก kupree 125.26.69.65 จันทร์, 9/5/2554 เวลา : 23:03  IP : 125.26.69.65   

edit แก้ไขคำตอบ   delete ลบคำตอบ 53781

คำตอบที่ 7
       นี่ไงครับ เครื่องต้นฉบับ เป็นเครื่องตัดหญ้า ไม่ต้องมีถังน้ำมัน


แต่ใช้แกลลอนน้ำมันเครื่องเติมน้ำ แล้ว ผสมไฮโดรคาร์บอนที่ระเหยง่ายลงไปผสม





 แสดงความคิดเห็นย่อย แสดงความคิดเห็นย่อย

somsaks จาก หนุ่มกระโทก 115.87.201.182 จันทร์, 9/5/2554 เวลา : 23:13  IP : 115.87.201.182   

edit แก้ไขคำตอบ   delete ลบคำตอบ 53782

คำตอบที่ 8
      





 แสดงความคิดเห็นย่อย แสดงความคิดเห็นย่อย

somsaks จาก หนุ่มกระโทก 115.87.201.182 จันทร์, 9/5/2554 เวลา : 23:15  IP : 115.87.201.182   

edit แก้ไขคำตอบ   delete ลบคำตอบ 53783

คำตอบที่ 9
      





 แสดงความคิดเห็นย่อย แสดงความคิดเห็นย่อย

somsaks จาก หนุ่มกระโทก 115.87.201.182 จันทร์, 9/5/2554 เวลา : 23:16  IP : 115.87.201.182   

edit แก้ไขคำตอบ   delete ลบคำตอบ 53784

คำตอบที่ 10
       "ผมไม่รู้เรื่องครับคุณหนุ่มกระโทก

เเค่อยากรู้ว่าเสียเงินเเล้ว " ใช้ได้จริงมั้ย ?" "

อยากเป็นแฟนเป็ดแดง ไหมครับ ?? ถ้าอยากเป็นก็ซื้อชุดเป็ดตุ๋นมาลองดู



 แสดงความคิดเห็นย่อย แสดงความคิดเห็นย่อย

somsaks จาก หนุ่มกระโทก 115.87.201.182 จันทร์, 9/5/2554 เวลา : 23:18  IP : 115.87.201.182   

edit แก้ไขคำตอบ   delete ลบคำตอบ 53785

คำตอบที่ 11
      





 แสดงความคิดเห็นย่อย แสดงความคิดเห็นย่อย

somsaks จาก หนุ่มกระโทก 115.87.201.182 จันทร์, 9/5/2554 เวลา : 23:21  IP : 115.87.201.182   

edit แก้ไขคำตอบ   delete ลบคำตอบ 53786

คำตอบที่ 12
      





 แสดงความคิดเห็นย่อย แสดงความคิดเห็นย่อย

somsaks จาก หนุ่มกระโทก 115.87.201.182 จันทร์, 9/5/2554 เวลา : 23:25  IP : 115.87.201.182   

edit แก้ไขคำตอบ   delete ลบคำตอบ 53787

คำตอบที่ 13
      





 แสดงความคิดเห็นย่อย แสดงความคิดเห็นย่อย

somsaks จาก หนุ่มกระโทก 115.87.201.182 จันทร์, 9/5/2554 เวลา : 23:27  IP : 115.87.201.182   

edit แก้ไขคำตอบ   delete ลบคำตอบ 53788

คำตอบที่ 14
      





 แสดงความคิดเห็นย่อย แสดงความคิดเห็นย่อย

somsaks จาก หนุ่มกระโทก 115.87.201.182 จันทร์, 9/5/2554 เวลา : 23:45  IP : 115.87.201.182   

edit แก้ไขคำตอบ   delete ลบคำตอบ 53789

คำตอบที่ 15
       สำหรับรถใหญ่ เดี๋ยวว่าง ๆ จะเอาแบบมาลงให้ดู

ขอทำรายงานก่อนครับ



 แสดงความคิดเห็นย่อย แสดงความคิดเห็นย่อย

somsaks จาก หนุ่มกระโทก 115.87.201.182 จันทร์, 9/5/2554 เวลา : 23:48  IP : 115.87.201.182   

edit แก้ไขคำตอบ   delete ลบคำตอบ 53790

คำตอบที่ 16
       มีใครอยากลองมั๊ยครับ ตอนแรกว่าจะลองรถตัวเอง แต่ตอนนี้ ขอบายแล้วนะครับ ไม่กล้าเสี่ยงจริงๆ



เห็นกระทู้ก่อนหน้านี้ พีหนุ่มกระโทกบอกไว้ว่า ถ้าเอาใส่เครื่องดีเซลต้องมีบางอย่างอีก
จาก : power2002(power2002) 10/5/2554 10:50:04 [124.122.146.19]
ซึ่งชุดที่จะถอดมาลองกับรถผม(5L) นั้นเป็นชุดที่ติดตั้งกับเบนซิล
จาก : power2002(power2002) 10/5/2554 10:50:50 [124.122.146.19]
 แสดงความคิดเห็นย่อย แสดงความคิดเห็นย่อย

power2002 จาก power2002 124.122.146.19 อังคาร, 10/5/2554 เวลา : 10:44  IP : 124.122.146.19   

edit แก้ไขคำตอบ   delete ลบคำตอบ 53792

คำตอบที่ 17
      
จะแจ้งมากครับพี่หนุ่ม.....
รอตามดูคัรบ ...



 แสดงความคิดเห็นย่อย แสดงความคิดเห็นย่อย

kz wanzer จาก KZ Wanzer 182.52.220.99 อังคาร, 10/5/2554 เวลา : 15:51  IP : 182.52.220.99   

edit แก้ไขคำตอบ   delete ลบคำตอบ 53795

คำตอบที่ 18
       ถามอีกนิดนะครับ

ช่างที่ บ.ฯ ผม เอารถไปให้ ร้านที่ติดตั้งให้ช่วยดู และเช็คให้ ที่ร้านบอกว่า ชุดที่ติดตั้งนี้เป็นชุดที่สามารถติดตั้งกับเครื่องดีเซลได้เลย
แต่เห็นพี่หนุ่มกระโทกแจ้งไว้ว่า ถ้าเป็นดีเซล จะต้องมีอุปกรณ์อะไรอีกนิดหน่อย ผมจึงสงสัยครับ ... อยากเอามาลองกับรถตัวเอง ให้มันแจ่มแจ้ง
กันไปเลยจริงๆ ครับ จะได้ไม่ต้องยุ่งเกี่ยว กับบ.ฯ ผม ด้วยครับ

ถ้าต้องการรูปถ่ายอุปกรณ์ที่ติดตั้ง จะถ่ายรูปมาให้ครับ แต่คงไม่ลงในนี้นะครับ



 แสดงความคิดเห็นย่อย แสดงความคิดเห็นย่อย

power2002 จาก power2002 124.122.146.111 พุธ, 11/5/2554 เวลา : 10:48  IP : 124.122.146.111   

edit แก้ไขคำตอบ   delete ลบคำตอบ 53800

คำตอบที่ 19
       คือของเขาอาจจะเป็นแบบนั้น

แต่ของฝรั่งเขาทำต่างกันนิดหน่อยครับ อยากลองก็ทำได้เลยครับ



ขอบคุณครับ .. รอถอดมาก่อนจะลองให้ครับอาจต้องขอปรึกษาในนี้อีกนะครับ
จาก : power2002(power2002) 11/5/2554 11:57:41 [124.122.146.111]
อยากลองทำเองใส่รถผมดูเหมือนกัน แต่ไม่มีความรู้เรื่องเครื่องยนต์มากนัก อิอิอิ
จาก : motex(motex) 13/5/2554 15:13:46 [183.88.60.12]
 แสดงความคิดเห็นย่อย แสดงความคิดเห็นย่อย

somsaks จาก หนุ่มกระโทก 58.8.112.156 พุธ, 11/5/2554 เวลา : 10:51  IP : 58.8.112.156   

edit แก้ไขคำตอบ   delete ลบคำตอบ 53801

คำตอบที่ 20
      



 แสดงความคิดเห็นย่อย แสดงความคิดเห็นย่อย

Rin จาก Rin 202.12.118.61 พฤหัสบดี, 12/5/2554 เวลา : 18:24  IP : 202.12.118.61   

edit แก้ไขคำตอบ   delete ลบคำตอบ 53809

คำตอบที่ 21
       อย่าลองเลยครับ เสียเวลา ผมลองแล้ว กับเครื่องยนต์ 2.7 เบนซิน

ไม่ได้เห็นความประหยัดครับ ฟันธง!



 แสดงความคิดเห็นย่อย แสดงความคิดเห็นย่อย

power2002 จาก power2002 110.168.64.193 พุธ, 18/5/2554 เวลา : 09:54  IP : 110.168.64.193   

edit แก้ไขคำตอบ   delete ลบคำตอบ 53823

คำตอบที่ 22
       แล้วตารางนี้มันออกมาได้ยังไงหว่า ??

ผมไม่ได้ทำเองนะ เจ้าของเขาเคลมมาแบบนี้





 แสดงความคิดเห็นย่อย แสดงความคิดเห็นย่อย

somsaks จาก หนุ่มกระโทก 1.47.24.153 พุธ, 18/5/2554 เวลา : 11:09  IP : 1.47.24.153   

edit แก้ไขคำตอบ   delete ลบคำตอบ 53824

คำตอบที่ 23
       ใครจะลองทำดูบ้าง ??







 แสดงความคิดเห็นย่อย แสดงความคิดเห็นย่อย

somsaks จาก หนุ่มกระโทก 1.47.24.153 พุธ, 18/5/2554 เวลา : 14:46  IP : 1.47.24.153   

edit แก้ไขคำตอบ   delete ลบคำตอบ 53825

คำตอบที่ 24
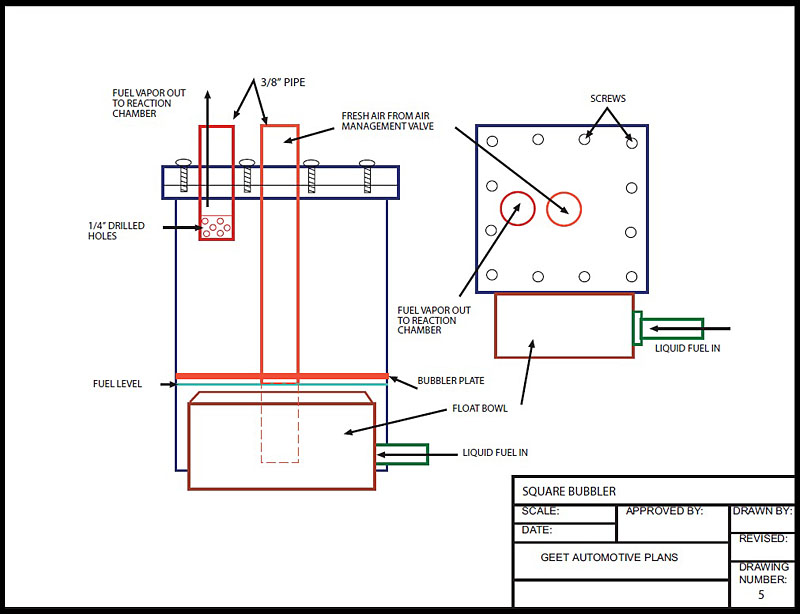
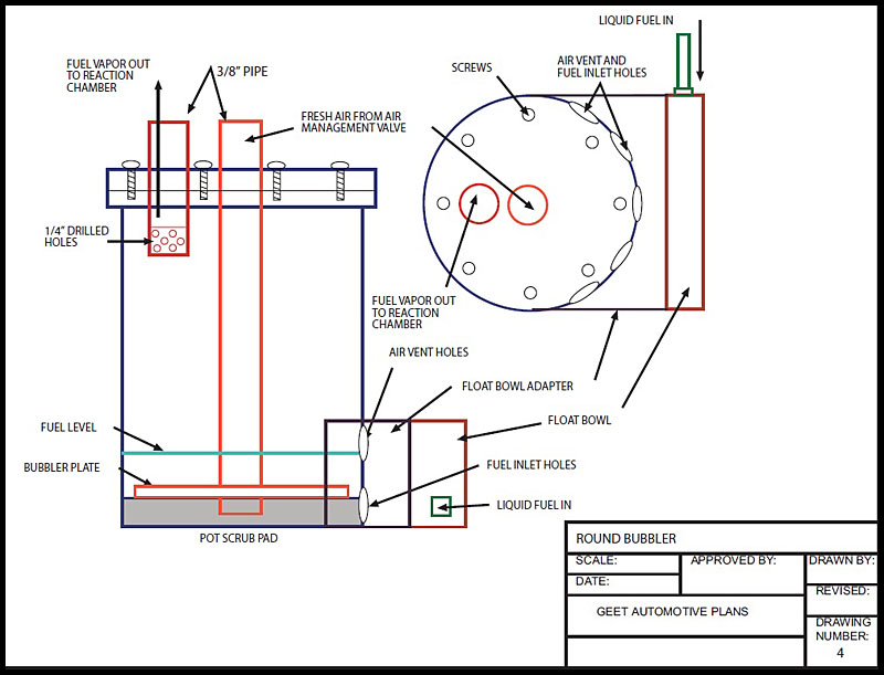
       ดูรูปแรกอาจจะงง ว่า Reactor ข้างในมันเป็นยังไง

ไม่มีอะไรในกอไผ่ครับ คนที่เรียน Heat Transfer เห้นแล้วร้องอ๋อ เลย

มันเป็นการเพิ่มอุณหภูมิให้แก่ไอเชื้อเพลิง โดยการแลกเปลี่ยนความร้อนแบบ CountFlow





 แสดงความคิดเห็นย่อย แสดงความคิดเห็นย่อย

somsaks จาก หนุ่มกระโทก 1.47.24.153 พุธ, 18/5/2554 เวลา : 14:50  IP : 1.47.24.153   

edit แก้ไขคำตอบ   delete ลบคำตอบ 53826

คำตอบที่ 25
       ขยายความรูปที่แล้วอีกที

ลองเข้าไปดูในเว็ปเขาแล้วมาเปรียบเทียบกับรูปที่ผมโพสต์

ดูซิว่ามีอะไรแตกต่าง มันก็แค่วาดให้ดูซับซ้อนเท่านั้นแหละ จะตุ๋นเป็ดทั้งทีมันต้องให้เป็ด งง เสียก่อน





ก้าบ ก้าบ ก้าบ ก้าบ ก้าบ ...... 5 5 5 (เตรียมเป็นเป็ด เอิ้กๆ ....)
จาก : kz wanzer(kz wanzer) 19/5/2554 8:27:55 [182.52.221.222]
 แสดงความคิดเห็นย่อย แสดงความคิดเห็นย่อย

somsaks จาก หนุ่มกระโทก 1.47.24.153 พุธ, 18/5/2554 เวลา : 14:53  IP : 1.47.24.153   

edit แก้ไขคำตอบ   delete ลบคำตอบ 53827

คำตอบที่ 26
       ลองมาดูในหม้อตุ๋นเป็ดซะหน่อยว่า ภายในหม้อตุ๋นมันเป็นยังไง

เหล่าบรรดาเป็ดทั้งหลาย พอเห็นรูปว่าดนี้แล้ว ต่างพากัน ร้อง ก๊าบ ๆ ๆ ๆ กันเซ็งแซ่








จาก : mohock03(mohock03) 12/6/2554 17:00:58 [223.205.67.185]
เสียดายที่ไม่รู้ภาษาอังกฤษ ช่วยเขียนแบบแปลเป็นไทยจะเป็นพระคุณยิ่งครับ
จาก : mohock03(mohock03) 12/6/2554 17:03:18 [223.205.67.185]
 แสดงความคิดเห็นย่อย แสดงความคิดเห็นย่อย

somsaks จาก หนุ่มกระโทก 1.47.24.153 พุธ, 18/5/2554 เวลา : 14:57  IP : 1.47.24.153   

edit แก้ไขคำตอบ   delete ลบคำตอบ 53828

คำตอบที่ 27
       หม้อตุ๋นจะเป็นสี่เหลี่ยม หรือจะเป็นทรงกระบอก

มันก็ตุ๋นเป็ดได้เหมือนกัน หรือใครจะเถียงผม ??







สงสัยว่าน้ำยาเคมีคืออะไรเป็นน้ำมันหรือครับเค้าบอกว่าใช้เร่งปฏิกิริยาโดยผสมน้ำ 5 ส่วนน้ำยาเคมี 1 ส่วน
จาก : spranger(spranger) 21/5/2554 18:20:04 [136.1.1.105]
 แสดงความคิดเห็นย่อย แสดงความคิดเห็นย่อย

somsaks จาก หนุ่มกระโทก 1.47.24.153 พุธ, 18/5/2554 เวลา : 15:00  IP : 1.47.24.153   

edit แก้ไขคำตอบ   delete ลบคำตอบ 53829

คำตอบที่ 28
       ใส่วาล์วเพื่อปรับแต่ง ใส่ลูกเล่น โน่นนิด นี่หน่อย เพื่อให้เหล่าบรรดาเป็ด งง

คราวนี้แหละ ก๊าบ ๆ ๆ กันแบบเสียงประสาน







 แสดงความคิดเห็นย่อย แสดงความคิดเห็นย่อย

somsaks จาก หนุ่มกระโทก 1.47.24.153 พุธ, 18/5/2554 เวลา : 15:08  IP : 1.47.24.153   

edit แก้ไขคำตอบ   delete ลบคำตอบ 53830

คำตอบที่ 29
       อันนี้มีลูกเล่นเพิ่มเติม วาล์วเปิดมากน้อยได้ตามไอเสีย

หม้อเป็ดตุ๋นของไทย ใส่มาหรือเปล่าหว่า หม้อตุ๋นของไทย คงไม่ลงทุนด๊อก เด๋วขาดทุนกำไร

วันหลังผมไปโรงงานพี่ชายที่สุขสวัสดิ์

จะไปก้ม ๆ เงย ๆ ดูอีกที







 แสดงความคิดเห็นย่อย แสดงความคิดเห็นย่อย

somsaks จาก หนุ่มกระโทก 1.47.24.153 พุธ, 18/5/2554 เวลา : 15:16  IP : 1.47.24.153   

edit แก้ไขคำตอบ   delete ลบคำตอบ 53831

คำตอบที่ 30
       ถ้าเป็นเครื่องดีเซล ก็คงเห็นผลเรื่องความแรงขึ้นบ้างเพราะว่ามันมีไอน้ำมันเข้าไปผสม
เพื่อช่วยทำ Pilot Flame


แต่ไอ้เครื่องเบนซิน กับ เครื่องที่ใช้แกส ผมก็ยังนึกไม่ออกว่ามันจะประหยัด หรือแรงได้ยังไง
ยิ่งมาโอ้อวดว่าประหยัดได้ 50% รู้สึกว่ามันจะเกินไปซักหน่อย รถนต์ ไฮบริดจ์มันยังทำไม่ได้

ใครอยากทดลองทำหม้อเป็ดตุ๋นใช้เอง ก็ลองทำดูครับ

โอกาสต่อไปจะลงรูปจริงที่มีคนทดลองทำหม้อตุ๋นไว้ใช้เอง



 แสดงความคิดเห็นย่อย แสดงความคิดเห็นย่อย

somsaks จาก หนุ่มกระโทก 1.47.24.153 พุธ, 18/5/2554 เวลา : 15:36  IP : 1.47.24.153   

edit แก้ไขคำตอบ   delete ลบคำตอบ 53832

      

ยังมีคำตอบมากกว่านี้นะครับ คลิ๊กเพื่อดูหน้าถัดไป


คำตอบแบ่งหน้าละ 30 คำตอบ ขณะนี้คุณอยู่ที่หน้า 1 จาก >>> 1  2  3  



website รองรับการใช้งานทุกระบบปฏิบัติการของ PC Tablet SmartPhone ทุกระบบสามารถโพสข้อความและรูปภาพได้โดยไม่ต้องย่อไฟล์
เพื่อความปลอดภัยในการใช้ website WeekendHobby.Com สมาชิก เท่านั้น จึงจะตั้งกระทู้ หรือ ตอบกระทู้ได้ครับ
Login Click ที่นี่
สมัครสมาชิก Click ที่นี่



Since 22, Feb 2001 hit counter View My Stats  Truehits.net      วันพฤหัสบดี,11 ธันวาคม 2568 (Online 4372 คน)