WeekendHobby.com
เครื่องมือในการใช้งาน website =>> สมัครสมาชิก | Login | Logout | เปลี่ยนไอคอนส่วนตัว | เกี่ยวกับเรา | ติดต่อโฆษณา         View stat by Truehits.net


อยากได้ แอร์ ดิจิตอล ใส่รถ big mปี95 เอาของร่นไหนมาใส่ดีคับ

จาก รท
IP:203.113.70.11

พุธที่ , 23/11/2548
เวลา : 00:08

อ่านแล้ว = ครั้ง
 เก็บเข้ากระทู้ส่วนตัว
แจ้งตรวจสอบกระทู้
 แจ้งลบ
ส่งหาเพื่อน ส่งหาเพื่อน

       ผมอยากได้ แอร์ ดิจิตอล ใส่รถ big mปี95 เอาของร่นไหนมาใส่ดีคับ
คือ เห็นพวกคลับ มิตซู ใส่กันเยอะ เลยอยากทำบ้าง แล้ว นิสสันนี่ เอาของไรมาใส่ได้บ้าง หาของที่ไหนใครรู้บอกผมที




 แสดงความคิดเห็นย่อย แสดงความคิดเห็นย่อย

แจ้งเพื่อเก็บขึ้นกระทู้พิเศษ คลิ๊กที่นี่แจ้งเพื่อนำขึ้นกระทู้พิเศษ

คำตอบแบ่งหน้าละ 30 คำตอบ ขณะนี้คุณอยู่ที่หน้า 1 จาก >>> 1  

คำตอบที่ 1
       เคยเห็นใส่ของมิตซูครับแต่ต้องดัดแปลงเยอะเคยอ่านเจอในหนังสือแต่งรถแล้วอยู่ท่ ห้าพันครับ ใส่ในโตโยฮีโร่ ลองคุยกับช่างแอร์ดูครับ



 แสดงความคิดเห็นย่อย แสดงความคิดเห็นย่อย

จาก บจ 4779 203.154.48.14 อังคาร, 29/11/2548 เวลา : 16:55  IP : 203.154.48.14   

edit แก้ไขคำตอบ   delete ลบคำตอบ 8443

คำตอบที่ 2
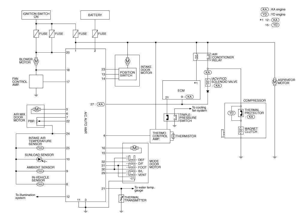
       ลองหาของ frontier D22 ดูครับไม่ทราบจะหาของได้ไหม ผมมีรูปกับวงจรให้ ถ้าจะทำคงต้องเปลี่ยนตู้แอร์ ชุดสายไฟ และ เซ็นเซอร์ต่าว





 แสดงความคิดเห็นย่อย แสดงความคิดเห็นย่อย

จาก ไชยวัฒน์ NFC171 203.146.104.32 พุธ, 30/11/2548 เวลา : 10:22  IP : 203.146.104.32   

edit แก้ไขคำตอบ   delete ลบคำตอบ 8466

คำตอบที่ 3
       รูปต่อ





 แสดงความคิดเห็นย่อย แสดงความคิดเห็นย่อย

จาก ไชยวัฒน์ NFC171 203.146.104.32 พุธ, 30/11/2548 เวลา : 10:23  IP : 203.146.104.32   

edit แก้ไขคำตอบ   delete ลบคำตอบ 8467

คำตอบที่ 4
       ผมมีรูปให้





 แสดงความคิดเห็นย่อย แสดงความคิดเห็นย่อย

จาก มารบูรพา 202.139.223.18 พุธ, 30/11/2548 เวลา : 15:14  IP : 202.139.223.18   

edit แก้ไขคำตอบ   delete ลบคำตอบ 8472

คำตอบที่ 5
       เย้ มีคนตอบให้แล้ว ขอบคุณมากๆคับ เดี๊ยวจะไปหาของแล้ว frontier D22 นี่ปีไหน รุ่นไหนครับ



 แสดงความคิดเห็นย่อย แสดงความคิดเห็นย่อย

จาก รท 202.149.102.254 พุธ, 30/11/2548 เวลา : 23:38  IP : 202.149.102.254   

edit แก้ไขคำตอบ   delete ลบคำตอบ 8475

      

คำตอบแบ่งหน้าละ 30 คำตอบ ขณะนี้คุณอยู่ที่หน้า 1 จาก >>> 1  



website รองรับการใช้งานทุกระบบปฏิบัติการของ PC Tablet SmartPhone ทุกระบบสามารถโพสข้อความและรูปภาพได้โดยไม่ต้องย่อไฟล์
เพื่อความปลอดภัยในการใช้ website WeekendHobby.Com สมาชิก เท่านั้น จึงจะตั้งกระทู้ หรือ ตอบกระทู้ได้ครับ
Login Click ที่นี่
สมัครสมาชิก Click ที่นี่



Since 22, Feb 2001 hit counter View My Stats  Truehits.net      วันอาทิตย์,7 ธันวาคม 2568 (Online 2604 คน)