WeekendHobby.com
เครื่องมือในการใช้งาน website =>> สมัครสมาชิก | Login | Logout | เปลี่ยนไอคอนส่วนตัว | เกี่ยวกับเรา | ติดต่อโฆษณา         View stat by Truehits.net


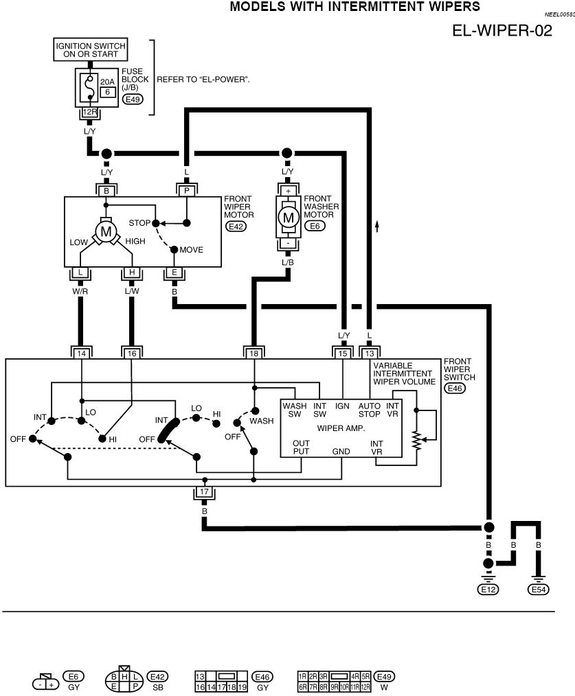
รบกวนขอวงจร เดินสาย สวิทซ์ปัดน้ำฝน ที่มีตัวหน่วง INT กับกล่องและที่ปัดน้ำฝน

จาก NFC158
IP:202.139.223.18

พฤหัสบดีที่ , 22/12/2548
เวลา : 20:31

อ่านแล้ว = ครั้ง
 เก็บเข้ากระทู้ส่วนตัว
แจ้งตรวจสอบกระทู้
 แจ้งลบ
ส่งหาเพื่อน ส่งหาเพื่อน

       พอดีชักเลี้ยวของ BIG M หน้าหัก เสีย ไปซื้ออะไหล่เก่าที่เซียงกง
ไม่มีรุ่นจอเหลี่ยม ไปได้รุ่น ของจอโค้งมา ทั้งอัน ทั้ง2ข้าง
ที่สวิทซ์ปัดน้ำฝน จามีตำแหน่ง INTสำหรับ ปัดเป็นจังหวะ แล้วที่ปลายสามารถ
ปรับเร็วช้าได้คล้ายๆ ดีมเมอร์ และได้กล่องมาด้วยแต่ไม่รู้จาเดินสายยังไง
ใครมีวงจร ช่วยโฟสให้ผมด้วยครับ






 แสดงความคิดเห็นย่อย แสดงความคิดเห็นย่อย

แจ้งเพื่อเก็บขึ้นกระทู้พิเศษ คลิ๊กที่นี่แจ้งเพื่อนำขึ้นกระทู้พิเศษ

คำตอบแบ่งหน้าละ 30 คำตอบ ขณะนี้คุณอยู่ที่หน้า 1 จาก >>> 1  

คำตอบที่ 1
      





 แสดงความคิดเห็นย่อย แสดงความคิดเห็นย่อย

จาก cht ,NFC171 203.146.104.32 ศุกร์, 23/12/2548 เวลา : 14:20  IP : 203.146.104.32   

edit แก้ไขคำตอบ   delete ลบคำตอบ 8902

คำตอบที่ 2
      





 แสดงความคิดเห็นย่อย แสดงความคิดเห็นย่อย

จาก cht ,NFC171 203.146.104.32 ศุกร์, 23/12/2548 เวลา : 14:21  IP : 203.146.104.32   

edit แก้ไขคำตอบ   delete ลบคำตอบ 8903

คำตอบที่ 3
       ผมไม่แน่ใจว่าจะตรงกับของคุณหรือเปล่า อันนี้เป็นของ Frontier ซึ่งดูแล้วไม่ต้องต่อกล่องเพราะตัวควบุมจังหวะการปัดมีอยู่ในสวิทช์แล้ว



 แสดงความคิดเห็นย่อย แสดงความคิดเห็นย่อย

จาก cht ,NFC171 202.44.210.43 ศุกร์, 23/12/2548 เวลา : 14:24  IP : 202.44.210.43   

edit แก้ไขคำตอบ   delete ลบคำตอบ 8904

คำตอบที่ 4
       FRONTIER ไม่มีระบบหน่วงเวลาครับ มีเฉพาะรุ่น D21 หน้าหักครับ



 แสดงความคิดเห็นย่อย แสดงความคิดเห็นย่อย

จาก ฤทธิ์ 58.147.100.49 ศุกร์, 23/12/2548 เวลา : 18:17  IP : 58.147.100.49   

edit แก้ไขคำตอบ   delete ลบคำตอบ 8907

คำตอบที่ 5
       ขอบคุณครับ ท่าน NFC171 ผมจา ลองต่อดูครับผลเปงยังไงจาโพลให้ทราบครับ



 แสดงความคิดเห็นย่อย แสดงความคิดเห็นย่อย

จาก NFC158 202.139.223.18 เสาร์, 24/12/2548 เวลา : 16:08  IP : 202.139.223.18   

edit แก้ไขคำตอบ   delete ลบคำตอบ 8927

      

คำตอบแบ่งหน้าละ 30 คำตอบ ขณะนี้คุณอยู่ที่หน้า 1 จาก >>> 1  



website รองรับการใช้งานทุกระบบปฏิบัติการของ PC Tablet SmartPhone ทุกระบบสามารถโพสข้อความและรูปภาพได้โดยไม่ต้องย่อไฟล์
เพื่อความปลอดภัยในการใช้ website WeekendHobby.Com สมาชิก เท่านั้น จึงจะตั้งกระทู้ หรือ ตอบกระทู้ได้ครับ
Login Click ที่นี่
สมัครสมาชิก Click ที่นี่



Since 22, Feb 2001 hit counter View My Stats  Truehits.net      วันจันทร์,8 ธันวาคม 2568 (Online 1897 คน)