WeekendHobby.com
เครื่องมือในการใช้งาน website =>> สมัครสมาชิก | Login | Logout | เปลี่ยนไอคอนส่วนตัว | เกี่ยวกับเรา | ติดต่อโฆษณา         View stat by Truehits.net


ใครมีข้อมูลติดตั้งถังลมอัตโนมัติบ้างครับ

จาก โอศรีราชา
IP:125.27.70.61

เสาร์ที่ , 3/5/2551
เวลา : 16:53

อ่านแล้ว = ครั้ง
 เก็บเข้ากระทู้ส่วนตัว
แจ้งตรวจสอบกระทู้
 แจ้งลบ
ส่งหาเพื่อน ส่งหาเพื่อน

       สําหรับรถเข้าป่า






 แสดงความคิดเห็นย่อย แสดงความคิดเห็นย่อย

แจ้งเพื่อเก็บขึ้นกระทู้พิเศษ คลิ๊กที่นี่แจ้งเพื่อนำขึ้นกระทู้พิเศษ

คำตอบแบ่งหน้าละ 30 คำตอบ ขณะนี้คุณอยู่ที่หน้า 1 จาก >>> 1  

คำตอบที่ 1
       ถ้าได้แบบวงจรยิ่งดีครับ





 แสดงความคิดเห็นย่อย แสดงความคิดเห็นย่อย

จาก โอสรีราชา 125.27.70.61 เสาร์, 3/5/2551 เวลา : 17:03  IP : 125.27.70.61   

edit แก้ไขคำตอบ   delete ลบคำตอบ 25269

คำตอบที่ 2
       ตอนนี้มีถังลมขนาด4X12นิ้ว 1 ใบ มีปั๊มลม 1 ลูก มีเพรสเชอร์สวิทย์ 1 อัน ขาดเพียงแต่ วงจรติดตั้ง และข้อมูล ( ใครพอจะรู้บ้างมีคนอีกหลายคนรอท่านอยู่ )



 แสดงความคิดเห็นย่อย แสดงความคิดเห็นย่อย

จาก โอศรีราชา 125.27.64.234 อาทิตย์, 4/5/2551 เวลา : 19:20  IP : 125.27.64.234   

edit แก้ไขคำตอบ   delete ลบคำตอบ 25281

คำตอบที่ 3
       คุณโออยู่บริเวณไหนครับ ถ้าอยู่ใกล้ ๆ จะให้ดูของจริงหรืออาจช่วยทำให้ก็ได้ แบบและรายละเอียดของวงจร รอหน่อยครับ ตอนนี้ขอเคลียร์งานก่อน



 แสดงความคิดเห็นย่อย แสดงความคิดเห็นย่อย

จาก ดำ TERRANO NFC 027 125.24.32.89 อาทิตย์, 4/5/2551 เวลา : 19:39  IP : 125.24.32.89   

edit แก้ไขคำตอบ   delete ลบคำตอบ 25282

คำตอบที่ 4
       สมาชิกใจดีท่านterrano nfc ขอบคุณร่วงหน้าและขอคุณแทนเพื่อนๆที่ต้องการขอมูลนี้



 แสดงความคิดเห็นย่อย แสดงความคิดเห็นย่อย

จาก โอศรีราชา 125.27.28.203 จันทร์, 5/5/2551 เวลา : 15:38  IP : 125.27.28.203   

edit แก้ไขคำตอบ   delete ลบคำตอบ 25290

คำตอบที่ 5
       ท่าน terrano nfc ผมอยู่บ่อวิน อ . ศรีราชาคร๊าบ



 แสดงความคิดเห็นย่อย แสดงความคิดเห็นย่อย

จาก โอศรีราชา 125.27.28.203 จันทร์, 5/5/2551 เวลา : 15:41  IP : 125.27.28.203   

edit แก้ไขคำตอบ   delete ลบคำตอบ 25291

คำตอบที่ 6
       โชว์แก้ม





 แสดงความคิดเห็นย่อย แสดงความคิดเห็นย่อย

จาก โอสรีราชา 125.27.28.203 จันทร์, 5/5/2551 เวลา : 15:47  IP : 125.27.28.203   

edit แก้ไขคำตอบ   delete ลบคำตอบ 25292

คำตอบที่ 7
       คุณดำ TERRANO มีน้ำใจมาก ๆ ขอชื่นชมครับ



 แสดงความคิดเห็นย่อย แสดงความคิดเห็นย่อย

จาก TD 25 4x4 124.120.104.78 จันทร์, 5/5/2551 เวลา : 18:23  IP : 124.120.104.78   

edit แก้ไขคำตอบ   delete ลบคำตอบ 25293

คำตอบที่ 8
       คุณโอ ขอเบอร์โทรได้ไหมครับ



 แสดงความคิดเห็นย่อย แสดงความคิดเห็นย่อย

จาก ดำ TERRANO NFC 027 125.24.23.18 อังคาร, 6/5/2551 เวลา : 07:02  IP : 125.24.23.18   

edit แก้ไขคำตอบ   delete ลบคำตอบ 25306

คำตอบที่ 9
       ได้เลย 081-6546840





 แสดงความคิดเห็นย่อย แสดงความคิดเห็นย่อย

จาก โอสรีราชา 125.27.71.194 พุธ, 7/5/2551 เวลา : 07:26  IP : 125.27.71.194   

edit แก้ไขคำตอบ   delete ลบคำตอบ 25342

คำตอบที่ 10
       รถคุณ โอสรีราชา สวยครับบ แต่งดุดันดี ไม่ทราบพอมีภาพแร็คหลังคาชัด ๆ มะครับ อยากดูตรงจุดที่ยึดกะหลังคารถน่ะครับ ว่ายึดแบบไหน ..



 แสดงความคิดเห็นย่อย แสดงความคิดเห็นย่อย

เหม่ง NFC 196 จาก เหม่ง 124.120.243.103 พุธ, 7/5/2551 เวลา : 09:14  IP : 124.120.243.103   

edit แก้ไขคำตอบ   delete ลบคำตอบ 25346

คำตอบที่ 11
       คุณดํา terrano ขอวงจรให้เพื่อนสมาชิกด้วยคร๊าบ



 แสดงความคิดเห็นย่อย แสดงความคิดเห็นย่อย

จาก โอศรีราชา 125.27.17.133 จันทร์, 12/5/2551 เวลา : 19:21  IP : 125.27.17.133   

edit แก้ไขคำตอบ   delete ลบคำตอบ 25381

คำตอบที่ 12
       ท่านเหม่ง รอนิดนึง



 แสดงความคิดเห็นย่อย แสดงความคิดเห็นย่อย

จาก โอศรีราชา 125.27.17.133 จันทร์, 12/5/2551 เวลา : 19:23  IP : 125.27.17.133   

edit แก้ไขคำตอบ   delete ลบคำตอบ 25382

คำตอบที่ 13
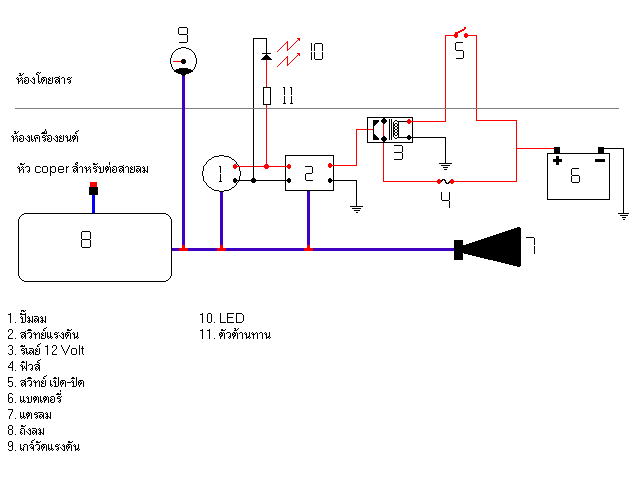
       วงจรและรูปจากเพื่อนสมาชิก Weekendhobby ที่เคย Post ไว้ครับ





 แสดงความคิดเห็นย่อย แสดงความคิดเห็นย่อย

miecw จาก NFC171 58.9.60.192 จันทร์, 19/5/2551 เวลา : 19:02  IP : 58.9.60.192   

edit แก้ไขคำตอบ   delete ลบคำตอบ 25515

คำตอบที่ 14
      



 แสดงความคิดเห็นย่อย แสดงความคิดเห็นย่อย

miecw จาก NFC171 58.9.60.192 จันทร์, 19/5/2551 เวลา : 19:03  IP : 58.9.60.192   

edit แก้ไขคำตอบ   delete ลบคำตอบ 25516

คำตอบที่ 15
       รูป





 แสดงความคิดเห็นย่อย แสดงความคิดเห็นย่อย

miecw จาก NFC171 58.9.60.192 จันทร์, 19/5/2551 เวลา : 19:03  IP : 58.9.60.192   

edit แก้ไขคำตอบ   delete ลบคำตอบ 25517

คำตอบที่ 16
      





 แสดงความคิดเห็นย่อย แสดงความคิดเห็นย่อย

miecw จาก NFC171 58.9.60.192 จันทร์, 19/5/2551 เวลา : 19:04  IP : 58.9.60.192   

edit แก้ไขคำตอบ   delete ลบคำตอบ 25518

คำตอบที่ 17
      





 แสดงความคิดเห็นย่อย แสดงความคิดเห็นย่อย

miecw จาก NFC171 58.9.60.192 จันทร์, 19/5/2551 เวลา : 19:05  IP : 58.9.60.192   

edit แก้ไขคำตอบ   delete ลบคำตอบ 25519

คำตอบที่ 18
      





 แสดงความคิดเห็นย่อย แสดงความคิดเห็นย่อย

miecw จาก NFC171 58.9.60.192 จันทร์, 19/5/2551 เวลา : 19:06  IP : 58.9.60.192   

edit แก้ไขคำตอบ   delete ลบคำตอบ 25520

คำตอบที่ 19
       พอดีกำลังจะทำอยู่เหมือนกันครับ เลยรวบรวมข้อมูลมาจาก Webboard (ต้องขออภัยและขออนุญาติเจ้าของข้อมูลและรูปด้วยนะครับ) ตอนนี้กำลังหาอุปกรณ์และเวลาว่างอยู่ รูปข่างล่างของที่ขายอยู่ใน Ebay ครับ





 แสดงความคิดเห็นย่อย แสดงความคิดเห็นย่อย

miecw จาก NFC171 58.9.60.192 จันทร์, 19/5/2551 เวลา : 19:14  IP : 58.9.60.192   

edit แก้ไขคำตอบ   delete ลบคำตอบ 25521

คำตอบที่ 20
      





 แสดงความคิดเห็นย่อย แสดงความคิดเห็นย่อย

miecw จาก NFC171 58.9.60.192 จันทร์, 19/5/2551 เวลา : 19:14  IP : 58.9.60.192   

edit แก้ไขคำตอบ   delete ลบคำตอบ 25522

คำตอบที่ 21
      





 แสดงความคิดเห็นย่อย แสดงความคิดเห็นย่อย

miecw จาก NFC171 58.9.60.192 จันทร์, 19/5/2551 เวลา : 19:15  IP : 58.9.60.192   

edit แก้ไขคำตอบ   delete ลบคำตอบ 25523

คำตอบที่ 22
       ขอบคุณท่าน NFC 171 มากๆเลยที่มีข้อมูลมาเเบ่งปันสมาชิก



 แสดงความคิดเห็นย่อย แสดงความคิดเห็นย่อย

จาก โอศรีราชา 125.27.26.202 อังคาร, 20/5/2551 เวลา : 13:56  IP : 125.27.26.202   

edit แก้ไขคำตอบ   delete ลบคำตอบ 25537

      

คำตอบแบ่งหน้าละ 30 คำตอบ ขณะนี้คุณอยู่ที่หน้า 1 จาก >>> 1  



website รองรับการใช้งานทุกระบบปฏิบัติการของ PC Tablet SmartPhone ทุกระบบสามารถโพสข้อความและรูปภาพได้โดยไม่ต้องย่อไฟล์
เพื่อความปลอดภัยในการใช้ website WeekendHobby.Com สมาชิก เท่านั้น จึงจะตั้งกระทู้ หรือ ตอบกระทู้ได้ครับ
Login Click ที่นี่
สมัครสมาชิก Click ที่นี่



Since 22, Feb 2001 hit counter View My Stats  Truehits.net      วันอาทิตย์,7 ธันวาคม 2568 (Online 2896 คน)