WeekendHobby.com
เครื่องมือในการใช้งาน website =>> สมัครสมาชิก | Login | Logout | เปลี่ยนไอคอนส่วนตัว | เกี่ยวกับเรา | ติดต่อโฆษณา         View stat by Truehits.net


ขอทราบรายละเอียดของคาน Y61

จาก ดำ เทอร์ราโน
IP:125.24.187.105

อังคารที่ , 21/4/2552
เวลา : 08:28

อ่านแล้ว = ครั้ง
 เก็บเข้ากระทู้ส่วนตัว
แจ้งตรวจสอบกระทู้
 แจ้งลบ
ส่งหาเพื่อน ส่งหาเพื่อน

       เรียนคุณ BJ ขาวหรือท่านสมาชิกท่านใดมีรายละเอียดของคาน Y61 บ้างไหมครับ(ไม่แน่ใจว่าเรียกชื่อรุ่นถูกต้องหรือเปล่า) ตอนนี้ผมจับใส่รถของผมเรียบร้อยแล้ว อยากรู้รายละเอียดไว้เพื่อเป็นความรู้ ขอบคุณครับ


 แสดงความคิดเห็นย่อย แสดงความคิดเห็นย่อย

แจ้งเพื่อเก็บขึ้นกระทู้พิเศษ คลิ๊กที่นี่แจ้งเพื่อนำขึ้นกระทู้พิเศษ

คำตอบแบ่งหน้าละ 30 คำตอบ ขณะนี้คุณอยู่ที่หน้า 1 จาก >>> 1  

คำตอบที่ 1
       ลองที่นี่ดูครับคุณดำ http://www.tangrod.com/?p=558 แต่ไม่มากอะครับ



 แสดงความคิดเห็นย่อย แสดงความคิดเห็นย่อย

จาก ปักษ์ใต้วาริน 393 114.128.122.138 อังคาร, 21/4/2552 เวลา : 17:30  IP : 114.128.122.138   

edit แก้ไขคำตอบ   delete ลบคำตอบ 30260

คำตอบที่ 2
       อีกคันก็ http://www.grandprixgroup.com/new/magazine/offroad/detail.asp?Detail_Id=5212&Column_Name=Dress%20Up%20Offroad



 แสดงความคิดเห็นย่อย แสดงความคิดเห็นย่อย

จาก ปักษ์ใต้วาริน 393 114.128.122.138 อังคาร, 21/4/2552 เวลา : 17:34  IP : 114.128.122.138   

edit แก้ไขคำตอบ   delete ลบคำตอบ 30261

คำตอบที่ 3
       เอานี่ไปก่อนนะครับพี่
From a 2002 Nissan GU Wagon brochure...


Models:
DX 3.0 litre turbo diesel manual.
ST 3.0 litre turbo diesel manual/auto.
DX 4.2 litre turbo diesel manual.
ST 4.2 litre turbo diesel manual.
ST 4.8 litre petrol manual/auto.
TI 4.8 litre petrol auto.

ENGINES:
3.0 litre turbo diesel DOHC inline 4 cyl with intercooler.
116 kw @ 3600 rpm, 354 Nm @ 2000 rpm, 17.9 compression ratio,
2953 cc, 96 mm bore, 102 mm stroke.

4.2 litre turbo diesel OHV inline 6 cyl.
114 kw @ 3600 rpm, 330 Nm @ 2000 rpm, 22.7 compression ratio,
4169 cc, 96 mm bore, 96mm stroke.

4.8 litre EFI petrol DOHC inline 6 cyl.
185 Kw @ 4800 rpm, 420 Nm @3600 rpm, 9.1 compression ratio,
4759 cc, 99.5 mm bore, 102 mm stroke.

TRANSMISSIONS:
3.0 and 4.2 manual gearbox ratios = 1st 4.262, 2nd 2.455, 3rd 1.488, 4th 1.000, 5th 0.850, rev 3.971.

4.8 manual gearbox ratios = 1st 4.085, 2nd 2.353, 3rd 1.426, 4th 1.000, 5th 0.881, rev 3.806.

3.0 auto gearbox ratios = 1st 2.784, 2nd 1.544, 3rd 1.000, 4th 0.694, rev 2.275.

4.8 auto gearbox ratios = 1st 3.540, 2nd 2.264, 3rd 1.471, 4th 1.000, 5th 0.834, rev 2.370.

Transfer case ratios = high 1:1, low 2.02:1.

FINAL DRIVE RATIOS:
3.0 manual and auto 4.375:1.
4.2 manual 3.900:1.
4.8 manual 4.375 auto 3.545:1.

FUEL CAPACITY:
main tank all = 95 litres.
sub tank diesel = 30 litres.
sub tank petrol = 36 litres.

TYRES:
DX diesel 7.50 R 16 8PR [optional 265/70 R16].
ST diesel 265/70 R16.
ST/TI petrol 275/70 R16.

REAR DIFFLOCK:
TI auto only.

LIMITED SLIP REAR DIFF:
all except TI auto.

TURNING CIRCLE:
12.5 m

TRACK:
front = 1605 mm.
rear = 1625 mm.

WHEELBASE:
2970 mm.

GROUND CLEARANCE:
210 mm.

BRAKES:
all = 4wheel discs.
ABS = TI [optional on ST].

HUBS:
DX = manual.
ST/TI = auto with manual overide.



 แสดงความคิดเห็นย่อย แสดงความคิดเห็นย่อย

Zodic จาก mr.ปัญ 202.28.169.166 พุธ, 22/4/2552 เวลา : 14:54  IP : 202.28.169.166   

edit แก้ไขคำตอบ   delete ลบคำตอบ 30272

คำตอบที่ 4
       just some diff strength comparisons ...
Quote:
To any here who need’s a stronger diff
Forget the Yankee Dana and corporate stuff we have the Nissan patrol h230 and h260 diffs at any good wreakers.
Nissan
How this h260 is 260mm or 10.25 inch with 1.51 inch 37 spline shafts
The smaller h230 is 230mm or 9.2 with 1.26 inch 31 or spline shafts or 1.31 inch 33 spline shafts



 แสดงความคิดเห็นย่อย แสดงความคิดเห็นย่อย

Zodic จาก mr.ปัญ 202.28.169.166 พุธ, 22/4/2552 เวลา : 15:00  IP : 202.28.169.166   

edit แก้ไขคำตอบ   delete ลบคำตอบ 30273

คำตอบที่ 5
       ตัว Y61 น่าจะเป็นเครื่อง 2.8TD ตั้งแต่ 10/1997 และ 3.0TD ตั้งแต่ 2/2000 ครับ



 แสดงความคิดเห็นย่อย แสดงความคิดเห็นย่อย

Zodic จาก mr.ปัญ 202.28.169.166 พุธ, 22/4/2552 เวลา : 15:18  IP : 202.28.169.166   

edit แก้ไขคำตอบ   delete ลบคำตอบ 30274

คำตอบที่ 6
       เก็บมาฝากครับ





 แสดงความคิดเห็นย่อย แสดงความคิดเห็นย่อย

Zodic จาก mr.ปัญ 202.28.169.166 พุธ, 22/4/2552 เวลา : 15:51  IP : 202.28.169.166   

edit แก้ไขคำตอบ   delete ลบคำตอบ 30275

คำตอบที่ 7
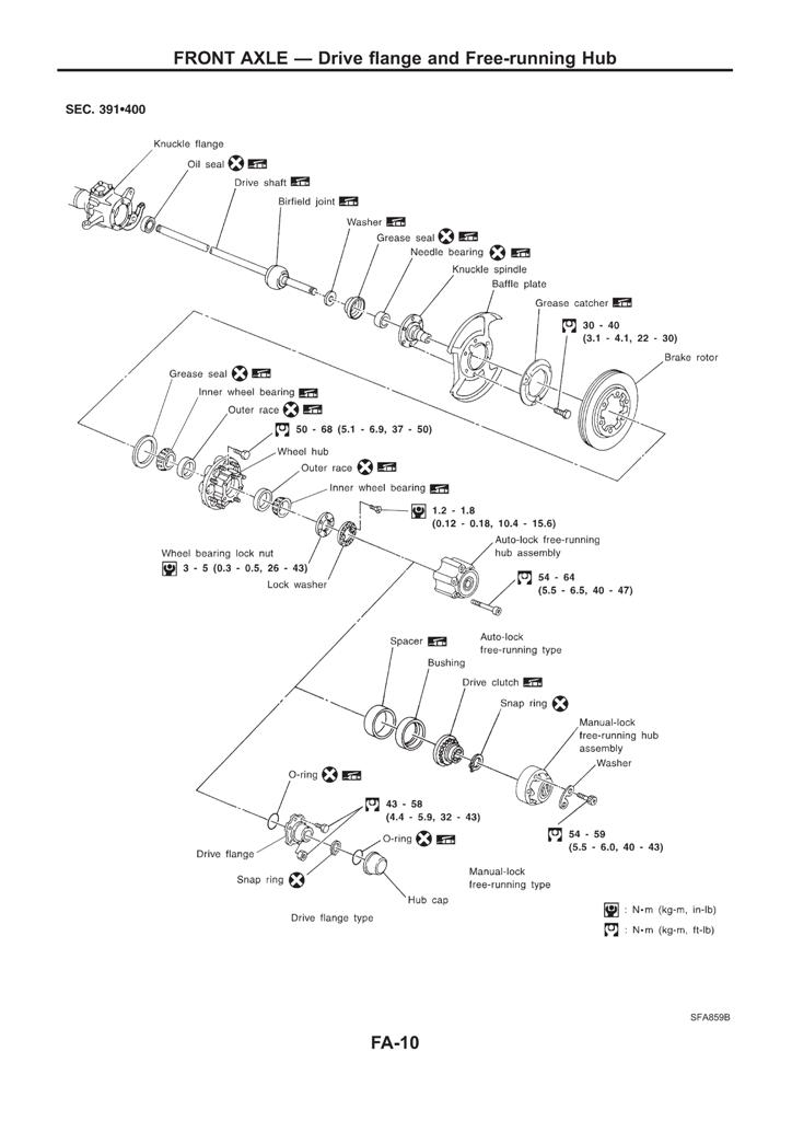
       ของเครื่อง RD28 ครับ





 แสดงความคิดเห็นย่อย แสดงความคิดเห็นย่อย

Zodic จาก mr.ปัญ 202.28.169.166 พุธ, 22/4/2552 เวลา : 16:41  IP : 202.28.169.166   

edit แก้ไขคำตอบ   delete ลบคำตอบ 30276

คำตอบที่ 8
       ของ ZD30ETi





 แสดงความคิดเห็นย่อย แสดงความคิดเห็นย่อย

Zodic จาก mr.ปัญ 202.28.169.166 พุธ, 22/4/2552 เวลา : 16:43  IP : 202.28.169.166   

edit แก้ไขคำตอบ   delete ลบคำตอบ 30277

คำตอบที่ 9
       ของ ZD30DDTi ครับ





 แสดงความคิดเห็นย่อย แสดงความคิดเห็นย่อย

Zodic จาก mr.ปัญ 202.28.169.166 พุธ, 22/4/2552 เวลา : 16:54  IP : 202.28.169.166   

edit แก้ไขคำตอบ   delete ลบคำตอบ 30279

คำตอบที่ 10
       ขอบคุณ ข้อมูลแน่นจริง ๆ คุณปัญ ตอนนี้ผมเอา Y61ลงไปสิงสถิตย์ที่รถผมเรียบร้อยแล้ว พรรคพวกเอาไปลองขับบอกว่าเหมือนขับ BM เลย(ปัจจุบันเขาใช้ BM อยู่) ผมไม่ค่อยตุ้นกับ BM เลยไม่รู้จะว่าอย่างไร ตอนที่จัดหามาปรากฏว่าว่าลูกปืนดุมหน้าข้างขวาแตก เลยเอาเบอร์ไปเทียบแล้วเปลี่ยนมาเรียบร้อยแล้ว และเบรคยังดังอยู่ทั้ง ๆ ที่เอาไปเจียรและทำความสะอาดผ้าเบรคแล้ว ก็ยังดังคาดว่าผ้าเบรคคงจะแข็งตัวแล้ว เอาผ้าเบรคไปตามร้านอะไหล่ ให้ร้านดูปรากฏว่าร้านสั่นหัวลูกเดียวว่าไม่มี ก็เลยตัดใจใส่กลับไปใช้มันทั้งดัง ๆ นั่นแหละ ตอนนี้กำลังทดสอบอยู่ไว้ว่าง ๆ จะถ่ายรูปมาลงให้ดู



 แสดงความคิดเห็นย่อย แสดงความคิดเห็นย่อย

จาก ดำ เทอร์ราโน 125.24.194.218 พฤหัสบดี, 23/4/2552 เวลา : 07:56  IP : 125.24.194.218   

edit แก้ไขคำตอบ   delete ลบคำตอบ 30287

คำตอบที่ 11
       ไม่ทราบว่าเป็น หน้า หรือ หลัง
ผมมี manual Y61 ปี1998





 แสดงความคิดเห็นย่อย แสดงความคิดเห็นย่อย

จาก MO 114.128.119.252 พฤหัสบดี, 23/4/2552 เวลา : 23:16  IP : 114.128.119.252   

edit แก้ไขคำตอบ   delete ลบคำตอบ 30296

คำตอบที่ 12
      





 แสดงความคิดเห็นย่อย แสดงความคิดเห็นย่อย

จาก MO 114.128.119.252 พฤหัสบดี, 23/4/2552 เวลา : 23:18  IP : 114.128.119.252   

edit แก้ไขคำตอบ   delete ลบคำตอบ 30297

คำตอบที่ 13
      





 แสดงความคิดเห็นย่อย แสดงความคิดเห็นย่อย

จาก MO 114.128.119.252 พฤหัสบดี, 23/4/2552 เวลา : 23:19  IP : 114.128.119.252   

edit แก้ไขคำตอบ   delete ลบคำตอบ 30298

คำตอบที่ 14
       ผ้าเบรค สั่งร้านที่เป็นตัวแทน BENDIX ระบุรุ่น
ชุดหน้า DB 1361
หลัง DB1145
http://www.bendix.com.au/ProductCatalogue.aspx






 แสดงความคิดเห็นย่อย แสดงความคิดเห็นย่อย

จาก MO 114.128.119.252 พฤหัสบดี, 23/4/2552 เวลา : 23:33  IP : 114.128.119.252   

edit แก้ไขคำตอบ   delete ลบคำตอบ 30299

คำตอบที่ 15
      





 แสดงความคิดเห็นย่อย แสดงความคิดเห็นย่อย

จาก MO 114.128.119.252 พฤหัสบดี, 23/4/2552 เวลา : 23:40  IP : 114.128.119.252   

edit แก้ไขคำตอบ   delete ลบคำตอบ 30300

คำตอบที่ 16
       ขอบคุณครับคุณ MO ผมใช้ทั้งหน้าและหลัง เพียงแต่หน้าใช้ของ Y61 ทั้งชุด แต่หลังเปลี่ยนจาก คอย์ลสปริงเป็นแหนบเท่านั้นเอง



 แสดงความคิดเห็นย่อย แสดงความคิดเห็นย่อย

จาก ดำ เทอร์ราโน 125.24.209.204 ศุกร์, 24/4/2552 เวลา : 08:04  IP : 125.24.209.204   

edit แก้ไขคำตอบ   delete ลบคำตอบ 30301

      

คำตอบแบ่งหน้าละ 30 คำตอบ ขณะนี้คุณอยู่ที่หน้า 1 จาก >>> 1  



website รองรับการใช้งานทุกระบบปฏิบัติการของ PC Tablet SmartPhone ทุกระบบสามารถโพสข้อความและรูปภาพได้โดยไม่ต้องย่อไฟล์
เพื่อความปลอดภัยในการใช้ website WeekendHobby.Com สมาชิก เท่านั้น จึงจะตั้งกระทู้ หรือ ตอบกระทู้ได้ครับ
Login Click ที่นี่
สมัครสมาชิก Click ที่นี่



Since 22, Feb 2001 hit counter View My Stats  Truehits.net      วันอาทิตย์,19 เมษายน 2569 (Online 1333 คน)