WeekendHobby.com
เครื่องมือในการใช้งาน website =>> สมัครสมาชิก | Login | Logout | เปลี่ยนไอคอนส่วนตัว | เกี่ยวกับเรา | ติดต่อโฆษณา         View stat by Truehits.net


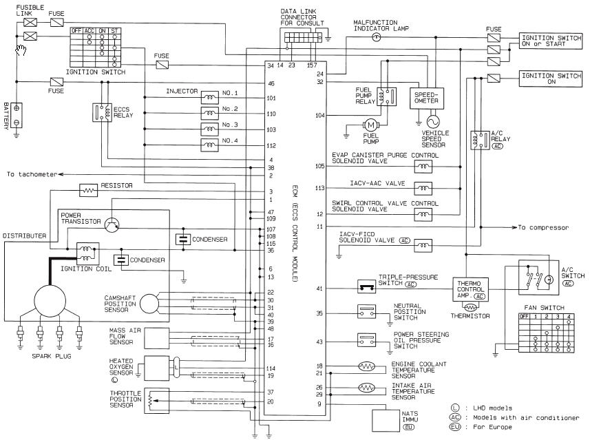
รบกวนขอ Wiring Diagram nissan ka24e หน่อยครับ

จาก Chai490
IP:217.77.225.130

อังคารที่ , 12/6/2550
เวลา : 14:49

อ่านแล้ว = ครั้ง
 เก็บเข้ากระทู้ส่วนตัว
แจ้งตรวจสอบกระทู้
 แจ้งลบ
ส่งหาเพื่อน ส่งหาเพื่อน

       รบกวนขอ Wiring Diagram nissan ka24e หน่อยครับ ท่านใดพอมีบ้างครับ หรือว่าต้องไป Down load ที่ไหน ขอบคุณครับ


 แสดงความคิดเห็นย่อย แสดงความคิดเห็นย่อย

แจ้งเพื่อเก็บขึ้นกระทู้พิเศษ คลิ๊กที่นี่แจ้งเพื่อนำขึ้นกระทู้พิเศษ

คำตอบแบ่งหน้าละ 30 คำตอบ ขณะนี้คุณอยู่ที่หน้า 1 จาก >>> 1  2  

คำตอบที่ 1
       ใช่กับ รุ่นอะไร Terrano II หรือ Frontier



 แสดงความคิดเห็นย่อย แสดงความคิดเห็นย่อย

จาก TTC001 210.203.182.95 อังคาร, 12/6/2550 เวลา : 22:52  IP : 210.203.182.95   

edit แก้ไขคำตอบ   delete ลบคำตอบ 19672

คำตอบที่ 2
       ชมรม TERRANO THAILAND CLUB มีครับ อยู่ที่ผมเอง
D 22 และ R 20



 แสดงความคิดเห็นย่อย แสดงความคิดเห็นย่อย

จาก TTC001 210.203.182.95 อังคาร, 12/6/2550 เวลา : 23:01  IP : 210.203.182.95   

edit แก้ไขคำตอบ   delete ลบคำตอบ 19674

คำตอบที่ 3
       คุณ TTC001
เป็นเครื่อง Terrano II ครับ แต่ผมเอาไปวางในคาริเบียนแต่สายตัดมาและได้มาไม่ครบครับ ล่าสุดตอนนี้ช่างพยายามไล่สายตอนนี้ติดแล้วครับแต่เร่งไม่ได้





 แสดงความคิดเห็นย่อย แสดงความคิดเห็นย่อย

จาก Chai490 124.120.191.152 พุธ, 13/6/2550 เวลา : 21:54  IP : 124.120.191.152   

edit แก้ไขคำตอบ   delete ลบคำตอบ 19697

คำตอบที่ 4
       ผมไม่รู้ว่า เป็น D 22 และ R 20 ครับ สายที่ไป คอยกับแอร์โฟร์ไม่มีติดมาครับ







 แสดงความคิดเห็นย่อย แสดงความคิดเห็นย่อย

จาก Chai490 124.120.191.152 พุธ, 13/6/2550 เวลา : 21:59  IP : 124.120.191.152   

edit แก้ไขคำตอบ   delete ลบคำตอบ 19698

คำตอบที่ 5
       ไม่มีกล่องก็ไม่มีทางทำให้สมบูรณ์ได้อย่างเด็ดขาด เฉพาะแอร์โฟร์ ก็ 8000 บาท กล่องอยู่ประมาณ 25000 บาท
KA 24 i ตัวนี้ซื้อจากคุณ ทศพล หรือเปล่า ครับ



 แสดงความคิดเห็นย่อย แสดงความคิดเห็นย่อย

จาก TTC 001 210.203.182.113 พฤหัสบดี, 14/6/2550 เวลา : 22:08  IP : 210.203.182.113   

edit แก้ไขคำตอบ   delete ลบคำตอบ 19720

คำตอบที่ 6
       กล่องมีครับแต่สายไฟมาไม่ครบครับ
ใช่ครับ
ตอนนี้ลองผิดลองถูกกันมา 1 อาทิตย์แล้วครับ จึงอยากได้ Diagram มาเช็คดูครับ





 แสดงความคิดเห็นย่อย แสดงความคิดเห็นย่อย

จาก Chai490 217.77.225.130 ศุกร์, 15/6/2550 เวลา : 09:35  IP : 217.77.225.130   

edit แก้ไขคำตอบ   delete ลบคำตอบ 19728

คำตอบที่ 7
       TTC 071 แจ้งว่า เดี๋ยวจัดการให้ ที่สำคัญต้องมี Consoult จับ เพราะเปลี่ยนพวงมาลัย Air bag ยังต้อง reset ใหม่เลยครับ



 แสดงความคิดเห็นย่อย แสดงความคิดเห็นย่อย

จาก TTC001 58.9.177.12 ศุกร์, 15/6/2550 เวลา : 11:38  IP : 58.9.177.12   

edit แก้ไขคำตอบ   delete ลบคำตอบ 19731

คำตอบที่ 8
       วางมาแล้ไม่เห็นต้องมีConsoult จับ ก็ใช้งานได้สมบูรณ้ดีครับ วิ่งอยู่8กมลิตร ปลาย160ยังเหลือ



 แสดงความคิดเห็นย่อย แสดงความคิดเห็นย่อย

จาก KA24 58.9.47.167 ศุกร์, 15/6/2550 เวลา : 23:04  IP : 58.9.47.167   

edit แก้ไขคำตอบ   delete ลบคำตอบ 19741

คำตอบที่ 9
       ขอบคุณท่าน TTC071,TTC011
ยังรอความหวังอยู่ครับ ตอนนี้ยังไม่ถอดใจครับ ถ้าดีอย่างท่าน KA24 ว่าคงดีนะขอบคุณท่าน KA24 ครับ มีกำลังใจขึ้น ว่าแต่ Consoult คืออะไรครับ




 แสดงความคิดเห็นย่อย แสดงความคิดเห็นย่อย

จาก Chai490 124.120.186.180 ศุกร์, 15/6/2550 เวลา : 23:58  IP : 124.120.186.180   

edit แก้ไขคำตอบ   delete ลบคำตอบ 19742

คำตอบที่ 10
       เป็นระบบตรวจสอบว่า เครื่องยนต์ทำงานสมบูรณ์หรือไม่ แล้วอะไรผิดปรกติ ใช้กับเครื่องยนต์ที่มีกล่อง ECU ควบคุม
ลองโทรมาคุยกันจะได้หาทางแก้ปัญหาได้ ทางชมรม Terrano Thailand Club ยินดีให้คำปรึกษา
ผม TTC 001 ในฐานะที่เป็นประธานชมรม ยินดีครับ 087-681-7075



 แสดงความคิดเห็นย่อย แสดงความคิดเห็นย่อย

จาก TTC 001 210.203.179.175 เสาร์, 16/6/2550 เวลา : 08:02  IP : 210.203.179.175   

edit แก้ไขคำตอบ   delete ลบคำตอบ 19743

คำตอบที่ 11
       เป็นระบบตรวจสอบว่า เครื่องยนต์ทำงานสมบูรณ์หรือไม่ แล้วอะไรผิดปรกติ ใช้กับเครื่องยนต์ที่มีกล่อง ECU ควบคุม
ลองโทรมาคุยกันจะได้หาทางแก้ปัญหาได้ ทางชมรม Terrano Thailand Club ยินดีให้คำปรึกษา
ผม TTC 001 ในฐานะที่เป็นประธานชมรม ยินดีครับ 087-681-7075



 แสดงความคิดเห็นย่อย แสดงความคิดเห็นย่อย

จาก TTC 001 210.203.179.175 เสาร์, 16/6/2550 เวลา : 08:02  IP : 210.203.179.175   

edit แก้ไขคำตอบ   delete ลบคำตอบ 19744

คำตอบที่ 12
       ขอบคุณท่าน TTC 001 จะรีบโทรไปปรึกษาครับ

ล่าสุดวันนี้ก็ลองอีก อาการคือเครื่องติดพอติดก็ดับเลยพอเช็คไฟที่ปั๊มติ๊กไม่มีไฟไปที่ปั๊มติ๊กพอปิดสวิทแล้วเปิดใหม่ก็มีไฟแต่พอสตาร์ทก็เหมือนเดิมอีก





 แสดงความคิดเห็นย่อย แสดงความคิดเห็นย่อย

จาก Chai490 124.120.189.179 เสาร์, 16/6/2550 เวลา : 21:27  IP : 124.120.189.179   

edit แก้ไขคำตอบ   delete ลบคำตอบ 19752

คำตอบที่ 13
       คุณท่าน TTC 001 ที่ไหนเขารับ Consoult บ้างครับ

เครื่องก็วางแล้วแต่ใช้ไม่ได้ ไม่รู้ว่าจะจบด้วยวิธีไหน





 แสดงความคิดเห็นย่อย แสดงความคิดเห็นย่อย

จาก Chai490 124.120.189.179 เสาร์, 16/6/2550 เวลา : 21:35  IP : 124.120.189.179   

edit แก้ไขคำตอบ   delete ลบคำตอบ 19753

คำตอบที่ 14
       ท่าน TTC 001 ที่ไหนเขารับ Consoult บ้างครับ

เครื่องก็วางแล้วแต่ใช้ไม่ได้ ไม่รู้ว่าจะจบด้วยวิธีไหน





 แสดงความคิดเห็นย่อย แสดงความคิดเห็นย่อย

จาก Chai490 124.120.189.179 เสาร์, 16/6/2550 เวลา : 21:35  IP : 124.120.189.179   

edit แก้ไขคำตอบ   delete ลบคำตอบ 19754

คำตอบที่ 15
       หามาให้แล้วครับ





 แสดงความคิดเห็นย่อย แสดงความคิดเห็นย่อย

จาก ปลายฟ้า 58.9.44.28 เสาร์, 16/6/2550 เวลา : 21:52  IP : 58.9.44.28   

edit แก้ไขคำตอบ   delete ลบคำตอบ 19755

คำตอบที่ 16
       ข้อมูลเพิ่มเติมครับ ติดตั้งเสร็จติดเครื่องได้วิ่งได้แล้วให้เช็คเซ็นเซอร์ท่อไอเสีย(O2 senser)ด้วยครับ ตัวนี้ชอบเสียทำให้กินนำมันมาก ของผมตอนได้มาเครื่องสภาพใหม่มากเลยไม่เอะใจ ใช้งานมากินน้ำมันมากเลยลองเช็คดูผลปรากฎว่าเสีย เลยต้องเปลี่ยนครับ



 แสดงความคิดเห็นย่อย แสดงความคิดเห็นย่อย

จาก ปลายฟ้า 58.9.44.28 เสาร์, 16/6/2550 เวลา : 22:12  IP : 58.9.44.28   

edit แก้ไขคำตอบ   delete ลบคำตอบ 19758

คำตอบที่ 17
       ขอบคุณ คุณปลายฟ้า มากครับพรุ่งนี้จะรีบเอาไปให้ช่าง

ขอลองดูอีกซักตั้งครับ





 แสดงความคิดเห็นย่อย แสดงความคิดเห็นย่อย

จาก Chai490 124.120.187.131 อาทิตย์, 17/6/2550 เวลา : 00:25  IP : 124.120.187.131   

edit แก้ไขคำตอบ   delete ลบคำตอบ 19759

คำตอบที่ 18
       คุณChai490 เป็นอย่างไรบ้างครับ สำเร็จไหมครับ เอาใจช่วยครับ



 แสดงความคิดเห็นย่อย แสดงความคิดเห็นย่อย

จาก ปลายฟ้า 58.9.43.172 อังคาร, 19/6/2550 เวลา : 10:10  IP : 58.9.43.172   

edit แก้ไขคำตอบ   delete ลบคำตอบ 19816

คำตอบที่ 19
       คุณปลายฟ้า
ยังไม่สำเร็จครับตอนนี้ช่างเอา Diagram ของคุณปลายฟ้า ไปจัดการกับสายไฟอยู่ครับ แล้วก็เอากล่องไปดูด้วยครับว่าภายในเป็นอย่างไรบ้าง ตอนนี้ยังรอลุ้นอยู่ครับ น่าจะวันสองวันนี้ครับได้ผลยังไงจะมาโพสบอกครับ ขอบคุณเป็นอย่างสูงครับที่ให้ความช่วยเหลือแล้วยังเอาใจช่วยอีก



 แสดงความคิดเห็นย่อย แสดงความคิดเห็นย่อย

จาก Chai490 217.77.225.130 อังคาร, 19/6/2550 เวลา : 18:22  IP : 217.77.225.130   

edit แก้ไขคำตอบ   delete ลบคำตอบ 19827

คำตอบที่ 20
       คุณChai490 ครับ ผมเองยังไม่แน่ใจว่าDiagramจะตรงรุ่นหรือไม่นะครับ แต่ที่ผมเอามาวายริ่งเป็นของฟรอนเทียมันตรงรุ่นพอดี และอีกอย่างช่างที่รื้อเครื่องของผมที่ได้มาเขาตัดสายไฟเพียงไม่กี่เส้นเท่านั้นครับ เลยทำให้วายสายได้ครบ ถ้าไม่ตรงรุ่นบอกมานะครับจะหาให้ใหม่ ขอให้สำเร็จไวๆนะครับ



 แสดงความคิดเห็นย่อย แสดงความคิดเห็นย่อย

จาก ปลายฟ้า 58.9.42.237 อังคาร, 19/6/2550 เวลา : 20:10  IP : 58.9.42.237   

edit แก้ไขคำตอบ   delete ลบคำตอบ 19830

คำตอบที่ 21
       ผลที่ออกมาตอนนี้นะครับ
ติดด้วยแก๊สได้แต่ติดยากเพราะเครื่องเย็น
กล่อง ECU ร้อนพอสมควรไม่แน่ใจว่าปรกติหรือเปล่า ส่วนน้ำมันยังไม่ประสพความสำเร็จ ไฟยังตัดที่หัวฉีดอยู่ เครื่องตัวนี้จานจ่ายอยู่นอกเครื่อง รูปที่คำตอบที่3 ครับ ไม่รู้ว่ารุ่นเดียวกับคุณปลายฟ้าหรือเปล่านะครับ



 แสดงความคิดเห็นย่อย แสดงความคิดเห็นย่อย

จาก Chai490 217.77.225.130 จันทร์, 25/6/2550 เวลา : 09:47  IP : 217.77.225.130   

edit แก้ไขคำตอบ   delete ลบคำตอบ 19909

คำตอบที่ 22
       คุณChai490 ครับ เครื่องเป็นรุ่นเดียวกันครับตามรูปแต่เท่าที่รู้ในT2กับFrontire จะไม่เหมือนกันเสียที่เดียว แต่วายริ่งจะเป็นตัวเดียวกันครับ ส่วนที่ว่าไฟยังตัดที่หัวฉีดอยู่ ไม่ทรายว่าต่ออย่างไรครับ เพราะในวายริ่งจะใช้ไฟ+12โวล์ทจากสวิทกุญแจเป็นตัวจ่ายให้หัวฉีดครับ ส่วนปลั๊กเดี๋ยวจะสแกนรูปไปให้ดูครับ



 แสดงความคิดเห็นย่อย แสดงความคิดเห็นย่อย

จาก ปลายฟ้า 58.9.40.87 จันทร์, 25/6/2550 เวลา : 10:16  IP : 58.9.40.87   

edit แก้ไขคำตอบ   delete ลบคำตอบ 19912

คำตอบที่ 23
       คุณปลายฟ้า
พอจะทราบมั๊ยครับว่าตัวนี้ติดตรงไหน พี่เจ้าของเครื่องเพิ่งเอามาให้
ด้านหน้าเขียน
PRESSURE SENSOR
PS22-01 B 4714
HITACHI





 แสดงความคิดเห็นย่อย แสดงความคิดเห็นย่อย

จาก Chai490 217.77.225.130 จันทร์, 25/6/2550 เวลา : 16:09  IP : 217.77.225.130   

edit แก้ไขคำตอบ   delete ลบคำตอบ 19922

คำตอบที่ 24
       คุณChai490 รูปตัวที่ให้ดูของผมไม่มีนะครับ แต่เท่าที่ดูเป็นเซ็นเซอร์วัดเพรสเชอร์ครับ ไม่ทราบว่าเจ้าของเครื่องเดิมติดแก๊สระบบหัวฉีดหรือเปล่าเพราะว่าในระบบแก๊สหัวฉีดจะมีเจ้าตัวนี้เป็นส่วนประกอบอยู่ด้วยครับ







 แสดงความคิดเห็นย่อย แสดงความคิดเห็นย่อย

จาก ปลายฟ้า 58.9.40.87 จันทร์, 25/6/2550 เวลา : 19:18  IP : 58.9.40.87   

edit แก้ไขคำตอบ   delete ลบคำตอบ 19924

คำตอบที่ 25
       ตอนนี้ติดด้วยน้ำมันได้แล้ว โดยการโมกล่อง พรุ่งนี้ช่างให้เข้าไปดู ได้ผลอย่างไรจะโพสบอกครับ



 แสดงความคิดเห็นย่อย แสดงความคิดเห็นย่อย

จาก Chai490 124.120.183.143 อังคาร, 26/6/2550 เวลา : 19:47  IP : 124.120.183.143   

edit แก้ไขคำตอบ   delete ลบคำตอบ 19961

คำตอบที่ 26
       คุณChai490 เป็นอย่างไรบ้างครับ เสร็จแล้วยังครับ ขอชมหน่อย



 แสดงความคิดเห็นย่อย แสดงความคิดเห็นย่อย

จาก ปลายฟ้า 58.9.40.190 อาทิตย์, 1/7/2550 เวลา : 15:55  IP : 58.9.40.190   

edit แก้ไขคำตอบ   delete ลบคำตอบ 20096

คำตอบที่ 27
       คุณปลายฟ้า ยังไม่เสร็จครับกำลังปรับแก้อยู่ครับเกือบแล้วครับตอนนี้ยังอยู่ที่อู่ ถ้าพอขับได้จะรีบนำมาให้ชมตอนนี้ผมก็ใจจดใจจ่ออยู่ว่าจะออกมาเป็นอย่างไรบ้าง
คุณปลายฟ้า ปรกติเกียร์ TD27 ครัชแข็งหรือเปล่าครับ



 แสดงความคิดเห็นย่อย แสดงความคิดเห็นย่อย

จาก Chai490 217.77.225.130 อังคาร, 3/7/2550 เวลา : 12:04  IP : 217.77.225.130   

edit แก้ไขคำตอบ   delete ลบคำตอบ 20135

คำตอบที่ 28
       Chai490 ครัชก็เบาปกติครับไม่แข็ง ลองตรวจสอบระบบท่อน้ำมันดูครับ ว่าตันหรือสกปรกหรือเปล่า



 แสดงความคิดเห็นย่อย แสดงความคิดเห็นย่อย

จาก ปลายฟ้า 58.9.48.78 อังคาร, 3/7/2550 เวลา : 22:56  IP : 58.9.48.78   

edit แก้ไขคำตอบ   delete ลบคำตอบ 20161

คำตอบที่ 29
       คุณ Chai490 ครับ เป็นอย่าไรบ้างครับรถวิ่งได้แล้วหรือยังครับ



 แสดงความคิดเห็นย่อย แสดงความคิดเห็นย่อย

จาก ปลายฟ้า 58.9.38.228 ศุกร์, 6/7/2550 เวลา : 18:43  IP : 58.9.38.228   

edit แก้ไขคำตอบ   delete ลบคำตอบ 20213

คำตอบที่ 30
       ตกลงโมกล่องเลยหรือครับ เพราะตอนนี้ทางชมรมมีเครื่อง KA 24 สั่งมาถอดเล่นอยู่ 1 ตัว แล้วที่สำคัญ ถ้ากล่องพัง ตัวใครตัวมันครับ เพราะทางชมรม ก็ไม่มีสำรองให้ด้วย



 แสดงความคิดเห็นย่อย แสดงความคิดเห็นย่อย

จาก TTC001 210.203.176.89 ศุกร์, 6/7/2550 เวลา : 22:56  IP : 210.203.176.89   

edit แก้ไขคำตอบ   delete ลบคำตอบ 20221

      

ยังมีคำตอบมากกว่านี้นะครับ คลิ๊กเพื่อดูหน้าถัดไป


คำตอบแบ่งหน้าละ 30 คำตอบ ขณะนี้คุณอยู่ที่หน้า 1 จาก >>> 1  2  



website รองรับการใช้งานทุกระบบปฏิบัติการของ PC Tablet SmartPhone ทุกระบบสามารถโพสข้อความและรูปภาพได้โดยไม่ต้องย่อไฟล์
เพื่อความปลอดภัยในการใช้ website WeekendHobby.Com สมาชิก เท่านั้น จึงจะตั้งกระทู้ หรือ ตอบกระทู้ได้ครับ
Login Click ที่นี่
สมัครสมาชิก Click ที่นี่



Since 22, Feb 2001 hit counter View My Stats  Truehits.net      วันจันทร์,8 ธันวาคม 2568 (Online 2842 คน)