WeekendHobby.com
เครื่องมือในการใช้งาน website =>> สมัครสมาชิก | Login | Logout | เปลี่ยนไอคอนส่วนตัว | เกี่ยวกับเรา | ติดต่อโฆษณา         View stat by Truehits.net


Nissan All-Pro

จาก By...OOD...Terrano
IP:125.27.25.94

อังคารที่ , 16/12/2551
เวลา : 00:39

อ่านแล้ว = ครั้ง
 เก็บเข้ากระทู้ส่วนตัว
แจ้งตรวจสอบกระทู้
 แจ้งลบ
ส่งหาเพื่อน ส่งหาเพื่อน

       สวัสดีครับเพื่อนๆ ชาว Nissan ผมนำรถที่แต่งใน Stye สำนัก All-Pro ของผมมาให้ชมต้องบอกก่อนว่าผลงานออกมาไม่สวยไม่ว่ากันนะครับ ไม่ได้จ้างอู่หรือช่างทีไหนทำ ทำกันเองที่บ้านครับ






 แสดงความคิดเห็นย่อย แสดงความคิดเห็นย่อย

แจ้งเพื่อเก็บขึ้นกระทู้พิเศษ คลิ๊กที่นี่แจ้งเพื่อนำขึ้นกระทู้พิเศษ

คำตอบแบ่งหน้าละ 30 คำตอบ ขณะนี้คุณอยู่ที่หน้า 3 จาก >>> 1  2  3  4  5  6  

คำตอบที่ 61
       เรื่องช่วงล่างขอติดเอาใว้ก่อนนะครับวันนี้เวลาน้อย ลัดคิวเอาหัวใจหลักก่อนแล้วกัน เครื่องยนต์ที่ผมใช้แน่นอนต้องเป็นNissan ผมเลือก BD3000 เป็นเครื่องรถบรรทุกเล็กของญี่ปุ่นปรกติเครื่องยนต์ตัวนี้จะไม่มีเทอร์โบมากับโรงงาน ที่ผมชอบเครื่องระหัสนี้ เพราะความอึดของเครื่อง เป็นเครื่องชักยาวทอร์คจะมาในรอบต่ำ ระบบไม่ซับซ้อนซ่อมง่าย นำมาดัดแปลงติดตั้งเทอร์โบว์แล้วไม่มีปัญหา ได้ทั้งอึดได้ทั้งแรงแถมประหยัดน้ำมัน





 แสดงความคิดเห็นย่อย แสดงความคิดเห็นย่อย

จาก OOD...Terrano 125.27.63.228 อังคาร, 16/12/2551 เวลา : 21:20  IP : 125.27.63.228   

edit แก้ไขคำตอบ   delete ลบคำตอบ 28748

คำตอบที่ 62
       ไดชาร์ทผมเล่นของใหญ่ 120 Amp ติดตั้งตอนสมัยคบกับ Winch ไฟฟ้า ดีครับชาร์ทเร็วไฟแรงต้นกำเนิดไฟสำคัญนะครับเพื่อนNissan ที่ชอบ Winch ข้ามวันข้ามคืนสมควรติด สมัยนั้นผมซื้อลูกละ3พัน





 แสดงความคิดเห็นย่อย แสดงความคิดเห็นย่อย

จาก OOD...Terrano 125.27.63.228 อังคาร, 16/12/2551 เวลา : 21:26  IP : 125.27.63.228   

edit แก้ไขคำตอบ   delete ลบคำตอบ 28749

คำตอบที่ 63
       หน้ารถผมไม่เหลืออะไรแล้ว หน้ารถยิ่งเบายิ่งดีขึ้นเนินชัน หรือข้ามล่อง ไปได้ดีกว่ารถที่มีน้ำหนักหน้าเยอะๆ ปีหน้าผมมี Projec ที่จะขยับเครื่องให้ถอยหลังอีกซักคืบรอช่วงว่างๆทำอยู่ครับ





 แสดงความคิดเห็นย่อย แสดงความคิดเห็นย่อย

จาก OOD...Terrano 125.27.63.228 อังคาร, 16/12/2551 เวลา : 21:33  IP : 125.27.63.228   

edit แก้ไขคำตอบ   delete ลบคำตอบ 28750

คำตอบที่ 64
       ฝากข้อคิดเล็กๆน้อยสำหรับเพื่อนชาว Nissan เรื่องหลักการเลือกซื้อของ สำหรับตัวผมใช้หลักอยู่3ข้อ 1 ทน 2 ถูก 3 อะไหล่หาได้ ไม่จำเป็นต้องตามกระแสหรอกครับเอาใช้งานได้จริงดีกว่า





 แสดงความคิดเห็นย่อย แสดงความคิดเห็นย่อย

จาก OOD...Terrano 125.27.63.228 อังคาร, 16/12/2551 เวลา : 21:38  IP : 125.27.63.228   

edit แก้ไขคำตอบ   delete ลบคำตอบ 28751

คำตอบที่ 65
       ว่าแล้วมาลองความแรงเครื่องรถผมดีกว่า





 แสดงความคิดเห็นย่อย แสดงความคิดเห็นย่อย

จาก OOD...Terrano 125.27.63.228 อังคาร, 16/12/2551 เวลา : 21:40  IP : 125.27.63.228   

edit แก้ไขคำตอบ   delete ลบคำตอบ 28752

คำตอบที่ 66
       โดนัทเลข8ที่เกียร์2Hi





 แสดงความคิดเห็นย่อย แสดงความคิดเห็นย่อย

จาก OOD...Terrano 125.27.63.228 อังคาร, 16/12/2551 เวลา : 21:43  IP : 125.27.63.228   

edit แก้ไขคำตอบ   delete ลบคำตอบ 28753

คำตอบที่ 67
       รอบที่2วันนี้รถเอียงๆเพราะใส่โช๊คมาแค่3ต้น





 แสดงความคิดเห็นย่อย แสดงความคิดเห็นย่อย

จาก OOD...Terrano 125.27.63.228 อังคาร, 16/12/2551 เวลา : 21:45  IP : 125.27.63.228   

edit แก้ไขคำตอบ   delete ลบคำตอบ 28754

คำตอบที่ 68
       รอบที่3 ทุกอย่างยังปรกติ





 แสดงความคิดเห็นย่อย แสดงความคิดเห็นย่อย

จาก OOD...Terrano 125.27.63.228 อังคาร, 16/12/2551 เวลา : 21:47  IP : 125.27.63.228   

edit แก้ไขคำตอบ   delete ลบคำตอบ 28755

คำตอบที่ 69
       รอบนี้เริ่มมีกลิ่นไม่ค่อยดี





 แสดงความคิดเห็นย่อย แสดงความคิดเห็นย่อย

จาก OOD...Terrano 125.27.63.228 อังคาร, 16/12/2551 เวลา : 21:48  IP : 125.27.63.228   

edit แก้ไขคำตอบ   delete ลบคำตอบ 28756

คำตอบที่ 70
       รถคันนี้ผมใช้ครัชทองแดง จานกดของ VIGO 3000 4W





 แสดงความคิดเห็นย่อย แสดงความคิดเห็นย่อย

จาก OOD...Terrano 125.27.63.228 อังคาร, 16/12/2551 เวลา : 21:51  IP : 125.27.63.228   

edit แก้ไขคำตอบ   delete ลบคำตอบ 28757

คำตอบที่ 71
       จานกด VIGO สงสัยจะไม่ทนมือทนเท้าผมซะแล้ว





 แสดงความคิดเห็นย่อย แสดงความคิดเห็นย่อย

จาก OOD...Terrano 125.27.63.228 อังคาร, 16/12/2551 เวลา : 21:53  IP : 125.27.63.228   

edit แก้ไขคำตอบ   delete ลบคำตอบ 28758

คำตอบที่ 72
       รอชมอยู่ค่ะ





 แสดงความคิดเห็นย่อย แสดงความคิดเห็นย่อย

จาก xxx 203.146.51.129 อังคาร, 16/12/2551 เวลา : 21:56  IP : 203.146.51.129   

edit แก้ไขคำตอบ   delete ลบคำตอบ 28759

คำตอบที่ 73
       สงสัยต้องไปคบกับ Nismo ใครมีเหลือๆถูกๆแบบในรูปแบ่งกันใช้บ้างเด้อ





 แสดงความคิดเห็นย่อย แสดงความคิดเห็นย่อย

จาก OOD...Terrano 125.27.63.228 อังคาร, 16/12/2551 เวลา : 22:04  IP : 125.27.63.228   

edit แก้ไขคำตอบ   delete ลบคำตอบ 28760

คำตอบที่ 74
       วันนี้เอาแค่เรื่องเครื่องแค่นี้ก่อนแล้วกันครับ เดียววันหน้าจะมาเหลาไอ้ที่ค้างๆใว้ต่อ พอดีเพื่อนโทรมาให้ออกไจ่ยค่าเบียร์ ( รูปนี้ท่อเลทออกกลางตามสูตรที่ช่างทำเทอร์โบว์ของผมเส็จมา หนวกหูฉิบหาย )





 แสดงความคิดเห็นย่อย แสดงความคิดเห็นย่อย

จาก OOD...Terrano 125.27.63.228 อังคาร, 16/12/2551 เวลา : 22:11  IP : 125.27.63.228   

edit แก้ไขคำตอบ   delete ลบคำตอบ 28761

คำตอบที่ 75
       เข้ามาทักทายครับ

ใช่รถเดิมคันนี้หรือปล่าวครับ







 แสดงความคิดเห็นย่อย แสดงความคิดเห็นย่อย

400 จาก 400 222.123.189.65 พุธ, 17/12/2551 เวลา : 02:28  IP : 222.123.189.65   

edit แก้ไขคำตอบ   delete ลบคำตอบ 28764

คำตอบที่ 76
       สวัสดีครับ อา400 ขอตอบแทนครับ รถของท่านอ๊อดเป็นรถเทพคันเดิมครับ เพราะหลังจากออกศึกใหญ่ย่อมต้องอยากได้สีใหม่เป็นธรรมดา





 แสดงความคิดเห็นย่อย แสดงความคิดเห็นย่อย

too 4 LOW จาก too 4 LOW 124.121.1.66 พุธ, 17/12/2551 เวลา : 04:17  IP : 124.121.1.66   

edit แก้ไขคำตอบ   delete ลบคำตอบ 28765

คำตอบที่ 77
       แจ่มๆๆอุปกรณ์เยอะจัง!!พังตั้งแต่บนถนนลาดยางประจำxxxไมยากไม่อยากไป





 แสดงความคิดเห็นย่อย แสดงความคิดเห็นย่อย

จาก สจ.ฅนกะเครน 117.47.158.123 พุธ, 17/12/2551 เวลา : 06:09  IP : 117.47.158.123   

edit แก้ไขคำตอบ   delete ลบคำตอบ 28766

คำตอบที่ 78
       สวยโดนใจเลยครับพี่อ็อด






 แสดงความคิดเห็นย่อย แสดงความคิดเห็นย่อย

จาก กระดังงา freestyle 124.120.89.102 พุธ, 17/12/2551 เวลา : 10:01  IP : 124.120.89.102   

edit แก้ไขคำตอบ   delete ลบคำตอบ 28771

คำตอบที่ 79
       แต่งรถซะเทพ แต่ไม่มี winch มันหายไปไหนครับ ( หนูไม่รู้จริงๆ )



 แสดงความคิดเห็นย่อย แสดงความคิดเห็นย่อย

จาก เบนซ์ สิงห์ รักษ์ ป่า 124.121.151.183 พุธ, 17/12/2551 เวลา : 19:48  IP : 124.121.151.183   

edit แก้ไขคำตอบ   delete ลบคำตอบ 28779

คำตอบที่ 80
       ต้องขออนุญาตนะครับ...ภาพมันล้นจอ...จริงๆ...คงไม่ว่ากันนะ...จ๊ะ/อยากดูครับ





 แสดงความคิดเห็นย่อย แสดงความคิดเห็นย่อย

จาก se_rim 118.173.151.166 พุธ, 17/12/2551 เวลา : 21:13  IP : 118.173.151.166   

edit แก้ไขคำตอบ   delete ลบคำตอบ 28780

คำตอบที่ 81
       ทักทายทุกคนครับ ตอบ mr ปัญ หัวเดิมครับช่างเคาะขึ้นรูปมาใหม่ ทักหนูแดงปีหน้าขอติดตามขอนลอยซักทริปแน่นอนครับ คิดถึงพี่ตู่เสมอครับ ตอบ R400 รถเดิมครับทำสีใหม่ ดีใจที่อายังจำผมได้ครับ ทริปนี้ผมเรียกทริป ส่งมอบอะไหล่



 แสดงความคิดเห็นย่อย แสดงความคิดเห็นย่อย

จาก OOD...Terrano 125.27.70.87 พุธ, 17/12/2551 เวลา : 21:56  IP : 125.27.70.87   

edit แก้ไขคำตอบ   delete ลบคำตอบ 28782

คำตอบที่ 82
      





 แสดงความคิดเห็นย่อย แสดงความคิดเห็นย่อย

จาก OOD...Terrano 125.27.70.87 พุธ, 17/12/2551 เวลา : 22:06  IP : 125.27.70.87   

edit แก้ไขคำตอบ   delete ลบคำตอบ 28783

คำตอบที่ 83
       น้องเบนซ์ วินซ์ พี่หายครับไม่รู้หายไปไหนแต่มีคนเห็นแว๊บๆอยู่แถวประทุมเขาบอกจำยันมหาอุตได้ แต่ไม่ตามคืนแล้วละเพราะตอนนี้มีรักใหม่หันมาคบกับเจ้านี้แล้วครับ





 แสดงความคิดเห็นย่อย แสดงความคิดเห็นย่อย

จาก OOD...Terrano 125.27.70.87 พุธ, 17/12/2551 เวลา : 22:10  IP : 125.27.70.87   

edit แก้ไขคำตอบ   delete ลบคำตอบ 28784

คำตอบที่ 84
       อันนี้ Projec ของปีหน้าเป็นอาวุธใหม่ของผมเกียร์ ปาเจโร่ โชกุล เสื้อเหล็ก มาพร้อมวินซ์เพลา เกียร์รุ่นนี้มีเกียร์พิเศษ คือเกียร์โฟร์ ปรกติขับ4 จะมีเกียร์ HI เกียร์ LOW ส่วนตัวนี้จะมี เกียร์ LOW LOW อัตราทดจะสูงมากเอาใว้เวลาเดินหิน ประโยชน์อีกอย่างที่ผมชอบที่สุด คือเวลาใช้ วินซ์เพลา คนใช้วินซ์เพลาส่วนใหญ่จะมีปัญหาตรงที่รอบโลเลอร์สลิงวินซ์ไม่สัมพันธ์ กับ รอบล้อ คือเวลาใช้วินซ์แล้วปันล้อแล้วล้อรถหมุนเร็วกว่าโรเลอร์วินซ์ทำให้สลิงฟูทำให้เสียจังหวะ เซียนวินซ์เพลารู้ปัญหาตรงนี้ดีแก้ยาก แต่ถ้ามาใช้เกียร์ของผมแล้วใช้เกียร์ LOW LOW หมดปัญหา





 แสดงความคิดเห็นย่อย แสดงความคิดเห็นย่อย

จาก OOD...Terrano 125.27.70.87 พุธ, 17/12/2551 เวลา : 22:26  IP : 125.27.70.87   

edit แก้ไขคำตอบ   delete ลบคำตอบ 28786

คำตอบที่ 85
       เกียร์ลูกนี้ได้มาจากพี่อ๊อฟโร๊ดที่แปดริ้วราคาพร้อมPTO 16000 อาจารย์ผมเคยใช้เกียร์โฟร์มาหลายรุ่น แก เปรียบให้ฟังอย่างงี้ครับ เกียร์ SR5 ต้นจัด ปลายไหล เกียร์ Terrano ต้นจัดปลายแรง เกียร์ปาเสื้อเหล็กต้นจัดปลายจัด แฮะๆผมชักอยากจะยกขึ้นเต็มแก่แล้วครับ เรื่องอึดไม่ต้องห่วงเพราะพัทนามาจากสนามแข่งไม่เชื่อเอาตำแหน่งแชมป์โลก WRC เป็นประกัน 5555 เพื่อนๆสาวก Nissan ไม่ว่ากันนะครับอะไรมันดีก็ว่ากันไป ที่อ๊อฟโร๊ดบ้านเราไม่ใช้เพราะ Slow มันออกซ้าย แต่เชื่อผมเถอะอนาคตหลายคนต้องมาใส่เหมือนผม



 แสดงความคิดเห็นย่อย แสดงความคิดเห็นย่อย

จาก OOD...Terrano 125.27.70.87 พุธ, 17/12/2551 เวลา : 22:39  IP : 125.27.70.87   

edit แก้ไขคำตอบ   delete ลบคำตอบ 28787

คำตอบที่ 86
       ช่อง PTO อยู่ทางขวา





 แสดงความคิดเห็นย่อย แสดงความคิดเห็นย่อย

จาก OOD...Terrano 125.27.70.87 พุธ, 17/12/2551 เวลา : 22:41  IP : 125.27.70.87   

edit แก้ไขคำตอบ   delete ลบคำตอบ 28788

คำตอบที่ 87
       ทางซ้ายก็มีช่องเสียบเหมือนกัน ผมกะจะสร้างเฟื่องขึ้นมาขบมาใช้หมุนปั๊มลมของรถ10ล้อมาใช้ในกิจการเบรค จิบฟี่ เป็น Projec ใหญ่ที่ผมจะทำในปีหน้า



 แสดงความคิดเห็นย่อย แสดงความคิดเห็นย่อย

จาก OOD...Terrano 125.27.70.87 พุธ, 17/12/2551 เวลา : 22:46  IP : 125.27.70.87   

edit แก้ไขคำตอบ   delete ลบคำตอบ 28789

คำตอบที่ 88
       ลืมรูป





 แสดงความคิดเห็นย่อย แสดงความคิดเห็นย่อย

จาก OOD...Terrano 125.27.70.87 พุธ, 17/12/2551 เวลา : 22:47  IP : 125.27.70.87   

edit แก้ไขคำตอบ   delete ลบคำตอบ 28790

คำตอบที่ 89
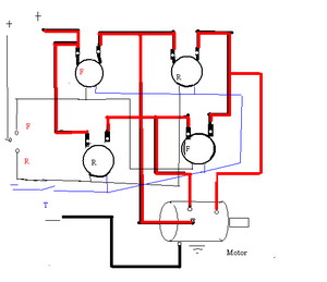
       โพสรูปไปห้าวไปเอาใว้พรุ่งนี้มาต่อช่วงล่างรถผมแล้วกันวันนี้ขอฝากสิ่งนี้ให้น้องเบนซ์และเพื่อน Nissan ที่ใช้วินซ์ไฟฟ้าใครอยากมีวินซ์แรงๆ เชิญทางนี้ ผมคิดขึ้นมาเมื่อหลายปีก่อนเป็นอุปกรณ์รีเลย์ใช้แทนรีเลย์เดิมของวินซ์ไฟฟ้า แก้ปัญหาวินซเข้าได้ ออกไม่ได้ วินซ์ตัดบ่อย ไม่แรง คือผมใช้รีเลย์ต่อไฟรถ10ล้อชนิด12V หรือที่ช่างเรียกสวิทย์ต๊อกแต๊ก มาแทนรีเลย์เดิม มันจะไม่สนใจเรื่องวินซจะร้อนหรือเย็น ไฟจะแก่จะอ่อน มันต่อตรงอย่างเดียวทนทานมากเสียได้ผมไม่มีรูปมาให้ดู





 แสดงความคิดเห็นย่อย แสดงความคิดเห็นย่อย

จาก OOD...Terrano 125.27.70.87 พุธ, 17/12/2551 เวลา : 23:05  IP : 125.27.70.87   

edit แก้ไขคำตอบ   delete ลบคำตอบ 28791

คำตอบที่ 90
       อุปกรณ์ก็มี สวิทซ์ต๊อกแต๊ก4ตัว ตัววัดอุณภูมิเอาใว้ติดที่ตัววินซ์เวลาวินซ์ร้อนเกินค่าที่เราปรับใว้ก็ให้มาตัดสวิทซ์ต๊อกแต๊ก วินซ์บางยี้ห้อมี T Senser มาให้ก็นำมาใช้ได้เลยส่วนเรื่องจะตั้งอุณภมิตัดเท่าไหร่วันหน้าค่อยว่ากันนะครับวันนี้ผมไปนอนก่อนครับ





 แสดงความคิดเห็นย่อย แสดงความคิดเห็นย่อย

จาก OOD...Terrano 125.27.70.87 พุธ, 17/12/2551 เวลา : 23:23  IP : 125.27.70.87   

edit แก้ไขคำตอบ   delete ลบคำตอบ 28792

      

ยังมีคำตอบมากกว่านี้นะครับ คลิ๊กเพื่อดูหน้าถัดไป


คำตอบแบ่งหน้าละ 30 คำตอบ ขณะนี้คุณอยู่ที่หน้า 3 จาก >>> 1  2  3  4  5  6  



website รองรับการใช้งานทุกระบบปฏิบัติการของ PC Tablet SmartPhone ทุกระบบสามารถโพสข้อความและรูปภาพได้โดยไม่ต้องย่อไฟล์
เพื่อความปลอดภัยในการใช้ website WeekendHobby.Com สมาชิก เท่านั้น จึงจะตั้งกระทู้ หรือ ตอบกระทู้ได้ครับ
Login Click ที่นี่
สมัครสมาชิก Click ที่นี่



Since 22, Feb 2001 hit counter View My Stats  Truehits.net      วันอาทิตย์,19 เมษายน 2569 (Online 1584 คน)