WeekendHobby.com
เครื่องมือในการใช้งาน website =>> สมัครสมาชิก | Login | Logout | เปลี่ยนไอคอนส่วนตัว | เกี่ยวกับเรา | ติดต่อโฆษณา         View stat by Truehits.net


นาทีนี้เป็นนาทีทองของช่างวายสาย

จาก ดำ TERRANO NFC 027
IP:125.24.197.129

พุธที่ , 4/6/2551
เวลา : 08:00

อ่านแล้ว = ครั้ง
 เก็บเข้ากระทู้ส่วนตัว
แจ้งตรวจสอบกระทู้
 แจ้งลบ
ส่งหาเพื่อน ส่งหาเพื่อน

       ย่างเข้าเดือนที่ 7 แล้วสำหรับรถผมยังไม่เสร็จเสียทีปัญหาตอนนี้คือขาดช่างวายสายที่ต้องวายสายเกียร์ ส่วนสายของเครื่องครบไม่ได้ตัดมาเลย พยายามหาช่างที่จะทำยังหาไม่ได้สาเหตุเพราะ 1. ตอนนี้งานวายสายเข้ามามากทำไม่ทัน
2. บางท่านยอมรับตรง ๆ ว่าสำหรับเครื่อง VQ ตัวนี้ไม่เคยทำ 3. บางท่านบอกว่าไม่มีวงจร หาวงจรไม่ได้



 แสดงความคิดเห็นย่อย แสดงความคิดเห็นย่อย

แจ้งเพื่อเก็บขึ้นกระทู้พิเศษ คลิ๊กที่นี่แจ้งเพื่อนำขึ้นกระทู้พิเศษ

คำตอบแบ่งหน้าละ 30 คำตอบ ขณะนี้คุณอยู่ที่หน้า 2 จาก >>> 1  2  3  4  

คำตอบที่ 31
       อู่เอสแอนด์พีเชอร์วิส รับวางเครื่องและวายสายไฟ
ติอต่อคุณไพโรจน์ 0816297396 ถนนประชานิเวศน์1
ซอยเทศบาลนิมิตใต้






 แสดงความคิดเห็นย่อย แสดงความคิดเห็นย่อย

จาก Bkk 58.8.89.148 ศุกร์, 10/7/2552 เวลา : 09:10  IP : 58.8.89.148   

edit แก้ไขคำตอบ   delete ลบคำตอบ 31763

คำตอบที่ 32
       อู่เอสแอนด์พีเชอร์วิส รับวางเครื่องและวายสายไฟ
ติอต่อคุณไพโรจน์ 0816297396 ถนนประชานิเวศน์1
ซอยเทศบาลนิมิตใต้






 แสดงความคิดเห็นย่อย แสดงความคิดเห็นย่อย

จาก Bkk 58.8.89.148 ศุกร์, 10/7/2552 เวลา : 09:12  IP : 58.8.89.148   

edit แก้ไขคำตอบ   delete ลบคำตอบ 31764

คำตอบที่ 33
       อาจารย์ ครับเปิดสอน HYBRID ENGINE A/T TIPTRONIC ไหมครับ จากช่างธงรามอินทรา วัชรพล ขอขอบคุณครับ



 แสดงความคิดเห็นย่อย แสดงความคิดเห็นย่อย

จาก จาก ช่างธง 125.25.5.35 อาทิตย์, 23/8/2552 เวลา : 21:47  IP : 125.25.5.35   

edit แก้ไขคำตอบ   delete ลบคำตอบ 33039

คำตอบที่ 34
       ไม่ได้สอน HYBRID ENGINE A/T TIPTRONIC ครับ สอนวายสายไฟของ JZ,SR20DET,4G-63,H22A ครับขอบคุณครับ



 แสดงความคิดเห็นย่อย แสดงความคิดเห็นย่อย

kBB จาก kBB 58.8.95.189 พุธ, 7/10/2552 เวลา : 09:34  IP : 58.8.95.189   

edit แก้ไขคำตอบ   delete ลบคำตอบ 34230

คำตอบที่ 35
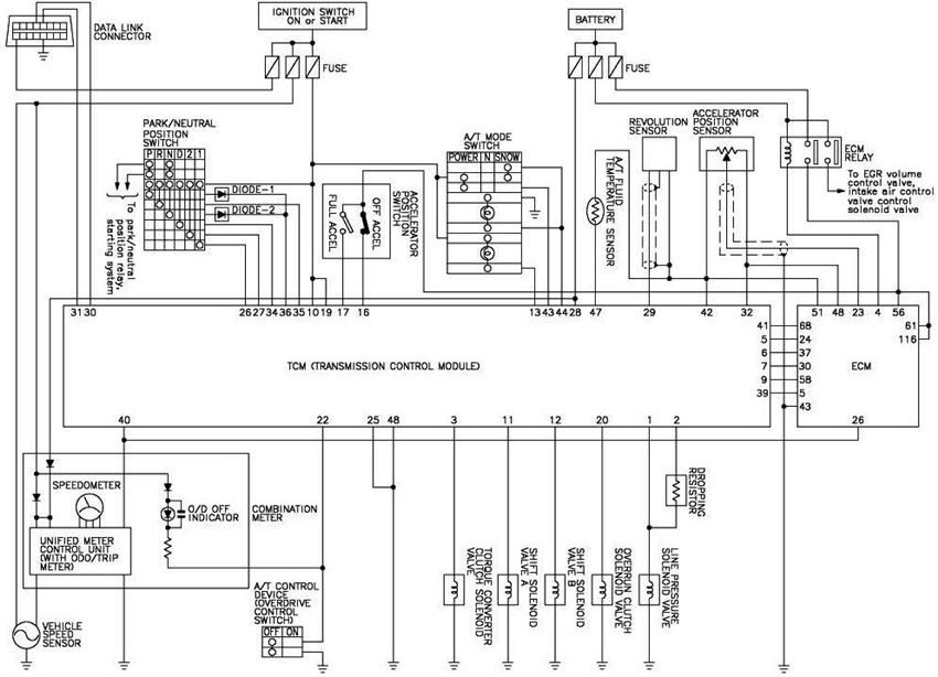
       ขอสอบถามหน่อยว่า จากไดอะแกรมนี้ ถ้าเราจะใช้เกียร์โดยไม่ต้องใช้กล่องเกียร์ และไม่ต้องเอาสัญญาณจากกล่องเครื่องมาควบคุมการเปลี่ยนเกียร์ได้ไหมครับ แล้วค่าใช้จ่ายประมาณเท่าไหร่ ขอบคุณครับ



 แสดงความคิดเห็นย่อย แสดงความคิดเห็นย่อย

zodic จาก mr.ปัญ 202.28.169.166 ศุกร์, 16/10/2552 เวลา : 12:22  IP : 202.28.169.166   

edit แก้ไขคำตอบ   delete ลบคำตอบ 34403

คำตอบที่ 36
       ลืมรูป





 แสดงความคิดเห็นย่อย แสดงความคิดเห็นย่อย

zodic จาก mr.ปัญ 202.28.169.166 ศุกร์, 16/10/2552 เวลา : 12:22  IP : 202.28.169.166   

edit แก้ไขคำตอบ   delete ลบคำตอบ 34404

คำตอบที่ 37
       หรือจะใช้แค่กล่องเกียร์อย่างเดียว โดยไม่ต้องมีกล่องเครื่องได้ไหมครับ





 แสดงความคิดเห็นย่อย แสดงความคิดเห็นย่อย

zodic จาก mr.ปัญ 125.24.47.247 เสาร์, 17/10/2552 เวลา : 23:55  IP : 125.24.47.247   

edit แก้ไขคำตอบ   delete ลบคำตอบ 34448

คำตอบที่ 38
       ไม่ได้ครับ ต้องใช้กล่องเกียร์ออโต หรือถ้าไม่เช่นนั้ให้เปลี่ยนไปใช้เกียร์ธรรมดา ถ้ามีข้อสงสัยก็โทรมาถามได้ครับ



 แสดงความคิดเห็นย่อย แสดงความคิดเห็นย่อย

KBB จาก KBB 203.155.224.180 จันทร์, 19/10/2552 เวลา : 20:38  IP : 203.155.224.180   

edit แก้ไขคำตอบ   delete ลบคำตอบ 34502

คำตอบที่ 39
       มีสถานที่เรียนอีกหนึ่งที่ครับที่พอจะให้ความรู้แก่ท่านที่สนใจรักการวายสายไฟ ระยะเรียน 1 ปี ให้เลือกดูครับ อยู่ต่างจังหวัดครับ เป็น หจก ไวริ่ง ออโต้คาร์ เปิดสอนวายริ่งสายไฟ ทุกรุ่น ทุกยี้ห้อ ตั้งแต่ปี 1990-2009 มีเครื่องจำลอง หลายรุ่น และให้ฝึกกับรถจริง เมือผ่านการอบรมแล้ว แถมเมือเรียนจบ มีอู่ชั้นนำ มารับไปทำงาน เริ่มเงินเดือน 25,000 บาท ถึง 35,000 บาท ดูรายละเอียดที่เว็ป www.autoprayong.com ค่าเรียนแพงกว่ามากครับ ลองดูกันเองนะครับ

 แก้ไขเมื่อ : 30/5/2554 15:41:20

 แก้ไขเมื่อ : 30/5/2554 15:46:21





 แสดงความคิดเห็นย่อย แสดงความคิดเห็นย่อย

tonywitoon จาก tony 183.88.62.123 จันทร์, 30/5/2554 เวลา : 13:58  IP : 183.88.62.123   

edit แก้ไขคำตอบ   delete ลบคำตอบ 40229

คำตอบที่ 40
       ลองดูนะครับ www.autoprayong.com





 แสดงความคิดเห็นย่อย แสดงความคิดเห็นย่อย

tonywitoon จาก tony 183.88.62.123 จันทร์, 30/5/2554 เวลา : 14:01  IP : 183.88.62.123   

edit แก้ไขคำตอบ   delete ลบคำตอบ 40230

คำตอบที่ 41
       ลองดูนะครับ www.autoprayong.com





 แสดงความคิดเห็นย่อย แสดงความคิดเห็นย่อย

tonywitoon จาก tony 183.88.62.123 จันทร์, 30/5/2554 เวลา : 14:03  IP : 183.88.62.123   

edit แก้ไขคำตอบ   delete ลบคำตอบ 40231

คำตอบที่ 42
       มีเครื่อง VIOS -AlTIS 3ZZ-FE ให้ฝึกด้วย www.autoprayong.com





 แสดงความคิดเห็นย่อย แสดงความคิดเห็นย่อย

tonywitoon จาก tony 183.88.62.123 จันทร์, 30/5/2554 เวลา : 14:05  IP : 183.88.62.123   

edit แก้ไขคำตอบ   delete ลบคำตอบ 40232

คำตอบที่ 43
       ลองดูกันเองนะ





 แสดงความคิดเห็นย่อย แสดงความคิดเห็นย่อย

tonywitoon จาก tony 183.88.62.123 จันทร์, 30/5/2554 เวลา : 14:06  IP : 183.88.62.123   

edit แก้ไขคำตอบ   delete ลบคำตอบ 40233

คำตอบที่ 44
       มีคอมพิวเตอร์ลงโปรแกรม TOYOTA โดยตรง ให้ลองเล่นดู แก้ระบบ IMO กุญแจด้วย





 แสดงความคิดเห็นย่อย แสดงความคิดเห็นย่อย

tonywitoon จาก tony 183.88.62.123 จันทร์, 30/5/2554 เวลา : 14:08  IP : 183.88.62.123   

edit แก้ไขคำตอบ   delete ลบคำตอบ 40234

คำตอบที่ 45
       มีสายไฟ TOYOTA VIGO /2004-/2008 ให้เล่นสายไฟทั้งระบบ





 แสดงความคิดเห็นย่อย แสดงความคิดเห็นย่อย

tonywitoon จาก tony 183.88.62.123 จันทร์, 30/5/2554 เวลา : 14:10  IP : 183.88.62.123   

edit แก้ไขคำตอบ   delete ลบคำตอบ 40235

คำตอบที่ 46
       มีเครื่อง 3S-FE ให้เล่น ดูที่ www.autoprayong.com ค่าเรียนแพงหน่อยนะ





 แสดงความคิดเห็นย่อย แสดงความคิดเห็นย่อย

tonywitoon จาก tony 183.88.62.123 จันทร์, 30/5/2554 เวลา : 14:11  IP : 183.88.62.123   

edit แก้ไขคำตอบ   delete ลบคำตอบ 40236

คำตอบที่ 47
       สถานที่ก็ ok ครับ





 แสดงความคิดเห็นย่อย แสดงความคิดเห็นย่อย

tonywitoon จาก tony 183.88.62.123 จันทร์, 30/5/2554 เวลา : 14:12  IP : 183.88.62.123   

edit แก้ไขคำตอบ   delete ลบคำตอบ 40237

คำตอบที่ 48
       มีรถให้ฝึกจริงกันด้วย





 แสดงความคิดเห็นย่อย แสดงความคิดเห็นย่อย

tonywitoon จาก tony 183.88.62.123 จันทร์, 30/5/2554 เวลา : 14:17  IP : 183.88.62.123   

edit แก้ไขคำตอบ   delete ลบคำตอบ 40238

คำตอบที่ 49
       มีให้ฝึกรถจริง





 แสดงความคิดเห็นย่อย แสดงความคิดเห็นย่อย

tonywitoon จาก tony 183.88.62.123 จันทร์, 30/5/2554 เวลา : 14:18  IP : 183.88.62.123   

edit แก้ไขคำตอบ   delete ลบคำตอบ 40239

คำตอบที่ 50
       เดินสายไฟจรองรถจริง





 แสดงความคิดเห็นย่อย แสดงความคิดเห็นย่อย

tonywitoon จาก tony 183.88.62.123 จันทร์, 30/5/2554 เวลา : 14:19  IP : 183.88.62.123   

edit แก้ไขคำตอบ   delete ลบคำตอบ 40240

คำตอบที่ 51
       สถานที่ www.autoprayong.com





 แสดงความคิดเห็นย่อย แสดงความคิดเห็นย่อย

tonywitoon จาก tony 183.88.62.123 จันทร์, 30/5/2554 เวลา : 14:21  IP : 183.88.62.123   

edit แก้ไขคำตอบ   delete ลบคำตอบ 40241

คำตอบที่ 52
       ให้ฝึกจนเป็น www.autoprayong.com





 แสดงความคิดเห็นย่อย แสดงความคิดเห็นย่อย

tonywitoon จาก tony 183.88.62.123 จันทร์, 30/5/2554 เวลา : 14:22  IP : 183.88.62.123   

edit แก้ไขคำตอบ   delete ลบคำตอบ 40242

คำตอบที่ 53
       นักเรียนมามากจริง





 แสดงความคิดเห็นย่อย แสดงความคิดเห็นย่อย

tonywitoon จาก tony 183.88.62.123 จันทร์, 30/5/2554 เวลา : 14:23  IP : 183.88.62.123   

edit แก้ไขคำตอบ   delete ลบคำตอบ 40243

คำตอบที่ 54
       ให้เล่นของจริงทดสอบจริง www.autoprayong.com





 แสดงความคิดเห็นย่อย แสดงความคิดเห็นย่อย

tonywitoon จาก tony 183.88.62.123 จันทร์, 30/5/2554 เวลา : 14:24  IP : 183.88.62.123   

edit แก้ไขคำตอบ   delete ลบคำตอบ 40244

คำตอบที่ 55
       ให้เลือกเรียน www.autoprayong.com





 แสดงความคิดเห็นย่อย แสดงความคิดเห็นย่อย

tonywitoon จาก tony 183.88.62.123 จันทร์, 30/5/2554 เวลา : 14:26  IP : 183.88.62.123   

edit แก้ไขคำตอบ   delete ลบคำตอบ 40245

คำตอบที่ 56
       www.autoprayong.com





 แสดงความคิดเห็นย่อย แสดงความคิดเห็นย่อย

tonywitoon จาก tony 183.88.62.123 จันทร์, 30/5/2554 เวลา : 14:27  IP : 183.88.62.123   

edit แก้ไขคำตอบ   delete ลบคำตอบ 40246

คำตอบที่ 57
       มีการสอนเขียนโปรแกรมใหม่ ของ ระบบถุงลม SRS ที่ระเบิดแล้ว สอนการยกเลิก ระบบกุญแจก IMO





 แสดงความคิดเห็นย่อย แสดงความคิดเห็นย่อย

tonywitoon จาก tony 183.88.62.123 จันทร์, 30/5/2554 เวลา : 14:29  IP : 183.88.62.123   

edit แก้ไขคำตอบ   delete ลบคำตอบ 40247

คำตอบที่ 58
       www.autoprayong.com





 แสดงความคิดเห็นย่อย แสดงความคิดเห็นย่อย

tonywitoon จาก tony 183.88.62.123 จันทร์, 30/5/2554 เวลา : 14:32  IP : 183.88.62.123   

edit แก้ไขคำตอบ   delete ลบคำตอบ 40248

คำตอบที่ 59
       มีเลือกหลานรุ่น





 แสดงความคิดเห็นย่อย แสดงความคิดเห็นย่อย

tonywitoon จาก tony 183.88.62.123 จันทร์, 30/5/2554 เวลา : 14:33  IP : 183.88.62.123   

edit แก้ไขคำตอบ   delete ลบคำตอบ 40249

คำตอบที่ 60
       มีสถานที่หลายจุด www.autoprayong.com





 แสดงความคิดเห็นย่อย แสดงความคิดเห็นย่อย

tonywitoon จาก tony 183.88.62.123 จันทร์, 30/5/2554 เวลา : 14:36  IP : 183.88.62.123   

edit แก้ไขคำตอบ   delete ลบคำตอบ 40250

      

ยังมีคำตอบมากกว่านี้นะครับ คลิ๊กเพื่อดูหน้าถัดไป


คำตอบแบ่งหน้าละ 30 คำตอบ ขณะนี้คุณอยู่ที่หน้า 2 จาก >>> 1  2  3  4  



website รองรับการใช้งานทุกระบบปฏิบัติการของ PC Tablet SmartPhone ทุกระบบสามารถโพสข้อความและรูปภาพได้โดยไม่ต้องย่อไฟล์
เพื่อความปลอดภัยในการใช้ website WeekendHobby.Com สมาชิก เท่านั้น จึงจะตั้งกระทู้ หรือ ตอบกระทู้ได้ครับ
Login Click ที่นี่
สมัครสมาชิก Click ที่นี่



Since 22, Feb 2001 hit counter View My Stats  Truehits.net      วันจันทร์,16 กุมภาพันธ์ 2569 (Online 3401 คน)