WeekendHobby.com
เครื่องมือในการใช้งาน website =>> สมัครสมาชิก | Login | Logout | เปลี่ยนไอคอนส่วนตัว | เกี่ยวกับเรา | ติดต่อโฆษณา         View stat by Truehits.net


มีปัญหาจุกจิกมาถามครับ
ปาหมึก933
จาก ปาหมึก933
IP:182.52.52.47

จันทร์ที่ , 26/12/2554
เวลา : 18:13

อ่านแล้ว = ครั้ง
 เก็บเข้ากระทู้ส่วนตัว
แจ้งตรวจสอบกระทู้
 แจ้งลบ
ส่งหาเพื่อน ส่งหาเพื่อน

       1.สืบเนื่องจากระบบไฟจุดระเบิดเริ่มเกเร
หลังจากที่ผมลืมเปิดสวิทช์ ON ค้างไว้ทั้งวัน(จนแบตหมด)
แก้ไขที่ตัวจานจ่ายแล้วก็ยังเป็นๆหายๆอยู่
เลยมาสงสัยว่า ไฟที่มาเลี้ยงคอยล์มันมีวงจรอย่างไร(เครื่อง 4g54)
จะได้ไล่ได้ถูกเพราะตอนนี้มันเป็นๆหายๆเลยไม่กล้าใช้ไปไหนเลยครับ
2.ฟิวล์ที่อยู่ตรงขั้วบวกของแบตมันเป็นฟิวส์อะไรบ้างครับ

ขอบคุณทุกคำตอบครับ



 แสดงความคิดเห็นย่อย แสดงความคิดเห็นย่อย

แจ้งเพื่อเก็บขึ้นกระทู้พิเศษ คลิ๊กที่นี่แจ้งเพื่อนำขึ้นกระทู้พิเศษ

คำตอบแบ่งหน้าละ 30 คำตอบ ขณะนี้คุณอยู่ที่หน้า 1 จาก >>> 1  

คำตอบที่ 1
       ใช้อยู่เหมือนกัน อาการเป็นไงบ้างท่าน บอกอาการละเอียดหน่อย วงจรโดยรวมทั่วไป ของจานจ่าย แบบ หน้าทองขาว ไฟบวกจากสวิทช์กุญแจ จ่ายให้ขั่วบวกคอยล์ไฟแรงสูง ขั่วลบคอยล์ไฟแรงสูงรับสัญญาณมาจากหน้าทองขาว โดยมีคอนเด็นเซอร์ตัวเล็กต่อลงตัวถังรถอยู่ด้วย วงจรก็ประมาณนี่ละครับ ผิดถูกอย่างไรของอภัยด้วยครับ



 แสดงความคิดเห็นย่อย แสดงความคิดเห็นย่อย

csa จาก csa 203.131.220.88 อังคาร, 27/12/2554 เวลา : 08:37  IP : 203.131.220.88   

edit แก้ไขคำตอบ   delete ลบคำตอบ 8722

คำตอบที่ 2
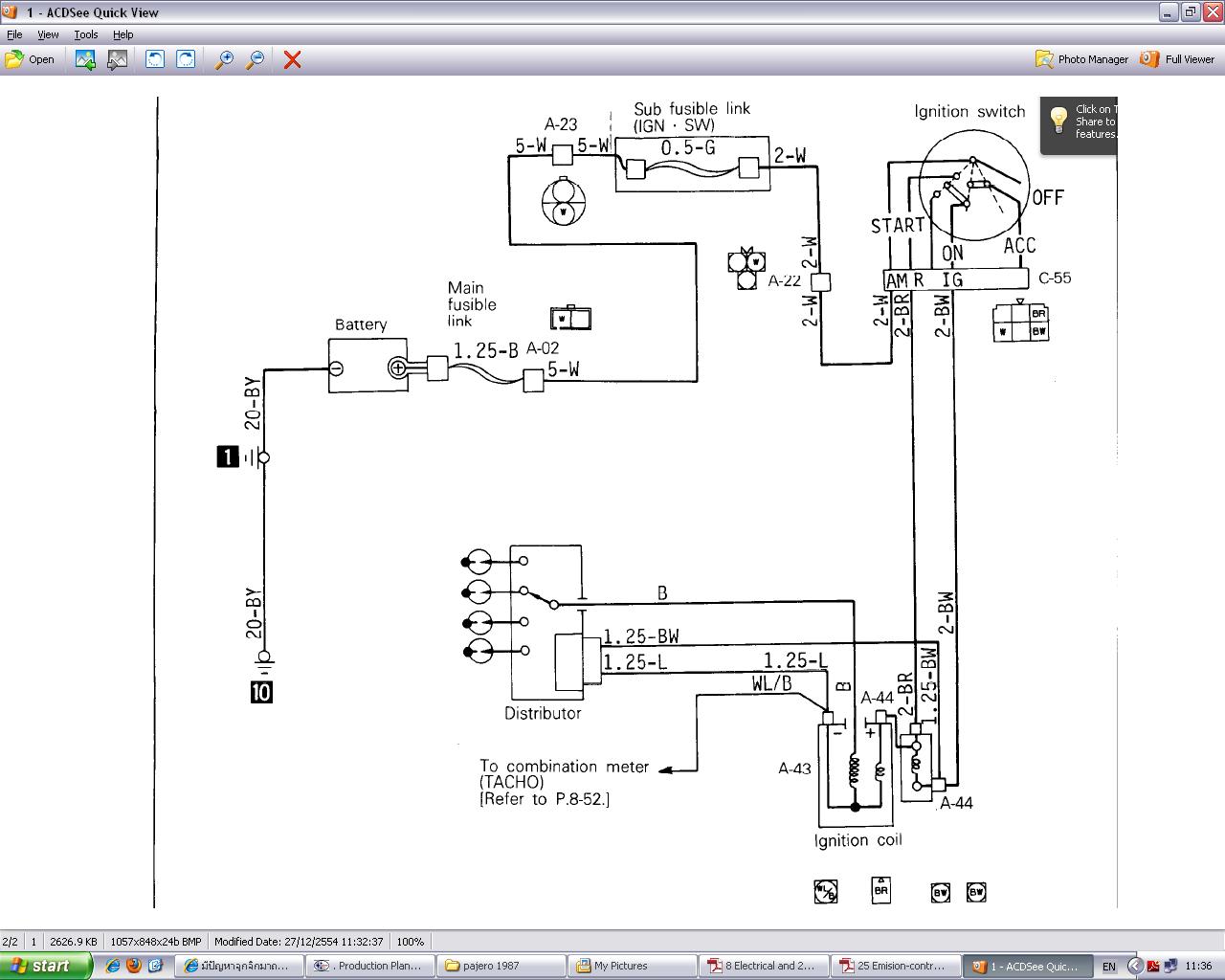
       ใช่ชุดนี้ปล่าวครับ





ขอบคุณมากครับ จะลองไปไล่วงจรดู
จาก : ปาหมึก933(ปาหมึก933) 28/12/2554 8:12:27 [118.172.236.222]
 แสดงความคิดเห็นย่อย แสดงความคิดเห็นย่อย

otop จาก ปา-นคร 110.77.225.153 อังคาร, 27/12/2554 เวลา : 11:40  IP : 110.77.225.153   

edit แก้ไขคำตอบ   delete ลบคำตอบ 8724

      

คำตอบแบ่งหน้าละ 30 คำตอบ ขณะนี้คุณอยู่ที่หน้า 1 จาก >>> 1  



website รองรับการใช้งานทุกระบบปฏิบัติการของ PC Tablet SmartPhone ทุกระบบสามารถโพสข้อความและรูปภาพได้โดยไม่ต้องย่อไฟล์
เพื่อความปลอดภัยในการใช้ website WeekendHobby.Com สมาชิก เท่านั้น จึงจะตั้งกระทู้ หรือ ตอบกระทู้ได้ครับ
Login Click ที่นี่
สมัครสมาชิก Click ที่นี่



Since 22, Feb 2001 hit counter View My Stats  Truehits.net      วันเสาร์,7 กุมภาพันธ์ 2569 (Online 2739 คน)