WeekendHobby.com


พี่ ๆ ท่านใดเคยเปลี่ยนประตูรอบคัน และเดินไฟกระจกไฟฟ้าบ้างครับ

จาก ปาฝึกหัด
พฤหัสบดีที่ , 4/10/2550
เวลา : 20:49

อ่าน = 1529
202.44.7.66
       ตั้งแต่รถโดนมอเตอร์ไซด์ชนมาเมื่อต้นปี ประตุคนขับยุบ เลยหาประตูมาแทนแต่สภาพไม่ค่อยดีครับ ล่าสุดผมเลยไปซื้อประตูจากเซียงกงบางนามาแบบเหมา 5 บาน แต่เป็นคนละสีกับตัวรถเดิม ว่าจะเปลียนรอบคันแล้วไปทำสีใหม่ เพราะจะได้กระจกไฟฟ้า และไล่ฝ้ากระจกหลังมาด้วย รวมถึงยางขอบประตูที่สภาพเดิมแย่มากแล้วครับ ไม่ทราบว่าพอจะมีที่ใดติดตั้งประตูพร้อมเดินสายไฟกระจกไฟฟ้าให้ได้บ้าง ขอบคุณล่วงหน้าครับ

เครื่องมือในการใช้งาน website =>> สมัครสมาชิก | Login | Logout | เปลี่ยนไอคอนส่วนตัว | เกี่ยวกับเรา | ติดต่อโฆษณา         View stat by Truehits.net


   
   

คำตอบที่ 1
       คุณปาฝึกหัด ผมใช้บริการ K-Auto เชิงสะพานปทุมธานี ลองเข้าไปคุยดูนะขอรับ เพราะเขาทำงานแบบโมดิฟลาย และงานรถยนต์ทั่วไปอยู่แล้ว พร้อมมีช่างไฟรถยนต์รวมอยู่ด้วย ขอรับ

ว่าแต่......ซื้อตั้ง 5 บานเลยเหรอขอรับ แล้วของที่ถอดจะเอาไว้ไหนขอรับ



Rin จาก Rin  203.113.40.73  ศุกร์, 5/10/2550 เวลา : 16:36   


คำตอบที่ 2
       ขอบคุณมากครับ คุณริน จะลองดูครับ สำหรับประตูเดิมก็ยังเป็นปัญหาอยู่ครับ ว่าจะเอาไว้ไหนดี เดี๋ยวเปลี่ยนออกแล้วค่อยว่ากันครับ คงต้องเข้าอู่ทำสีรอบคันซักที เตรียมไว้ไปเที่ยวปลายปีนี้ครับ สาเหตุที่เปลี่ยน 5 บานก็อย่างที่บอกครับได้ชุดกระจกไฟฟ้า พร้อมยางขอบประตูครับ แต่ไม่รู้ว่าเปลี่ยนแล้วจะปิดได้สนิทเหมือนเดิมไหม เพราะบานที่โดนชนมา เปลี่ยนแล้วปิดไม่ค่อยสนิท (ช่วยกันเปลี่ยนเองครับ สงสัยมือสั้น -- มือไม่ถึงครับ) ว่าแต่เข้าปลายวสันตฤดูแล้ว ปีนี้คุณรินจะไปท่องแดนไหนครับ



จาก ปาฝึกหัด  202.44.7.70  ศุกร์, 5/10/2550 เวลา : 17:31   


คำตอบที่ 3
       พี่ปาฝึกหัดครับ ไม่ทราบว่าสภาพยางขอบประตูหลัง ยังใช้การได้ดีอยู่มั้ยครับ ผมเพิ่งเอาไปติดบันไดลิงหลังมา ช่างไม่ระวังตอนลองปิดประตู ยางขอบประตูมันไปเบียดกับบันไดลิง ยางฉีกเลยครับ เซ็ง

ถ้ายังใช้ได้ดีผมขอซื้อต่อได้มั้ยครับ

บ้านผมอยู่ติดกับท๊อปซูเปอร์มาเก็ต วังหินครับ ถ้าจำไม่ผิดพี่ปาฝึกหัดน่าจะอยู่ซ.เลิศอุบลใช่มั้ยครับ


จิณวิทย์
086 778 7303






จาก จิณวิทย์  124.157.244.79  เสาร์, 6/10/2550 เวลา : 16:46   


คำตอบที่ 4
       ไม่มีปัญหาครับคุณจิณวิทย์ เดี๋ยวเปลี่ยนประตูเสร็จแล้วมาเลาะไปได้เลยครับ ฟรีครับ (สภาพก็ไม่สู้ดีเท่าไหร่ครับ) ผมกะว่าจะเอาเข้าอู่สหายยนต์ในซอยข้างไทยพาณิชย์ครับ แล้วจะโทร. แจ้งครับ ว่าแต่รู้ได้ไงครับว่าเป็นผม ถูกแล้วครับผมอยู่ใน ม.เลิศอุบลนี่เองครับ

เบอร์ผม 0866033778 ครับ ยินดีที่ได้รู้จักครับ



จาก ปาฝึกหัด  161.200.255.162  เสาร์, 6/10/2550 เวลา : 23:24   


คำตอบที่ 5
       ขอบคุณมากครับ พี่ปาฝึกหัด ผมว่าจะกลับกทม วันที่ 19 ตุลานี้น่ะครับ พี่คงเปลี่ยนประตูเสร็จแล้ว

เคยอ่านเห็นแว็ปๆว่าพี่เคยอยู่เลิศอุบลน่ะครับ คนแถวบ้านกันนี้เอง

ยินดีที่ได้รู้จักเหมือนกันครับ





จาก จิณวิทย์  202.91.19.194  เสาร์, 6/10/2550 เวลา : 23:47   


คำตอบที่ 6
       ซื้อมาห้าบานเท่าไหร่พี่ หาอยู่เหมือนกัน



จาก Pom  192.55.18.36  จันทร์, 8/10/2550 เวลา : 15:27   


คำตอบที่ 7
       คุณ POM ครับ ราคาห้าบาน 10 พันถ้วนครับผม



จาก ปาฝึกหัด  202.44.7.70  อังคาร, 9/10/2550 เวลา : 16:37   


คำตอบที่ 8
       ก้อไม่แพงเท่าไหร่นะ ถ้ามียางประตูครบ คงต้องไปดู จะมีไหมนะ



จาก Pom  192.55.18.36  พฤหัสบดี, 11/10/2550 เวลา : 07:32   


คำตอบที่ 9
       พยามยามนะขอรับ รับรองจะมีความสูขเมื่อเจ้า PAJERO มันสมบูรณ์และโตเต็มที่ ขอรับ



Rin จาก Rin  202.12.118.61  พฤหัสบดี, 11/10/2550 เวลา : 08:21   


คำตอบที่ 10
       คุณป้อมครับที่ผมไปดูยังมีอีกหลายชุดครับ ไม่ต่ำกว่า 10 ชุด ไปเลือกได้ตามอัธยาศัยครับ



จาก ปาฝึกหัด  202.44.7.70  พฤหัสบดี, 11/10/2550 เวลา : 10:07   


คำตอบที่ 11
       หวัดดีครับคุณปาฝึกหัด สบายดีหรือเปล่าครับ?



นุ้ย219 จาก นุ้ย219  203.172.181.134  อังคาร, 16/10/2550 เวลา : 13:01   


คำตอบที่ 12
       สวัสดีครับคุณนุ้ย ผมสบายดี ขอบคุณครับ ตอนนี้ทางเพชรบูรณ์อากาศเป็นอย่างไรบ้างครับ



จาก ปาฝึกหัด  202.44.7.70  อังคาร, 16/10/2550 เวลา : 16:36   


คำตอบที่ 13
       คุณ ปาฝึกหัด ครับ
ผมอยากได้ ชุดกระจกมือหมุน จะเอาไฟฟ้าออก ไม่ทราบว่าจะมีโอกาศ แกะขายหรือเปล่าครับ
ขอบคุณครับ



จาก หนุ่ม PCT 121   58.136.229.182  อังคาร, 16/10/2550 เวลา : 22:51   


คำตอบที่ 14
       ชุดไฟฟ้ามันไม่ดีหรือครับคุณหนุ่ม ทำไมจะแกะออกซะละครับ พอดีตอนนี้ยังไม่ได้เปลี่ยนครับ รออีกซัก 2 อาทิตย์นะครับ



จาก ปาฝึกหัด  202.44.7.68  พุธ, 17/10/2550 เวลา : 10:44   


คำตอบที่ 15
       เป็นแบบติดตั้งเอง ติดมากับรถครับ
ตอนนี้เปิดไม่ได้สักบาน






จาก หนุ่ม PCT 121   58.136.229.233  พฤหัสบดี, 18/10/2550 เวลา : 22:12   


คำตอบที่ 16
       ชุดกระจกไฟฟ้าถ้าครบชุดจริงต้องมีกล่องควบคุมติดมาด้วย ถ้าไม่มีมาก็คงต้องดัดแปลงเอาครับ ตอนนี้ขอผมยังหากล่องมาคุมไม่ได้เลย



จาก ต้น  203.131.217.3  ศุกร์, 19/10/2550 เวลา : 15:39   


คำตอบที่ 17
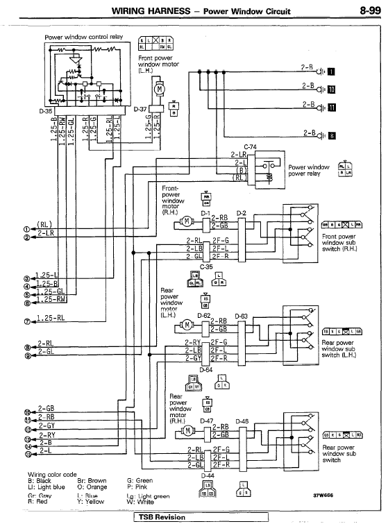
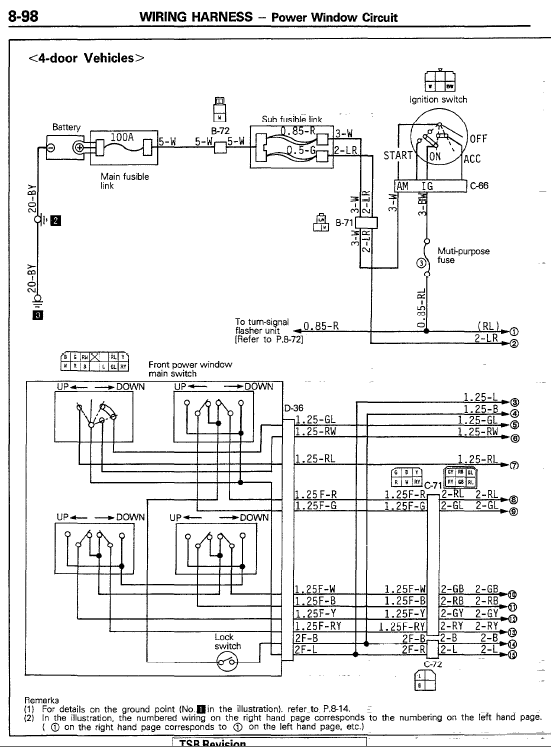
       ลองเอาวงจรให้ช่างทำตาม จะได้ไม่ต้องรื้อทิ้งทีหลังครับ อย่าลืมหา Accessory ไปให้ครบด้วยครับ เช่น Defogger timer unit





sprokati จาก บิ๊กสุ  124.121.227.98  เสาร์, 20/10/2550 เวลา : 21:37   


คำตอบที่ 18
       อันนี้สำหรับกระจกไฟฟ้า 4 ประตู





sprokati จาก บิ๊กสุ  124.121.227.98  เสาร์, 20/10/2550 เวลา : 21:39   


คำตอบที่ 19
       อย่าลืม Power relay และ Control relay ไปด้วย ขอให้สนุกนะครับ





sprokati จาก บิ๊กสุ  124.121.227.98  เสาร์, 20/10/2550 เวลา : 21:41   


คำตอบที่ 20
      



Rin จาก Rin  203.148.249.78  อาทิตย์, 21/10/2550 เวลา : 19:38   


คำตอบที่ 21
       ไม่ทราบว่าหาซื้อประตูที่ไหนครับ
อยากได้บ้างครับ



toei71 จาก นครโคราชา  118.173.245.174  ศุกร์, 26/2/2553 เวลา : 11:30   


คำตอบที่ 22
       ลองดูที่เชียงกง ก.ม.12ซอย 7 ครับ ผมไปซื้อมา 5 บานเช่นกันเดือน ธ.ค. 52 ยังไม่มีเวลาใส่เลยครับ ตอนไปซื้อเห็นมี 2 ชุดครับ ปาเหลี่ยม ขอให้โชคดีครับ



sirisak460 จาก tume  115.67.128.209  เสาร์, 27/2/2553 เวลา : 09:41   


คำตอบที่ 23
       ใจถึงจริงๆ ซื้อประตูมาเปลี่ยนที่ละ5บาน ของผมประตูหน้าด้านซ้ายยางหมดสภาพแล้วเวลาวิ่งเร็วๆเสียงลมเข้ามาเลย แต่ก็ทนเอา เพราะไม่มีตังค์ และไม่ทราบว่าคุณปาฝึกหัดจะแยกขายไหมครับ ......



plancm2 จาก ปอปลาทาโร่ เชียงใหม่  210.246.144.163  เสาร์, 27/2/2553 เวลา : 11:14   


คำตอบที่ 24
       ผมอยากได้แผงในประตูอะครับแยกขายไหม



toei71 จาก นครโคราชา  118.173.244.64  อาทิตย์, 28/2/2553 เวลา : 16:04   


      

Since 22, Feb 2001 hit counter View My Stats  Truehits.net      วัน<%=WeekdayName(Weekday(Date))%>,<%=formatdatetime(date(),1)%> (Online <%=Application("OnlineUsers")%> คน)
                                       

เพื่อลดภาระของ ฐานข้อมูล ซึ่งมีขนาดใหญ่มาก เพราะเวบเปิดมากว่า 10 ปี
จึงทำให้เวบช้าลงมาก ทีมงานจึงขออนุญาต แปลงข้อมูลจาก ฐานข้อมูลหลักเป็น SHTML File
เพื่อลดภาระการทำงานของ ฐานข้อมูลหลักครับ การแปลงฐานข้อมูลนี้ จะทำให้กระทู้นี้
ไม่สามารถตอบคำถามได้อีกต่อไปครับ แต่จะสามารถค้นหาชื่อกระทู้ และ Link ตรงมาที่หน้านี้ได้เหมือนเดิมครับ

ด้วยความนับถืออย่างสูง ทีมงาน Weekendhobby.com


Convert on : 25/8/2554 21:47:29

Error processing SSI file