จาก ก้อนดิน
พุธที่ , 8/9/2553
เวลา : 22:13
อ่าน = 1113
125.26.14.59
|
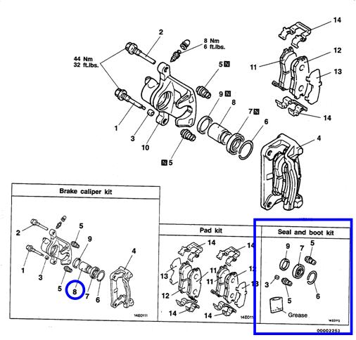
PAJERO SHOGUN จะเปลี่ยนผ้าเบรคหลัง พบซีลยางแม่ปั๊มเบรคฉีกขาดจารบีแห้งไปแล้ว
จะเปลี่ยนชุดซ่อม (ซีลยาง) แต่ไม่รู้จะหาซื้ออะไหล่ได้ที่ไหน หรือของ Bendix ต้องใช้เบอร์อะไรช่วยแนะนำด้วยครับ แล้วจำเป็นต้องเปลี่ยนลูกสูบแม่ปั๊มเบรคหรือไม่ครับ หรือต้องดูสภาพก่อน (ช่างแนะนำต้องเปลี่ยนเพราะคาดว่าเป็นตามดแล้ว)

|