จาก tume
เสาร์ที่ , 13/11/2553
เวลา : 17:21
อ่าน = 785
110.49.205.75
|
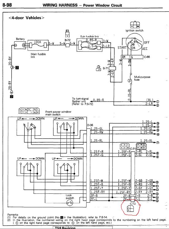
ขอสอบถามครับ ประตูไฟฟ้าปาเหลี่ยมด้านคนขับ ตามลายละเอียดใน Circuit ปลั๊ก C72 จะมีสายไฟ 2 เส้น คือน้ำเงิน (L) กับ ดำ(B) แต่ที่ผมได้มา มันมี 3 เส้น มีเพิ่มเข้ามาคือสีขาว ครับ สายไฟสีขาวต่อเข้ากับอะไรครับ เรียนถามท่านผู้รู้ด้วยครับ ขอบคุณครับ

|