จาก ครูแมน IP:125.26.247.7
ศุกร์ที่ , 26/10/2555
เวลา : 22:17
อ่านแล้ว = ครั้ง
เก็บเข้ากระทู้ส่วนตัว
แจ้งลบ
ส่งหาเพื่อน
|
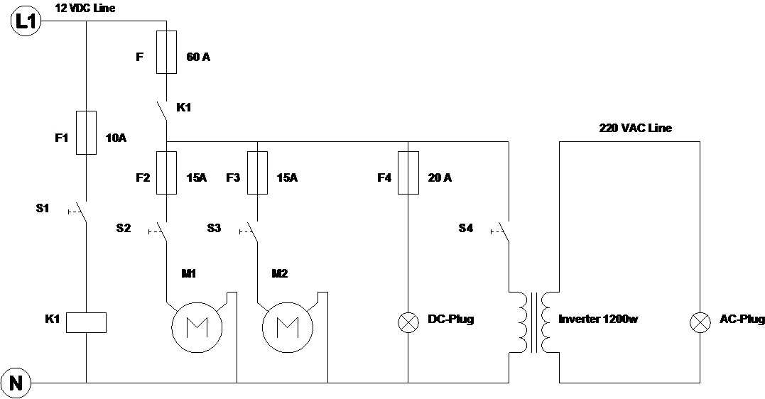
วันนี้มาตามคำแนะนำของคุณโต้ง ตะวันนา (ต้นแบบ DIY ของผมเลย) ขอเสนอการผลิตและใช้ไฟฟ้าสำหรับนักท่องอุทยานครับ
เพื่อนๆคงเคยมีประสบการณ์การหุงข้าวด้วยหม้อหุงข้าวไฟฟ้า (ใช้ไฟ AC 220V) จากอินเวอร์เตอร์กันมาบ้างน่ะครับ เช่น หุงยังไม่สุกดีเลยแบตเตอรี่ไฟอ่อน หรือหุงสุกแล้วไฟไม่พอใช้ทำแสงสว่างหรือเปิดพัดลม ดูทีวีกันมาบ้างนะครับ วันนี้ผมจะมานำเสนอเครื่องปั่นไฟคนยากและการใช้ไฟฟ้า สำหรับหรับนักท่องอุทยานครับ
ของผมเป็นรถพ่วงลากจูงครับ มีการใช้ไฟ 2 ระบบ คือ AC และ DC ครับ (ทริปนี้พานักศึกษาเทคนิคอุตสาหกรรม ปวส.2 ไปจิตอาสาที่ศูนย์ปฏิบัติธรรม อ.มวกเหล็ก ครับ)

บอกตรงๆ.......ครับภาพนี้มันเท่ห์มากเลยครับ จาก : rcsai555(rcsai555) 27/10/2555 11:48:34 [223.204.152.230] |
แสดงความคิดเห็นย่อย
|
|