WeekendHobby.com
เครื่องมือในการใช้งาน website =>> สมัครสมาชิก | Login | Logout | เปลี่ยนไอคอนส่วนตัว | เกี่ยวกับเรา | ติดต่อโฆษณา         View stat by Truehits.net


สอบถามเกี่ยวกับจานเบรคหน้า เทอราโน่2 ตากลม
icomtons
จาก icomtons
IP:202.183.235.56

อังคารที่ , 11/10/2554
เวลา : 14:20

อ่านแล้ว = 4067 ครั้ง
 เก็บเข้ากระทู้ส่วนตัว
แจ้งตรวจสอบกระทู้
 แจ้งลบ
ส่งหาเพื่อน ส่งหาเพื่อน

      


fiogf49gjkf0d
แล้วก็จานดรัมเบรค ด้านหลังด้วยนะครับ
จาก : icomtons(icomtons) 11/10/2554 14:27:41 [202.183.235.56]
ใช้ชอง taw
จาก : ไข่(ไข่) 11/10/2554 22:02:48 [110.169.141.75]
ลืม ราคา หลักร้อย
จาก : ttc 032(ไข่) 11/10/2554 22:08:42 [110.169.141.75]
เคยเปลี่ยนของตาเหลี่ยมครับ ใช้ของ เทอ 1ได้ ครับ หนาดีด้วย จานเบรคหลัง มีหลายคู่ครับ มาเลือกเอา
จาก : TTC-054(TTC-054) 12/10/2554 1:48:24 [118.172.178.72]
 แสดงความคิดเห็นย่อย แสดงความคิดเห็นย่อย

แจ้งเพื่อเก็บขึ้นกระทู้พิเศษ คลิ๊กที่นี่แจ้งเพื่อนำขึ้นกระทู้พิเศษ

คำตอบแบ่งหน้าละ 30 คำตอบ ขณะนี้คุณอยู่ที่หน้า 1 จาก >>> 1  

คำตอบที่ 1
      

fiogf49gjkf0d
สวัสดีครับคุณ icomtons เบรคของฟรอนเทียร์ไม่น่าใช้กันใด้ครับ ตาเหลี่ยมก็ใช้กับ เทอ-1ใด้ แต่ของตากลมต้องเบิกใหม่ครับ ถ้าจะใช้ของเทอ-1 ต้องเปลี่ยนทั้งคอม้าและปีกนกครับ เบรคหลังลองถามสมาชิคดู เพราะเปลี่ยนเป็นดิสเบรคกันหลายคันแล้วครับ หรือลองปรึกษาคุณวีดูครับ





fiogf49gjkf0d
ตามที่พี่เรบอกเลยครับ ..
จาก : TTC-132(Nui_Terr_II) 11/10/2554 18:46:46 [58.9.57.16]
ตอนนี้ดิสหลังก็ขึ้นราคาตามน้ำเลย
จาก : ttc009(ttc009) 11/10/2554 19:04:23 [49.48.96.27]
งั้นก็ต้องรอน้ำลด ราคาจะได้ลงด้วย รึเปล่าครับ...อิอิ
จาก : sailom_276(sailom_276) 12/10/2554 8:01:16 [58.11.99.141]
 แสดงความคิดเห็นย่อย แสดงความคิดเห็นย่อย

rawat จาก TTC-047 Mr.RAY ฅนบางกอก 124.120.10.139 อังคาร, 11/10/2554 เวลา : 17:34  IP : 124.120.10.139   

edit แก้ไขคำตอบ   delete ลบคำตอบ 111853

คำตอบที่ 2
      

fiogf49gjkf0d
ของตาเหลื่ยมหรือ t1 หาได้จากไหนครับพี่ อยากไ้ด้อยู่เหมือนกัน



fiogf49gjkf0d
คุณเชิด .. โทรหาคุณวี-054 เลยครับ
จาก : TTC-132(Nui_Terr_II) 20/12/2554 11:41:58 [61.90.97.8]
 แสดงความคิดเห็นย่อย แสดงความคิดเห็นย่อย

tecbubua จาก cherd_159 202.28.182.5 อังคาร, 20/12/2554 เวลา : 10:06  IP : 202.28.182.5   

edit แก้ไขคำตอบ   delete ลบคำตอบ 113416

คำตอบที่ 3
      

fiogf49gjkf0d
จานเบรคและดรัมเบรคความหนา มาตรฐานโรงงาน หน้า 26mm. หลัง 254mm.



 แสดงความคิดเห็นย่อย แสดงความคิดเห็นย่อย

จิรกิตติ จาก TTC001 27.130.197.84 อังคาร, 20/12/2554 เวลา : 11:02  IP : 27.130.197.84   

edit แก้ไขคำตอบ   delete ลบคำตอบ 113421

คำตอบที่ 4
      

fiogf49gjkf0d
ใช้ตัวนี้ได้หรือเปล่าครับ เป็นของนิสสันบิ๊กเอ็มและฟรอนเทียร์ 4*2





 แสดงความคิดเห็นย่อย แสดงความคิดเห็นย่อย

tecbubua จาก cherd_159 202.28.182.5 พุธ, 21/12/2554 เวลา : 15:56  IP : 202.28.182.5   

edit แก้ไขคำตอบ   delete ลบคำตอบ 113451

คำตอบที่ 5
      

fiogf49gjkf0d
เปลี่ยนมาแล้วครับเผื่อเพื่อนสมาชิกใช้เป็นข้อมูลครับ





 แสดงความคิดเห็นย่อย แสดงความคิดเห็นย่อย

tecbubua จาก cherd_159 202.28.182.5 พฤหัสบดี, 8/3/2555 เวลา : 12:13  IP : 202.28.182.5   

edit แก้ไขคำตอบ   delete ลบคำตอบ 115382

คำตอบที่ 6
      

fiogf49gjkf0d






fiogf49gjkf0d
ขอบคุณครับ อยากสอบถามนิดครับว่าความหนาของจานเบรคฟรอนเทียของใหม่เท่าไรและราคาครับ
จาก : puky(puky) 8/3/2555 12:54:37 [119.46.218.1]
 แสดงความคิดเห็นย่อย แสดงความคิดเห็นย่อย

tecbubua จาก cherd_159 202.28.182.5 พฤหัสบดี, 8/3/2555 เวลา : 12:14  IP : 202.28.182.5   

edit แก้ไขคำตอบ   delete ลบคำตอบ 115383

คำตอบที่ 7
      

fiogf49gjkf0d
ต้องขออภัยคุณ puky ผมไม่ได้วัดขนาดมา ต้องรับประกอบครับกำลังจะมืด แต่ผมส่งของที่ผมถอดออกไปเทียบเอาครับ
ผมมีตัวอย่างของเ่ก่าของผมให้ดูเทียบครับ





fiogf49gjkf0d
ไม่เป็นไรครับพี่ แค่เอามาบอกเป็นข้อมูลกันก็ขอบคุณมากแล้วครับ
จาก : puky(puky) 10/3/2555 0:27:16 [119.46.218.1]
 แสดงความคิดเห็นย่อย แสดงความคิดเห็นย่อย

tecbubua จาก cherd_159 202.28.182.5 ศุกร์, 9/3/2555 เวลา : 10:46  IP : 202.28.182.5   

edit แก้ไขคำตอบ   delete ลบคำตอบ 115419

คำตอบที่ 8
      

fiogf49gjkf0d
ลือแจ้งราคา ข้างละ 850 บาทครับ



fiogf49gjkf0d
ราคาก็โอ... ไม่แรง..ครับ..
จาก : 005(005) 9/3/2555 11:36:57 [202.122.130.31]
กิตติเจริญยนต์ 024352505
จาก : tecbubua(tecbubua) 16/3/2555 14:34:29 [202.28.182.5]
ชื่อร้านซ่อมกลอนประตูรถยนต์ ย่านบางพลัด เยื้อง รพ. ยันฮี (ลงผิดที่)
จาก : tecbubua(tecbubua) 16/3/2555 16:09:05 [202.28.182.5]
 แสดงความคิดเห็นย่อย แสดงความคิดเห็นย่อย

tecbubua จาก cherd_159 202.28.182.5 ศุกร์, 9/3/2555 เวลา : 10:49  IP : 202.28.182.5   

edit แก้ไขคำตอบ   delete ลบคำตอบ 115420

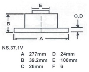
คำตอบที่ 9
      

fiogf49gjkf0d
เพิ่งเจอะ ข้อมูลจานหน้า





 แสดงความคิดเห็นย่อย แสดงความคิดเห็นย่อย

puky จาก Puky(TTC111) 119.46.218.1 พฤหัสบดี, 15/3/2555 เวลา : 01:27  IP : 119.46.218.1   

edit แก้ไขคำตอบ   delete ลบคำตอบ 115482

      

คำตอบแบ่งหน้าละ 30 คำตอบ ขณะนี้คุณอยู่ที่หน้า 1 จาก >>> 1  



website รองรับการใช้งานทุกระบบปฏิบัติการของ PC Tablet SmartPhone ทุกระบบสามารถโพสข้อความและรูปภาพได้โดยไม่ต้องย่อไฟล์
เพื่อความปลอดภัยในการใช้ website WeekendHobby.Com สมาชิก เท่านั้น จึงจะตั้งกระทู้ หรือ ตอบกระทู้ได้ครับ
Login Click ที่นี่
สมัครสมาชิก Click ที่นี่



Since 22, Feb 2001 hit counter View My Stats  Truehits.net      วันอาทิตย์,10 พฤษภาคม 2569 (Online 1947 คน)