WeekendHobby.com
เครื่องมือในการใช้งาน website =>> สมัครสมาชิก | Login | Logout | เปลี่ยนไอคอนส่วนตัว | เกี่ยวกับเรา | ติดต่อโฆษณา         View stat by Truehits.net


Trip - Toulouse 78 Days with Airbus A380 ; ตูลูส ๗๘ วัน กับแอร์บัส A380


005
จาก BoyDogtag,TTC-005
IP:90.50.3.104

เสาร์ที่ , 10/9/2554
เวลา : 01:06

อ่านแล้ว = 37954 ครั้ง
 เก็บเข้ากระทู้ส่วนตัว
แจ้งตรวจสอบกระทู้
 แจ้งลบ
ส่งหาเพื่อน ส่งหาเพื่อน

      






fiogf49gjkf0d
ข้างเครื่องบิน มีเครื่องหมายการบินไทยด้วย แฮะ
จาก : ฅนบางกอก(rawat) 10/9/2554 8:01:42 [110.168.94.82]
โลโก้ข้างเครื่องบิน.. เป็นโลโก้ของสายการบิน ( Airline ) ทุกสายที่ซื้อ A380 ครับ... พี่เรวัต
จาก : 005 (005 ) 10/9/2554 15:10:15 [90.50.3.104]
ขอล้อหน้า จะเอามาใส่เทอ คุณบอยว่าไงครับ
จาก : 130(130) 11/9/2554 21:49:48 [49.48.135.237]
จะเอาล้อมาทำไมพี่1 เอาเครื่องเลย
ลำในภาพเป็นเครื่อง Test Flight ของ airbus ครับ...
จาก : 005 (005 ) 14/11/2554 19:26:18 [90.50.77.154]
Manufacture Serial Number : MSN 004 ครับ...
จาก : 005 (005 ) 14/11/2554 19:28:02 [90.50.77.154]
Airbus มี MSN 001 กับ 004 เป็นเครื่อง Test Flight ครับ.. ทุกวันนี้ก็ยังใช้บินทดสอบอุปกรณ์ต่างๆอยู่
จาก : 005 (005 ) 14/11/2554 19:29:15 [90.50.77.154]
 แสดงความคิดเห็นย่อย แสดงความคิดเห็นย่อย

แจ้งเพื่อเก็บขึ้นกระทู้พิเศษ คลิ๊กที่นี่แจ้งเพื่อนำขึ้นกระทู้พิเศษ

คำตอบแบ่งหน้าละ 30 คำตอบ ขณะนี้คุณอยู่ที่หน้า 9 จาก >>> 1  2  3  4  5  6  7  8  9  10  11  12  

คำตอบที่ 241
      

fiogf49gjkf0d
อาฟริกาชน.. ท่านนี้เดินมาแล้วมองโหลขนม แล้วสนใจว่ามันคืออะไรกัน???
พอพี่จัน.. คุยอธิบายแล้วลองตักให้ชิมถ้วยนึง..
ก็ทำหน้าไม่แน่ใจ.. ประมาณว่า.. มันจะกินไปได้หรือนี่ ???






 แสดงความคิดเห็นย่อย แสดงความคิดเห็นย่อย

005 จาก BoyDogtag,TTC-005 90.50.128.146 ศุกร์, 4/11/2554 เวลา : 04:03  IP : 90.50.128.146   

edit แก้ไขคำตอบ   delete ลบคำตอบ 112482

คำตอบที่ 242
      

fiogf49gjkf0d
พอลองดูดเข้าไปจ๊วบแรกเท่านั้น...
ทำเสียง... "อื้ม" ออกมาเลย.. พร้อมทำมือว่าอร่อยเยี่ยมจริงๆ..






 แสดงความคิดเห็นย่อย แสดงความคิดเห็นย่อย

005 จาก BoyDogtag,TTC-005 90.50.128.146 ศุกร์, 4/11/2554 เวลา : 04:07  IP : 90.50.128.146   

edit แก้ไขคำตอบ   delete ลบคำตอบ 112483

คำตอบที่ 243
      

fiogf49gjkf0d
คราวนี้.. ไม่ไปไหนแล้ว.. นั่งลงทานเป็นเรื่องเป็นราวไปเลย.. 555





 แสดงความคิดเห็นย่อย แสดงความคิดเห็นย่อย

005 จาก BoyDogtag,TTC-005 90.50.128.146 ศุกร์, 4/11/2554 เวลา : 04:11  IP : 90.50.128.146   

edit แก้ไขคำตอบ   delete ลบคำตอบ 112484

คำตอบที่ 244
      

fiogf49gjkf0d
นั่งไม่นั่งเปล่า... ขอเบิ้ลอีกถ้วยซะเลย...





 แสดงความคิดเห็นย่อย แสดงความคิดเห็นย่อย

005 จาก BoyDogtag,TTC-005 90.50.128.146 ศุกร์, 4/11/2554 เวลา : 04:36  IP : 90.50.128.146   

edit แก้ไขคำตอบ   delete ลบคำตอบ 112485

คำตอบที่ 245
      

fiogf49gjkf0d
ที่ตลาดนัดลาวนี่.. พืชผักไม่แพง ก็ต้องอุตหนุนกันซะหน่อยครับ..





 แสดงความคิดเห็นย่อย แสดงความคิดเห็นย่อย

005 จาก BoyDogtag,TTC-005 90.50.128.146 ศุกร์, 4/11/2554 เวลา : 04:42  IP : 90.50.128.146   

edit แก้ไขคำตอบ   delete ลบคำตอบ 112486

คำตอบที่ 246
      

fiogf49gjkf0d
ที่ในทะเลสาบ... มีฝูงเป็ดแมนดริน ว่ายน้ำเล่นอย่างอิสระ..
ซึ่งแม้แต่คลองในเมืองตูลูส.. ผมก็พบเป็ดแมนดารินแบบนี้ว่ายน้ำอยู่เช่นกัน..

ถ้ามาว่ายในคลองแถวบ้านเรา.. สงสัยว่ายน้ำได้แป๊บเดี๋ยวได้ขึ้นเตาย่างทันที..
( ภาพซูมไม่ต่อยขัดครับ.. แถมใกล้พระอทิตย์ตกดินอีกด้วย )






 แสดงความคิดเห็นย่อย แสดงความคิดเห็นย่อย

005 จาก BoyDogtag,TTC-005 90.50.128.146 ศุกร์, 4/11/2554 เวลา : 05:00  IP : 90.50.128.146   

edit แก้ไขคำตอบ   delete ลบคำตอบ 112487

คำตอบที่ 247
      

fiogf49gjkf0d
กลับออกมาจากสวนสาธารณะล๊ากลาเม่แล้ว...
กลุ่มที่มาเรียนที่ตูลูส.. บ่นหิวส้มตำกัน
มันเลี่ยนอาหารฝรั่งกันนะครับ..
อยากหาอะไรเปรี้ยวๆทานกัน..

หลังโรงแรมปาเตนองที่เราพัก ...
เดินไปสัก 3-400 เมตร.. มีร้านขายอาหารลาวอยู่ร้านนึง..
ตอนแรกมีน้องๆเขาอยากไปลองทานดู..
ปรากฏว่าไม่ได้จองโต๊ะไว้.. เต็มครับ เลยอดชิม

คราวนี้เลยมาชวนกันไปชิมทั้งกลุ่มเลยครับ..
เลยจองโต๊ะไว้.. 15 ที่นั่ง.. เวลา 19:30 น.

อ้อ !!... ที่นี่ ร้านอาหารพวกขายอาหารเย็นเป้นหลัก จะเปิดร้านกันช่วง 18:30-19:00 น. เป้นต้นไปครับ..






fiogf49gjkf0d
สู้ของอีสานบ้านเราได้ไม๊พี่บอย
จาก : ttc009(ttc009) 8/11/2554 7:11:17 [49.48.101.92]
 แสดงความคิดเห็นย่อย แสดงความคิดเห็นย่อย

005 จาก BoyDogtag,TTC-005 90.50.66.128 อังคาร, 8/11/2554 เวลา : 07:06  IP : 90.50.66.128   

edit แก้ไขคำตอบ   delete ลบคำตอบ 112546

คำตอบที่ 248
      

fiogf49gjkf0d
ขอแทรกพูดเรื่องการฝึกภาคปฏิยัติก่อนสักเล็กน้อยครับ..

ขณะที่กำลังเริ่มโพสรูปอยู่นี้.. ตอนนี้ที่ตูลูสก็เป็นเวลา 01:08 น. พอดีครับ..
เพิ่งกลับจากไปฝึกภาคปฏิบัติกับเครื่องบิน A380 มาครับ..

ภาคปฏิบัติ.. รถมารับตอน 17:30 น.ครับ...
เริ่มฝึกกันตั้งแต่ 18:00 - 24:00 น. กว่าจะกลับถึงห้องก็เที่ยงคืนครึ่งเป็นอย่างเร็วน่ะครับ..

เลยเป็นนักศึกษาภาคค่ำ.. เอ้ย !!.. ภาคดึกสิ.. ถึงจะถูก.. 555

ทั้งหมด 13 คน.. แบ่งเป็นกลุ่ม 3 กลุ่ม..

กลุ่มแรก.. A ฝึกเรื่อง Power Plant
กลุ่มทที่สอง B... ฝึกเรื่อง Airframe
กลุ่มที่สาม C.. ฝึกเรื่อง Avionics

ฝึกที่ละเรื่อง.. เวียนกันฝึกจนครบทุกเรื่องน่ะครับ..
ผมอยู่กลุ่ม A เลยฝึกงานกลุ่ม..Power Plant ก็พวกเรื่อง..

Chapter 28 : Fuel system ( ระบบน้ำมันเชื้อเพลิง )
Chapter 30 : Ice & Rain protection system ( ระบบกันการเกิดน้ำแข็งและกำจัดน้ำฝน)
Chapter 36 : Pnematic system ( ระบบลม )
Chapter 21 : Aircondition system ( ระบบปรับอากาศและระบายอากาศ )
Chapter 70 : Engine ( เครื่องยนต์อากาศยาน )

3 กลุ่มชนิดงานที่ต้องไปฝึกปฏิบัติ.. ดังนั้น จึงมีครูมา 3 ท่านมาคอยสอนพวกเราครับ..
กลุ่ม A ผม.. เป็นครูชาวเยอรมัน สอนเรื่อง PowerPlant อยู่ที่ Airbus ที่ฮัมบรูก ( Hamburg ) โดน Airbus ตูลูส ขอให้มาช่วยสอนพวกผมครับ.. เพราะว่าตอนี้ทาง Airbus กำลังขาดครูสอนทั้งวิชา Airframe และ Power Plant ครับ..

ตอนแรกก่อนฝึกภาคปฏิบัติ.. ยังมองการฝึกปฏิบัติยังไม่ออก
เห็นว่า.. ไม่มีการเรียน ไม่มีสอบที่เป็นทฤษฎีอะไร..

ที่ไหนได้ครับ.. ฝึกภาคปฏิบัติ ไม่ต้องอ่านก็จริง แต่เนื่อหาโหดดีจริงๆ

กลุ่มผมมาถึง.. ครู Thomas ชาวเยอรมัน ( พูดภาษาอังกฤษได้ชัดมากๆครับ ) ก็คุยถึงเรื่องการเดินตรวจรอบๆเครื่องบินก่อนทำการบิน ( Walk-Around check )ให้ฟัง..

เล่าไป..ก็ถามกลับมาว่า...
ไอ้อุปกรณ์นี่คืออะไร ??... มีหน้าที่ไว้ทำอะไร??
แล้วมันรับหรือส่งสัญญาณไปให้ใคร?? ... เพื่อทำอะไร ???...

เอาละสิ.. !!! เจอกับภาคปฏิบัติเข้าให้แล้ว..

ถึงไม่มีการสอบข้อเขียน.. แต่กำลังโดนสอบปากเปล่าสดๆ ที่ละคนเลย..
โอ้!!!... เล่นเอาแต่ละคน รีบนึกถึงเรื่องที่ได้เรียนกันไปตลอดเวลา 2 เดือนที่ผ่านมาแทบไม่ทัน...

ยังครับ.. ยังไม่หมด...
เดินรอบเครื่องบิน A380 ได้ยังไม่รอบเลย..
ครู Thomas ก็ดึงป้ายกระดาษเล็กๆออกมา
ในป้ายนั้นเขียนว่า......

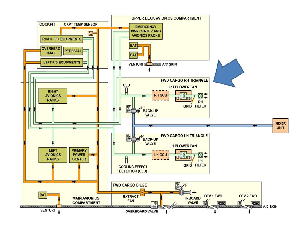
" RH Avionics Ventilation Blowing Fan Fault "
( พัดลมด้านขวาในระบบระบายอากาศของระบอิเล็กทรอนิกอากาศยานเสีย )

แล้วถามว่า.. อุปกรณ์นี่เสีย... ปล่อยเครื่องบินไปบินได้ไหม ???

เอาละสิ.. !!!
พัดลมเสีย..แล้วมันปล่อยไปบินได้มั๊ยหว่านี่ ???... นั่นสิ !!!

ต้องดูใน MEL.... ว่าแต่จะดู MEL ได้ที่ไหนกันล่ะ ???

( MEL : Minimum Equipment List : เป็นเอกสารที่ใช้บอกว่าน้อยที่สุดที่ระบบหนึ่งๆ จะต้องมีอุปกรณ์ตัวนี้อยู่ทำงานอย่างน้อยที่สุดเท่าไร หรือพูดง่ายๆก็คือ ยอมให้อุปกรณ์อะไรบ้าง เสียได้กี่ตัว ถึงจะอนุญาตเอาครื่องออกไปบินรับผู้โดยสารได้ครับ..)

ครู Thomas.. ก็เอา computer notebook ออกมาให้พวกเราเลย... แถมบอกว่า "ไหนลองหาดูสิ ?"

พอเปิดไล่หารายการใน MEL จนเจอรายการนี้..
อ้อ!... MEL บอกว่าถ้าจะเอาเครื่องบินออกไปบินได้นั้น..
ยอมให้ พัดลมระบายอากาศเสียได้ แต่ต้องไปปิดการทำงานของพัดลมก่อน ( De-activate )
fiogf49gjkf0d


 แก้ไขเมื่อ : 8/11/2554 10:00:02

 แก้ไขเมื่อ : 8/11/2554 10:01:20





 แสดงความคิดเห็นย่อย แสดงความคิดเห็นย่อย

005 จาก BoyDogtag,TTC-005 90.50.66.128 อังคาร, 8/11/2554 เวลา : 09:17  IP : 90.50.66.128   

edit แก้ไขคำตอบ   delete ลบคำตอบ 112547

คำตอบที่ 249
      

fiogf49gjkf0d
ว่าแล้วครู Thomas ก็ถามต่อ...

- โปรแกรมอะไร.. ที่เป็นโปรแกรมควบคุมพัดลมระบายอากาศ ( Blower Fan ) ในระบบอิเล็กทรอนิคอากาศยาน( ด้านหัวเครื่อง ) ???

- แล้วโปรแกรมที่ว่านั้น... อยู่ในคอมพิวเตอร์ตัวไหน เป็นตัวควบคุม ???

โดนถามทีเป็นชุดเลยครับ... ทำให้ต้องรีบนึกถึงเรื่อง Aircondition and ventilation system ( Chapter 21 ) ที่พึ่งเรียนผ่านมาเมื่อ 2 อาทิตย์ที่แล้ว...

"OK... AVS control the blower fan and AVS are in CPIOM-B3 & CPIOM-B4"... พวกเราช่วยกันนึกคำตอบออกไป...

( โอเค.. AVS : Avionics Ventilation System เป็นโปรแกรมที่ควบคุมพัดลมระบายอากาศฯ และ AVS อยู่ในคอมพิวเตอร์ CPIOM-B : Core Processing Input/Output Module ชนิด B ตัวที่ B3 กับ B4 )






 แสดงความคิดเห็นย่อย แสดงความคิดเห็นย่อย

005 จาก BoyDogtag,TTC-005 90.50.66.128 อังคาร, 8/11/2554 เวลา : 09:56  IP : 90.50.66.128   

edit แก้ไขคำตอบ   delete ลบคำตอบ 112548

คำตอบที่ 250
      

fiogf49gjkf0d
แล้ว Blower Fan มันอยู่ที่ไหน... ???
แล้วเราจะ De-activate Blower Fan ได้อย่างไร???.... ไหนทำให้ดูหน่อยสิ !!!.... คำถามและคำสั่งจากครู Thomas ที่ให้พวกเราทำ...

"Blower Fan มันอยู่ใน FWD Cargo Compartment จำได้.. จำได้.. มันอยู่ตรงข้างๆลำตัวเครื่องฯ"... พวกเราบอกครู Thomas ไป....

แต่... ครู Thomas ก็บอกให้ไปชี้ให้ดูหน่อยสิ!!!
ว่าแล้ว... พวกเราก็รีบปีนขึ้นบันไดเข้าไปใน FWD Cargo Comp. ( ห้องเก็บสินค้าใต้เครื่องบิน ห้องส่วนหน้าของเครื่องบิน ) เพื่อชี้แล้วก็ De-activate Blower Fan ให้ครูดู....

ทั้งหมด... นั่นแค่คำถามแค่ component ( อุปกรณ์อากาศยาน ) เสียแค่ตัวเดียวน่ะครับ
หลังจากนั้น.. พวกเราก็เจอกับกระดษชิ้นเล็กๆ... ที่บอกว่า Component ไหนเสียเป็นรายต่อไป... แล้วก็ตามมาด้วยคำถามคล้ายๆกับข้อแรก แต่เป็นอุปกรณืของระบบอื่นๆ...

ผมว่า.. สอบปากเปล่าแบบนี้... โหดกว่าทำข้อสอบในตอนที่เรียนภาคทฤษฏีเป็นไหนๆ... แต่ก็ดีครับ.. ได้ความรู้ดี.. อาจารย์ก็แม่นในรายละเอียดต่างๆในระบบนั้นๆมากๆ...

วันนี้.. ก็เจอไปอีก 3 Component Fault ( อุปกรณ์ระบบอากาศยานเสีย 3 ระบบ.. ระบบละ 1 รายการ แถมคราวนี้.. ให้ทำที่ละคน ห้ามเพื่อนช่วยเสียด้วยสิ !!! )

ว่าจะเล่าเรื่องร้านขายส้มตำในตูลูสซะหน่อยครับ...
กลายเป็นเรื่องการเรียนในภาคปฏิบัติไปซะนี่....
งั้น!!.. เรื่องร้านส้มตำไว้ต่อครั้งหน้านะครับ...
ไปนอนก่อนละครับ.. ที่นี่จะตีห้าอยู่แล้วครับ...

ว่าจะไม่ต้องอ่านหนังสือซะหน่อย.. สุดท้ายก็ต้องอ่านดีกว่า. เดี๋ยวครั้งหน้าเดี๋ยวครูถามแล้วขี้เกีบจมายืนนึกให้อึดอัด ตอนนึกหาคำตอบมาตอบคำถาม.... เฮ้อ !!!






fiogf49gjkf0d
BLOWER FAN น่าเอามาใส่ในท่อไอดีคงจะบินเหนือน้ำได้นะฮิๆ
จาก : TTC077(TTC077) 14/11/2554 21:20:41 [110.169.234.133]
 แสดงความคิดเห็นย่อย แสดงความคิดเห็นย่อย

005 จาก BoyDogtag,TTC-005 90.50.66.128 อังคาร, 8/11/2554 เวลา : 10:48  IP : 90.50.66.128   

edit แก้ไขคำตอบ   delete ลบคำตอบ 112551

คำตอบที่ 251
      

fiogf49gjkf0d
มาที่ร้านขายส้มตำกันต่อครับ...
สั่ง.. ปีกไก่ทอด , ลาบเป็ด , ต้มแซบกระดูกหมู แล้วก็ส้มตำปูปลาร้า...

สั่งมา 4 ชุดครับ.. ข้าวเหนียว.. คนละกระติ๊บไปเลย...






fiogf49gjkf0d
ต้มแซ่บ แซ่บบ่อ้าย...
จาก : ttc009(ttc009) 8/11/2554 19:23:44 [49.48.87.187]
 แสดงความคิดเห็นย่อย แสดงความคิดเห็นย่อย

005 จาก BoyDogtag,TTC-005 90.50.77.154 อังคาร, 8/11/2554 เวลา : 19:14  IP : 90.50.77.154   

edit แก้ไขคำตอบ   delete ลบคำตอบ 112554

คำตอบที่ 252
      

fiogf49gjkf0d
แต่กว่าอาหารจะมาได้.. เล่นเอาพวกเรารอกันชั่วโมงกว่าๆ...
รสชาติอาหารน่ะหรือครับ.. คุณหนุ่ม

จะเบาไปหน่อยเมื่อเทียบกับของบ้านเรา
ส้มตำ กับ ต้มแซบ.... OK ครับอร่อยดี
แต่ลาบเป็ดรสชาติจืดไปหน่อย...

หลังจากนั่งทานและพูดคุยกันได้ราวชั่วโมงกว่า..
ก็ถึงเวลา Check Bill หรือคิสตางค์ ละครับ..

188 EUR..... = 8,084 บาท
เป็นค่าข้าวเหนียว.. ราวๆ 30 EUR = 1,200 กว่าบาท...







fiogf49gjkf0d
กินข้าวเหนียวเขาไม่ใช้ช้อนซ่อม เสียรสชาต ถึงว่าข้าวเหนียวแพงจัง ถ้ากินด้วยมือลด 80% ครับ
จาก : 130(130) 8/11/2554 21:16:49 [223.205.13.127]
 แสดงความคิดเห็นย่อย แสดงความคิดเห็นย่อย

005 จาก BoyDogtag,TTC-005 90.50.77.154 อังคาร, 8/11/2554 เวลา : 19:47  IP : 90.50.77.154   

edit แก้ไขคำตอบ   delete ลบคำตอบ 112555

คำตอบที่ 253
      

fiogf49gjkf0d
เพึ่งกลับจากฝึกงานครับ... วันนี้รถมารับเร็วตั้งแต่ 16:30 น. เลยเลิกกันเร็วหน่อย 23:00 น. เพราะว่าพรุ่งนี้ที่ฝั่งเศสเป้นวันหยุดพิเศษ 1 วัน ( วันที่ระลึกทหารผ่านศึก ) และพรุ่งนี้ก็หยุดฝึกงานครับ..

วันหยุดพิเศษแบบนี้..
ถ้าเป็นตอนที่เรียนภาคทฤษฎี ( Coursework ) น่ะเหรอครับ... ต้องมานั่งเรียนหนังสือครับ ไม่ได้หยุดกับเขาหรอก.. ( โดนให้มาเรียนมาแล้ว..ครับ )

พูดถึงเรื่องอาหารตามร้านอาหาร ( Restuarant ) ในฝรั่งเศสนั้น..
ส่วนใหญ่ราคาอาหารจะจานละประมาณ 8-12 EUR ครับ..

ยิ่งถ้าเป็น Set ด้วยแล้ว..
ชุดนึงก็ตั้งแต่ 15 EUR ขึ้นไปครับ..

ราคา Mcdonald ที่นี่...
set นึงก็เริ่มตั้งแต่.. 5.5 EUR ขึ้นไปครับ..

ดังนั้น.. ที่ร้านส้มตำ ที่พวกเราทานกันร่วม 188 EUR นั้น
เฉลี่ยต่อท่านแล้ว = 13.50 EUR ครับ..
ก็คงมื้อส้มตำที่แพงที่สุดเท่าทีเคยทานกันมา...

พูดเรื่องวัฒนธรรมการรัปทานอาหารแล้ว...
นานมาแล้ว.. ผมเคยสงสัยว่า

ทำไม ???... จะทานอาหารฝรั่งมันต้องยกมาทีละจานด้วยวะ !!!
ยกมาทีเดียวเลยไม่ได้หรืองัยว่ะ ???..... ในใจผมคิด

มาถึงบางอ้อ... มาเข้าใจในเหตุผลในวัฒนธรรมการรัปทานอาหาร เอาก็ตอนที่มาใช้ชีวิตอยู่ที่ตูลูสนี่แหละครับ..

ทำไมนะเหรอครับ !!

ก็คุณลองคิดดูสิ !!
ผมเพิ่งจะหุ้งข้าวเสร็จใหม่ๆ ร้อนๆจัดอยู่เลย..
ตักข้าวใส่จานมา.. ก็ว่าจะได้ทานกับกับข้าวที่เพิ่งทำเสร็จใหม่ๆร้อนๆ

ทานยังไม่ทันจะเท่าไรเลย.. ได้ครึ่งจานกว่าๆ...
ทั้งข้าวสวยและกับข้าวที่เพิ่งร้อนๆควันลอยฉุยอยู่นั้น...
มันกลับเย็นลง อย่างรวดเร็วเฉยเลย..

ตอนหลังๆนี่.. หุ้งข้าวแค่พอทานใน 1 มื้อพอ..
จะได้ทานข้าวร้อนๆทุกมื้อ..
ตักข้าว.. ก็ตักน้อยๆ ใส่จานเล็กๆ..
มันจะได้ทานหมดก่อนที่มันจะเย็นชืดเสียก่อน.. !!!

ผมเลย..เข้าใจดีเลยว่า.. ทำไม??
เขาถึงต้องค่อยๆเสริฟอาหาร.. ที่ละจาน ที่ละอย่าง..
รอจนกว่าเราจะทานจานปัจจุบันจนพอใจแล้ว.. จึงค่อยยกอาหารจานใหม่มาเสริฟต่อ...

เข้าใจได้ทราบซึ้งในวัฒนธรรมข้อนี้จริงๆเลยครับ..






 แสดงความคิดเห็นย่อย แสดงความคิดเห็นย่อย

005 จาก BoyDogtag,TTC-005 90.50.77.154 ศุกร์, 11/11/2554 เวลา : 06:17  IP : 90.50.77.154   

edit แก้ไขคำตอบ   delete ลบคำตอบ 112599

คำตอบที่ 254
      

fiogf49gjkf0d
มาดู Terrano ของเมืองนอก ทางยุโรปกันต่อดีกว่าครับ..
คันนี้.. ไปเจอเข้า ขณะไปเที่ยวที่ Andorra ครั้งที่ 2 ครับ...

มาถึงที่ Andorra ก็ scan หารถ Terrano ตลอดเส้นทางที่รถวิ่งผ่านตลอดเลยครับ..
มาเจอเจ้าคันขาวนี้.. จอดอยู่ระหว่างเดิน Shopping เข้าให้พอดี..

ใครจะ shopping ก็ Shop ไป... ขอถ่ายรูปเจ้า Terrano มาฝากกันก่อนเลยครับ..






 แสดงความคิดเห็นย่อย แสดงความคิดเห็นย่อย

005 จาก BoyDogtag,TTC-005 90.50.77.154 ศุกร์, 11/11/2554 เวลา : 06:31  IP : 90.50.77.154   

edit แก้ไขคำตอบ   delete ลบคำตอบ 112600

คำตอบที่ 255
      

fiogf49gjkf0d
ใช่เลยครับ... มันคือ Terrano II ตาเหลี่ยม.. ในร่าง Ford Mavarick...





fiogf49gjkf0d
ลายกันชนหน้า.. คนละลายกับ Terrano II ตาเหลี่ยม... แตกต่างกันเล็กน้อยครับ..
จาก : 005 (005 ) 11/11/2554 6:45:38 [90.50.77.154]
 แสดงความคิดเห็นย่อย แสดงความคิดเห็นย่อย

005 จาก BoyDogtag,TTC-005 90.50.77.154 ศุกร์, 11/11/2554 เวลา : 06:34  IP : 90.50.77.154   

edit แก้ไขคำตอบ   delete ลบคำตอบ 112601

คำตอบที่ 256
      

fiogf49gjkf0d
เอ๊ะ !!... มาคนนั่งข้างในรถเสียด้วยสิ !!!... เสร็จโก๋ !!!





 แสดงความคิดเห็นย่อย แสดงความคิดเห็นย่อย

005 จาก BoyDogtag,TTC-005 90.50.77.154 ศุกร์, 11/11/2554 เวลา : 06:35  IP : 90.50.77.154   

edit แก้ไขคำตอบ   delete ลบคำตอบ 112602

คำตอบที่ 257
      

fiogf49gjkf0d
คุณคารืลอส ( Carlos ) เป็นชาวสเปน และเป็นเจ้าของรถ..
หลังจากส่งภาษากันสักพัก.. ก็ขอคุณคาร์ลอสเปิดรถให้ชมกันหน่อยครับ..

คอนโซลหน้าปัด.. เจ้า Ford เหลี่ยมครับ..






 แสดงความคิดเห็นย่อย แสดงความคิดเห็นย่อย

005 จาก BoyDogtag,TTC-005 90.50.77.154 ศุกร์, 11/11/2554 เวลา : 06:43  IP : 90.50.77.154   

edit แก้ไขคำตอบ   delete ลบคำตอบ 112603

คำตอบที่ 258
      

fiogf49gjkf0d
ในห้องเครื่อง... บรรจุเครื่องยนต์ TD27T ไว้ภายใน..
ที่ยุโรป.. นิยมใช้เครื่องยนต์ Diesel กันมากกว่า Gasoline
เพราะว่า.. ราคาน้ำมัน Diesel ถูกสตางค์กว่า.. แถมไม่จุกจิกอีกด้วยครับ..

เคยมีรุ่นพี่ท่านหนึ่งที่ Dogtag เคยเป็น บ.ก.บ.ห. ( กองบรรณาธิการบริหาร ) นิตรสารรถยนต์ชื่อดังเมืองไทยฉบับบหนึ่ง..

เคยพูดให้ผมฟังว่า...

" ถ้าเรามีสเกลเต็ม 10 นะบอย... ปัจจุบันนี้เครื่องยนต์เบนซิน มันโดนพัฒนาไปได้ 9.5 ส่วนแล้ว..
ไม่ว่าจะปรับเปลี่ยนองศาวาวล์.. จนถึงปรับเปลี่ยนแรงอัดในกระบอกสูบ.. ปรับโน้นปรับนี่..จนไม่รู้ว่าจะเหลืออะไรที่ยังปรับไม่ได้อีกมั๊ยในเครื่องยนต์เครื่องหนึ่ง... "

" ส่วนในเครื่องยนต์ดีเซล.. ตอนนี้มันเพิ่งโดนพัฒนาไปได้แค่ 3.5 ส่วนเท่านั้นเอง... มันยังสามารถพัฒนาอะไรๆ ได้อีกมากๆ.. นี้ขนาดมันเพิ่งมาได้แค่ 3.5 ส่วนใน 10 ส่วนนะ !!... มันยังมีแรงได้เกือบเท่ากับเบนซินเลย... "

" ดังนั้น... เครื่องยนต์ดีเซล มันยังพัฒนาได้อีกมาก.. คอยดูเทคโนโลยีดีเซลในยุคต่อไป.. น่าสนใจมากๆ... " ..... รุ่นพี่คนดังกล่าวได้เคยในข้อคิดเห็นเอาไว้ครับ..
fiogf49gjkf0d


 แก้ไขเมื่อ : 11/11/2554 7:04:41





 แสดงความคิดเห็นย่อย แสดงความคิดเห็นย่อย

005 จาก BoyDogtag,TTC-005 90.50.77.154 ศุกร์, 11/11/2554 เวลา : 07:00  IP : 90.50.77.154   

edit แก้ไขคำตอบ   delete ลบคำตอบ 112604

คำตอบที่ 259
      

fiogf49gjkf0d
คุณคาร์ลอส.. เจ้าของรถ terrano II ตาเหลี่ยมผู้ใจดี...





fiogf49gjkf0d
ตอนที่ยืนถ่ายรูปคุณคาร์ลอส.. อุณหภูมิประมาณ 15 องศาครับ...
จาก : 005 (005 ) 11/11/2554 14:21:49 [90.50.77.154]
 แสดงความคิดเห็นย่อย แสดงความคิดเห็นย่อย

005 จาก BoyDogtag,TTC-005 90.50.77.154 ศุกร์, 11/11/2554 เวลา : 07:06  IP : 90.50.77.154   

edit แก้ไขคำตอบ   delete ลบคำตอบ 112605

คำตอบที่ 260
      

fiogf49gjkf0d
ลายเบาะภายในครับ...





 แสดงความคิดเห็นย่อย แสดงความคิดเห็นย่อย

005 จาก BoyDogtag,TTC-005 90.50.77.154 ศุกร์, 11/11/2554 เวลา : 07:07  IP : 90.50.77.154   

edit แก้ไขคำตอบ   delete ลบคำตอบ 112606

คำตอบที่ 261
      

fiogf49gjkf0d
ส่วนเจ้าคันเขียวนี้.. เจอที่เมือง AL PAS DE LA CAS ( แอล ปา เดอ ลา กาส ) ในประเทศ อันดอร์ร่า ( Andorra )... ที่เดียวกับที่ผมเจอกับ Terrano II คันแรก ที่มีหิมะตกนั่นแหละครับ..

Nissan Terrano II 3 Door....
TD27T.... 2.7 Diesel Turbo Intercooler






 แสดงความคิดเห็นย่อย แสดงความคิดเห็นย่อย

005 จาก BoyDogtag,TTC-005 90.50.77.154 ศุกร์, 11/11/2554 เวลา : 07:23  IP : 90.50.77.154   

edit แก้ไขคำตอบ   delete ลบคำตอบ 112607

คำตอบที่ 262
      

fiogf49gjkf0d
ดูกันใกล้ๆ.. จะๆครับ.. กับที่ฉีดน้ำล้างไฟหน้ารถ ( Headlamp Washer Jet Nozzle )...





 แสดงความคิดเห็นย่อย แสดงความคิดเห็นย่อย

005 จาก BoyDogtag,TTC-005 90.50.77.154 ศุกร์, 11/11/2554 เวลา : 07:30  IP : 90.50.77.154   

edit แก้ไขคำตอบ   delete ลบคำตอบ 112608

คำตอบที่ 263
      

fiogf49gjkf0d
ด้านท้ายรถครับ...





 แสดงความคิดเห็นย่อย แสดงความคิดเห็นย่อย

005 จาก BoyDogtag,TTC-005 90.50.77.154 ศุกร์, 11/11/2554 เวลา : 07:32  IP : 90.50.77.154   

edit แก้ไขคำตอบ   delete ลบคำตอบ 112609

คำตอบที่ 264
      

fiogf49gjkf0d
Zoom... Zoom.... LOGO....





 แสดงความคิดเห็นย่อย แสดงความคิดเห็นย่อย

005 จาก BoyDogtag,TTC-005 90.50.77.154 ศุกร์, 11/11/2554 เวลา : 07:34  IP : 90.50.77.154   

edit แก้ไขคำตอบ   delete ลบคำตอบ 112610

คำตอบที่ 265
      

fiogf49gjkf0d
อยากได้สักคันจริงๆเลยครับ... สวย Sexy จริงๆ เจ้า 3 ประตู...





 แสดงความคิดเห็นย่อย แสดงความคิดเห็นย่อย

005 จาก BoyDogtag,TTC-005 90.50.77.154 ศุกร์, 11/11/2554 เวลา : 07:36  IP : 90.50.77.154   

edit แก้ไขคำตอบ   delete ลบคำตอบ 112611

คำตอบที่ 266
      

fiogf49gjkf0d
หลังจากวนถ่ายรูปเจ้าคันนี้ตั้งแต่แรกเห็น.. จนไปเดิน Shopping กลับมา.. ก็มาวนถ่ายเจ้าคันนี้ต่อ.. จนเจ้าของรถ คุณ Judy เดินกลับมาที่รถ...

เสร็จโก๋ตามเคยครับ..
เลยต้องแนะนำตัวเองซะหน่อยว่า.. ข้าฯน้อยก็ใช้ Terrano II เหมือนกันนะ... 555
หลังจากนั้น.. บทสนธนาก็ไหลลื่นไปอย่างดีจริงๆครับ... อิอิ

เอ๊ะ !!.... เห็นอะไรพิเศษๆบ้างมั๊ยครับ ?????
fiogf49gjkf0d


 แก้ไขเมื่อ : 11/11/2554 7:42:56





 แสดงความคิดเห็นย่อย แสดงความคิดเห็นย่อย

005 จาก BoyDogtag,TTC-005 90.50.77.154 ศุกร์, 11/11/2554 เวลา : 07:41  IP : 90.50.77.154   

edit แก้ไขคำตอบ   delete ลบคำตอบ 112612

คำตอบที่ 267
      

fiogf49gjkf0d
ใช้แล้วครับ... แผงประตูท้ายรถของ Terrano II ยุโรป..
มีตาข่ายไว้ใส่ของให้ด้วยสิครับ... แจ่มจริงๆ

สังเกตนะครับ.. วัสดุภายในรถจะเป็นสีเบจ ( Bridge color ) ตัดกับสีเขียวเข้มภายนอกรถ... ผมล่ะชอบสีคู่นี้จริงๆ สวยจริงๆ ครับ...






fiogf49gjkf0d
ที่นี่.. รถทุกคันต้องมีเสื้อสะท้อนแสงติดรถไว้ทุกคันนะครับ... เป็นกฎบังคับ
จาก : 005 (005 ) 11/11/2554 14:25:10 [90.50.77.154]
 แสดงความคิดเห็นย่อย แสดงความคิดเห็นย่อย

005 จาก BoyDogtag,TTC-005 90.50.77.154 ศุกร์, 11/11/2554 เวลา : 07:50  IP : 90.50.77.154   

edit แก้ไขคำตอบ   delete ลบคำตอบ 112613

คำตอบที่ 268
      

fiogf49gjkf0d
Dual Airbag.... ถุงลมนิรภัยคู่
Headlamp Lifting Adjustable Knob... ปุ่มปรับระดับไฟหน้ารถสูง/ต่ำ...






 แสดงความคิดเห็นย่อย แสดงความคิดเห็นย่อย

005 จาก BoyDogtag,TTC-005 90.50.77.154 ศุกร์, 11/11/2554 เวลา : 07:55  IP : 90.50.77.154   

edit แก้ไขคำตอบ   delete ลบคำตอบ 112614

คำตอบที่ 269
      

fiogf49gjkf0d
ว่าแล้ว... ก็ขอให้คุณ Judy ช่วยเปิดกระโปรงรถชมเครื่องยนต์กันหน่อยดีกว่าครับ..
คุณ Judy ก็ใจดี..รีบเดินมาหน้ารถเปิดให้ชมทันทีเลยครับ..






 แสดงความคิดเห็นย่อย แสดงความคิดเห็นย่อย

005 จาก BoyDogtag,TTC-005 90.50.77.154 ศุกร์, 11/11/2554 เวลา : 07:58  IP : 90.50.77.154   

edit แก้ไขคำตอบ   delete ลบคำตอบ 112615

คำตอบที่ 270
      

fiogf49gjkf0d
TD27T Intercooler.....





 แสดงความคิดเห็นย่อย แสดงความคิดเห็นย่อย

005 จาก BoyDogtag,TTC-005 90.50.77.154 ศุกร์, 11/11/2554 เวลา : 08:00  IP : 90.50.77.154   

edit แก้ไขคำตอบ   delete ลบคำตอบ 112616

      

ยังมีคำตอบมากกว่านี้นะครับ คลิ๊กเพื่อดูหน้าถัดไป


คำตอบแบ่งหน้าละ 30 คำตอบ ขณะนี้คุณอยู่ที่หน้า 9 จาก >>> 1  2  3  4  5  6  7  8  9  10  11  12  



website รองรับการใช้งานทุกระบบปฏิบัติการของ PC Tablet SmartPhone ทุกระบบสามารถโพสข้อความและรูปภาพได้โดยไม่ต้องย่อไฟล์
เพื่อความปลอดภัยในการใช้ website WeekendHobby.Com สมาชิก เท่านั้น จึงจะตั้งกระทู้ หรือ ตอบกระทู้ได้ครับ
Login Click ที่นี่
สมัครสมาชิก Click ที่นี่

Since 22, Feb 2001 hit counter View My Stats  Truehits.net      วันอาทิตย์,10 พฤษภาคม 2569 (Online 1711 คน)