WeekendHobby.com
เครื่องมือในการใช้งาน website =>> สมัครสมาชิก | Login | Logout | เปลี่ยนไอคอนส่วนตัว | เกี่ยวกับเรา | ติดต่อโฆษณา         View stat by Truehits.net


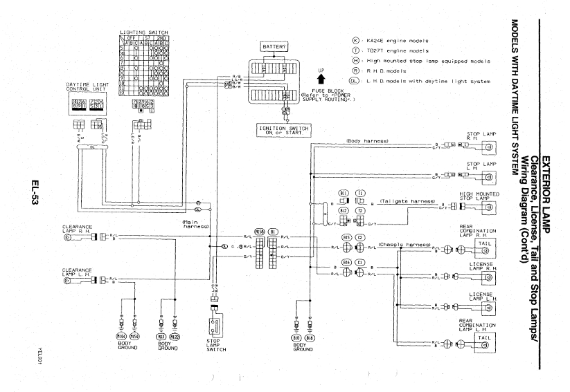
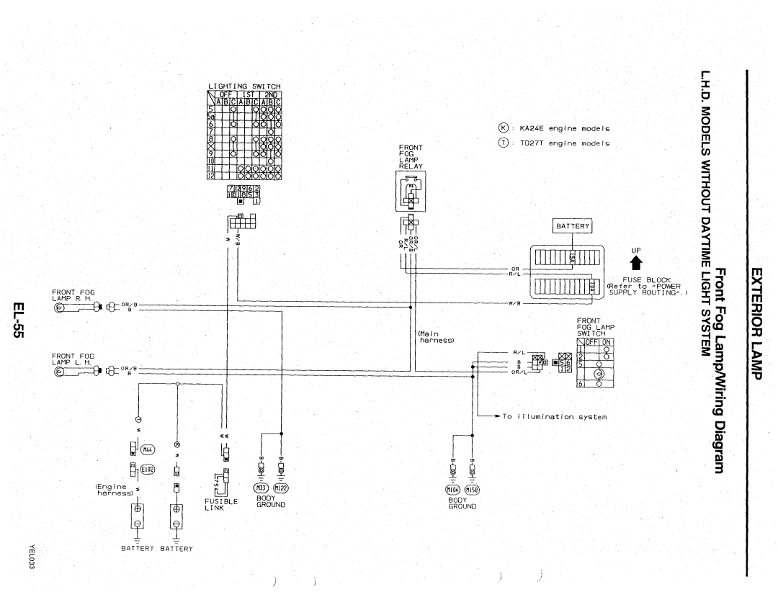
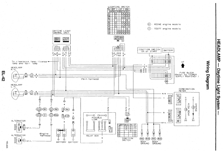
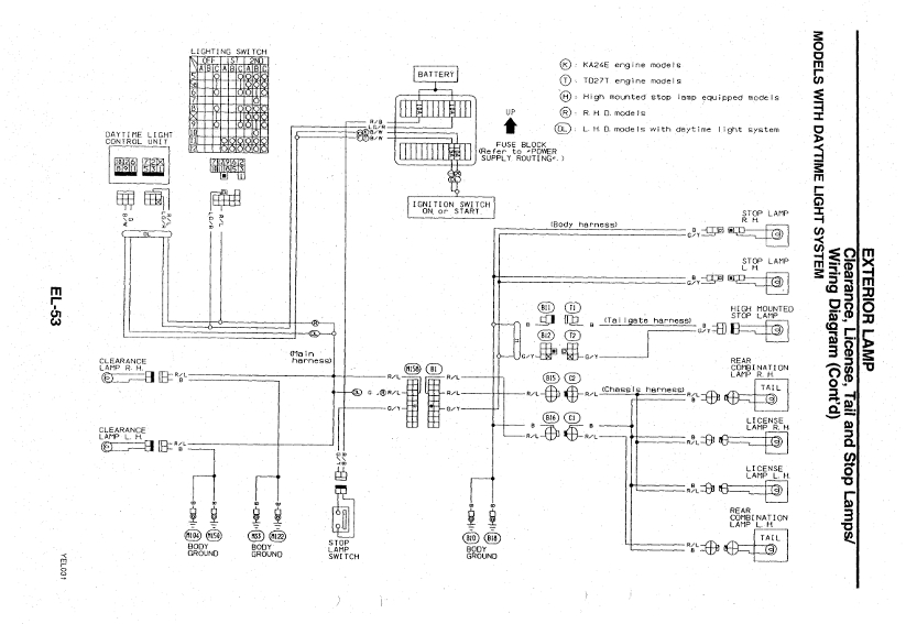
คู่มือรถนิสสันเทอราโน R 20 เครื่องยนต์ KA24E และ TD27T
TTC077
จาก TTC-077 TAKOB
IP:110.168.111.117

เสาร์ที่ , 13/4/2556
เวลา : 19:54

อ่านแล้ว = 19463 ครั้ง
 เก็บเข้ากระทู้ส่วนตัว
แจ้งตรวจสอบกระทู้
 แจ้งลบ
ส่งหาเพื่อน ส่งหาเพื่อน

      






fiogf49gjkf0d
ขอบคุณครับ มีประโยชน์มากสำหรับเพื่อน ๆ สมาชิกครับ
จาก : TTC102(TTC102) 20/4/2556 20:31:55 [125.26.114.80]
 แสดงความคิดเห็นย่อย แสดงความคิดเห็นย่อย

แจ้งเพื่อเก็บขึ้นกระทู้พิเศษ คลิ๊กที่นี่แจ้งเพื่อนำขึ้นกระทู้พิเศษ

คำตอบแบ่งหน้าละ 30 คำตอบ ขณะนี้คุณอยู่ที่หน้า 11 จาก >>> 1  2  3  4  5  6  7  8  9  10  11  12  

คำตอบที่ 301
      

fiogf49gjkf0d






 แสดงความคิดเห็นย่อย แสดงความคิดเห็นย่อย

TTC077 จาก TTC-077oTAKOBo 110.169.244.108 อาทิตย์, 14/4/2556 เวลา : 23:32  IP : 110.169.244.108   

edit แก้ไขคำตอบ   delete ลบคำตอบ 123432

คำตอบที่ 302
      

fiogf49gjkf0d






 แสดงความคิดเห็นย่อย แสดงความคิดเห็นย่อย

TTC077 จาก TTC-077oTAKOBo 110.169.244.108 อาทิตย์, 14/4/2556 เวลา : 23:33  IP : 110.169.244.108   

edit แก้ไขคำตอบ   delete ลบคำตอบ 123433

คำตอบที่ 303
      

fiogf49gjkf0d






 แสดงความคิดเห็นย่อย แสดงความคิดเห็นย่อย

TTC077 จาก TTC-077oTAKOBo 110.169.244.108 อาทิตย์, 14/4/2556 เวลา : 23:33  IP : 110.169.244.108   

edit แก้ไขคำตอบ   delete ลบคำตอบ 123434

คำตอบที่ 304
      

fiogf49gjkf0d
ไดร์ชาร์ท และ EGR





 แสดงความคิดเห็นย่อย แสดงความคิดเห็นย่อย

TTC077 จาก TTC-077oTAKOBo 110.169.250.148 จันทร์, 15/4/2556 เวลา : 19:45  IP : 110.169.250.148   

edit แก้ไขคำตอบ   delete ลบคำตอบ 123435

คำตอบที่ 305
      

fiogf49gjkf0d






 แสดงความคิดเห็นย่อย แสดงความคิดเห็นย่อย

TTC077 จาก TTC-077oTAKOBo 110.169.250.148 จันทร์, 15/4/2556 เวลา : 19:46  IP : 110.169.250.148   

edit แก้ไขคำตอบ   delete ลบคำตอบ 123436

คำตอบที่ 306
      

fiogf49gjkf0d






 แสดงความคิดเห็นย่อย แสดงความคิดเห็นย่อย

TTC077 จาก TTC-077oTAKOBo 110.169.250.148 จันทร์, 15/4/2556 เวลา : 19:46  IP : 110.169.250.148   

edit แก้ไขคำตอบ   delete ลบคำตอบ 123437

คำตอบที่ 307
      

fiogf49gjkf0d






 แสดงความคิดเห็นย่อย แสดงความคิดเห็นย่อย

TTC077 จาก TTC-077oTAKOBo 110.169.250.148 จันทร์, 15/4/2556 เวลา : 20:10  IP : 110.169.250.148   

edit แก้ไขคำตอบ   delete ลบคำตอบ 123440

คำตอบที่ 308
      

fiogf49gjkf0d






 แสดงความคิดเห็นย่อย แสดงความคิดเห็นย่อย

TTC077 จาก TTC-077oTAKOBo 110.169.250.148 จันทร์, 15/4/2556 เวลา : 20:11  IP : 110.169.250.148   

edit แก้ไขคำตอบ   delete ลบคำตอบ 123441

คำตอบที่ 309
      

fiogf49gjkf0d






 แสดงความคิดเห็นย่อย แสดงความคิดเห็นย่อย

TTC077 จาก TTC-077oTAKOBo 110.169.250.148 จันทร์, 15/4/2556 เวลา : 20:12  IP : 110.169.250.148   

edit แก้ไขคำตอบ   delete ลบคำตอบ 123442

คำตอบที่ 310
      

fiogf49gjkf0d






 แสดงความคิดเห็นย่อย แสดงความคิดเห็นย่อย

TTC077 จาก TTC-077oTAKOBo 110.169.250.148 จันทร์, 15/4/2556 เวลา : 20:13  IP : 110.169.250.148   

edit แก้ไขคำตอบ   delete ลบคำตอบ 123443

คำตอบที่ 311
      

fiogf49gjkf0d






 แสดงความคิดเห็นย่อย แสดงความคิดเห็นย่อย

TTC077 จาก TTC-077oTAKOBo 110.169.250.148 จันทร์, 15/4/2556 เวลา : 20:14  IP : 110.169.250.148   

edit แก้ไขคำตอบ   delete ลบคำตอบ 123444

คำตอบที่ 312
      

fiogf49gjkf0d






 แสดงความคิดเห็นย่อย แสดงความคิดเห็นย่อย

TTC077 จาก TTC-077oTAKOBo 110.169.250.148 จันทร์, 15/4/2556 เวลา : 20:15  IP : 110.169.250.148   

edit แก้ไขคำตอบ   delete ลบคำตอบ 123445

คำตอบที่ 313
      

fiogf49gjkf0d






 แสดงความคิดเห็นย่อย แสดงความคิดเห็นย่อย

TTC077 จาก TTC-077oTAKOBo 110.169.250.148 จันทร์, 15/4/2556 เวลา : 20:16  IP : 110.169.250.148   

edit แก้ไขคำตอบ   delete ลบคำตอบ 123446

คำตอบที่ 314
      

fiogf49gjkf0d






 แสดงความคิดเห็นย่อย แสดงความคิดเห็นย่อย

TTC077 จาก TTC-077oTAKOBo 110.169.250.148 จันทร์, 15/4/2556 เวลา : 20:17  IP : 110.169.250.148   

edit แก้ไขคำตอบ   delete ลบคำตอบ 123447

คำตอบที่ 315
      

fiogf49gjkf0d






 แสดงความคิดเห็นย่อย แสดงความคิดเห็นย่อย

TTC077 จาก TTC-077oTAKOBo 110.169.250.148 จันทร์, 15/4/2556 เวลา : 20:18  IP : 110.169.250.148   

edit แก้ไขคำตอบ   delete ลบคำตอบ 123448

คำตอบที่ 316
      

fiogf49gjkf0d






 แสดงความคิดเห็นย่อย แสดงความคิดเห็นย่อย

TTC077 จาก TTC-077oTAKOBo 110.169.250.148 จันทร์, 15/4/2556 เวลา : 20:18  IP : 110.169.250.148   

edit แก้ไขคำตอบ   delete ลบคำตอบ 123449

คำตอบที่ 317
      

fiogf49gjkf0d






 แสดงความคิดเห็นย่อย แสดงความคิดเห็นย่อย

TTC077 จาก TTC-077oTAKOBo 110.169.250.148 จันทร์, 15/4/2556 เวลา : 20:19  IP : 110.169.250.148   

edit แก้ไขคำตอบ   delete ลบคำตอบ 123450

คำตอบที่ 318
      

fiogf49gjkf0d






 แสดงความคิดเห็นย่อย แสดงความคิดเห็นย่อย

TTC077 จาก TTC-077oTAKOBo 110.169.250.148 จันทร์, 15/4/2556 เวลา : 20:20  IP : 110.169.250.148   

edit แก้ไขคำตอบ   delete ลบคำตอบ 123451

คำตอบที่ 319
      

fiogf49gjkf0d






 แสดงความคิดเห็นย่อย แสดงความคิดเห็นย่อย

TTC077 จาก TTC-077oTAKOBo 110.169.250.148 จันทร์, 15/4/2556 เวลา : 20:20  IP : 110.169.250.148   

edit แก้ไขคำตอบ   delete ลบคำตอบ 123452

คำตอบที่ 320
      

fiogf49gjkf0d






 แสดงความคิดเห็นย่อย แสดงความคิดเห็นย่อย

TTC077 จาก TTC-077oTAKOBo 110.169.250.148 จันทร์, 15/4/2556 เวลา : 20:21  IP : 110.169.250.148   

edit แก้ไขคำตอบ   delete ลบคำตอบ 123453

คำตอบที่ 321
      

fiogf49gjkf0d






 แสดงความคิดเห็นย่อย แสดงความคิดเห็นย่อย

TTC077 จาก TTC-077oTAKOBo 110.169.250.148 จันทร์, 15/4/2556 เวลา : 20:26  IP : 110.169.250.148   

edit แก้ไขคำตอบ   delete ลบคำตอบ 123455

คำตอบที่ 322
      

fiogf49gjkf0d






 แสดงความคิดเห็นย่อย แสดงความคิดเห็นย่อย

TTC077 จาก TTC-077oTAKOBo 110.169.250.148 จันทร์, 15/4/2556 เวลา : 20:27  IP : 110.169.250.148   

edit แก้ไขคำตอบ   delete ลบคำตอบ 123456

คำตอบที่ 323
      

fiogf49gjkf0d






 แสดงความคิดเห็นย่อย แสดงความคิดเห็นย่อย

TTC077 จาก TTC-077oTAKOBo 110.169.250.148 จันทร์, 15/4/2556 เวลา : 20:27  IP : 110.169.250.148   

edit แก้ไขคำตอบ   delete ลบคำตอบ 123457

คำตอบที่ 324
      

fiogf49gjkf0d






 แสดงความคิดเห็นย่อย แสดงความคิดเห็นย่อย

TTC077 จาก TTC-077oTAKOBo 110.169.250.148 จันทร์, 15/4/2556 เวลา : 20:29  IP : 110.169.250.148   

edit แก้ไขคำตอบ   delete ลบคำตอบ 123459

คำตอบที่ 325
      

fiogf49gjkf0d






 แสดงความคิดเห็นย่อย แสดงความคิดเห็นย่อย

TTC077 จาก TTC-077oTAKOBo 110.169.250.148 จันทร์, 15/4/2556 เวลา : 20:30  IP : 110.169.250.148   

edit แก้ไขคำตอบ   delete ลบคำตอบ 123460

คำตอบที่ 326
      

fiogf49gjkf0d






 แสดงความคิดเห็นย่อย แสดงความคิดเห็นย่อย

TTC077 จาก TTC-077oTAKOBo 110.169.250.148 จันทร์, 15/4/2556 เวลา : 20:31  IP : 110.169.250.148   

edit แก้ไขคำตอบ   delete ลบคำตอบ 123461

คำตอบที่ 327
      

fiogf49gjkf0d






 แสดงความคิดเห็นย่อย แสดงความคิดเห็นย่อย

TTC077 จาก TTC-077oTAKOBo 110.169.250.148 จันทร์, 15/4/2556 เวลา : 20:32  IP : 110.169.250.148   

edit แก้ไขคำตอบ   delete ลบคำตอบ 123462

คำตอบที่ 328
      

fiogf49gjkf0d






 แสดงความคิดเห็นย่อย แสดงความคิดเห็นย่อย

TTC077 จาก TTC-077oTAKOBo 110.169.250.148 จันทร์, 15/4/2556 เวลา : 20:32  IP : 110.169.250.148   

edit แก้ไขคำตอบ   delete ลบคำตอบ 123463

คำตอบที่ 329
      

fiogf49gjkf0d






 แสดงความคิดเห็นย่อย แสดงความคิดเห็นย่อย

TTC077 จาก TTC-077oTAKOBo 110.169.250.148 จันทร์, 15/4/2556 เวลา : 20:33  IP : 110.169.250.148   

edit แก้ไขคำตอบ   delete ลบคำตอบ 123464

คำตอบที่ 330
      

fiogf49gjkf0d






 แสดงความคิดเห็นย่อย แสดงความคิดเห็นย่อย

TTC077 จาก TTC-077oTAKOBo 110.169.250.148 จันทร์, 15/4/2556 เวลา : 20:34  IP : 110.169.250.148   

edit แก้ไขคำตอบ   delete ลบคำตอบ 123465

      

ยังมีคำตอบมากกว่านี้นะครับ คลิ๊กเพื่อดูหน้าถัดไป


คำตอบแบ่งหน้าละ 30 คำตอบ ขณะนี้คุณอยู่ที่หน้า 11 จาก >>> 1  2  3  4  5  6  7  8  9  10  11  12  



website รองรับการใช้งานทุกระบบปฏิบัติการของ PC Tablet SmartPhone ทุกระบบสามารถโพสข้อความและรูปภาพได้โดยไม่ต้องย่อไฟล์
เพื่อความปลอดภัยในการใช้ website WeekendHobby.Com สมาชิก เท่านั้น จึงจะตั้งกระทู้ หรือ ตอบกระทู้ได้ครับ
Login Click ที่นี่
สมัครสมาชิก Click ที่นี่



Since 22, Feb 2001 hit counter View My Stats  Truehits.net      วันอาทิตย์,10 พฤษภาคม 2569 (Online 1304 คน)