คำตอบที่ 14
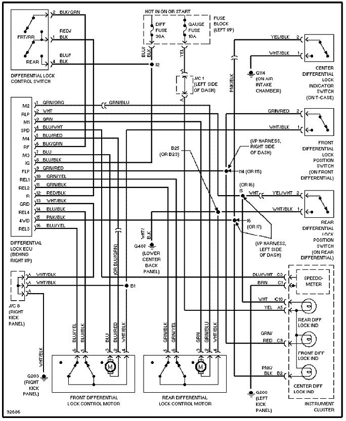
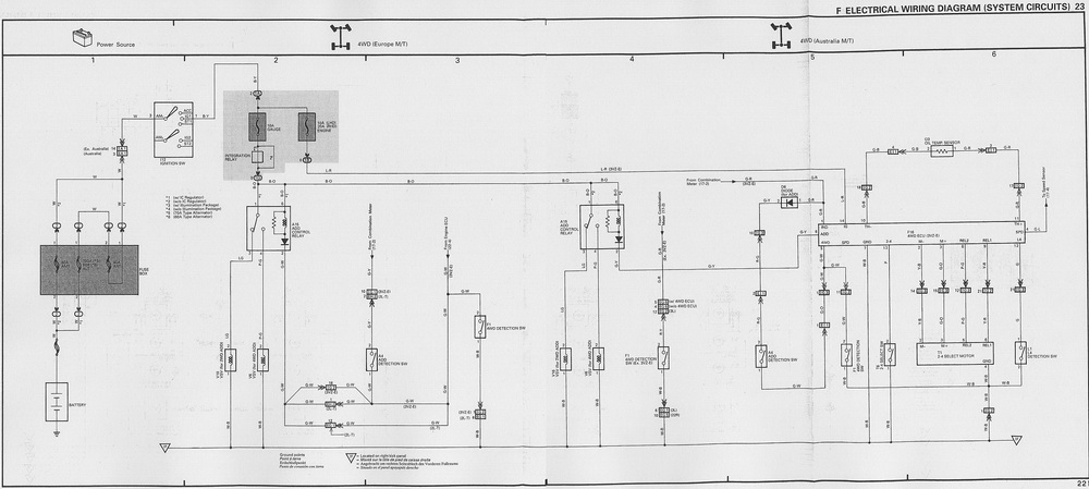
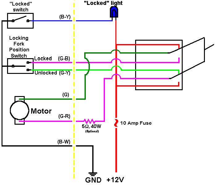
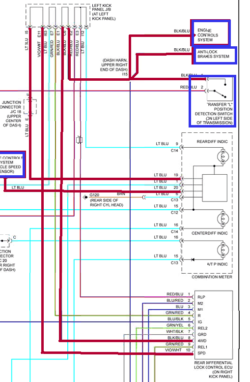
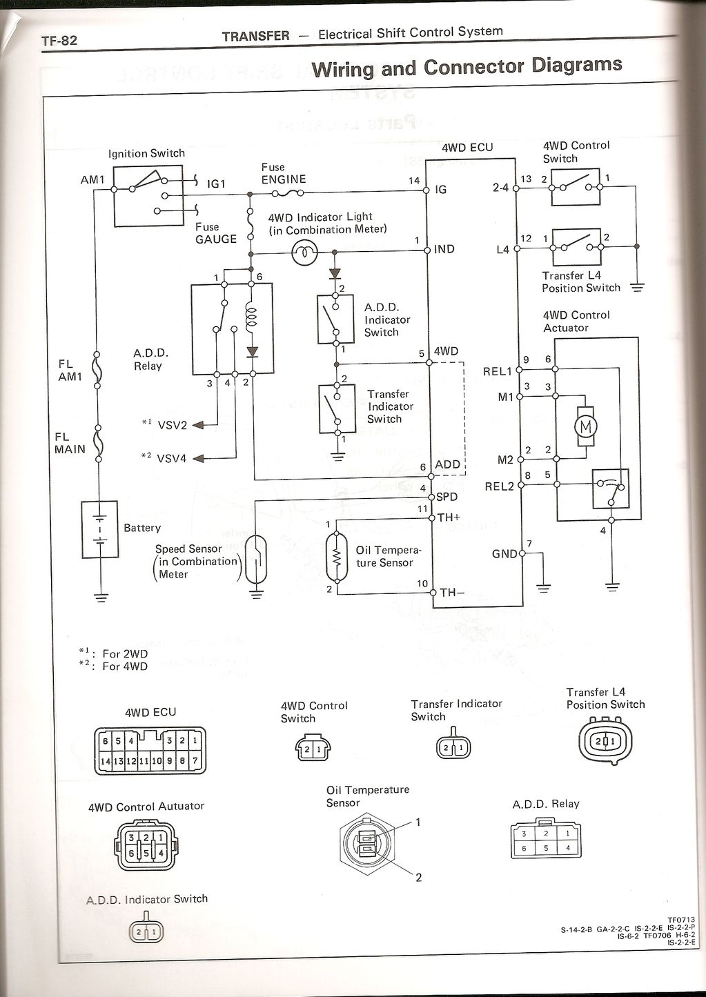
ในตัวรถที่มีอุปกรณ์ตัวนี้ครบครัน มีคนหัวใส โดยเอาขา 8 ลงกราาด์ซะเลย
จะทำให้เรา ใส่ difflock ได้ทุกการใช้งานไม่ว่า 2H,4H,4L
แต่ก็มีคำเตือนในการขับขี่ จะไม่ปลอดภัย ถ้าเผลอไปสับ difflock ถนนทางดำ อันนี้อันตรายมากๆ
หรือ อีกนัยหนึ่งคือ
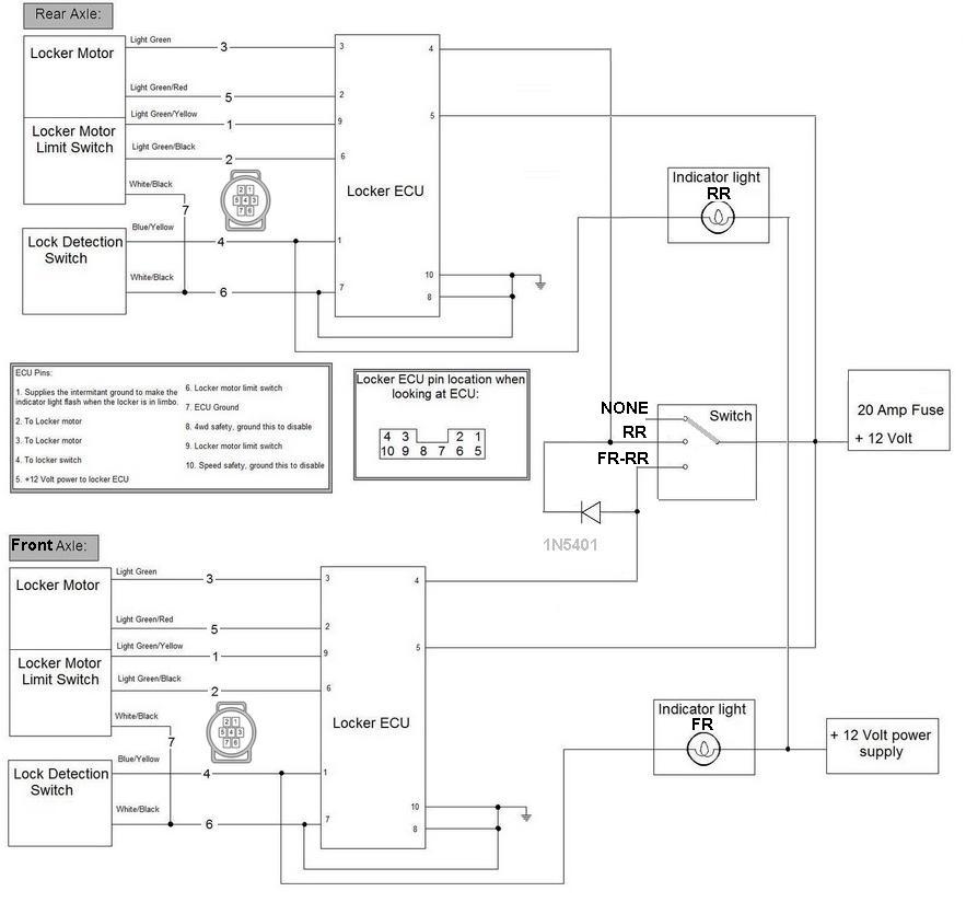
เมื่อมีความเร็วของรถเกิน และ ระบบ Difflock ก็สามารถสับสวิทช์ให้ทำงานได้ อันนี้อันตรายมาก
ระบบเครื่องยนต์มีปัญหา และ ระบบ Difflock ก็สามารถสับสวิทช์ให้ทำงานได้ อันนี้อันตรายมาก
ช่วง ABS ทำงาน และ ระบบ Difflock ก็สามารถสับสวิทช์ให้ทำงานได้ อันนี้อันตรายมาก
เกียร์ LOW อยู่ในทุกตำแหน่ง (2H,4H,4L) และ ระบบ Difflock ก็สามารถสับสวิทช์ให้ทำงานได้ แต่ก็ยังอันตราย เมือใช้ความเร็วสูง
อ้างอิง
http://www.hilux4x4.co.za/hilux-diff-lock-mod/index.php
