WeekendHobby.com
เครื่องมือในการใช้งาน website =>> สมัครสมาชิก | Login | Logout | เปลี่ยนไอคอนส่วนตัว | เกี่ยวกับเรา | ติดต่อโฆษณา         View stat by Truehits.net


วงจรไฟดิ๊ฟล๊อคตัวนี้ต่อยังไงครับ
Jarun yui
จาก Jarun yui
IP:223.24.72.251

อาทิตย์ที่ , 16/7/2560
เวลา : 09:21

อ่านแล้ว = ครั้ง
 เก็บเข้ากระทู้ส่วนตัว
แจ้งตรวจสอบกระทู้
 แจ้งลบ
ส่งหาเพื่อน ส่งหาเพื่อน

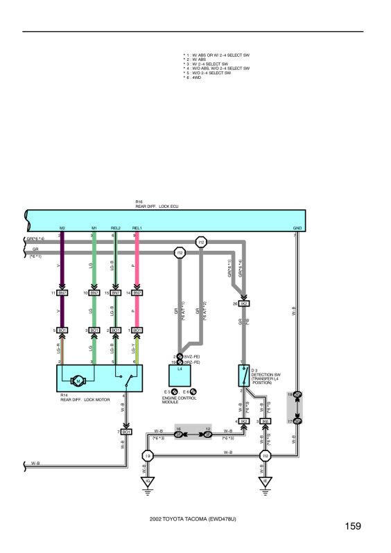
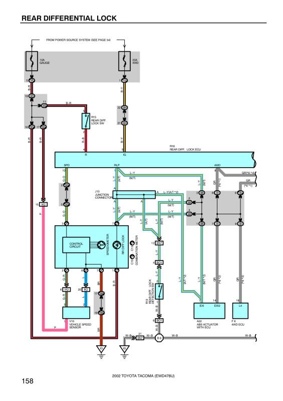
       ขอความอนุเคราะห์ท่านผู้รู้หน่อยครับ ผมจะต่อวงจรจากดิ๊ฟล๊อคเข้ากล่องเข้าสวิทช์และไฟที่หน้าปัดต้องต่อยังไงบ้างครับ เป็นรถvigo prerunnerครับ ขอรบกวนด้วยครับ






 แสดงความคิดเห็นย่อย แสดงความคิดเห็นย่อย

แจ้งเพื่อเก็บขึ้นกระทู้พิเศษ คลิ๊กที่นี่แจ้งเพื่อนำขึ้นกระทู้พิเศษ

คำตอบแบ่งหน้าละ 30 คำตอบ ขณะนี้คุณอยู่ที่หน้า 1 จาก >>> 1  

คำตอบที่ 1
      





 แสดงความคิดเห็นย่อย แสดงความคิดเห็นย่อย

Jarun yui จาก Jarun yui อาทิตย์, 16/7/2560 เวลา : 09:25  IP :   

edit แก้ไขคำตอบ   delete ลบคำตอบ 78755

คำตอบที่ 2
      





 แสดงความคิดเห็นย่อย แสดงความคิดเห็นย่อย

Jarun yui จาก Jarun yui อาทิตย์, 16/7/2560 เวลา : 09:56  IP :   

edit แก้ไขคำตอบ   delete ลบคำตอบ 78756

คำตอบที่ 3
       ต้องทำไฟที่หน้าปัดด้วยไม่ใช่เหรอครับ



ใช่ครับ
จาก : jarun yui(jarun yui) 18/7/2560 2:45:00 [61.91.36.230]
แต่อยากได้วงจรเข้ากล่องเข้าสวิทช์ก่อนครับ
จาก : jarun yui(jarun yui) 18/7/2560 2:46:51 [61.91.36.230]
 แสดงความคิดเห็นย่อย แสดงความคิดเห็นย่อย

หอยทาก106 จาก หอยทาก106 202.183.207.81 จันทร์, 17/7/2560 เวลา : 16:17  IP : 202.183.207.81   

edit แก้ไขคำตอบ   delete ลบคำตอบ 78757

คำตอบที่ 4
       ช่วยครับ





 แสดงความคิดเห็นย่อย แสดงความคิดเห็นย่อย

hunyong15 จาก ชาญ พฤหัสบดี, 20/7/2560 เวลา : 11:12  IP :   

edit แก้ไขคำตอบ   delete ลบคำตอบ 78760

คำตอบที่ 5
       อีกภาพ





 แสดงความคิดเห็นย่อย แสดงความคิดเห็นย่อย

hunyong15 จาก ชาญ พฤหัสบดี, 20/7/2560 เวลา : 11:13  IP :   

edit แก้ไขคำตอบ   delete ลบคำตอบ 78761

คำตอบที่ 6
       อีกภาพ





 แสดงความคิดเห็นย่อย แสดงความคิดเห็นย่อย

hunyong15 จาก ชาญ พฤหัสบดี, 20/7/2560 เวลา : 11:14  IP :   

edit แก้ไขคำตอบ   delete ลบคำตอบ 78762

คำตอบที่ 7
      





 แสดงความคิดเห็นย่อย แสดงความคิดเห็นย่อย

hunyong15 จาก ชาญ พฤหัสบดี, 20/7/2560 เวลา : 11:15  IP :   

edit แก้ไขคำตอบ   delete ลบคำตอบ 78763

คำตอบที่ 8
      





 แสดงความคิดเห็นย่อย แสดงความคิดเห็นย่อย

hunyong15 จาก ชาญ พฤหัสบดี, 20/7/2560 เวลา : 11:16  IP :   

edit แก้ไขคำตอบ   delete ลบคำตอบ 78764

คำตอบที่ 9
       เดี๋ยวผมจะลองต่อวงจรดูครับขอบคุณพี่ชาญมากๆนะครับสำหรับข้อมูล ขอบคุณครับ



 แสดงความคิดเห็นย่อย แสดงความคิดเห็นย่อย

jarun yui จาก jarun yui 61.91.36.230 พฤหัสบดี, 20/7/2560 เวลา : 20:28  IP : 61.91.36.230   

edit แก้ไขคำตอบ   delete ลบคำตอบ 78765

      

คำตอบแบ่งหน้าละ 30 คำตอบ ขณะนี้คุณอยู่ที่หน้า 1 จาก >>> 1  



website รองรับการใช้งานทุกระบบปฏิบัติการของ PC Tablet SmartPhone ทุกระบบสามารถโพสข้อความและรูปภาพได้โดยไม่ต้องย่อไฟล์
เพื่อความปลอดภัยในการใช้ website WeekendHobby.Com สมาชิก เท่านั้น จึงจะตั้งกระทู้ หรือ ตอบกระทู้ได้ครับ
Login Click ที่นี่
สมัครสมาชิก Click ที่นี่



Since 22, Feb 2001 hit counter View My Stats  Truehits.net      วันอังคาร,10 กุมภาพันธ์ 2569 (Online 2832 คน)