WeekendHobby.com
เครื่องมือในการใช้งาน website =>> สมัครสมาชิก | Login | Logout | เปลี่ยนไอคอนส่วนตัว | เกี่ยวกับเรา | ติดต่อโฆษณา         View stat by Truehits.net


ข้อควรระวังและควรเปลี่ยนเมื่อถึงระยะ 1 -1.5 แสนกิโลเมตร
Auto.
จาก Auto
IP:202.80.239.130

ศุกร์ที่ , 26/11/2553
เวลา : 14:46

อ่านแล้ว = ครั้ง
 เก็บเข้ากระทู้ส่วนตัว
แจ้งตรวจสอบกระทู้
 แจ้งลบ
ส่งหาเพื่อน ส่งหาเพื่อน

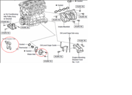
       ตัวนี้ช่างเจเขาบอกมาพบเห็นหลายคันเริ่มมีการรั่วซึมตรงจุดนี้กันเยอะ
ตัวนี้คือ Water by pass N0.1 ท่อยางน้ำ by pass ไปด้านหลัง
ราคาค่าเปลี่ยนในศูนย์ไม่กี่ร้อยบาท ควรเปลี่ยนในศูนย์เพราะงานนี้รื้อเยอะแต่อะไหล่ถูก ต้องรื้อท่อไอดีออกมาด้วยจึงจะเปลี่ยนได้
ถ้าเอาความสบายใจ ในระยะประมาณ 1-1.6 แสนกิโลเมตร เราต้องเปลี่ยนน้ำยาหม้อน้ำอยู่แล้วก็ควรเปลี่ยนตัวนี้ไปด้วยเลย






ผมเปลี่ยนมาแล้ว ท่อบายพาส 1600 +สายรัด +แรง รวม 3000
จาก : boonmark(boonmark) 19/3/2556 21:22:13 [119.42.114.90]
 แสดงความคิดเห็นย่อย แสดงความคิดเห็นย่อย

แจ้งเพื่อเก็บขึ้นกระทู้พิเศษ คลิ๊กที่นี่แจ้งเพื่อนำขึ้นกระทู้พิเศษ

คำตอบแบ่งหน้าละ 30 คำตอบ ขณะนี้คุณอยู่ที่หน้า 1 จาก >>> 1  2  

คำตอบที่ 1
      

ตัวที่ 2 ก็คือปั๊มน้ำตัวนี้ราคาในศูนย์ประมาณ 2150-2450 บาท ถ้าเป็นปั๊มน้ำ Aisin งานเทียบภายนอกขายราคาประมาณ 1800 หรือ 2000 กว่า

ถ้าค่าแรงช่างภายนอกจะอยู่ที่ 500 -800 บาท ถ้า ค่าแรงในศูนย์อยู่ที่ 700 บาท

ตัวต่อมาคือสายพาน V-Belt ขับ Fan Alternater ตัวนี้ปกติก็ทนมากอยู่แต่เอาความสบายใจก็เปลี่ยนไปพร้อมกันนั่นแหละ ราคาตัวนี้ไม่แน่ใจว่าสายพานราคาหลักไม่กี่ร้อยบาทหรือเปล่า






 แสดงความคิดเห็นย่อย แสดงความคิดเห็นย่อย

Auto. จาก Auto 202.80.239.130 ศุกร์, 26/11/2553 เวลา : 14:53  IP : 202.80.239.130   

edit แก้ไขคำตอบ   delete ลบคำตอบ 23405

คำตอบที่ 2
       ขอบคุณครับที่ชี้แนะ ผมเพิ่งเกือบ 2 หมื่นโล คงอีกพักใหญ่ๆ



 แสดงความคิดเห็นย่อย แสดงความคิดเห็นย่อย

teelaban จาก teelaban 203.155.220.236 ศุกร์, 26/11/2553 เวลา : 15:26  IP : 203.155.220.236   

edit แก้ไขคำตอบ   delete ลบคำตอบ 23406

คำตอบที่ 3
       ขอบคุณครับ สำหรับคำชี้แนะ ผมกำลังจะไปเปลี่ยนปั๊มน้ำ กับ ปั๊มติก อยู่พอดีเลย



 แสดงความคิดเห็นย่อย แสดงความคิดเห็นย่อย

apilucky จาก oui 223.206.164.19 อาทิตย์, 28/11/2553 เวลา : 16:01  IP : 223.206.164.19   

edit แก้ไขคำตอบ   delete ลบคำตอบ 23412

คำตอบที่ 4
       ขอถามหน่อยครับ ว่าถ้ายังไม่เปลี่ยนนี่มันจะมีอาการอะไรแสดงให้เราเห็นหรือเปล่าครับ แบบว่าเตือนก่อนเมื่อเริ่มีอาการครับ



พยายามดู ไต้ท้องรถบ่อยขึ้น ถ้ามีนำหยด รีบเปิดหาจุดรั่วครับ เปิดฝาดูคราบนำยาหม้อนำตามเครื่อง
จาก : boonmark(boonmark) 19/3/2556 21:29:47 [119.42.114.90]
 แสดงความคิดเห็นย่อย แสดงความคิดเห็นย่อย

bond007 จาก Bond 183.89.239.22 ศุกร์, 3/12/2553 เวลา : 00:10  IP : 183.89.239.22   

edit แก้ไขคำตอบ   delete ลบคำตอบ 23532

คำตอบที่ 5
       ไม่ค่อยมีอาการเตือนให้เห็นหรอกครับ อาการเกี่ยวกับเครื่องไม่มีเลยกว่าจะรู้ตัวสายเสียแล้ว

ถ้าปั๊มน้ำรั่ว มันจะเริ่มซึมนิด ๆ และมากขึ้นเรื่อย ๆ จากนั้นร้อนมากก็กลับบ้านเลย
ถ้าท่อยาง Pipe 1 มันจะซึมนิด ๆ มองแทบไม่เห็นด้วยเพราะปกติก็มองยากอยู่แล้ว ตัดปัญหาเปลี่ยนเลยดีกว่า



 แสดงความคิดเห็นย่อย แสดงความคิดเห็นย่อย

Auto. จาก Auto 202.80.239.130 ศุกร์, 3/12/2553 เวลา : 10:11  IP : 202.80.239.130   

edit แก้ไขคำตอบ   delete ลบคำตอบ 23538

คำตอบที่ 6
       up



 แสดงความคิดเห็นย่อย แสดงความคิดเห็นย่อย

^Top^ จาก ^Top^ 118.172.16.20 อังคาร, 30/8/2554 เวลา : 23:07  IP : 118.172.16.20   

edit แก้ไขคำตอบ   delete ลบคำตอบ 27470

คำตอบที่ 7
       ขอสอบถาม เพิ่มเติมแล้ว รถที่อายุมากปี แต่ เลขไมล์น้อย รถ 6 ปีแล้ว วิ่งไปแค่ 80,000 กิโลเอง
พวกท่อ Water by pass N0.1 ท่อยางน้ำ by pass หรือ ปั๊มน้ำ และ ส่วนอื่นๆ
จะต้องเปลี่ยนเร็วขึ้นมั้ย หรือ รอให้ครบ 100,000 กิโล ( คงอีกนาน ) แล้วค่อยเปลี่ยน
หรือ ให้เปลียนเร็วขึ้นอีก ( ยิ่งพักหลังมานี่ ยิ่งใช้รถน้อยมากๆ )



 แสดงความคิดเห็นย่อย แสดงความคิดเห็นย่อย

akeram จาก akeram 58.11.230.83 อังคาร, 30/8/2554 เวลา : 23:46  IP : 58.11.230.83   

edit แก้ไขคำตอบ   delete ลบคำตอบ 27471

คำตอบที่ 8
       ขอถามเสริมคำตอบที่7ครับคือรถอายุเท่ากันครับรถปี05ขับสี่สี่ประตู ที่ทำงานผมมีอยู่ห้าคันวิ่งคันละประมาณ45.000-60.000โลจะเกิดเหตการแบบนื้ขึ้นไหมครับเพราะรถไม่ค่อยจะใด้วื่งแต่อายุหลายปีแล้ว



 แสดงความคิดเห็นย่อย แสดงความคิดเห็นย่อย

tar3425 จาก tar3425 203.155.220.236 พุธ, 31/8/2554 เวลา : 00:12  IP : 203.155.220.236   

edit แก้ไขคำตอบ   delete ลบคำตอบ 27474

คำตอบที่ 9
       คำถามทั้ง 2 ท่าน ผมตอบไม่ได้เลยครับ ว่าควรเปลี่ยนหรือไม่เปลี่ยนดี



 แสดงความคิดเห็นย่อย แสดงความคิดเห็นย่อย

Auto. จาก Auto 202.80.239.130 พุธ, 31/8/2554 เวลา : 10:04  IP : 202.80.239.130   

edit แก้ไขคำตอบ   delete ลบคำตอบ 27476

คำตอบที่ 10
       กระทู้ดีมีประโยฃชน์ครับ....แต่ภาพเล็กไปหน่อย (ว่าง ๆ ทำภาพใหญ่หน่อยน๊ะครับ แจ่มเลย)...

ขอบคุณมากครับ



 แสดงความคิดเห็นย่อย แสดงความคิดเห็นย่อย

mop จาก MOP 124.120.95.35 พุธ, 30/11/2554 เวลา : 06:04  IP : 124.120.95.35   

edit แก้ไขคำตอบ   delete ลบคำตอบ 29069

คำตอบที่ 11
       จัดไป





 แสดงความคิดเห็นย่อย แสดงความคิดเห็นย่อย

tar3425 จาก tar3425 203.155.220.236 พุธ, 30/11/2554 เวลา : 18:14  IP : 203.155.220.236   

edit แก้ไขคำตอบ   delete ลบคำตอบ 29078

คำตอบที่ 12
       จัดอีกนิด



 แสดงความคิดเห็นย่อย แสดงความคิดเห็นย่อย

tar3425 จาก tar3425 203.155.220.236 พุธ, 30/11/2554 เวลา : 18:17  IP : 203.155.220.236   

edit แก้ไขคำตอบ   delete ลบคำตอบ 29079

คำตอบที่ 13
       ขออีกที





 แสดงความคิดเห็นย่อย แสดงความคิดเห็นย่อย

tar3425 จาก tar3425 203.155.220.236 พุธ, 30/11/2554 เวลา : 18:22  IP : 203.155.220.236   

edit แก้ไขคำตอบ   delete ลบคำตอบ 29080

คำตอบที่ 14
       โตไม่พอ





 แสดงความคิดเห็นย่อย แสดงความคิดเห็นย่อย

tar3425 จาก tar3425 203.155.220.236 พุธ, 30/11/2554 เวลา : 18:24  IP : 203.155.220.236   

edit แก้ไขคำตอบ   delete ลบคำตอบ 29081

คำตอบที่ 15
       ขยายไม่ใด้แล้วครับ



 แสดงความคิดเห็นย่อย แสดงความคิดเห็นย่อย

tar3425 จาก tar3425 203.155.220.236 พุธ, 30/11/2554 เวลา : 18:28  IP : 203.155.220.236   

edit แก้ไขคำตอบ   delete ลบคำตอบ 29082

คำตอบที่ 16
       ขอบคุณมากครับ



 แสดงความคิดเห็นย่อย แสดงความคิดเห็นย่อย

mop จาก MOP 124.120.201.86 พุธ, 30/11/2554 เวลา : 19:05  IP : 124.120.201.86   

edit แก้ไขคำตอบ   delete ลบคำตอบ 29085

คำตอบที่ 17
       แนะนำก๊อปเฉพาะรูปไปขยายดูข้างนอกครับ



 แสดงความคิดเห็นย่อย แสดงความคิดเห็นย่อย

tar3425 จาก tar3425 203.155.220.236 พุธ, 30/11/2554 เวลา : 23:41  IP : 203.155.220.236   

edit แก้ไขคำตอบ   delete ลบคำตอบ 29090

คำตอบที่ 18
       ถ้าไม่แจ้งให้ศูนย์เปลี่ยน ศูนย์จะแนะนำเปลี่ยนให้ไหมครับ



 แสดงความคิดเห็นย่อย แสดงความคิดเห็นย่อย

taka_vvti จาก TaKa_vvti 124.121.40.81 ศุกร์, 2/12/2554 เวลา : 00:18  IP : 124.121.40.81   

edit แก้ไขคำตอบ   delete ลบคำตอบ 29110

คำตอบที่ 19
       ศูนย์ไม่เปลี่ยนให้นะครับ ไม่มีรายการให้ต้องเปลี่ยน ยกเว้นจะเจอว่ารั่วเมื่อนำรถเข้าเช็คระยะตามปกติ
เนื่องจากศูนย์จะต้องคิดว่าลูกค้าทุกคนต้องนำรถเข้าศูนย์เช็คระยะทุก 10,000 กิโลเมตร ตามปกติทุกคันอยู่แล้ว
ถ้าจะทำคือ Request ศูนย์ว่าต้องการเปลี่ยน



 แสดงความคิดเห็นย่อย แสดงความคิดเห็นย่อย

Auto. จาก Auto 202.80.239.130 ศุกร์, 2/12/2554 เวลา : 08:27  IP : 202.80.239.130   

edit แก้ไขคำตอบ   delete ลบคำตอบ 29114

คำตอบที่ 20
       ไปทำมาแล้วครับ ศูนย์โตโยต้ามหานคร หนองใหญ่ ถนน กาญจณาพิเษก เอารูปไปให้ช่างดูเค้าบอกว่าเป็นท่อแต่ง ( ช่างของศูย์โตโยต้านะครับพูดอย่างนี้ได้กะไร ) สั่งเปลี่ยนของเหลวอีก 3 อย่าง ตามใบสั่งซ่อมสีฟ้า แต่ได้มา 4 อย่าง ช่วงโปรโมชั่นน้ำท่วม เลยต้องเพิ่มตางค์อีกเกือบ 2000 บาท (ทั้งๆที่ผมเพิ่งเปลี่ยนมา) จอดรถวันที่ 8 เวลา 11.00 น นัดรับรถ วันที่ 9 ตอนเที่ยง แต่ได้รับรถเอาตอนสามทุ่มแระ ตอนรับรถไฟเครื่องโชว์ ช่างบอกว่าแก้ไม่หายลองไปขับดูก่อน แต่ผมไม่ยอมถ้าช่างศูนย์โตโยต้าแก้ไม่หายแล้วจะให้ใครแก้ให้ละ เลยลองไปเช็คใหม่ผมเลยเข้าไปดูด้วย สุดท้ายเจอบางอ้อ ช่างเอาเหล็กงัดยางมางัดท่อตอนใส่ท่อยาง เลยไปโดนสายไปขาดสองเส้นไฟเครื่องจึงโชว์ จัดการบัดกรีต่อใหม่เลยหาย แล้วเอะใจทำไมน้ำมันหยดที่กรองน้ำมันเครื่อง ช่างบอกว่ายังไม่เช็ด สุดท้ายออกจากศูย์ที่สุดทรมานกับการรอคอย ขับมาอีกสองวัน ว่างๆเลยมุดดูใต้ท้องรถซะหน่อย เจออีกแล้วครับ น้ำมันหยดที่กรองครับ เลยลองเอาที่ขันกรองมาหมุนดู บางอ้ออีกแล้ว ช่างศูนย์โตโยต้าขันกรองไม่แน่น เวรกรรมจริงๆครับ ว่างๆจะเอารายการซ่อมมาแจ้งราคาให้ดูนะครับ เปลี่ยนปั้มน้า วาล์ลน้ำ ท่อยางบายพาส น้ำยาหม้อน้ำ ของเหลวอีก สาม เอ้ย สี่รายการ หมดไป หมื่นกว่าครับ



 แสดงความคิดเห็นย่อย แสดงความคิดเห็นย่อย

สมิหลา จาก ธัน 58.11.14.50 พุธ, 14/12/2554 เวลา : 18:06  IP : 58.11.14.50   

edit แก้ไขคำตอบ   delete ลบคำตอบ 29251

คำตอบที่ 21
       ศูนย์นี้แย่จริง ๆ ทำงานแย่มาก



 แสดงความคิดเห็นย่อย แสดงความคิดเห็นย่อย

Auto. จาก Auto 110.49.227.59 พุธ, 14/12/2554 เวลา : 21:14  IP : 110.49.227.59   

edit แก้ไขคำตอบ   delete ลบคำตอบ 29253

คำตอบที่ 22
       โดนมาแล้ววันนี้ ค่า ท่อ 826 ค่าแรงอีก265
ไม่รวมค่าเช็ค ระยะ160000 อีก 1700
รวมแล้วงานนี้ปาไป แปดพันกว่า

ตัวนี้ช่างเจเขาบอกมาพบเห็นหลายคันเริ่มมีการรั่วซึมตรงจุดนี้กันเยอะ
ตัวนี้คือ Water by pass N0.1 ท่อยางน้ำ by pass ไปด้านหลัง
ราคาค่าเปลี่ยนในศูนย์ไม่กี่ร้อยบาท ควรเปลี่ยนในศูนย์เพราะงานนี้รื้อเยอะแต่อะไหล่ถูก ต้องรื้อท่อไอดีออกมาด้วยจึงจะเปลี่ยนได้
ถ้าเอาความสบายใจ ในระยะประมาณ 1-1.6 แสนกิโลเมตร เราต้องเปลี่ยนน้ำยาหม้อน้ำอยู่แล้วก็ควรเปลี่ยนตัวนี้ไปด้วยเลย

ผมเก็บอะไหล่เก่ามา นั้งดู ว่าโอกาศที่จะเสียหายตรงไหนได้
ดูๆแล้วมันเป็นพลาสติกเกรดดี น่าจะอยูได้นาน
จึงรู้ว่ารถของใครเคยมีปํญหาที่เกิดจากท่อเส้นนี้บ้าง
แต่ถ้ารั่วซึม ผมว่าน่าจะเป็บเพราะ โอริงที่หน้าแปลน กับท่อยางที่มาสวมกับตัวท่อมากกว่า
ของผมช่าง 0 เล่นหักท่อแยกตัวเล็กเลย ช่าง 0 จริง เล่นเก่าให้เป็น ศูนย์ 0 เลย
กลับมาถึงบ้านจะเอาล้างทำความสะอาดดูว่า พอที่มีแนวทางใดบ้างที่จะแก้ไขท่อเส้นได้ พอหยิบท่อขึ้นมาเห็นแล้ว ช่าง 0จริงๆ

 แก้ไขเมื่อ : 30/12/2554 7:31:34



 แสดงความคิดเห็นย่อย แสดงความคิดเห็นย่อย

panu10 จาก ยย 124.122.88.12 พุธ, 28/12/2554 เวลา : 21:38  IP : 124.122.88.12   

edit แก้ไขคำตอบ   delete ลบคำตอบ 29378

คำตอบที่ 23
       ตัวนี้ช่างเจเขาบอกมาพบเห็นหลายคันเริ่มมีการรั่วซึมตรงจุดนี้กันเยอะ
ตัวนี้คือ Water by pass N0.1 ท่อยางน้ำ by pass ไปด้านหลัง
ราคาค่าเปลี่ยนในศูนย์ไม่กี่ร้อยบาท ควรเปลี่ยนในศูนย์เพราะงานนี้รื้อเยอะแต่อะไหล่ถูก ต้องรื้อท่อไอดีออกมาด้วยจึงจะเปลี่ยนได้
ถ้าเอาความสบายใจ ในระยะประมาณ 1-1.6 แสนกิโลเมตร เราต้องเปลี่ยนน้ำยาหม้อน้ำอยู่แล้วก็ควรเปลี่ยนตัวนี้ไปด้วยเลย

ของใครเคยแตกหรือรั่วมาบ้าง ผมเปลี่ยนมาแล้ว
ช่างสมราคาช่าง 0 จริง เล่นหักท่อแยกเส้นเล็กเลย
แต่ดูๆ จากวัสดุพลาสติกที่ใช้ผมว่าน่าจะอยู่ได้นานเหมือนกันน่ะ
อีกอย่างน่าจะดัดแปลงได้น่ะ สะดวกเวลาเปลี่ยน ทำหน้าแปลนแล้วใช้ท่อยางแทนและสามทาง
หรือว่าใครความคิดอย่างอื่น



ของผมโดนไปแล้วครบอง ฝาหม้อน้ำ water bypass ตอนนี้มางานใหม่ หม้อต้มน้ำรั่ว
จาก : rat_tang(rat_tang) 4/1/2555 20:46:14 [125.24.204.55]
 แสดงความคิดเห็นย่อย แสดงความคิดเห็นย่อย

panu10 จาก ยย 210.246.186.243 ศุกร์, 30/12/2554 เวลา : 07:40  IP : 210.246.186.243   

edit แก้ไขคำตอบ   delete ลบคำตอบ 29391

คำตอบที่ 24
       สวัสดีครับขอผู้รู้ช่วยตอบที่ น้ำในหม้อพักผมหายเวลาวิ่งไกลๆ แล้วดับเครื่องน้ำในหม้อพักจะไหลล้นหม้อพักครับแต่ถ้าวิ่งไม่ไกลก็ปกติครับ ไม่ทราบว่าเกิดผิดปกติหรือป่าวครับ อาการพึ่งเกิดครับ ถ้าจะตรวจเช็คต้องตรวจตรงไหนบ้าง หรือเปลี่ยนอะไรครับ ขอบคุณไว้ล่วงหน้าครับ

 แก้ไขเมื่อ : 4/1/2555 22:53:48



ถ้าไม่มีการรั่วถือว่าปกติ
จาก : Auto.(Auto.) 5/1/2555 8:35:51 [202.80.239.130]
 แสดงความคิดเห็นย่อย แสดงความคิดเห็นย่อย

Tennis_ooy จาก Tennis_ooy 101.51.45.102 พุธ, 4/1/2555 เวลา : 22:49  IP : 101.51.45.102   

edit แก้ไขคำตอบ   delete ลบคำตอบ 29433

คำตอบที่ 25
       ของผมก็ท่อWater by pass N0.1เริ่มรั่วแล้วครับเอาเข้าศูนย์ (แถวจรัญ)ศูนย์แจ้งว่า มันเป็นท่อน้ำมันเพาเวอร์ผมก็บอกว่ามันเป็นท่อน้ำไม่ใช่หรือเห็นเป็นคราบน้ำยาหม้อน้ำสีชมพู ศูนย์ก็ยังยืนยันว่าท่อเพาเวอร์ ราคาแจ้วว่า5900 ยังไม่รวมค่าแรง ผมนี้งงเลย เลยเอารถออกยังไม่ทำ
ใครเคยไปเปลี่ยนที่ไหนชั่วแนะนำด้วยครับยินดีจะวี่งไปทำ ครับ



 แสดงความคิดเห็นย่อย แสดงความคิดเห็นย่อย

phon2700 จาก พล 110.49.233.20 ศุกร์, 6/1/2555 เวลา : 07:53  IP : 110.49.233.20   

edit แก้ไขคำตอบ   delete ลบคำตอบ 29462

คำตอบที่ 26
       เปลี่ยนศูนย์ก็พอครับ 0 นี้ไม่ดีวิ่งไปหาศูนย์ใหม่ เพราะอะไหล่ผมไม่แน่ใจว่ามีข้างนอกหรือไม่
ราคาอะไหล่แท้ 800 กว่าบาท ค่าแรงหลักร้อย เห็นคุณ ยย ไปทำมาไม่รู้ศูนย์ไหน 265 บาทเปิดจ๊อปนี้

หาแค่ศูนย์ใหม่ก็พอครับ ศูนย์เดิม งี่เง่าเหลือเกิน



 แสดงความคิดเห็นย่อย แสดงความคิดเห็นย่อย

Auto. จาก Auto 202.80.239.130 ศุกร์, 6/1/2555 เวลา : 10:12  IP : 202.80.239.130   

edit แก้ไขคำตอบ   delete ลบคำตอบ 29463

คำตอบที่ 27
       ตอบที่ 26
เปลี่ยนศูนย์ก็พอครับ 0 นี้ไม่ดีวิ่งไปหาศูนย์ใหม่ เพราะอะไหล่ผมไม่แน่ใจว่ามีข้างนอกหรือไม่
ราคาอะไหล่แท้ 800 กว่าบาท ค่าแรงหลักร้อย เห็นคุณ ยย ไปทำมาไม่รู้ศูนย์ไหน 265 บาทเปิดจ๊อปนี้

โตโยตา บัดซ์ ครับ เกษตร นวมิน



 แสดงความคิดเห็นย่อย แสดงความคิดเห็นย่อย

panu10 จาก ยย 58.11.153.207 เสาร์, 7/1/2555 เวลา : 23:23  IP : 58.11.153.207   

edit แก้ไขคำตอบ   delete ลบคำตอบ 29477

คำตอบที่ 28
       อีก 1 ทางเลือกนะครับเอามาบอกกล่าวกัน ถ้าเพื่อน ๆ หาอู่ที่ซ่อมพวกรถตู้วินได้ลองถาม ๆ เจ้าท่อนี้ดูครับเพราะเจ้าท่อ Water by pass N0.1 นั้นส่วนใหญ่อู่ที่ซ่อมรถตู้วินทั้งหลายจะทำท่อตัวนี้เป็นสแตนเลสไว้และมักจะเปลี่ยนให้กับรถตู้วินใช้ สาเหตุเพราะรถตู้วินวิ่งเยอะและพังง่ายครับ

รูปร่างหน้าตาครับ ของผมเพิ่งเปลี่ยนมา เอาไว้ระยะยาวแล้วจะมาแชร์ข้อมูลเพิ่มเติม แต่คิดว่าไม่น่าจะมีปัญหาอะไรกระทบกับระบบครับ



 แสดงความคิดเห็นย่อย แสดงความคิดเห็นย่อย

noom4w จาก นายกัน 203.154.225.41 อังคาร, 10/1/2555 เวลา : 13:23  IP : 203.154.225.41   

edit แก้ไขคำตอบ   delete ลบคำตอบ 29491

คำตอบที่ 29
       เอารูปลงได้ไหมเนี่ย





รบกวนแจ้งสถานที่ทำได้ไหมครับ
จาก : J cha(J cha) 10/1/2555 13:58:32 [49.49.93.229]
Good Idea ครับ
จาก : mop(mop) 30/1/2555 16:14:27 [58.8.189.142]
ขอสถานที่ผลิตหน่อยครับ หรือเบอร์ติดต่อก็ได้ครับ หรือ s_phuritat@hotmail.com ขอบคุณครับ
จาก : Tennis_ooy(Tennis_ooy) 30/4/2555 22:22:10 [118.174.81.202]
หาซื้อได้ที่ไหนครับ รบกวนบอกหน่อยครับ/089-5004378/aod_chaiya@hotmail.com/ขอบคุณมากๆครับ
จาก : aod_ae(aod_ae) 27/5/2555 1:32:50 [58.11.169.207]
 แสดงความคิดเห็นย่อย แสดงความคิดเห็นย่อย

noom4w จาก นายกัน 203.154.225.41 อังคาร, 10/1/2555 เวลา : 13:24  IP : 203.154.225.41   

edit แก้ไขคำตอบ   delete ลบคำตอบ 29492

คำตอบที่ 30
       สำหรับราคาที่ผมไปเปลี่ยนมาค่าแรง+ค่าท่อ 1200.- ครับ แพงหรือเปล่าไม่ทราบเหมือนกัน เป็นอีกหนึ่งทางเลือกแล้วกันครับ





แจ่มมากมายครับ
จาก : J cha(J cha) 10/1/2555 13:39:31 [49.49.93.229]
แจ๋วเลยครับ ขอรายละเอียดร้านติดตั้ง และอะไหล่หน่อยครับ จะได้ไม่ผุอีกต่อไป
จาก : mop(mop) 30/1/2555 16:15:23 [58.8.189.142]
รบกวน ว่าติดตั้งที่ร้านไหนด้วยครับ จะได้จัดตามๆกันไปครับ
จาก : Oui !!!(apilucky) 23/2/2555 16:36:41 [183.88.28.5]
หาซื้อได้ที่ไหนครับ รบกวนบอกหน่อยครับ/089-5004378/aod_chaiya@hotmail.com/ขอบคุณมากๆครับ
จาก : aod_ae(aod_ae) 27/5/2555 1:34:25 [58.11.169.207]
เจ๋งมากครับ
จาก : taka_vvti(taka_vvti) 28/5/2555 13:54:55 [110.168.13.212]
 แสดงความคิดเห็นย่อย แสดงความคิดเห็นย่อย

noom4w จาก นายกัน 203.154.225.41 อังคาร, 10/1/2555 เวลา : 13:28  IP : 203.154.225.41   

edit แก้ไขคำตอบ   delete ลบคำตอบ 29493

      

ยังมีคำตอบมากกว่านี้นะครับ คลิ๊กเพื่อดูหน้าถัดไป


คำตอบแบ่งหน้าละ 30 คำตอบ ขณะนี้คุณอยู่ที่หน้า 1 จาก >>> 1  2  



website รองรับการใช้งานทุกระบบปฏิบัติการของ PC Tablet SmartPhone ทุกระบบสามารถโพสข้อความและรูปภาพได้โดยไม่ต้องย่อไฟล์
เพื่อความปลอดภัยในการใช้ website WeekendHobby.Com สมาชิก เท่านั้น จึงจะตั้งกระทู้ หรือ ตอบกระทู้ได้ครับ
Login Click ที่นี่
สมัครสมาชิก Click ที่นี่



Since 22, Feb 2001 hit counter View My Stats  Truehits.net      วันอาทิตย์,19 เมษายน 2569 (Online 1740 คน)