WeekendHobby.com
เครื่องมือในการใช้งาน website =>> สมัครสมาชิก | Login | Logout | เปลี่ยนไอคอนส่วนตัว | เกี่ยวกับเรา | ติดต่อโฆษณา         View stat by Truehits.net


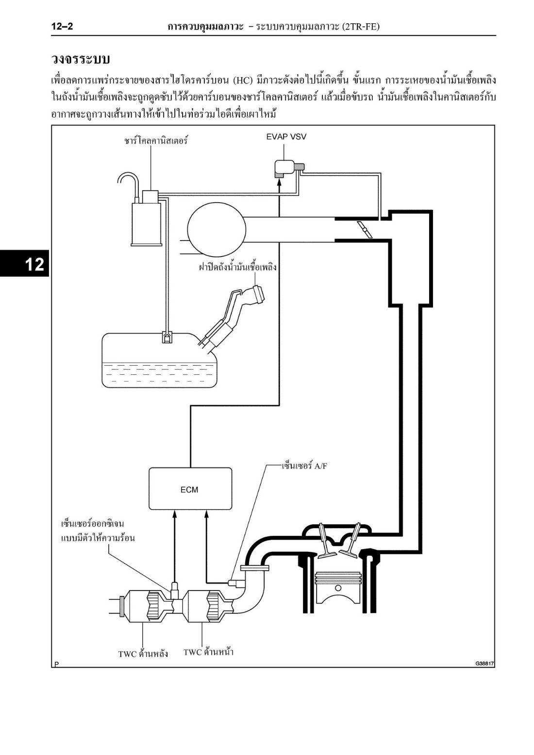
วิธีตรวจสอบ ชาร์โคลคานิสเตอร์
Beersurat
จาก เบียร์
IP:115.87.197.250

อังคารที่ , 15/10/2556
เวลา : 10:20

อ่านแล้ว = ครั้ง
 เก็บเข้ากระทู้ส่วนตัว
แจ้งตรวจสอบกระทู้
 แจ้งลบ
ส่งหาเพื่อน ส่งหาเพื่อน

       ในรถ 2.7 จะมีกรองที่อยู่ใกล้กับ กรองเบนซิน เรียกว่า ชาร์โคลคานิสเตอร์ มีหน้าที่ดักไอระเหย ของน้ำมันเชื้อเพลิง







 แสดงความคิดเห็นย่อย แสดงความคิดเห็นย่อย

แจ้งเพื่อเก็บขึ้นกระทู้พิเศษ คลิ๊กที่นี่แจ้งเพื่อนำขึ้นกระทู้พิเศษ

คำตอบแบ่งหน้าละ 30 คำตอบ ขณะนี้คุณอยู่ที่หน้า 1 จาก >>> 1  

คำตอบที่ 1
       ซึ่งจะมีอายุการใช้งาน





 แสดงความคิดเห็นย่อย แสดงความคิดเห็นย่อย

Beersurat จาก เบียร์ 115.87.197.250 อังคาร, 15/10/2556 เวลา : 10:22  IP : 115.87.197.250   

edit แก้ไขคำตอบ   delete ลบคำตอบ 35579

คำตอบที่ 2
       วิธีตรวจสอบ





 แสดงความคิดเห็นย่อย แสดงความคิดเห็นย่อย

Beersurat จาก เบียร์ 115.87.197.250 อังคาร, 15/10/2556 เวลา : 10:33  IP : 115.87.197.250   

edit แก้ไขคำตอบ   delete ลบคำตอบ 35580

คำตอบที่ 3
       ซึ่งรถผมเองก็ยังไม่ได้ตรวจสอบเลย คงต้องหาเวลาตรวจซะบ้าง



 แสดงความคิดเห็นย่อย แสดงความคิดเห็นย่อย

Beersurat จาก เบียร์ 115.87.197.250 อังคาร, 15/10/2556 เวลา : 10:37  IP : 115.87.197.250   

edit แก้ไขคำตอบ   delete ลบคำตอบ 35581

คำตอบที่ 4
      



 แสดงความคิดเห็นย่อย แสดงความคิดเห็นย่อย

canoe จาก Canoe 61.19.239.120 อังคาร, 15/10/2556 เวลา : 13:01  IP : 61.19.239.120   

edit แก้ไขคำตอบ   delete ลบคำตอบ 35582

คำตอบที่ 5
       ผมสงสัยหน้าที่การทำงานของตัวนี้เหมือนกัน มันมีตั้งแต่รุ่น โคโรล่า 3 ห่วงแล้ว แต่ไม่มีโอกาสเสียเลย คือใช้งานกันหาโอกาสเสียยากมาก
แต่ไปเจอเคสนึงกับรถ 3 ห่วง เจ้าของไปเติมแก๊สโซฮอล เข้าไป น้ำมันเอทานอลไปกัดเจ้าไดอะแฟรมข้างใน ทำให้ตัวนี้รั่วออกมา

รถเสียหน้า TOYOTA ใกล้ๆ ม. หัวเฉียว ช่างในศูนย์ TOYOTA ออกมาช่วยเหลือเบื้องต้นและเปลี่ยนอะไหล่ตัวนี้ให้ใหม่ และแนะนำว่าห้ามเติมแก๊สโซฮอลลงไปอีก



 แสดงความคิดเห็นย่อย แสดงความคิดเห็นย่อย

Auto. จาก Auto 202.80.239.130 อังคาร, 15/10/2556 เวลา : 15:04  IP : 202.80.239.130   

edit แก้ไขคำตอบ   delete ลบคำตอบ 35584

คำตอบที่ 6
       ในรถรุ่นเก่าอย่างสามห่วง หรือ hitorque ถ้าตัวนี้เสียจะทำให้ถังน้ำมันบวมจนรั่วที่แนวตะเข็บ เนื่องจากแรงดันในถังไม่ถูกระบายออก



Thank you
จาก : Auto.(Auto.) 17/10/2556 8:36:11 [202.80.239.130]
 แสดงความคิดเห็นย่อย แสดงความคิดเห็นย่อย

khanty จาก Khanty 202.122.130.32 พฤหัสบดี, 17/10/2556 เวลา : 01:45  IP : 202.122.130.32   

edit แก้ไขคำตอบ   delete ลบคำตอบ 35612

      

คำตอบแบ่งหน้าละ 30 คำตอบ ขณะนี้คุณอยู่ที่หน้า 1 จาก >>> 1  



website รองรับการใช้งานทุกระบบปฏิบัติการของ PC Tablet SmartPhone ทุกระบบสามารถโพสข้อความและรูปภาพได้โดยไม่ต้องย่อไฟล์
เพื่อความปลอดภัยในการใช้ website WeekendHobby.Com สมาชิก เท่านั้น จึงจะตั้งกระทู้ หรือ ตอบกระทู้ได้ครับ
Login Click ที่นี่
สมัครสมาชิก Click ที่นี่



Since 22, Feb 2001 hit counter View My Stats  Truehits.net      วันอาทิตย์,19 เมษายน 2569 (Online 1641 คน)