WeekendHobby.com
เครื่องมือในการใช้งาน website =>> สมัครสมาชิก | Login | Logout | เปลี่ยนไอคอนส่วนตัว | เกี่ยวกับเรา | ติดต่อโฆษณา         View stat by Truehits.net


สอบถามเรื่องไฟเครื่องโชว์ ตรวจสอบแล้วพบ code 0418 แก้ไขแล้วไม่หายครับ
sompholy
จาก somphol
IP:182.52.254.2

อาทิตย์ที่ , 8/6/2557
เวลา : 10:07

อ่านแล้ว = ครั้ง
 เก็บเข้ากระทู้ส่วนตัว
แจ้งตรวจสอบกระทู้
 แจ้งลบ
ส่งหาเพื่อน ส่งหาเพื่อน

       สอบถามเรื่องไฟเครื่องโชว์ ตรวจสอบที่ศูนย์แล้วพบ code 0418 ทางศูนย์แจ้งว่า ตรวจสอบพบว่า ปั๊มสูญญากาศ เสื่อมสภาพ ราคา 17,150 บาทยังไม่รวม vat และค่าแรง ผมก็เลยออกมาเปลี่ยนเองข้างนอก โดยตอนแรกได้ทำการทดสอบวัดตัวมอเตอร์ปั๊ม(ผมเคยถอดฟองน้ำออกมาแล้วครับ) โดยใช้ ไฟจาก Batt พบว่ามอเตอร์มีเสียงดังและหมุนช้ามากเอื่อยๆ และสายไฟพ่วง batt เส้นเล็กร้อนมาก ผมเลยหาซื้อปั๊มมือสองจากใน web มาเปลี่ยน ก่อนเปลี่ยนก็ทดสอบปั๊มที่ได้มาใหม่ก็ปกติดีรอบหมุนเร็วดี ต่างจากของเดิมที่เสีย เปลี่ยนเสร็จ ทดสอบดูเหมือนปั๊มมันยังไม่ทำงานไฟเครื่องยนต์ก็ไม่ดับ ถอด Batt ออก Reset ไฟเครื่องหายไป ได้วันนึง เมื่อเช้าสตาร์ทรถ พบว่าไฟเครื่องกลับมาโชว์เหมือนเดิม รบกวนพี่ๆช่วยแนะนำวิธีการแก้ไขให้ด้วยครับ ว่ามีฟิวส์หรือ เซ็นเซอร์ตัวไหนที่ต้องตรวจสอบอีกครับ ขอบคุณครับ


 แสดงความคิดเห็นย่อย แสดงความคิดเห็นย่อย

แจ้งเพื่อเก็บขึ้นกระทู้พิเศษ คลิ๊กที่นี่แจ้งเพื่อนำขึ้นกระทู้พิเศษ

คำตอบแบ่งหน้าละ 30 คำตอบ ขณะนี้คุณอยู่ที่หน้า 1 จาก >>> 1  

คำตอบที่ 1
       สาเหตุทำไมจึงเสีย ครับปั๊มตัวนี้ เสียแบบไหนก่อนคุณเปลี่ยน

ถ้าเสียโดยพัดลมแตกหักแล้วคุณซื้อปั๊มมาเปลี่ยนเอง ยังไงก็ไม่จบแน่นอนครับ เพราะใบพัดหักเข้าไปในลิ้นอากาศไอเสียแล้ว พัดลมจึงเสียตามมาอีกรอบ


ดูกระทู้นเรื่องป้องกันจุดอ่อนของ 2.7 vvti คุณนรชัยได้แบ่งปันประสบการณ์เรื่องนี้ไว้แล้ว ถ้าปั๊มใบพัดแตก ซ่อมไม่จบแน่นอน ถ้าเกิดไม่แก้ไขต้นเหตุก่อน



อาการตอนแรกไฟโชว์ครับ แล้วผมเช็คที่ศูนย์ตามที่แจ้งครับ พัดลมอาการเหมือนช็อตรอบอ่ะครับ หมุนช้าตื้อๆ
จาก : sompholy(sompholy) 9/6/2557 10:47:05 [182.52.254.2]
.ใบพัดไม่หักไม่แตกปกติดีครับ
จาก : sompholy(sompholy) 9/6/2557 10:47:44 [182.52.254.2]
 แสดงความคิดเห็นย่อย แสดงความคิดเห็นย่อย

Auto. จาก Auto 202.80.239.130 จันทร์, 9/6/2557 เวลา : 08:36  IP : 202.80.239.130   

edit แก้ไขคำตอบ   delete ลบคำตอบ 38039

คำตอบที่ 2
       ลองเอามิเตอร์เช็คไฟที่ ปลั๊กขั้วต่อสายมอเตอร์





 แสดงความคิดเห็นย่อย แสดงความคิดเห็นย่อย

SR5-33 จาก SR5-33 จันทร์, 9/6/2557 เวลา : 09:06  IP :   

edit แก้ไขคำตอบ   delete ลบคำตอบ 38040

คำตอบที่ 3
       ถ้าไม่มีไฟไป เช็คฟิวส์ 50A ขาดไหม





 แสดงความคิดเห็นย่อย แสดงความคิดเห็นย่อย

SR5-33 จาก SR5-33 จันทร์, 9/6/2557 เวลา : 09:11  IP :   

edit แก้ไขคำตอบ   delete ลบคำตอบ 38041

คำตอบที่ 4
       ขอบคุณครับพี่ SR5-33 ผมไปวัดไฟ พบว่ามีไฟประมาณ 12 Volt กว่า(ไม่ได้เปิด Switch กุญแจ) อาการนี้ปกติรึเปล่าครับ ถ้ามีไฟแบบนี้ มอเตอร์ก็ไม่ทำงาน แต่พอเอาไปจาก batt ไปป้อนให้ก็ทำงานปกติน่ะครับ
รบกวนด้วยครับ



 แสดงความคิดเห็นย่อย แสดงความคิดเห็นย่อย

sompholy จาก somphol 182.52.254.2 จันทร์, 9/6/2557 เวลา : 12:40  IP : 182.52.254.2   

edit แก้ไขคำตอบ   delete ลบคำตอบ 38044

คำตอบที่ 5
       ตอนนี้ลองใช้ OBD scan ของเพื่อนเช็คดูพบ code เดิมคือ P0418 ครับเลยลบ code ดูหายไปละ ลองดูว่าจะเป็นไปได้รึเปล่าว่า code ค้าง แต่ตอนแรกผมก็ถอด Batt ออก ไฟโชว์ก็หายไปวันนึงแล้วกลับมา ตอนนี้ใช้เครื่องลบ มันจะกลับมาอีกรึเปล่าครับเนี่ย....



 แสดงความคิดเห็นย่อย แสดงความคิดเห็นย่อย

sompholy จาก somphol 182.52.254.2 จันทร์, 9/6/2557 เวลา : 12:50  IP : 182.52.254.2   

edit แก้ไขคำตอบ   delete ลบคำตอบ 38045

คำตอบที่ 6
       อาการมันน่าจะกลับมาอีก เพราะเคยถอดแบตแล้วไม่หาย ลบ Code ก็ไม่ต่างกันเดี๋ยวต้องกลับมาอีกตอนเครื่องเย็น
ยังไงลองเข้าศูนย์เช็คอีกทีไหมครับ


หรือไม่ลองดูภาพคร่าว ๆ
เครดิตภาพ Nok from Innova club
http://www.innovaclub.net/SMF-Board/index.php?topic=19841.200>





 แสดงความคิดเห็นย่อย แสดงความคิดเห็นย่อย

Auto. จาก Auto จันทร์, 9/6/2557 เวลา : 16:13  IP :   

edit แก้ไขคำตอบ   delete ลบคำตอบ 38050

คำตอบที่ 7
       ไฟเครื่องกลับมาโชว์อีกละครับ พรุ่งนี้เอาเข้าศูนย์อีกรอบตามที่พี่ๆแนะนำครับ



ไม่ใช่เรื่องเล่นๆเหมือนกันนะครับถ้าได้เรื่องยังงัยรบกวนแจ้งหน่อยนะครับเพราะผมก็โค๊ดp0418ขึันเหมือนกั
จาก : nongaek2(nongaek2) 10/6/2557 18:12:50 [182.53.170.176]
พี่sompholครับรบกวนขอเบอร์ติดต่อพี่หน่อยครับหรือจะกรุณาเบอร์ผมเอกครับ0865668091 ครับขอบคุณมากครับ
จาก : nongaek2(nongaek2) 10/6/2557 20:17:25 [182.53.170.176]
 แสดงความคิดเห็นย่อย แสดงความคิดเห็นย่อย

somphol1 จาก somphol 118.172.114.13 จันทร์, 9/6/2557 เวลา : 21:21  IP : 118.172.114.13   

edit แก้ไขคำตอบ   delete ลบคำตอบ 38053

คำตอบที่ 8
       วัดไฟที่ตรงไหนครับ ถ้ายังไม่เปิดสวิชท์กุญแจ ON ไม่น่ามีไฟไปที่มอเตอร์นะครับ
เพราะกล่อง ECU จะสั่งงานผ่าน AID จ่ายไฟไปมอเตอร์ปั๊มลมเมื่อเครื่องยนต์ติดแล้ว







 แสดงความคิดเห็นย่อย แสดงความคิดเห็นย่อย

SR5-33 จาก SR5-33 อังคาร, 10/6/2557 เวลา : 10:23  IP :   

edit แก้ไขคำตอบ   delete ลบคำตอบ 38055

คำตอบที่ 9
       วัดไฟบริเวณปลั๊กมอเตอร์ครับ ยังไม่ได้เปิดสวิทย์ได้ -12.8 โวทย์ครับ



 แสดงความคิดเห็นย่อย แสดงความคิดเห็นย่อย

somphol1 จาก somphol 118.172.102.216 อังคาร, 10/6/2557 เวลา : 21:45  IP : 118.172.102.216   

edit แก้ไขคำตอบ   delete ลบคำตอบ 38057

คำตอบที่ 10
       วันนี้ เลยจัดการเอาเข้าศูนย์ ตรวจสอบอีกครั้ง ครึ่งวันศูนย์ แจ้งว่าเรียบร้อยจัดการโปรแกรมใหม่ ไฟหายแล้ว รับรถกลับมาตอนเย็น ออกไปรับลูกไฟกลับติดขึ้นมาอีกครับ กำลังสงสัยว่าศูนย์แค่ลบ code แค่นั้นรึเปล่าครับ พรุ่งนี้ไปคุยกะศูนย์อีก รึว่าหาซื้อ smart gauge ไฟขึ้นก็ลบแล้วรอดูอาการซักอาทิตย์นึงเผื่อมันดับเองครับ code ที่โชว์ก็มีตัวเดียวคือ 0418 ครับ



 แสดงความคิดเห็นย่อย แสดงความคิดเห็นย่อย

somphol1 จาก somphol 118.172.102.216 อังคาร, 10/6/2557 เวลา : 21:49  IP : 118.172.102.216   

edit แก้ไขคำตอบ   delete ลบคำตอบ 38058

คำตอบที่ 11
       ถ้าแค่ลบไฟ ยังไงก็น่าจะกลับมาโชว์อีก



 แสดงความคิดเห็นย่อย แสดงความคิดเห็นย่อย

Auto. จาก Auto 115.87.87.179 พุธ, 11/6/2557 เวลา : 01:16  IP : 115.87.87.179   

edit แก้ไขคำตอบ   delete ลบคำตอบ 38059

คำตอบที่ 12
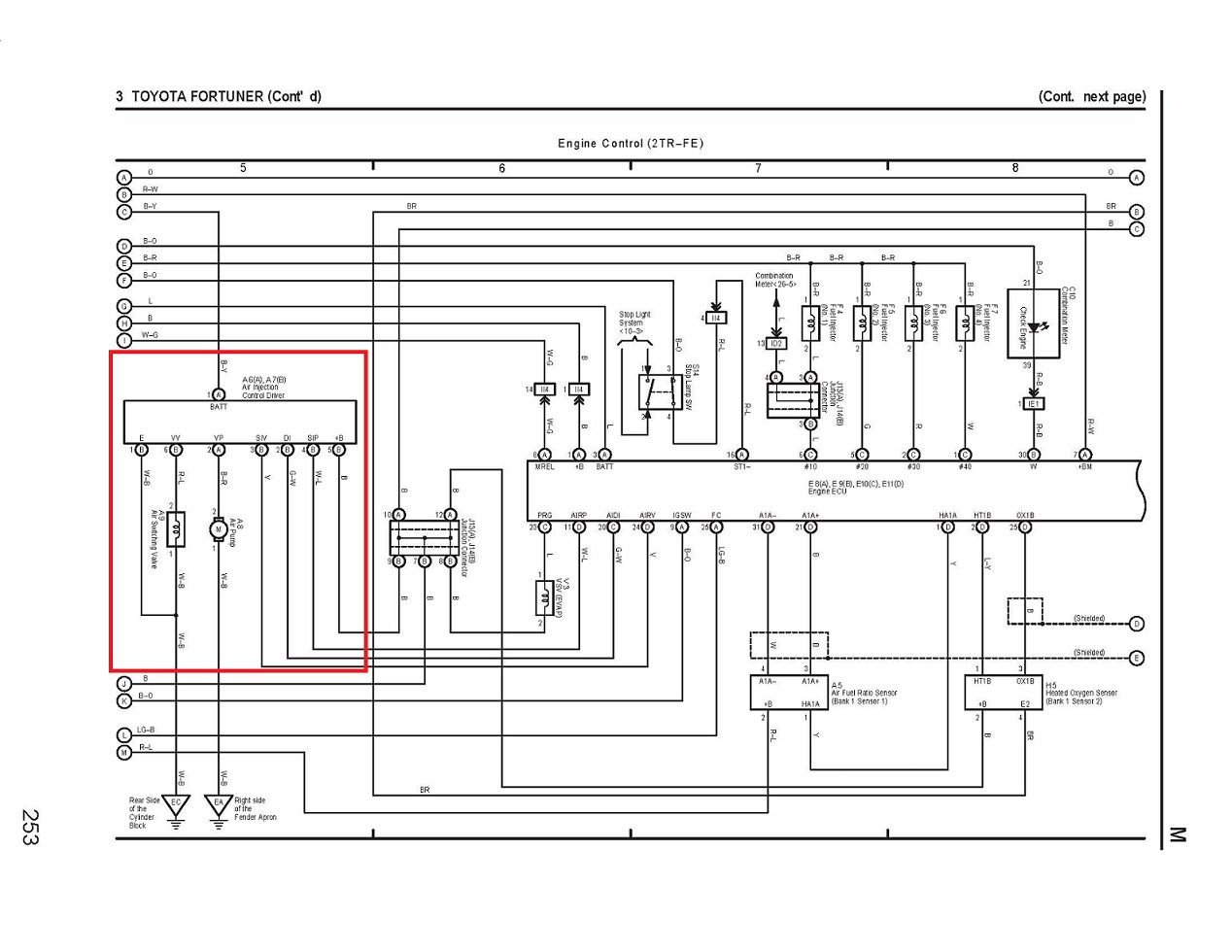
       ลองไล่วิเคราะห์ตามอาการ P0418

(a)กรณีเวลาเครื่องยนต์ติดทั้งมอเตอร์ปั๊มลมและวาล์วไม่ทำงาน

จุดที่เกิดปัญหา
- ช็อตระหว่างขั้ว B+ กับ VP (เป็น output ที่จ่ายไฟไปให้มอเตอร์ปั๊มลม)

สังเกตุจากคุณsompholบอกว่าวัดไฟได้ 12 โวลท์ ตอนที่ไม่ได้เปิดสวิชท์กุญแจ
- AID ส่งสัณญาณความผิดปกติไปที่กล่อง ECU ถ้า (2) ขั้วต่อ VP มีค่าโวลท์ที่สูง แม้ว่ากล่อง ECU ไม่ได้สั่งงานเข้ามา

************************************
ซึ่งปัญหานี้ผมคิดว่าอาจเป็นจากตัว AID มีการช๊อตภายในระหว่างขั้ว B+ กับ VP
ยังไงลองปรึกษากับฝ่ายเทคนิคทางศูนย์ดูครับ





 แสดงความคิดเห็นย่อย แสดงความคิดเห็นย่อย

SR5-33 จาก SR5-33 1.47.195.136 พุธ, 11/6/2557 เวลา : 08:40  IP : 1.47.195.136   

edit แก้ไขคำตอบ   delete ลบคำตอบ 38060

คำตอบที่ 13
       หลังจากทิ้งรถไว้ให้ศูนย์ตรวจสอบโดยละเอียด 2วัน เมื่อบ่ายทางศูนย์แจ้งมาว่าพบเหตุที่น่าจะใช่เหตุเสีย เป็นอุปกรณ์ ตัวควบคุมการฉีดอากาศ ที่คุณ AUTO และคุณ SR5-33 แนะนำมาครับโดยให้ผมเข้าไปดูโดยเปรียบเทียบกันรถ INNOVA อีกคันที่เข้ามาซ่อมครับ ทางศูนย์แจ้งว่าอะไหล่ตัวนี้ราคา 4,340 บาท ยังไม่รวม vat หากจ่ายเงินสดลด 10% เหลือ 4,1xx กว่าๆครับ เดี๋ยวรอทางศูนย์เบิกตัวใหม่มาแล้วไปเปลี่ยน อาการคืบหน้าอย่างไรจะมาแจ้งให้ทราบน่ะครับ ขอบคุณสำหรับคำชี้แนะทุกท่านครับผม



ถ่ายรูปมาโชว์ตัวที่เสียด้วยนะครับ อยากดูเหมือนกัน
จาก : Auto.(Auto.) 14/6/2557 12:58:34 [124.122.180.160]
 แสดงความคิดเห็นย่อย แสดงความคิดเห็นย่อย

somphol1 จาก somphol 1.20.221.4 ศุกร์, 13/6/2557 เวลา : 20:17  IP : 1.20.221.4   

edit แก้ไขคำตอบ   delete ลบคำตอบ 38071

คำตอบที่ 14
       ผมมีตัวนี้สำรองอยู่หลายตัวถ้าสะดวก มาเอาไปลองได้ครับ ไม่คิดเงินคับ





0859391999
จาก : นัทคับ(นัทคับ) 16/6/2557 8:46:33 [125.26.90.1]
 แสดงความคิดเห็นย่อย แสดงความคิดเห็นย่อย

นัทคับ จาก นายตัวยุ่ง จันทร์, 16/6/2557 เวลา : 08:45  IP :   

edit แก้ไขคำตอบ   delete ลบคำตอบ 38082

คำตอบที่ 15
       เปลียนชุดคอนโทรลมอเตอร์เรียบร้อย ตอนเครื่องเย็นมอเตอร์ทำงานปกติ ไฟเครื่องยนต์ดับแล้วครับ ขอบคุณมากครับ สำหรับข้อแนะนำทั้งหมดของพี่ๆครับผม
ตัวที่เสียเป็นตัวเดียวกับที่พี่ นายตัวยุ่งให้ดูเลยครับ ขอบคุณมากครับพี่




 แสดงความคิดเห็นย่อย แสดงความคิดเห็นย่อย

somphol1 จาก somphol 118.172.100.98 ศุกร์, 20/6/2557 เวลา : 11:59  IP : 118.172.100.98   

edit แก้ไขคำตอบ   delete ลบคำตอบ 38098

คำตอบที่ 16
       เยี่ยมมากคับ



 แสดงความคิดเห็นย่อย แสดงความคิดเห็นย่อย

toncity จาก ton 49.230.133.112 อาทิตย์, 22/6/2557 เวลา : 00:43  IP : 49.230.133.112   

edit แก้ไขคำตอบ   delete ลบคำตอบ 38103

คำตอบที่ 17
       ท่านใด ไม่แน่ใจว่าเกิดจากสาเหตอะไร มายืมไปใส่ได้ครับให้ยืมฟรีครับ



 แสดงความคิดเห็นย่อย แสดงความคิดเห็นย่อย

นัทคับ จาก นายตัวยุ่ง 223.205.55.45 อาทิตย์, 22/6/2557 เวลา : 08:15  IP : 223.205.55.45   

edit แก้ไขคำตอบ   delete ลบคำตอบ 38104

      

คำตอบแบ่งหน้าละ 30 คำตอบ ขณะนี้คุณอยู่ที่หน้า 1 จาก >>> 1  



website รองรับการใช้งานทุกระบบปฏิบัติการของ PC Tablet SmartPhone ทุกระบบสามารถโพสข้อความและรูปภาพได้โดยไม่ต้องย่อไฟล์
เพื่อความปลอดภัยในการใช้ website WeekendHobby.Com สมาชิก เท่านั้น จึงจะตั้งกระทู้ หรือ ตอบกระทู้ได้ครับ
Login Click ที่นี่
สมัครสมาชิก Click ที่นี่



Since 22, Feb 2001 hit counter View My Stats  Truehits.net      วันอาทิตย์,19 เมษายน 2569 (Online 2062 คน)