คำตอบที่ 9
2TR-FE เป็น OBD-II แบบ KWP2000 ครับ ซึ่งการอ่าน
ข้อมูลจะแตกต่างไปจาก รถรุ่นอื่น ๆ ของ Toyota ที่ขา่ยในเมืองไทยครับ โดยจะไปคล้ายกับกลุ่มรถยุโรป
นอกจากนั้น 2TR-FE จะมีข้อมูลขั้นสูง ที่สามารถดึงมาแสดงผมได้อีกมากมาย เช่น ค่าการฉีดน้ำมัน และการใช้น้ำมันต่อเวลา เพื่อคำนวณหาการบริโภคน้ำมัน ค่า A/F ที่อ่านจาก Wide band ช่วยในการจูนแก๊สได้ โดยที่เราไม่ต้องไป หา Wideband มาใช้เลยเลข Trip การการวิ่ง
ค่าต่าง ๆ ของ VVT-i และอื่น ๆ อีกมากมาย
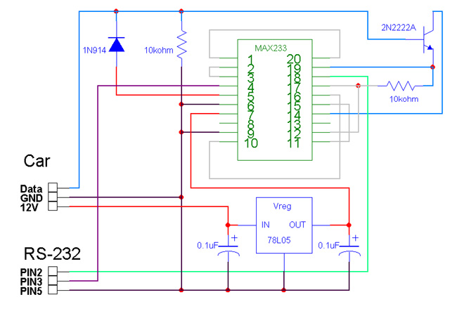
ผมเอารูปมาลงเพิ่มครับ ท่านใดสนใจคงต้องตามไปดูรายละเอียดที่ ลิ๊งข้างบนครับ คงไม่เหมาะที่ผมจะมาลงขายที่นี่ครับ ส่วนข้อมูลทางเทคนิคเกี่ยวกับ OBD-II ท่านใดสนใจ ผมพร้อมที่จะเพิ่มเติม หรือแลกเปลี่ยนกันได้ครับ
