WeekendHobby.com
เครื่องมือในการใช้งาน website =>> สมัครสมาชิก | Login | Logout | เปลี่ยนไอคอนส่วนตัว | เกี่ยวกับเรา | ติดต่อโฆษณา         View stat by Truehits.net


เปิดดูสเปกจากวารสารการทดสอบ 2.7 vvti 2TR-FE

จาก Auto
IP:61.90.149.126

พุธที่ , 24/9/2551
เวลา : 19:58

อ่านแล้ว = ครั้ง
 เก็บเข้ากระทู้ส่วนตัว
แจ้งตรวจสอบกระทู้
 แจ้งลบ
ส่งหาเพื่อน ส่งหาเพื่อน

       น้ำหนักเครื่องยนต์ 160 kg.


 แสดงความคิดเห็นย่อย แสดงความคิดเห็นย่อย

แจ้งเพื่อเก็บขึ้นกระทู้พิเศษ คลิ๊กที่นี่แจ้งเพื่อนำขึ้นกระทู้พิเศษ

คำตอบแบ่งหน้าละ 30 คำตอบ ขณะนี้คุณอยู่ที่หน้า 2 จาก >>> 1  2  3  4  5  6  

คำตอบที่ 31
       TOYOTA TACOMA ขายที่ Maryland, USA
เป็นอีกตัวนึงที่นำเครื่องยนต์ 2TR-FE 2.7 vvti มาวางลงในเวอร์ชั่นนี้ จำหน่ายปีแรก 2005
ในรุ่นนี้จะมีเฉพาะ เบนซิน 2.7 กับเบนซิน V6 4.0

 แก้ไขเมื่อ : 18/5/2553 21:51:02





 แสดงความคิดเห็นย่อย แสดงความคิดเห็นย่อย

Auto. จาก Auto 202.80.239.130 อังคาร, 18/5/2553 เวลา : 21:49  IP : 202.80.239.130   

edit แก้ไขคำตอบ   delete ลบคำตอบ 20192

คำตอบที่ 32
       TOYOTA TACOMA ขายที่ USA
เป็นอีกตัวนึงที่นำเครื่องยนต์ 2TR-FE 2.7 vvti มาวางลงในเวอร์ชั่นนี้ ปี 2006-2008






 แสดงความคิดเห็นย่อย แสดงความคิดเห็นย่อย

Auto. จาก Auto 202.80.239.130 อังคาร, 18/5/2553 เวลา : 21:52  IP : 202.80.239.130   

edit แก้ไขคำตอบ   delete ลบคำตอบ 20193

คำตอบที่ 33
       TOYOTA TACOMA ขายที่ USA
เป็นอีกตัวนึงที่นำเครื่องยนต์ 2TR-FE 2.7 vvti มาวางลงในเวอร์ชั่นนี้ ปี 2009







 แสดงความคิดเห็นย่อย แสดงความคิดเห็นย่อย

Auto. จาก Auto 202.80.239.130 อังคาร, 18/5/2553 เวลา : 21:53  IP : 202.80.239.130   

edit แก้ไขคำตอบ   delete ลบคำตอบ 20194

คำตอบที่ 34
       SPEC DETAIL TOYOTA HIACE
ในเวอร์ชั่นออสเตรเลีย ที่มีการนำเครื่อง 2.7 vvti 2TR-FE และใช้ก๊าซธรรมชาติรับรองโดย TOYOTA
ถ้าเป็นบ้านเราในประเทศไทยเมื่อก่อนนี้ในเวปแก๊สไทย คงทะเลาะกันตายเรื่องการสนับสนุนของภาคอุตสาหกรรมกับรัฐบาล





 แสดงความคิดเห็นย่อย แสดงความคิดเห็นย่อย

Auto. จาก Auto 202.80.239.130 เสาร์, 22/5/2553 เวลา : 11:03  IP : 202.80.239.130   

edit แก้ไขคำตอบ   delete ลบคำตอบ 20239

คำตอบที่ 35
       เป็นความร่วมมือระหว่าง Appollo gas AND Toyota Australia





 แสดงความคิดเห็นย่อย แสดงความคิดเห็นย่อย

Auto. จาก Auto 202.80.239.130 เสาร์, 22/5/2553 เวลา : 11:07  IP : 202.80.239.130   

edit แก้ไขคำตอบ   delete ลบคำตอบ 20240

คำตอบที่ 36
       คำตอบที่ 35
เป็นความร่วมมือระหว่าง Appollo gas AND Toyota Australia
===========================================

ที่นั่นเค้าได้ใช้ถังโดนัทด้วยเน๊อะ ^_^"



 แสดงความคิดเห็นย่อย แสดงความคิดเห็นย่อย

^Top^ จาก ^Top^ 112.142.121.249 เสาร์, 22/5/2553 เวลา : 11:12  IP : 112.142.121.249   

edit แก้ไขคำตอบ   delete ลบคำตอบ 20241

คำตอบที่ 37
      





 แสดงความคิดเห็นย่อย แสดงความคิดเห็นย่อย

Auto. จาก Auto 202.80.239.130 เสาร์, 22/5/2553 เวลา : 11:16  IP : 202.80.239.130   

edit แก้ไขคำตอบ   delete ลบคำตอบ 20242

คำตอบที่ 38
       อันนี้ถังคู่





 แสดงความคิดเห็นย่อย แสดงความคิดเห็นย่อย

Auto. จาก Auto 202.80.239.130 เสาร์, 22/5/2553 เวลา : 11:19  IP : 202.80.239.130   

edit แก้ไขคำตอบ   delete ลบคำตอบ 20243

คำตอบที่ 39
      





 แสดงความคิดเห็นย่อย แสดงความคิดเห็นย่อย

Auto. จาก Auto 202.80.239.130 เสาร์, 22/5/2553 เวลา : 11:23  IP : 202.80.239.130   

edit แก้ไขคำตอบ   delete ลบคำตอบ 20244

คำตอบที่ 40
       เลือก 40 องศา ที่ 1100 รอบ / นาที


 แก้ไขเมื่อ : 22/5/2553 11:29:33





 แสดงความคิดเห็นย่อย แสดงความคิดเห็นย่อย

Auto. จาก Auto 202.80.239.130 เสาร์, 22/5/2553 เวลา : 11:27  IP : 202.80.239.130   

edit แก้ไขคำตอบ   delete ลบคำตอบ 20245

คำตอบที่ 41
      





 แสดงความคิดเห็นย่อย แสดงความคิดเห็นย่อย

Auto. จาก Auto 202.80.239.130 เสาร์, 22/5/2553 เวลา : 11:31  IP : 202.80.239.130   

edit แก้ไขคำตอบ   delete ลบคำตอบ 20246

คำตอบที่ 42
      





 แสดงความคิดเห็นย่อย แสดงความคิดเห็นย่อย

Auto. จาก Auto 202.80.239.130 เสาร์, 22/5/2553 เวลา : 11:54  IP : 202.80.239.130   

edit แก้ไขคำตอบ   delete ลบคำตอบ 20247

คำตอบที่ 43
       http://www.carbandgas.com.au/Portals/0/toyota%20hi-ace.pdf

ใช้แก๊สแล้ว ผ่าน Euro4 ด้วย



 แสดงความคิดเห็นย่อย แสดงความคิดเห็นย่อย

Aod SRT จาก Aod SRT 61.19.67.144 เสาร์, 22/5/2553 เวลา : 12:49  IP : 61.19.67.144   

edit แก้ไขคำตอบ   delete ลบคำตอบ 20249

คำตอบที่ 44
       ส่วนคนที่รอคอย การกลับมาอีกครั้ง Fortuner 2.7 vvti 4x4 fulltime
พบว่ายังมีการประกอบขึ้นไลน์ที่ปากีสถาน โรงงาน Indus Motor Company

ที่นี่ใช้เสปกเครื่องยนต์เดียวกับบ้านเรา
Performance of Toyota Fortuner:

* 2.7 Liter VVT-i Petrol Engine
* Maximum output 118 kw / 5,200 rpm
* Maximum Torque 241 Nm / 3,800 rpm

อ๊อพชั่นอื่นเหมือนกันทุกอย่าง ในโฉม 2010
ยกเว้นที่บ้านเขายังเป็น 4x4 fulltime ไม่ได้ตัดตอนเหมือนบ้านเราตอนนี้


http://www.friendsmania.net/toyota-2010-fortuner-in-pakistan/








 แสดงความคิดเห็นย่อย แสดงความคิดเห็นย่อย

Auto. จาก Auto 202.80.239.130 อาทิตย์, 23/5/2553 เวลา : 11:15  IP : 202.80.239.130   

edit แก้ไขคำตอบ   delete ลบคำตอบ 20252

คำตอบที่ 45
      





 แสดงความคิดเห็นย่อย แสดงความคิดเห็นย่อย

Auto. จาก Auto 202.80.239.130 อาทิตย์, 23/5/2553 เวลา : 11:16  IP : 202.80.239.130   

edit แก้ไขคำตอบ   delete ลบคำตอบ 20253

คำตอบที่ 46
       อันนี้ก็เป็นการรอคอยการกลับมาอีกครั้ง ของ Hilux 2.7 vvti 4x4 4 doors ซึ่วงไม่รู้จะเป็นจริงอีกเมื่อไหร่
ผมเลยเอาภาพรูปรถ Hilux 2.7 vvti 4x4 ที่ขายในซาอุดิอารเบียมาให้ดู
เพื่อเอาไว้ฝากแฟน ๆ Hilux 2.7 vvti 4x4







 แสดงความคิดเห็นย่อย แสดงความคิดเห็นย่อย

Auto. จาก Auto 202.80.239.130 อาทิตย์, 23/5/2553 เวลา : 15:06  IP : 202.80.239.130   

edit แก้ไขคำตอบ   delete ลบคำตอบ 20259

คำตอบที่ 47
       ที่นี่สีขาว ใช้ล็อเหล้กแบบ TOYOTA SR5






 แสดงความคิดเห็นย่อย แสดงความคิดเห็นย่อย

Auto. จาก Auto 202.80.239.130 อาทิตย์, 23/5/2553 เวลา : 15:07  IP : 202.80.239.130   

edit แก้ไขคำตอบ   delete ลบคำตอบ 20260

คำตอบที่ 48
       ยังไงผมก็ฝันอยากให้มีวันนั้นอีกเช่นกัน
เพราะรถส่งออกต่างประเทศเรายังมั่นใจได้ว่าเขาผลิต 2.7 vvti 4wd ขายแน่นอน


อันนี้ภาพภายในที่เขาขายกันในซาอุดิอารเบีย
สีแดงเจ็บปวดได้ใจจริง ๆ จ๊าปมากขอบอก ที่นี่เขาชอบเบาะแดง แต่ตัวรถจะต้องเป็นสีขาว
ตัวนี้เป็นเกียร์ธรรมดา ขับ 4wd นะแต่ว่าอ๊อพชั่นมีถุงลมนิรภัยคู่หน้า





 แสดงความคิดเห็นย่อย แสดงความคิดเห็นย่อย

Auto. จาก Auto 202.80.239.130 อาทิตย์, 23/5/2553 เวลา : 15:12  IP : 202.80.239.130   

edit แก้ไขคำตอบ   delete ลบคำตอบ 20261

คำตอบที่ 49
       ในบอร์ดที่เมืองนอกเขาก็มีการถามความเห็นเปรียบเทียบระหว่าง 3.0 ดีเซลและ 2.7 เบนซิน
ผมฝากเขาช่วยแปลมาให้อีกทีนึง

you wont find a 3.0D4d single cab 4x4 easily. my choice would also be shape 2700i. I have had the 3.0d4d and 2 x 2.7is and i can assure you the 2.7i is tougher.



I got the 2.7 vvti, and very happy with it. It is heavy on fuel if you put your foot down, but not that heavy. I and Pype went up to Botswana in Des. and he only done 1km/l better than me, and he got te D4d.
And if jyou buy diessel second hand, you must make 100% sure hou it was driven.
And for a petrol, you can go very deep through water, does`nt have n distubeter, and spark plugs is well protected

คุณต้องการหา 3.0D4d single cab 4x4 ที่สะดวกสบาย ทางเลือกของฉันยังคงจะเป็น 2700i

ฉันรับปากคุณ ว่า 2.7i มันแรงงงงงง

ฉันมี 2.7 vvti และฉันแฮปปี้กับมัน (It is heavy on fuel if you put your foot down, but not that heavy.) อันนี้ไม่แน่ใจ

ฉันและ Pype จะไปที่ Botswana เขาทำ เพียง 1 กิโลเมตร / ลิตร ซึ่งดีกว่าฉัน

ถ้าคุณซื้อดีเซล มีสอง คุณต้องทำให้แน่ใจ 100% เพื่อขี่มัน คุณสามารถผ่านน้ำลึกได้ และหัวเทียนจะซีลน้ำได้ดีกว่า



 แสดงความคิดเห็นย่อย แสดงความคิดเห็นย่อย

Auto. จาก Auto 202.80.239.130 อาทิตย์, 23/5/2553 เวลา : 16:15  IP : 202.80.239.130   

edit แก้ไขคำตอบ   delete ลบคำตอบ 20262

คำตอบที่ 50
       3.0 d4d single cab โฟร์วีล หาได้ไม่ง่ายนัก ถ้าเป็นผมคงเลือกตัว 2700i รุ่นก่อนหน้านี้
ผมมีทั้งรุ่น 3.0d4d และ 2700i ขับเคลื่อนสองล้อ ซึ่งบอกได้เลยว่า 2700i ทนกว่า


ผมมีรุ่น 2.7 vvti และก็พอใจกับมันมากทีเดียว คันเร่งหนัก ไม่แต่มากเกินไป (อันนี้ผมมั่วมาก) ผมกับเพื่อน เคยขับไป Botswana กัน
ของเค้าเป็นรุ่น D4d แต่ก็ประหยัดน้ำมันกว่าแค่ 1 กิโล/ลิตร
ถ้าคุณจะซื้อเครื่องดีเซลมือสอง ต้องให้รู้ว่าเจ้าของเก่าเป็นใคร (รึเปล่า?)
ถ้าเป็นเครื่องเบนซิน ต้องลุยน้ำได้ลึก ไม่มีปัญหาเรื่องหัวฉีดอะไรซักอย่างเนี่ยแหละ และตัว Spark Plugs ซีลอย่างดี

 แก้ไขเมื่อ : 23/5/2553 16:17:53



 แสดงความคิดเห็นย่อย แสดงความคิดเห็นย่อย

Auto. จาก Auto 202.80.239.130 อาทิตย์, 23/5/2553 เวลา : 16:16  IP : 202.80.239.130   

edit แก้ไขคำตอบ   delete ลบคำตอบ 20263

คำตอบที่ 51
       อันนี้คุณวสันต์ ที่อยู่อเมริกาเขาช่วยแปลมาให้อีกทีนึง

มันเป็นภาษาอังกฤษที่นักเลงรถเขาแช๊ตกัน ซึ่งมีทั้ง อังกฤษ-อังกฤษ อเมริกัน-อังกฤษ และ รถยนต์-อังกฤษ...


(It is heavy on fuel if you put your foot down, but not that heavy.)
อันนี้แปลว่าหากคุณเหยียบมักจะซดน้ำมัน แต่ก้อไม่มากนัก
(มันเป็นภาษาอเมริกัน-อิงลิชเมื่อพูดถึงเรื่องรถที่แดรกน้ำมันโดยให้คำว่าheavy on fuel แทนคำว่าซดน้ำมัน)



--------------------------------------------------------------------------------
you wont find a 3.0D4d single cab 4x4 easily. my choice would also be the previous shape 2700i. I have had the 3.0d4d and 2 x 2.7is and i can assure you the 2.7i is tougher.

wont เขาหมายถึงwon't ซึ่งมันเป็นการเขียนเชิงโฆษณาว่า
คุณจะไม่อาจจะหารถ3.0D4d ซิงเกิ้ล แค็บ โฟร์-บาย-โฟร์ แบบนี้ได้ง่ายๆหรอกนะ
ข้อเลือกของอีกข้อก็จะเป็นรูปแบบเดิมของรุ่น2700i
ผมเคยใช้3.0D4dและ2x2.7มาแล้ว และผมก็ขอยืนยันว่า2.7นั้นทรหดกว่า




I got the 2.7 vvti, and very happy with it. It is heavy on fuel if you put your foot down, but not that heavy.
I and Pype went up to Botswana in Des. and he only done 1km/l better than me, and he got te D4d.
And if jyou buy diessel second hand, you must make 100% sure hou it was driven.
And for a petrol, you can go very deep through water, does`nt have n distubeter, and spark plugs is well protected.
ข้างบนนี้เขาบอกว่า...
ผมใช้2.7vvti และก้อพอใจกับมันมาก มันค่อนข้างที่จะซดน้ำมันหากคุณเหยียบ แต่ก็ไม่มากนักหรอก
ผมกับPypeได้ขับขึ้นไปที่ทะเลทรายบ๊อตสวาน่าและเขาได้เพิ่มขึ้นมาเพียงลิตรละหนึ่งกิโลเมตรเขา(Pype)ใช้ D4d
และหากคุณซื้อรถที่ใช้น้ำมัน(โซล่า)ดีเซลมือสอง คุณต้องแน่ใจเสียก่อนว่ารถมันถูกใช้งานมาอย่างไร
และสำหรับรถที่ใช้เบ็นซีน(Petroภาษาอังกฤษ=Gasolineภาษาอเมริกัน) คุณก็จะสามารถขับลงไปในน้ำลึกๆได้
เพราะดิสทริบิ้วเตอร์และหัวเทียนได้รับการป้องกันอย่างดีอยู่แล้ว


มันมีแสลงของนักเลงรถปนอยู่อาจทำให้เข้าใจยากหากไม่คุ้นเคยครับ...
ประมาณว่ามีใครคนหนึ่งกำลังคิดที่จะซื้อรถแล้วขับขึ้นเขาลงห้วยและขอคำแนะนำจากKuruสิงห์ทะเลทราย
เหอะๆดูจากคำตอบแล้วคนถามยังไม่น่าออกไปตะลอนอย่างนั่น... ไม่อย่างนั้นได้กินข้าวลิงแน่



 แสดงความคิดเห็นย่อย แสดงความคิดเห็นย่อย

Auto. จาก Auto 202.80.239.130 จันทร์, 24/5/2553 เวลา : 07:47  IP : 202.80.239.130   

edit แก้ไขคำตอบ   delete ลบคำตอบ 20268

คำตอบที่ 52
      





 แสดงความคิดเห็นย่อย แสดงความคิดเห็นย่อย

Auto. จาก Auto 202.80.239.130 อังคาร, 25/5/2553 เวลา : 16:32  IP : 202.80.239.130   

edit แก้ไขคำตอบ   delete ลบคำตอบ 20290

คำตอบที่ 53
      





 แสดงความคิดเห็นย่อย แสดงความคิดเห็นย่อย

Auto. จาก Auto 202.80.239.130 อังคาร, 25/5/2553 เวลา : 16:37  IP : 202.80.239.130   

edit แก้ไขคำตอบ   delete ลบคำตอบ 20291

คำตอบที่ 54
      





 แสดงความคิดเห็นย่อย แสดงความคิดเห็นย่อย

Auto. จาก Auto 202.80.239.130 อังคาร, 25/5/2553 เวลา : 16:40  IP : 202.80.239.130   

edit แก้ไขคำตอบ   delete ลบคำตอบ 20292

คำตอบที่ 55
       GEAR AUTO 4WD





 แสดงความคิดเห็นย่อย แสดงความคิดเห็นย่อย

Auto. จาก Auto 202.80.239.130 อังคาร, 25/5/2553 เวลา : 16:47  IP : 202.80.239.130   

edit แก้ไขคำตอบ   delete ลบคำตอบ 20293

คำตอบที่ 56
      





 แสดงความคิดเห็นย่อย แสดงความคิดเห็นย่อย

Auto. จาก Auto 202.80.239.130 อังคาร, 25/5/2553 เวลา : 18:54  IP : 202.80.239.130   

edit แก้ไขคำตอบ   delete ลบคำตอบ 20306

คำตอบที่ 57
      





 แสดงความคิดเห็นย่อย แสดงความคิดเห็นย่อย

Auto. จาก Auto 202.80.239.130 อังคาร, 25/5/2553 เวลา : 18:58  IP : 202.80.239.130   

edit แก้ไขคำตอบ   delete ลบคำตอบ 20307

คำตอบที่ 58
      





 แสดงความคิดเห็นย่อย แสดงความคิดเห็นย่อย

Auto. จาก Auto 202.80.239.130 อังคาร, 25/5/2553 เวลา : 19:01  IP : 202.80.239.130   

edit แก้ไขคำตอบ   delete ลบคำตอบ 20308

คำตอบที่ 59
       ถัง 64x2 นี่เวิร์ค ๆ ๆ



 แสดงความคิดเห็นย่อย แสดงความคิดเห็นย่อย

mop จาก MOP 58.11.99.62 อังคาร, 25/5/2553 เวลา : 19:01  IP : 58.11.99.62   

edit แก้ไขคำตอบ   delete ลบคำตอบ 20309

คำตอบที่ 60
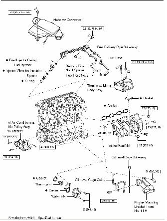
       จุดอันตราย 2 จุดที่ต้องมีการซ่อมบำรุง
1.ซีล seal cylinder gasket
2.water pump assy






 แสดงความคิดเห็นย่อย แสดงความคิดเห็นย่อย

Auto. จาก Auto 202.80.239.130 อังคาร, 25/5/2553 เวลา : 19:06  IP : 202.80.239.130   

edit แก้ไขคำตอบ   delete ลบคำตอบ 20310

      

ยังมีคำตอบมากกว่านี้นะครับ คลิ๊กเพื่อดูหน้าถัดไป


คำตอบแบ่งหน้าละ 30 คำตอบ ขณะนี้คุณอยู่ที่หน้า 2 จาก >>> 1  2  3  4  5  6  



website รองรับการใช้งานทุกระบบปฏิบัติการของ PC Tablet SmartPhone ทุกระบบสามารถโพสข้อความและรูปภาพได้โดยไม่ต้องย่อไฟล์
เพื่อความปลอดภัยในการใช้ website WeekendHobby.Com สมาชิก เท่านั้น จึงจะตั้งกระทู้ หรือ ตอบกระทู้ได้ครับ
Login Click ที่นี่
สมัครสมาชิก Click ที่นี่



Since 22, Feb 2001 hit counter View My Stats  Truehits.net      วันอาทิตย์,19 เมษายน 2569 (Online 1750 คน)