WeekendHobby.com
เครื่องมือในการใช้งาน website =>> สมัครสมาชิก | Login | Logout | เปลี่ยนไอคอนส่วนตัว | เกี่ยวกับเรา | ติดต่อโฆษณา         View stat by Truehits.net


### ทำปั้มลมใช้เอง###

จาก พ่อลูก 2
169.210.3.81
จันทร์ที่ , 10/11/2546
เวลา : 21:22

อ่านแล้ว = 2950 ครั้ง


       หลายคนคงทราบการทำปั้มลมใช้เองแล้ว ก็เผื่อคนที่ไม่รู้แล้วกัน ผมทำติดรถแบบมีถังพักใช้แล้วชุดนึง ก็เลยลองทำแบบเคลื่อนที่ได้ โดยใช้ปั้ม AISIN ผลที่ได้จากการเติมเข้ายางรถ 1 นาทีได้ลม 10-15 psi ถือว่าไช้ได้ ก็เลยนำมาฝากเพื่อนเผื่อจะไปทำเองบ้าง งานดูไม่ค่อยเรียบร้อยเท่าไหร่..............






คำตอบที่ 1
       อีก1 รูป



จาก พ่อลูก 2 169.210.3.81 จันทร์, 10/11/2546 เวลา : 21:29   


คำตอบที่ 2
       ลูกสูบใหญ่ ให้ลมดี



จาก พ่อลูก 2 169.210.3.81 จันทร์, 10/11/2546 เวลา : 21:32   


คำตอบที่ 3
       แข็งแรงข้อเหวียงใหญ่



จาก พ่อลูก 2 169.210.3.81 จันทร์, 10/11/2546 เวลา : 21:33   


คำตอบที่ 4
       แบบนี้ผมซื้อมาจากห้าง ราคาไม่แน่ใจ ประมาณ 700 กว่าบาท เติมจักรยานได้อย่างเดียวกับ ลูกบอล เติมลมรถไม่เข้า เสียดายตัง



จาก พ่อลูก 2 169.210.3.81 จันทร์, 10/11/2546 เวลา : 21:36   


คำตอบที่ 5
       เปิดดูข้างใน มีอยู่แค่นี้เอง มอเตอร์ ตัวเล็ก ลูกสูบก็ตัวเล็ก เสียงก็ดังเวลาทำงาน ลมก็ เบามากๆ



จาก พ่อลูก 2 169.210.3.81 จันทร์, 10/11/2546 เวลา : 21:39   


คำตอบที่ 6
       ลืมบอก ใครสนใจปั๊ม AISIN ตอนนี้ที่เพื่อนผมมีอยู่หลายตัว ราคาไม่เกิน 1000 บาท สนใจก็ mail ไปคุณกับเค้าเอง ที่ iew2p@yahoo.com

จาก พ่อลูก 2 169.210.3.81 จันทร์, 10/11/2546 เวลา : 21:45   


คำตอบที่ 7
       ปั๊ม AISIN เป็นของใหม่หรือจากเชียงกงครับครับ

NFJ จาก NFJ 192.55.18.36 อังคาร, 11/11/2546 เวลา : 11:26   


คำตอบที่ 8
       ปั๊มเก่าจากเซียงกงครับ

จาก พ่อลูก 2 203.113.32.9 อังคาร, 11/11/2546 เวลา : 15:43   


คำตอบที่ 9
       สนใจครับ คุณพ่อลูกสองครับ ต้องหาอุปกรณ์มาสร้างเองใช่หรือไม่ครับ แล้วทั้งหมดใช้งบสักเท่าใดครับ หากมีรายละเอียดเพิ่มเติม ช่วยแจ้งผมด้วยครับ VR2497@hotmail.com

snowman จาก snowman 202.133.162.23 พุธ, 12/11/2546 เวลา : 10:02   


คำตอบที่ 10
       เอาเบอร์โทรไปเลยครับ 01-8357664

จาก พ่อลูก 2 169.210.1.223 พุธ, 12/11/2546 เวลา : 19:58   


คำตอบที่ 11
       อุปกรณ์ที่ใช้ทำก็มี
1.ปั๊มลม 1000 บาท
2.เกจ ตัววัดแรงดันลม ราคา 130 บาท
3.วาล์วลม กันลมย้อนกลับ 60 บาท
4.สายไฟ 4 เมตร 40 บาท
5.ตัวหนีบขั้วแบต 20 บาท
6.ฟิวส์ แบบขาเสียบ 25 บาท
7.ข้อต่อทองเหลือง 3 ตัว ไม่เกิน 100 บาท(จำไม่ได้)
8.สายลม 2 เมตร 40 บาท
9.หัวเติมลม 45 บาท
10.สวิท ปิด/เปิด 15 บาท
คร่าวๆ รวมไม่เกิน 500 +ปั๊ม 1000 บาท คุณก็จะได้ปั๊มดีๆไว้ใช้ 1ตัว ลมก็แรง ผมเคย ลองไปเดินเซ็นทรัล แผนกประดับยนตร์ให้พนักงาน เอาตัวที่แรงที่สุดดีที่สุดมาลองดู ราคาประมาณเกือบ 2000 บาท ยังแรงสู้ชุดที่ทำเองไม่ได้เลย

จาก พ่อลูก 2 169.210.1.223 พุธ, 12/11/2546 เวลา : 20:13   


คำตอบที่ 12
       จาก บอร์ด TOC ครับ
"ระบบปั๊มลมประจำรถ มีใครติดตั้งบ้างอะปล่าวครับ"
http://www.weekendhobby.com/offroad/toyota/Question.asp?ID=266

http://www.weekendhobby.com/offroad/toyota/Question.asp?ID=505

pkanketr จาก ตัวต่อ TOC-009 203.154.152.254 พฤหัสบดี, 13/11/2546 เวลา : 00:39   


คำตอบที่ 13
       ถึง คุณพ่อลูก2
ผมสนใจปั้มลม ถ้าไม่เป็นการรบกวนแบบต้องการสำเร็จแล้ว คุณพ่อลูก2 มีทำขายไหมครับ และราคาเท่าไร
ขอบคุณครับ

จาก หนุ่ม TLC60 203.144.221.171 พฤหัสบดี, 13/11/2546 เวลา : 08:43   


คำตอบที่ 14
       คุณพ่อลูก2ครับ ปั้ม AISIN เป็นชุดแยกต่างหากกับชุดปั๊มลม ใช่หรือไม่ครับ

รายการตามคำตอบที่ 11 ยังไม่รวม ปั้ม AISIN ใช่หรือไม่ครับ

ขออนุญาตสอบถามมากหน่อย สนใจจริงๆครับ

snowman จาก snowman 202.133.162.189 พฤหัสบดี, 13/11/2546 เวลา : 09:55   


คำตอบที่ 15
       รวมแล้วครับ ปั๊ม AISIN +อุปกรณ์ ตามที่กล่าวมา รวมแล้วไม่เกิน 1500 ครับ และท่านที่ต้องการแบบสำเร็จเลย ผมไม่ค่อยมีเวลาทำครับ ลูกที่ทำนี้กองไว้เป็นเดือนกว่าจะได้ทำ รบกวนเพื่อนๆ ไปทำเองดีกว่าครับ เผื่อจะมี ไอเดีย ดีกว่าของผมก็ได้ครับ แต่อย่าลื่มใส่ตัว วาล์ว กันลมย้อนกลับแล้วกัน ครับ ดูขั้ว + /- ให้ดี ถ้าสลับกันมอเตอร์ มันจะหมุน ไปคนละทาง

จาก พ่อลูก 2 203.113.32.10 พฤหัสบดี, 13/11/2546 เวลา : 13:57   


คำตอบที่ 16
       ส่วนระบบติดตั้งกับรถ
ล่าสุดเพิ่งติดกับ รถ กระบะ DMAX ไปรุ่น 4 ประตู เอาถัง ห้อยไว้ใต้ท้องรถ ใกล้กับยางอะไหล่ พอดีเลย
อุปกรณ์ก็มี
1.ปั๊ม AISIN 1 ตัว
2.ถังลมสำเร็จรูป 1 ใบ ราคา 200(ซื้อแถว วรจักร)
3.สวิทย์ ตัดต่อ ลม 150 บาท วาล์วกันลมย้อน 60 บาท
4. เกจ วัดลม 130-150 บาท
5.แตรลม 2 ปาก 400 (ถ้าไม่ใช้ก็ไม่ต้อง)
6.สวิท 3 ทาง ไว้ สลับ ระหว่าง แตรลม กับ แตรติดมากับรถ (เวลาออกต่างจังหวัด ก็ ใช้แตรลม ยิงได้เลยในระยะไกล ตามแยก ปากซอย หยุดฉะงัก) 30 บาท ฟิวส์ แบบขาเสียบ 25 บาท
7.อุปกรณ์ ข้อต่อทองเหลือง พวก 3 ทาง ข้อลด ตัวต่อ สายลม รวมไม่เกิน 600-700 บาท
8.หัว COPPER +BALL valve ไม่เกิน 150-200 หัว COPPER เอาไว้ต่อลมไว้ใช้ เติมลมยาง เป่ากรองอากาศ
เบ็ตเสร็จ อุปกรณ์ ไม่เกิน 2000 บาท + ปั๊มอีก 1000 ก็จะได้ลมไว้ใช้ในถัง และมีแตรลมไว้ใช้ด้วย ส่วนการติดตั้งก็แล้วแต่จะ ออกแบบกันเอง จะต่ออย่างไงก็ได้
ลืมบอก ติดแตรลมผิดกฎหมายนะ แต่ก็เห็นรถใหญ่ติดกันทุกคัน เวลาเราใช้ คนไม่รู้เท่าไหร่ ว่ามาจากรถเรา เพราะเค้านึกว่า รถใหญ่บีบ
ไว้จะถ่ายรูปมาให้ดูนะครับ ..............

จาก พ่อลูก 2 203.113.32.10 พฤหัสบดี, 13/11/2546 เวลา : 14:19   


คำตอบที่ 17
       ระบบติดตั้งกับรถ สนใจครับ...........

รบกวนด้วยครับ ติดตั้งได้ที่ใหนครับจะได้ไปติดตั้งบ้าง แนะนำด้วยครับแบบว่าถ้าให้ไปทำเองไม่มีเวลาครับ อยากได้แบบมีของที่ร้านแล้วติดตั้งเลย คิดค่าติดตั้งเพิ่มก็มิเป็นไรครับ........แนะนำด้วยครับ....

phong att จาก phong 203.144.163.6 พฤหัสบดี, 13/11/2546 เวลา : 15:26   


คำตอบที่ 18
       ผมได้ติดต่อคุณ iew2p@yahoo.com แล้วครับ ได้รับแจ้งว่าชุดปั๊ม AISIN มีแต่มอเตอร์อย่างเดียว แล้วจะหาชุดปั๊มลมได้ที่ไหนครับ


snowman จาก snowman 202.133.162.151 ศุกร์, 14/11/2546 เวลา : 10:05   


คำตอบที่ 19
       ปั๊ม AISIN ที่คุณ SNOWMAN เห็นในรูป 1 2 3 ก็คือปั๊มที่มีมอเตอร์ กับ ตัว ปั๊มลม ที่มีลูกสูบ เห็นข้อเหวียง ติดมาเป็นตัวเดียวกันนะครับ นั้นแหละครับ คือ ทั้งตัวเลย ไม่ใช่มีแต่มอเตอร์อย่างเดียวนะครับ ...............

จาก พ่อลูก 2 169.210.28.8 ศุกร์, 14/11/2546 เวลา : 17:48   


คำตอบที่ 20
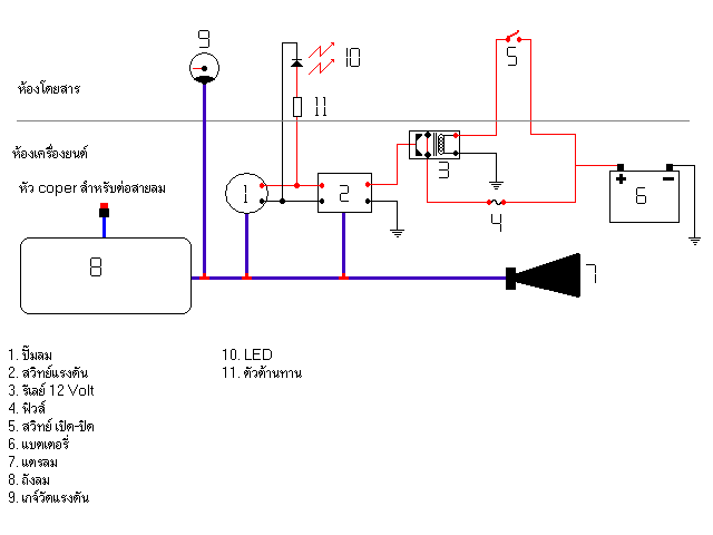
       ถ้าไม่เป็นการรบกวนอยากได้เป็นแบบ diagram นะครับว่าวิธีการตอ่อุปกรณ์แต่ละตัวเป็นยังไงถ้ามีรบกวนหนอ่ยนะครับ

จาก ปรี 203.113.81.165 อาทิตย์, 16/11/2546 เวลา : 07:41   


คำตอบที่ 21
       อย่างที่ออกตัวไว้ครับว่าผมสนใจจะทำบ้าง จึงอาจจะมีคำถามที่จุกจิกบ้าง ต้องขออภัยด้วยนะครับ

ไม่ทราบว่าผมจะติดต่อคุณพ่อลูก2 เพื่อสอบถามรายละเอียดทางอีเมล์จะสะดวกหรือไม่ครับ หากสะดวกส่งที่อยู่ไปทางอีเมล์ของผมก็ได้ครับ

ขอบคุณครับ

snowman จาก snowman 202.133.162.226 จันทร์, 17/11/2546 เวลา : 10:45   


คำตอบที่ 22
      



komgrich จาก NEW 203.121.139.172 อังคาร, 18/11/2546 เวลา : 14:01   


คำตอบที่ 23
      



komgrich จาก NEW 203.121.139.172 อังคาร, 18/11/2546 เวลา : 14:09   


คำตอบที่ 24
       แจ่มเลยครับคุณ New ดูเรียบร้อยดี ทำเอง หรือให้ร้านไหนทำให้ครับ สนใจเหมือนกันครับ

จาก นาย MOP JUC (Original) 203.118.86.30 อังคาร, 18/11/2546 เวลา : 19:55   


คำตอบที่ 25
       ทำเองครับ... ยกเว้นติดตั้งถังลมไปให้ร้านท่อไอเสียทำให้ เป็นรูปไดอแกรมคร่าวๆ มีอุปกรณ์ไม่ครบ ขาดตัว "กันกลับ" ที่เห็นเป็นแท่งโลหะในรูป คำตอบที่ 23 ต่อจากท่อสีแดงน่ะ อีกอย่างที่ไม่มีในรูปคือ วงจรในส่วนที่เป็นสวิทย์สลับ แตรไฟฟ้า-ลม ครับ แต่คิดว่าต่อเองไม่ยากครับ ของผมตัดต่อสายไฟหลังรีเลย์แตรไฟฟ้า ส่วนหลอด LED ติดไว้เพื่อแสดงสถานะว่าปั๊มลมมันกำลังทำงานอยู่ ... ปั๊มลมผมซื้อที่เชียงกงหลักสี่ เป็นของ Mitsubishi แต่เห็นมีของ AISIN ด้วยนะ มีหลายราคาขึ้นอยู่กับสภาพ .. สวิทย์แรงดันผมตั้งแรงดัน cut in/cut out ไว้ที่ประมาณ 40/80 psi (ไม่อยากตั้งเยอะ กลัว...)

komgrich จาก NEW พุธ, 19/11/2546 เวลา : 08:36   


คำตอบที่ 26
       สนใจครับ อยากให้ทำขายสำเร็จรูปครับ บอกราคามาเลยครับ

จาก ยังไม่มีลูก 203.113.81.8 อังคาร, 25/11/2546 เวลา : 11:09   


คำตอบที่ 27
       สนใจด้วยคนครับ แต่ไม่มีความรู้เรื่องการทำเลย ถ้าทำขายสำเร็จรูปก็ดีนะครับจะได้มีใช้กะเขาบ้างครับ

จาก ล้อหมุน 203.170.149.171 อังคาร, 25/11/2546 เวลา : 20:10   


คำตอบที่ 28
       อยากให้ไปลองทำเองดีกว่าครับ หรือ ใครมีเวลาก็ช่วยเพื่อนๆ หน่อยครับ อาจทำได้ดีกว่า สวยกว่าของผมนะครับ ขออาสาหน่อยครับ.....

จาก พ่อลูก 2 203.149.41.115 อังคาร, 25/11/2546 เวลา : 21:31   


คำตอบที่ 29
      



จาก พ่อลูก 2 203.113.33.13 ศุกร์, 28/11/2546 เวลา : 14:54   


คำตอบที่ 30
       ตัวอย่าง ปั๊ม สำเร็จรูป ครับ เอามาจาก web ต่างประเทศ



จาก พ่อลูก 2 203.113.33.13 ศุกร์, 28/11/2546 เวลา : 15:00   

กระทู้ข้อมูลเก่า สำหรับอ่านได้อย่างเดียว

ยังมีคำตอบมากกว่านี้นะครับ คลิ๊กเพื่อดูหน้าถัดไป


คำตอบแบ่งหน้าละ 30 คำตอบ ขณะนี้คุณอยู่ที่หน้า 1 จาก >>>
1  2  


Program Date :6/1/2557


      




Since 22, Feb 2001 hit counter View My Stats  Truehits.net      วันเสาร์,18 เมษายน 2569 (Online 1083 คน)