WeekendHobby.com
เครื่องมือในการใช้งาน website =>> สมัครสมาชิก | Login | Logout | เปลี่ยนไอคอนส่วนตัว | เกี่ยวกับเรา | ติดต่อโฆษณา         View stat by Truehits.net


**** การซ่อมบำรุงวินซ์ และรีเลย์ ****
ongart
จาก 01/The Tank
IP:202.183.229.100

จันทร์ที่ , 13/11/2549
เวลา : 18:13

อ่านแล้ว = ครั้ง
 เก็บเข้ากระทู้ส่วนตัว
แจ้งตรวจสอบกระทู้
 แจ้งลบ
ส่งหาเพื่อน ส่งหาเพื่อน

       เป็นภาคสอง เนื่องจากภาคแรกลงไว้ที่ ดาด้า offroad น่าจะเป็นประโยชน์มากกว่า
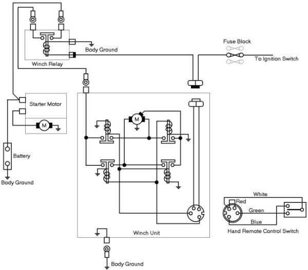
รีเลย์ที่ติดมากับวินซ์ ถ้าของ ไอ้กัน ก็จะใช้ รีเลย์ 4 ตัว (แรงเยอะดี ไม่กลัวไหม้)
แถวๆ เอเชียก็เป็น 2 ตัว ทำงานมีคอนแทคข้างใน 4 ตัว แต่ความทนน่าจะสู้ 4 ไม่ได้
ถ้า หนึ่งใน สี่ของ คอนแทค เกิดค้างก็ต้องมาไล่วงจรเพื่อที่จะหาว่าตัวไหนมันเสีย

สี่คอนแทคมันจะลองง่ายกว่า เอา +/- จิ้มดูก็รู้ว่าอันไหนพัง จะได้ไม่ต้องถอดตัววิ้นลงมามันหนัก

ในรูปเป็นแบแ รีเลย์ สองตัว



 แสดงความคิดเห็นย่อย แสดงความคิดเห็นย่อย

แจ้งเพื่อเก็บขึ้นกระทู้พิเศษ คลิ๊กที่นี่แจ้งเพื่อนำขึ้นกระทู้พิเศษ

คำตอบแบ่งหน้าละ 30 คำตอบ ขณะนี้คุณอยู่ที่หน้า 1 จาก >>> 1  2  

คำตอบที่ 1
       ส่วนแบบ รีเลย์ สี่ตัวที่เอามาเป็นต้นแบบในการ Modify แบบเต็ม เวอร์ชั่น แต่บ้านเราต่อจาก แบตกันตรงๆเลย





 แสดงความคิดเห็นย่อย แสดงความคิดเห็นย่อย

ongart จาก 01 202.183.229.100 จันทร์, 13/11/2549 เวลา : 18:17  IP : 202.183.229.100   

edit แก้ไขคำตอบ   delete ลบคำตอบ 30348

คำตอบที่ 2
       หลักการทำงานก็ง่ายๆ สลับขั้วสนามแม่เหล็ก แต่ข้อระวังห้ามผิด ระหว่าง Field coil กับตัวที่เข้า แปรงถ่าน เผื่อจะทำให้หมุนซ้าย ขวาได้ เล่นเอาต้องถอดใส้ในมาดูว่า short ground หรือเปล่า
สุดท้ายผิดที่เส้นจะเข้า แปรงถ่าน มันหมุนด้านเดียว





 แสดงความคิดเห็นย่อย แสดงความคิดเห็นย่อย

ongart จาก 01 202.183.229.100 จันทร์, 13/11/2549 เวลา : 18:21  IP : 202.183.229.100   

edit แก้ไขคำตอบ   delete ลบคำตอบ 30349

คำตอบที่ 3
       เดินหน้า





 แสดงความคิดเห็นย่อย แสดงความคิดเห็นย่อย

ongart จาก 01 202.183.229.100 จันทร์, 13/11/2549 เวลา : 18:21  IP : 202.183.229.100   

edit แก้ไขคำตอบ   delete ลบคำตอบ 30350

คำตอบที่ 4
       ถอยหลัง





 แสดงความคิดเห็นย่อย แสดงความคิดเห็นย่อย

ongart จาก 01 202.183.229.100 จันทร์, 13/11/2549 เวลา : 18:21  IP : 202.183.229.100   

edit แก้ไขคำตอบ   delete ลบคำตอบ 30351

คำตอบที่ 5
       นี่เป็น version 1.0 รุ่นทดลองเข้าคลิ้ติ้ที่ผ่านมา






 แสดงความคิดเห็นย่อย แสดงความคิดเห็นย่อย

ongart จาก 01 202.183.229.100 จันทร์, 13/11/2549 เวลา : 18:23  IP : 202.183.229.100   

edit แก้ไขคำตอบ   delete ลบคำตอบ 30352

คำตอบที่ 6
       รีเลย์สตาร์ทรุ่นนี้ แถวๆมีน ตัวละ 140 อีกรุ่นใหญ่กว่าแต่ไม่กันน้ำเลยไม่เอา
ลองหนัก ทริปล้างตาไม่เป็นไร ของเดิมใช้ของติดวินซ์ เลยนอนกลางทาง



 แสดงความคิดเห็นย่อย แสดงความคิดเห็นย่อย

ongart จาก 01 202.183.229.100 จันทร์, 13/11/2549 เวลา : 18:26  IP : 202.183.229.100   

edit แก้ไขคำตอบ   delete ลบคำตอบ 30353

คำตอบที่ 7
       ดูชัดๆ





 แสดงความคิดเห็นย่อย แสดงความคิดเห็นย่อย

ongart จาก 01 202.183.229.100 จันทร์, 13/11/2549 เวลา : 18:28  IP : 202.183.229.100   

edit แก้ไขคำตอบ   delete ลบคำตอบ 30354

คำตอบที่ 8
       จากรุ่นหนึ่งเข้าสู่รุ่นสอง เพราะตำแหน่งการวาง บาร์ทองแดงติดตั้งยากและได้บาร์ที่มันบาง ร้อน ก็เลย ทำฐานใหม่ให้วางได้หน้าตาเหมือนของไอ้กัน





 แสดงความคิดเห็นย่อย แสดงความคิดเห็นย่อย

ongart จาก 01 202.183.229.100 จันทร์, 13/11/2549 เวลา : 18:31  IP : 202.183.229.100   

edit แก้ไขคำตอบ   delete ลบคำตอบ 30355

คำตอบที่ 9
       เป็น Stainless ซะเลย วางแล้วใช้ได้ ดูดี





 แสดงความคิดเห็นย่อย แสดงความคิดเห็นย่อย

ongart จาก 01 202.183.229.100 จันทร์, 13/11/2549 เวลา : 18:32  IP : 202.183.229.100   

edit แก้ไขคำตอบ   delete ลบคำตอบ 30356

คำตอบที่ 10
       ต่อทองแดงตามแบบข้างบน





 แสดงความคิดเห็นย่อย แสดงความคิดเห็นย่อย

ongart จาก 01 202.183.229.100 จันทร์, 13/11/2549 เวลา : 18:33  IP : 202.183.229.100   

edit แก้ไขคำตอบ   delete ลบคำตอบ 30357

คำตอบที่ 11
       บาร์หนามากไปหน่อย ระยะขันเกลียวไม่พอ สุดท้ายต้องเจียรออกเกือบครึ่ง





 แสดงความคิดเห็นย่อย แสดงความคิดเห็นย่อย

ongart จาก 01 202.183.229.100 จันทร์, 13/11/2549 เวลา : 18:34  IP : 202.183.229.100   

edit แก้ไขคำตอบ   delete ลบคำตอบ 30358

คำตอบที่ 12
       ตัวซ้ายหาของได้ไม่ครบ ตัวนี้(ซ้าย) ขั้วมีน๊อตร้อย ขวาดูเล็กนิดหนึ่ง ต้องย้ำหางปลาใหม่แล้วต่อเข้า terminal block





 แสดงความคิดเห็นย่อย แสดงความคิดเห็นย่อย

ongart จาก 01 202.183.229.100 จันทร์, 13/11/2549 เวลา : 18:36  IP : 202.183.229.100   

edit แก้ไขคำตอบ   delete ลบคำตอบ 30359

คำตอบที่ 13
      





 แสดงความคิดเห็นย่อย แสดงความคิดเห็นย่อย

ongart จาก 01 202.183.229.100 จันทร์, 13/11/2549 เวลา : 18:37  IP : 202.183.229.100   

edit แก้ไขคำตอบ   delete ลบคำตอบ 30360

คำตอบที่ 14
       รีโมทของเอเชียทำง่ายไปหน่อย
โมใหม่จะใช้ gogle sw. แทน





 แสดงความคิดเห็นย่อย แสดงความคิดเห็นย่อย

ongart จาก 01 202.183.229.100 จันทร์, 13/11/2549 เวลา : 18:38  IP : 202.183.229.100   

edit แก้ไขคำตอบ   delete ลบคำตอบ 30361

คำตอบที่ 15
       สภาพวินซ์ ทุ่น
ทองแดงที่พันเป็น ทองแดงแท่ง ไม่มีการ short turn ร้อนมากก็ เรซินที่เคลือบไว้ละลาย ฉนวนที่หุ้มแท่งทองแดงอาจจะหลุด
แต่ถ้า ตัวที่รองในทุ่นไม่หลุด ยังใช้ได้
ที่เห็นดำๆนะ ร้อนจัด





 แสดงความคิดเห็นย่อย แสดงความคิดเห็นย่อย

ongart จาก 01 202.183.229.100 จันทร์, 13/11/2549 เวลา : 18:41  IP : 202.183.229.100   

edit แก้ไขคำตอบ   delete ลบคำตอบ 30362

คำตอบที่ 16
      





 แสดงความคิดเห็นย่อย แสดงความคิดเห็นย่อย

ongart จาก 01 202.183.229.100 จันทร์, 13/11/2549 เวลา : 18:42  IP : 202.183.229.100   

edit แก้ไขคำตอบ   delete ลบคำตอบ 30363

คำตอบที่ 17
       สภาพแปรงถ่าน ทั้งโคลนทั้งน้ำ





 แสดงความคิดเห็นย่อย แสดงความคิดเห็นย่อย

ongart จาก 01 202.183.229.100 จันทร์, 13/11/2549 เวลา : 18:43  IP : 202.183.229.100   

edit แก้ไขคำตอบ   delete ลบคำตอบ 30364

คำตอบที่ 18
       Field coil ที่ตัว stator





 แสดงความคิดเห็นย่อย แสดงความคิดเห็นย่อย

ongart จาก 01 202.183.229.100 จันทร์, 13/11/2549 เวลา : 18:44  IP : 202.183.229.100   

edit แก้ไขคำตอบ   delete ลบคำตอบ 30365

คำตอบที่ 19
       วิธีแก้เรื่องร้อนเพราะกระสไม่พอก็เปลี่ยน ไดชาร์ท จาก 65A เป็น 100A
แล้วเพิ่ม batt อีกลูกก็จะดี
แต่ข้อสำคัญอยู่ที่กระแสครับ การเพิ่ม แบททำให้จ่ายได้นาน แต่ถ้ากระแสไม่พอ มันจะร้อนมากๆๆๆ



 แสดงความคิดเห็นย่อย แสดงความคิดเห็นย่อย

ongart จาก 01 จันทร์, 13/11/2549 เวลา : 18:45  IP :   

edit แก้ไขคำตอบ   delete ลบคำตอบ 30366

คำตอบที่ 20
      





 แสดงความคิดเห็นย่อย แสดงความคิดเห็นย่อย

ongart จาก 01 202.183.229.100 จันทร์, 13/11/2549 เวลา : 18:46  IP : 202.183.229.100   

edit แก้ไขคำตอบ   delete ลบคำตอบ 30367

คำตอบที่ 21
       เปลอไปหน่อย





 แสดงความคิดเห็นย่อย แสดงความคิดเห็นย่อย

ongart จาก 01 202.183.229.100 จันทร์, 13/11/2549 เวลา : 18:46  IP : 202.183.229.100   

edit แก้ไขคำตอบ   delete ลบคำตอบ 30368

คำตอบที่ 22
       ข้อมูลมีประโยชน์มาก เอามาลงต่อนะครับ จะลองชมต่อครับ



 แสดงความคิดเห็นย่อย แสดงความคิดเห็นย่อย

จาก ต่อศักดิ์ Mud co., 203.149.16.46 อังคาร, 14/11/2549 เวลา : 08:53  IP : 203.149.16.46   

edit แก้ไขคำตอบ   delete ลบคำตอบ 30375

คำตอบที่ 23
       กล่องคอนโทรลรุ่นใหม่ครับ



 แสดงความคิดเห็นย่อย แสดงความคิดเห็นย่อย

ongart จาก 01 202.183.229.100 พุธ, 15/11/2549 เวลา : 12:06  IP : 202.183.229.100   

edit แก้ไขคำตอบ   delete ลบคำตอบ 30386

คำตอบที่ 24
       ลืมรูปครับ เลสแท้ๆครับ





 แสดงความคิดเห็นย่อย แสดงความคิดเห็นย่อย

ongart จาก 01 202.183.229.100 พฤหัสบดี, 16/11/2549 เวลา : 11:00  IP : 202.183.229.100   

edit แก้ไขคำตอบ   delete ลบคำตอบ 30393

คำตอบที่ 25
       ขอบคุณคับพี่ผมตามหามานาน พอดีอยากทราบรายละเอียด เพิ่มผมจะติดต่อพี่ได้อย่างงัยคับ อย่างรบกวนพี่ลงเบอร์โทรไว้ให้หน่อยนะคับ



 แสดงความคิดเห็นย่อย แสดงความคิดเห็นย่อย

จาก ปลายเนิน... 124.121.123.95 อาทิตย์, 3/6/2550 เวลา : 13:14  IP : 124.121.123.95   

edit แก้ไขคำตอบ   delete ลบคำตอบ 32283

คำตอบที่ 26
       แจ่มๆๆๆ..ครับสุดยอด



 แสดงความคิดเห็นย่อย แสดงความคิดเห็นย่อย

400 จาก 400 58.147.76.63 พุธ, 6/6/2550 เวลา : 03:59  IP : 58.147.76.63   

edit แก้ไขคำตอบ   delete ลบคำตอบ 32307

คำตอบที่ 27
       มีประโยชน์มากครับ



 แสดงความคิดเห็นย่อย แสดงความคิดเห็นย่อย

จาก Supermop 58.8.138.124 เสาร์, 9/6/2550 เวลา : 07:14  IP : 58.8.138.124   

edit แก้ไขคำตอบ   delete ลบคำตอบ 32344

คำตอบที่ 28
       เยี่ยมมากเลยครับ
รอดูผลทดสอบครับ



 แสดงความคิดเห็นย่อย แสดงความคิดเห็นย่อย

กระทิงโทน จาก กระทิงโทน 203.188.49.214 จันทร์, 11/6/2550 เวลา : 09:57  IP : 203.188.49.214   

edit แก้ไขคำตอบ   delete ลบคำตอบ 32374

คำตอบที่ 29
       ชุดนี้ย้ายมาอยู่หลังแล้วครับ
ชุดใหม่ THAC/ or Come up 9.5 เพราะ อัตราเร่งไวกว่า พิสูจน์ที่ คลิตี้ แล้ว
จะเอาทั้ง หน้าหลัง ไปลองที่ ลิ้นถิ่น ฟุตเวอร์ค มานานแล้ว



 แสดงความคิดเห็นย่อย แสดงความคิดเห็นย่อย

ongart จาก 01 124.120.64.45 พุธ, 13/6/2550 เวลา : 22:38  IP : 124.120.64.45   

edit แก้ไขคำตอบ   delete ลบคำตอบ 32401

คำตอบที่ 30
      
http://www.weekendhobby.com/offroad/mitsubishi/shtml/15375.shtml

 แก้ไขเมื่อ : 4/9/2555 15:48:30



 แสดงความคิดเห็นย่อย แสดงความคิดเห็นย่อย

ongart จาก 01 112.143.26.114 พฤหัสบดี, 23/7/2552 เวลา : 08:12  IP : 112.143.26.114   

edit แก้ไขคำตอบ   delete ลบคำตอบ 38570

      

ยังมีคำตอบมากกว่านี้นะครับ คลิ๊กเพื่อดูหน้าถัดไป


คำตอบแบ่งหน้าละ 30 คำตอบ ขณะนี้คุณอยู่ที่หน้า 1 จาก >>> 1  2  



website รองรับการใช้งานทุกระบบปฏิบัติการของ PC Tablet SmartPhone ทุกระบบสามารถโพสข้อความและรูปภาพได้โดยไม่ต้องย่อไฟล์
เพื่อความปลอดภัยในการใช้ website WeekendHobby.Com สมาชิก เท่านั้น จึงจะตั้งกระทู้ หรือ ตอบกระทู้ได้ครับ
Login Click ที่นี่
สมัครสมาชิก Click ที่นี่



Since 22, Feb 2001 hit counter View My Stats  Truehits.net      วันเสาร์,14 กุมภาพันธ์ 2569 (Online 3662 คน)