WeekendHobby.com
เครื่องมือในการใช้งาน website =>> สมัครสมาชิก | Login | Logout | เปลี่ยนไอคอนส่วนตัว | เกี่ยวกับเรา | ติดต่อโฆษณา         View stat by Truehits.net


คันนี้ครับ.. รถผมเอง. อิอิ part 4
ddnoi
จาก ddnoi
IP:58.8.118.10

พฤหัสบดีที่ , 18/11/2553
เวลา : 12:09

อ่านแล้ว = ครั้ง
 เก็บเข้ากระทู้ส่วนตัว
แจ้งตรวจสอบกระทู้
 แจ้งลบ
ส่งหาเพื่อน ส่งหาเพื่อน

       Part 3: http://www.weekendhobby.com/offroad/webboard/Question.asp?ID=5092

ช่วงนี้ ก็เริ่ม จะว่าง แล้วครับ.

เดี๋ยว week นี้มาต่อกัน..

เอ๊ทำไมหายไปนานจังเลย..

เดี๋ยวมีคำตอบครับ..

 แก้ไขเมื่อ : 18/11/2553 12:10:06



 แสดงความคิดเห็นย่อย แสดงความคิดเห็นย่อย

แจ้งเพื่อเก็บขึ้นกระทู้พิเศษ คลิ๊กที่นี่แจ้งเพื่อนำขึ้นกระทู้พิเศษ

คำตอบแบ่งหน้าละ 30 คำตอบ ขณะนี้คุณอยู่ที่หน้า 5 จาก >>> 1  2  3  4  5  6  

คำตอบที่ 121
       กลับมา ลุย ต่อ.. เริ่มประกอบ. คอนโซน..แล้ว...





 แสดงความคิดเห็นย่อย แสดงความคิดเห็นย่อย

ddnoi จาก ddnoi 58.8.68.143 ศุกร์, 25/2/2554 เวลา : 16:55  IP : 58.8.68.143   

edit แก้ไขคำตอบ   delete ลบคำตอบ 45990

คำตอบที่ 122
       ต่อด้วย.. ประกอบ เซ็นทรัลล๊อค.. ใส่สาย ให้แน่น ๆ ๆ ๆ ๆ ๆ จะได้ไม่หลุดนะ..





 แสดงความคิดเห็นย่อย แสดงความคิดเห็นย่อย

ddnoi จาก ddnoi 58.8.68.143 ศุกร์, 25/2/2554 เวลา : 16:57  IP : 58.8.68.143   

edit แก้ไขคำตอบ   delete ลบคำตอบ 45991

คำตอบที่ 123
       ประกอบเสร็จแล้ว.. เหมือนเดิม





 แสดงความคิดเห็นย่อย แสดงความคิดเห็นย่อย

ddnoi จาก ddnoi 58.8.68.143 ศุกร์, 25/2/2554 เวลา : 16:58  IP : 58.8.68.143   

edit แก้ไขคำตอบ   delete ลบคำตอบ 45992

คำตอบที่ 124
       ต่อไป.. เติมน้ำมันเครื่องครับ... เย้ ๆ ๆ ไกล้เสร็จแล้ว..





 แสดงความคิดเห็นย่อย แสดงความคิดเห็นย่อย

ddnoi จาก ddnoi 58.8.68.143 ศุกร์, 25/2/2554 เวลา : 17:01  IP : 58.8.68.143   

edit แก้ไขคำตอบ   delete ลบคำตอบ 45993

คำตอบที่ 125
       อีกมุมครับ..





 แสดงความคิดเห็นย่อย แสดงความคิดเห็นย่อย

ddnoi จาก ddnoi 58.8.68.143 ศุกร์, 25/2/2554 เวลา : 17:02  IP : 58.8.68.143   

edit แก้ไขคำตอบ   delete ลบคำตอบ 45994

คำตอบที่ 126
       เสร็จแล้ว.... ออกไป test. มา 1 รอบ..

เข้าเกียร์ได้ ง๊าย ๆ ง่าย (ว่าไป)

เครื่องก็ลี๊น ลื่น.. (ว่างั้น) โม้มากไปป่าวเนี่ย 55555""".

ปิด job. ครับ..





 แสดงความคิดเห็นย่อย แสดงความคิดเห็นย่อย

ddnoi จาก ddnoi 58.8.68.143 ศุกร์, 25/2/2554 เวลา : 17:04  IP : 58.8.68.143   

edit แก้ไขคำตอบ   delete ลบคำตอบ 45995

คำตอบที่ 127
       แหล่มมาก



 แสดงความคิดเห็นย่อย แสดงความคิดเห็นย่อย

modernep1 จาก modern-ink 180.183.202.43 ศุกร์, 25/2/2554 เวลา : 23:06  IP : 180.183.202.43   

edit แก้ไขคำตอบ   delete ลบคำตอบ 46001

คำตอบที่ 128
       ตอกบัตรติดตามครับ



 แสดงความคิดเห็นย่อย แสดงความคิดเห็นย่อย

power2002 จาก power2002 124.120.137.52 เสาร์, 26/2/2554 เวลา : 15:43  IP : 124.120.137.52   

edit แก้ไขคำตอบ   delete ลบคำตอบ 46004

คำตอบที่ 129
       ดูแล้วได้ความรู้ไม่เคยเบื่อ ติดตามและลอกเลียนแบบอยู่เรื่อยๆสัปดาห์นี้ว่าจะยกครัชไมตี้มีคำแนะนำไหมครับท่านจอมยุทธ



 แสดงความคิดเห็นย่อย แสดงความคิดเห็นย่อย

kemsak จาก ดำดี 182.52.63.111 เสาร์, 5/3/2554 เวลา : 20:35  IP : 182.52.63.111   

edit แก้ไขคำตอบ   delete ลบคำตอบ 46116

คำตอบที่ 130
       หายไปนานเลยกลับมาพร้อมสถานที่ ซ่อมใหม่หรือครับ



 แสดงความคิดเห็นย่อย แสดงความคิดเห็นย่อย

somchaiben จาก somchai 124.120.153.62 อาทิตย์, 6/3/2554 เวลา : 17:06  IP : 124.120.153.62   

edit แก้ไขคำตอบ   delete ลบคำตอบ 46120

คำตอบที่ 131
       ตอบ..

คุณดำดี.. ยกครัส.แบบถอดเกียร์ออก.อย่างเดียวไม่เคยครับ.. คงจะยากเหมือนกัน. (เคยแต่ยกทั้งเครื่อง)
อาจจะยากตอนถอดน๊อตตรงหัวหมูน่ะครับ. เพราะว่าที่มันแคบมาก.. หรือต้องใช้เครื่องมือพิเศษก็ไม่รู้นะ..

วิธีการคร่าว ๆ ก็ ถอด เพลากลางออกก่อน.. ต่อด้วยถอดคันเกียร์ออก. ถอดสายครัสล่างออก.
แล้วก็ถอดบูสปลายเกียรออกมั้ง.. แล้วก็ถอดน๊อตหัวหมูออก แล้วยกเกียรลง.. เปลี่ยนครัสครับ..
วิธีถอดคันเกียร์ ก็ มีดังนี้ ถอดหัวเกียรออก..หมุนทวนเข็ม.. ถอดยางหุ้มเกียรออก ต่อด้วยจุก.ล๊อคคันเกียร์
จุกนี้จะคล้าย ๆ หลอดไฟที่มีคั่วสองคั่วครับติดอยู่ตรงเสื้อเกียร์ ให้ หมุนปลอกล๊อคทวนเข็มให้หลุดจากคั่วก่อนแล้ค่อยดึงคันเกียรออก.
ลองดูครับ..

คุณ somchai. พอดีมีน้องครับ..เลยต้องหาที่อยู่ให้แกใหม่ (ที่เดิมฝุ่นเยอะและก็แคบด้วยครับ)



 แสดงความคิดเห็นย่อย แสดงความคิดเห็นย่อย

ddnoi จาก ddnoi 58.8.229.214 จันทร์, 7/3/2554 เวลา : 09:10  IP : 58.8.229.214   

edit แก้ไขคำตอบ   delete ลบคำตอบ 46123

คำตอบที่ 132
       เปลี่ยนคลัชท์เรียบร้อยแล้วครับคุณddnoi เล่นเอาเหนื่อยทั้งวันเลยครับลำดับคร่าวๆตามที่ท่านบอกแต่เหนื่อยที่ทำคนเดียว แต่ดีที่เตรียมซื้อของไว้ครบๆเลยไม่ต้องวิ่งไปหาของอีก แต่สนุกดีครับเสียอย่างไม่ได้ถ่ายรูปไว้ผมทำไม่ค่อยเก่งเหมือนท่านหรอกครับ



555 ดีใจด้วยครับ.. ทำได้สำเร็จ. เป็นอะไรที่ภูมิใจสุด ๆ เลยครับ..
จาก : ddnoi(ddnoi) 17/3/2554 8:49:29 [58.8.88.172]
 แสดงความคิดเห็นย่อย แสดงความคิดเห็นย่อย

kemsak จาก ดำดี 125.27.83.204 พุธ, 16/3/2554 เวลา : 22:52  IP : 125.27.83.204   

edit แก้ไขคำตอบ   delete ลบคำตอบ 46214

คำตอบที่ 133
       ซื้อบ้านเดี่ยวด้วย ผมว่าต้องหาเช่าที่ ไว้รำรถแยกต่างหากจากบ้านแล้วมั้งครับ

ไม่งั้นก็ต้องต่อเพิงหน้าบ้าน อิอิ ชอบครับ

ผมก็ชอบทำรถ รื้อรถ แต่สถานที่ + เครื่องไม้เครื่องมือ ไม่อำนวยเลย

สรุปต้องวิ่งเข้าอู่...



ครับ..ทำเพื่อลูกสู้ขาดใจ.ครับ..งบต่อเติมยังไม่มี ต้องรออีกนาน (ชอบซ่อมรถเป็นชีวิตจิตใจไม่รู้เป็นไง)
จาก : ddnoi(ddnoi) 26/4/2554 8:41:03 [58.8.244.43]
 แสดงความคิดเห็นย่อย แสดงความคิดเห็นย่อย

delpiero จาก THEHERO 203.185.129.244 พฤหัสบดี, 21/4/2554 เวลา : 22:20  IP : 203.185.129.244   

edit แก้ไขคำตอบ   delete ลบคำตอบ 46817

คำตอบที่ 134
       ช่วงนี้ เพา ๆ เรื่องรถไปก่อน..
เจ้าตัวเล็กไกล้คลอดแล้ว.. เลยต้องรีบหาที่นอน..ให้แก..

สามารถติดตามได้ที่กระทู้นี้นะครับ..
http://www.weekendhobby.com/home/webboard/Question.asp?ID=133



 แสดงความคิดเห็นย่อย แสดงความคิดเห็นย่อย

ddnoi จาก ddnoi 58.8.244.43 อังคาร, 26/4/2554 เวลา : 08:43  IP : 58.8.244.43   

edit แก้ไขคำตอบ   delete ลบคำตอบ 46862

คำตอบที่ 135
       หวัดดีครับ พี่หมู ผมชื่อบอยที่โทรไปถามเรื่องการอัดบุชปีกนกล่างนะครับ

ขอบคุณไว้ล่วงหน้านะครับที่จะนำภาพเครื่องมือมาลงให้ดูครับ พอดีผมก็มือสมัครเล่นอะครับ 5555 ออกรถมามือสองยังต้องเปลี่ยนอีกหลายรายการ

 แก้ไขเมื่อ : 10/5/2554 16:33:16

 แก้ไขเมื่อ : 10/5/2554 16:34:08



 แสดงความคิดเห็นย่อย แสดงความคิดเห็นย่อย

musicboymusicboy จาก musicboykorat 49.49.117.22 อังคาร, 10/5/2554 เวลา : 16:32  IP : 49.49.117.22   

edit แก้ไขคำตอบ   delete ลบคำตอบ 47074

คำตอบที่ 136
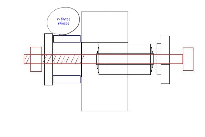
       ก่อนอื่น ต้องหาเหล็กแผ่น หนาประมาณสัก 6-7 ขีด(10 ขีด = 1เซ็นติเมตร์)
แล้วเอามาเจาะรูตรงกลางครับ..

ปล.. ทำมา สองแผ่นนะ..

 แก้ไขเมื่อ : 10/5/2554 17:10:02





 แสดงความคิดเห็นย่อย แสดงความคิดเห็นย่อย

ddnoi จาก ddnoi 58.8.206.156 อังคาร, 10/5/2554 เวลา : 17:05  IP : 58.8.206.156   

edit แก้ไขคำตอบ   delete ลบคำตอบ 47075

คำตอบที่ 137
       ต่อไป ก็ หาเหล็ก เส้นมาครับ.. หนาประมาณ 1 เซ็นติเมตร..
แล้วก็ม้วนให้ เป็นวงกลม (ผมใช้ค้อนตี ๆ เอา) แบบในรูปครับ..
ปล. วงที่ม้วนต้องขนาดพอดีกับ ปลอกนอกของ บูสปีกนกนะครับ.. (เอาไว้กดนั่นเอง)

ทำมาวงเดียวก็พอ..

 แก้ไขเมื่อ : 10/5/2554 17:10:33





 แสดงความคิดเห็นย่อย แสดงความคิดเห็นย่อย

ddnoi จาก ddnoi 58.8.206.156 อังคาร, 10/5/2554 เวลา : 17:08  IP : 58.8.206.156   

edit แก้ไขคำตอบ   delete ลบคำตอบ 47076

คำตอบที่ 138
       ต่อจากได้วงมาแล้ว ก็ เอาไปเชื่อมติดกับ แผ่นเหล็กเจาะรู (อันแรก)





 แสดงความคิดเห็นย่อย แสดงความคิดเห็นย่อย

ddnoi จาก ddnoi 58.8.206.156 อังคาร, 10/5/2554 เวลา : 17:11  IP : 58.8.206.156   

edit แก้ไขคำตอบ   delete ลบคำตอบ 47077

คำตอบที่ 139
       เชื่อมเสร็จแล้ว ดูจากด้านข้าง จะเป็นเหมือนรูปนี้นะ.. 555 จะงงไม๊เนี่ย





 แสดงความคิดเห็นย่อย แสดงความคิดเห็นย่อย

ddnoi จาก ddnoi 58.8.206.156 อังคาร, 10/5/2554 เวลา : 17:13  IP : 58.8.206.156   

edit แก้ไขคำตอบ   delete ลบคำตอบ 47078

คำตอบที่ 140
       พอได้ เครื่องมือมาแล้ว.. ก็ จัดการอัด ได้เลยครับ..

โดยการใส่บูสยางเข้าที่ของมันก่อน.. ตามด้วยแหวนที่พึ่งทำ.. แล้วก็
เอาน๊อต ใส่เข้าไป (จาก ขวาไปซ้ายนะ)

ตรงลูกศรสีแดง.. จะ อัดกับ ปลอกนอกของ บูส พอดี..

ด้านหลัง ก็ เอา แผ่นเหล็กเจาะรู แผ่นที่สอง สอดเข้ากับปลาย น๊อต
แล้วก็เอาแหวนน๊อตมาขันที่ท้าย...





 แสดงความคิดเห็นย่อย แสดงความคิดเห็นย่อย

ddnoi จาก ddnoi 58.8.206.156 อังคาร, 10/5/2554 เวลา : 17:17  IP : 58.8.206.156   

edit แก้ไขคำตอบ   delete ลบคำตอบ 47079

คำตอบที่ 141
       พอขันได้สักพัก.. บูสก็จะเข้าไปเรื่อย ๆ

จน ท้ายของบูส ชนกับ แหวน วงที่ 2

จะขันไม่ได้แล้ว.. ทีนี้ก็ต้องหา เหล็ก อะไรก็ได้
มากั้นระหว่างแหวนไว้ แล้วก็ขันต่อได้ จนกว่า บูสจะสุด..
(ของผมใช้น๊อตตัวใหญ่ ๆ สองตัว วางไว้ข้างบนกับข้างล่าง)

ลองทำดูนะครับ.. (ไม่เข้าใจถามได้ครับ.)





 แสดงความคิดเห็นย่อย แสดงความคิดเห็นย่อย

ddnoi จาก ddnoi 58.8.206.156 อังคาร, 10/5/2554 เวลา : 17:21  IP : 58.8.206.156   

edit แก้ไขคำตอบ   delete ลบคำตอบ 47080

คำตอบที่ 142
       ขอบคุณพี่หมูที่แนะนำอย่างละเอียดครับผม ยังไงก็โทรไปรบกวนพี่หมูแล้วก็ขอแนะนำตัวเองหน่อยนะครับ
ไม่เคยโพสรูปเว็บนี้มาก่อนเลยขอลองหน่อย





โห.. รถยังใหม่กว่า รถผมเยอะ.. เลย
จาก : ddnoi(ddnoi) 12/5/2554 8:37:58 [58.8.206.156]
ทะเบียน ผผ เหมือนกันอีก โอ๊ย..
จาก : ddnoi(ddnoi) 12/5/2554 13:10:57 [58.8.107.147]
 แสดงความคิดเห็นย่อย แสดงความคิดเห็นย่อย

musicboymusicboy จาก musicboykorat 223.207.97.63 อังคาร, 10/5/2554 เวลา : 21:40  IP : 223.207.97.63   

edit แก้ไขคำตอบ   delete ลบคำตอบ 47104

คำตอบที่ 143
       นี่คือรถผมเองครับเพิ่งซื้อเดือนที่แล้ว





แค็บ ซะด้วย ห้องโดยสารกว้าง กว่า ตอนเดียวอีก ....
จาก : ddnoi(ddnoi) 12/5/2554 8:38:56 [58.8.206.156]
 แสดงความคิดเห็นย่อย แสดงความคิดเห็นย่อย

musicboymusicboy จาก musicboykorat 223.207.97.63 อังคาร, 10/5/2554 เวลา : 21:41  IP : 223.207.97.63   

edit แก้ไขคำตอบ   delete ลบคำตอบ 47105

คำตอบที่ 144
       พอดีผมไปสมัครเป็นสมาชิกไมตี้เอ๊กคลับดอทเน็ตมาครับก็เลยขอก๊อปปี้ข้อความจากเว็บโน้นมาเลยนะครับจะได้ไม่ต้องพิมพ์ใหม่

เพิ่งถอยไมตี้เอกตร้าแคปมาเมื่อเดือนที่แล้วครับ คืออยากได้รถใช้งานจนมองข้ามสภาพไปนิดหน่อย
ถอยมาวันแรกจะเอาไปเติมน้ำมัน ดันหมดก่อนถึงปั้ม เต้นเขี้ยวจริงๆ
วันรุ่งขึ้นกะจะไปส่งแม่ บิดกุญแจจะสตาร์ส ดังแหงกๆ หมดไฟซะงั้น
ดาวน์ไปเยอะพอจะเหลือเงินนิดหน่อยเลยไปถอยแบตเปอร์เซ็นมา ราคา 400
...555.... หัวเราะกลบความเครียด......
จากนั้นก็รบกวนช่างที่รู้จักกันมาจัดการเปลี่ยนสายพานราวลิ้น ถ่ายของเหลวทั้งหมด
และก็ได้ข่าวดีจากช่าง หุหุ
ปีกนกล่างด้ายซ้ายผุจนฉีก
เกี่ยวกับบุช ทั้งปีกนก หูแหนบ กลับบ้านเก่าหมดเลย ซิลคอหน้า คอหลัง ซิลเกียร์ 555 กลับบ้านเก่าเหมือนกัน
ยังดีที่เครื่องไม่ค่อยดัง ยังมีแรงอยู่ พื้นรถด้านซุ้มล้อผุทั้งสองข้าง คงนิดหน่อยมั้ง อิอิ
เลยไม่กล้าคุยกะช่างมากเดี๋ยวจะเสียใจกว่าเดิม
ช่างเปลี่ยนสายพาน กับ น้ำมันเสร็จก็โล่งไปอีกเปราะ ซิลคอหน้าก็เปลี่ยนแล้วเหลือซิลคอหลัง
..........................

จากที่เริ่มมีเวลาดูสภาพรถอย่างละเอียดที่บ้านตัวเอง
ก็คิดในใจและพูดกับคนที่บ้าน(เมีย) ว่าเอาน่ายังไงมันก็เป็นรถของเราแล้วถึงแม้จะเพิ่งเริ่มผ่อน

คิดแล้วคงจะต้องเปลี่ยนอีกเยอะครับ ก็เลยตัดสินใจอย่างคนรายได้น้อยครับ
ตัดสินใจไปซื้อแม่แรง สามขา มาเก็บไว้ครับ และล่าสุดตอนนี้สั่งชุดบ๊อก ราคาพันกว่าบาทจากเน็ตมาด้วย
หุหุ.....ไม่มีตังค์ซ่อมเองก็ได้หว่ะ

อาทิตย์ที่แล้ว(หยุดงานวันอาทิตย์)ประเดิมเปลี่ยนปีกนกล่างข้างที่ฉีก ซื้อมาหกร้อยกว่าบาท บุชอีกร้อยกว่าบาท พวกยางกันโครง ยางหัวโชค ยางกันกระแทก หมดไปไม่เท่าไร
นั่งตอกบุชปีกนกล่างเก่าจนเหนื่อยกว่าจะออก ล่อไปครึ่งวัน ภาคบ่ายก็จะใส่ อ่าวไหงบุขใหม่มันคับจัง กำเราไม่มีตัวอัดบุชนี่หว่าลืมไป
ตังค์ก็ร่อยหลอแระ ทำไงดีมองไปเห็นกระดาษทราย หินเจีย วิชามารก็เกิดขึ้นในสมอง เอาไงเอากัน

ชัดๆๆๆๆ เจียๆๆ ขัดๆ จนมันเริ่มจะเข้าได้บ้าง เอาหละ จารบีทาๆ แล้วยัดเลย ค้อนตอกๆ หลวมลืนพรึด จ๊าก....
กำเลยขัดเพลิน ทำไงดี มองในบ้านเห็นตู้เชื่อม เอาหล่ะหว่า แต้มๆหน่อยคงไม่มีใครว่า ก็มันรถเรานี่หว่า ถ้าเปลี่ยนทีหลังค่อยเจียออก
ว่าแล้วก็ถอดสายแบต ลาดสายเชื่อมมาแต้มบุชเอาแค่ไม่ให้มันหมุนได้ แล้วก็เอาสีน้ำมันทากันสนิมบริเวณที่แต้ม นั่งมองผลงานตัวเอง
555 รอดไปได้ จากนั้นก็ประกอบกว่าจะเสร็จก็เย็นเหนื่อยพอดี

ตอนนี้ก็ไปไหนมาไหนพอได้อุ่นใจบ้าง กะว่าเดือนนี้จะเปลี่ยนบุชปีกนกล่างอีกข้างรอตังค์ก่อนงับ




 แสดงความคิดเห็นย่อย แสดงความคิดเห็นย่อย

musicboymusicboy จาก musicboykorat 223.207.97.63 อังคาร, 10/5/2554 เวลา : 21:45  IP : 223.207.97.63   

edit แก้ไขคำตอบ   delete ลบคำตอบ 47106

คำตอบที่ 145
       ภายในครับพี่หมู ยังไม่ได้ถอดล้างเหมือนรถพี่เลย





555 ของผม. พวงมาลัย กระเปาะพวงมาลัย. คันไฟเลี้ยว. คันที่ปัดน้ำฝน. เปลี่ยนใหม่ทั้ง เซ็นเลย..
จาก : ddnoi(ddnoi) 12/5/2554 8:44:45 [58.8.206.156]
 แสดงความคิดเห็นย่อย แสดงความคิดเห็นย่อย

musicboymusicboy จาก musicboykorat 223.207.97.63 อังคาร, 10/5/2554 เวลา : 21:47  IP : 223.207.97.63   

edit แก้ไขคำตอบ   delete ลบคำตอบ 47107

คำตอบที่ 146
       ห้องเครื่องจร้า.............





เครื่องเดิม.. 2L มีแอร์ พวงมาลัยเพาเวอร์ด้วย ดีจังไม่ต้องเปลี่ยน
จาก : ddnoi(ddnoi) 12/5/2554 8:46:25 [58.8.206.156]
 แสดงความคิดเห็นย่อย แสดงความคิดเห็นย่อย

musicboymusicboy จาก musicboykorat 223.207.97.63 อังคาร, 10/5/2554 เวลา : 21:49  IP : 223.207.97.63   

edit แก้ไขคำตอบ   delete ลบคำตอบ 47108

คำตอบที่ 147
       คือรั่วมักๆเลยพี่พวกซีลต่างๆ ผมก็จะทยอยเปลี่ยนครับ



 แสดงความคิดเห็นย่อย แสดงความคิดเห็นย่อย

musicboymusicboy จาก musicboykorat 223.207.97.63 อังคาร, 10/5/2554 เวลา : 21:50  IP : 223.207.97.63   

edit แก้ไขคำตอบ   delete ลบคำตอบ 47109

คำตอบที่ 148
       และก็นี่เลยครับผลงานที่ผมโทรบอกพี่ 5555 ตอนทำไม่คิดครับว่าต้องมีเครื่องมือพิเศษก็เลย...นะ ตามที่บอก





อืมดีใจด้วยคับ.. ทำเองได้.. สนุกดี..
จาก : ddnoi(ddnoi) 12/5/2554 8:48:21 [58.8.206.156]
 แสดงความคิดเห็นย่อย แสดงความคิดเห็นย่อย

musicboymusicboy จาก musicboykorat 223.207.97.63 อังคาร, 10/5/2554 เวลา : 21:54  IP : 223.207.97.63   

edit แก้ไขคำตอบ   delete ลบคำตอบ 47110

คำตอบที่ 149
       และก็นี่ครับมีอยู่เท่านี้เองที่ถอดเปลี่ยน





 แสดงความคิดเห็นย่อย แสดงความคิดเห็นย่อย

musicboymusicboy จาก musicboykorat 223.207.97.63 อังคาร, 10/5/2554 เวลา : 21:56  IP : 223.207.97.63   

edit แก้ไขคำตอบ   delete ลบคำตอบ 47111

คำตอบที่ 150
       แล้วก็นี่ครับเพิ่งซื้อมา จากแรงบรรดาลใจที่ได้อ่านกระทู้ของพี่





ดีเลยครับ.. จะได้เสียตังเหมือนกัน 5555"
จาก : ddnoi(ddnoi) 12/5/2554 8:50:21 [58.8.206.156]
 แสดงความคิดเห็นย่อย แสดงความคิดเห็นย่อย

musicboymusicboy จาก musicboykorat 223.207.97.63 อังคาร, 10/5/2554 เวลา : 21:58  IP : 223.207.97.63   

edit แก้ไขคำตอบ   delete ลบคำตอบ 47112

      

ยังมีคำตอบมากกว่านี้นะครับ คลิ๊กเพื่อดูหน้าถัดไป


คำตอบแบ่งหน้าละ 30 คำตอบ ขณะนี้คุณอยู่ที่หน้า 5 จาก >>> 1  2  3  4  5  6  



website รองรับการใช้งานทุกระบบปฏิบัติการของ PC Tablet SmartPhone ทุกระบบสามารถโพสข้อความและรูปภาพได้โดยไม่ต้องย่อไฟล์
เพื่อความปลอดภัยในการใช้ website WeekendHobby.Com สมาชิก เท่านั้น จึงจะตั้งกระทู้ หรือ ตอบกระทู้ได้ครับ
Login Click ที่นี่
สมัครสมาชิก Click ที่นี่



Since 22, Feb 2001 hit counter View My Stats  Truehits.net      วันอาทิตย์,15 กุมภาพันธ์ 2569 (Online 3456 คน)