WeekendHobby.com
เครื่องมือในการใช้งาน website =>> สมัครสมาชิก | Login | Logout | เปลี่ยนไอคอนส่วนตัว | เกี่ยวกับเรา | ติดต่อโฆษณา         View stat by Truehits.net


รบกวนถามเรื่องไฟหน้า
pawin555
จาก top1139
IP:124.121.220.211

อาทิตย์ที่ , 14/2/2553
เวลา : 14:11

อ่านแล้ว = ครั้ง
 เก็บเข้ากระทู้ส่วนตัว
แจ้งตรวจสอบกระทู้
 แจ้งลบ
ส่งหาเพื่อน ส่งหาเพื่อน

       อยกาเปลี่ยนไปหน้าเพราะไม่ค่อย ส่วางและชนมา ขาไฟหัก
ถ้า เปลี่ยนเป็น depo เหมือนของคุณ นนท์กับ ของ rav 4 ที่เป็นโคมเพรช อัน ไหน จะ ส่วางกว่ากัน และก็ ดัดแปลงดว้ยครับราคาดว้ย ครับ



 แสดงความคิดเห็นย่อย แสดงความคิดเห็นย่อย

แจ้งเพื่อเก็บขึ้นกระทู้พิเศษ คลิ๊กที่นี่แจ้งเพื่อนำขึ้นกระทู้พิเศษ

คำตอบแบ่งหน้าละ 30 คำตอบ ขณะนี้คุณอยู่ที่หน้า 1 จาก >>> 1  2  

คำตอบที่ 1
       ...ผมแนะนำว่าให้ใช้โคมตาเพชรดีกว่าค๊าบ

แล้วเอาไปติดไฟซีนอน + ไฟวงแหวน ผมว่าแจ่มดีกว่า depo นะ

เพราะของ depo ต้องเอามาแปลงตัวปรับไฟอีกแบบของคุณนนท์

แต่ก้อแล้วแต่ใจชอบแบบไหนก้อเลือกเอาค๊าบ...



 แสดงความคิดเห็นย่อย แสดงความคิดเห็นย่อย

aeh88 จาก Aeh88 124.122.81.77 จันทร์, 15/2/2553 เวลา : 21:28  IP : 124.122.81.77   

edit แก้ไขคำตอบ   delete ลบคำตอบ 3761

คำตอบที่ 2
       ตามที่คุยโทรศัพท์กันเมื่อวานเลย คุณท๊อป

DEPO มันก็ดีหล่ะครับ แต่ว่า ต้องมีการบ้านเพิ่ม ซึ่งผมว่าไม่น่าเหลือวิสัยของคุณท๊อป เพียงแต่ว่า เวลาต่างหากที่คุณไม่ค่อยจะมี จริงไหมครับ

หน้าตัดศอกแบบไฟหน้าตาเพชรมันก็ไม่มีมาเลยซะด้วยสิ หุๆๆ

เอาใจช่วยครับ อยากเห็นตัวแรงได้ไฟหน้าและกันชนแหล่มๆ ครับ

ปล.ขอบคุณสำหรับคำแนะนำเรื่องการติดตั้งเครื่องและไวริ่งสายไฟนะครับ



 แสดงความคิดเห็นย่อย แสดงความคิดเห็นย่อย

nond9972 จาก nond9972 202.142.200.252 อังคาร, 16/2/2553 เวลา : 09:02  IP : 202.142.200.252   

edit แก้ไขคำตอบ   delete ลบคำตอบ 3765

คำตอบที่ 3
       ...พอดีว่าผมก้อมองหาไฟตาเพชรอยู่ เลยเอามาฝากคุณท็อป

ถ้าสั่งได้ก้อพ่วงให้ผมด้วยชุดนึงนะ หุหุหุ...

http://cgi.ebay.com/ebaymotors/1999-99-Toyota-Rav4-Headlight-Head-Light-Lamp-Pair-Set_W0QQitemZ130365417502QQcmdZViewItemQQptZMotors_Car_Truck_Parts_Accessories?hash=item1e5a62681e

ลป.รึว่าจะให้คุณนนท์สั่งให้ดีหว่า เพราะผมสั่งซื้อใน อีเบย์มะเป็นค๊าบ


 แก้ไขเมื่อ : 16/2/2553 15:10:16



 แสดงความคิดเห็นย่อย แสดงความคิดเห็นย่อย

aeh88 จาก Aeh88 58.97.50.34 อังคาร, 16/2/2553 เวลา : 15:09  IP : 58.97.50.34   

edit แก้ไขคำตอบ   delete ลบคำตอบ 3767

คำตอบที่ 4
       พี่เอ๋ สั่งจากโตโยต้าได้นะ แต่ รอ 45 วัน (มีคนบอกมา)

แต่ก็ต้องมาทำรีเลย์แก้ไขให้จ่ายไฟต่ำพร้อมกับไฟสูงได้อีกต่อนึงนะ (เดิมๆ เปิดไฟสูงไฟต่ำจะดับ)



 แสดงความคิดเห็นย่อย แสดงความคิดเห็นย่อย

nond9972 จาก nond9972 202.142.200.252 อังคาร, 16/2/2553 เวลา : 15:49  IP : 202.142.200.252   

edit แก้ไขคำตอบ   delete ลบคำตอบ 3769

คำตอบที่ 5
       ...ขอบคุณนะค๊าบ คุณนนท์ แต่อยากรู้ราคาค่าตัวก่อนอ่ะ...



 แสดงความคิดเห็นย่อย แสดงความคิดเห็นย่อย

aeh88 จาก Aeh88 58.97.50.34 อังคาร, 16/2/2553 เวลา : 16:52  IP : 58.97.50.34   

edit แก้ไขคำตอบ   delete ลบคำตอบ 3772

คำตอบที่ 6
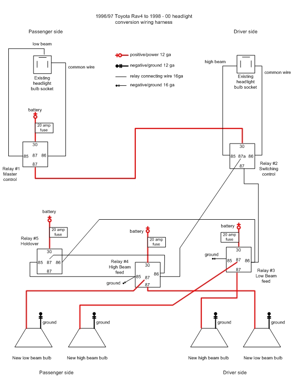
       ...เข้าไปดูใน rav4world มาเห็นหัวข้อนี้ขึงไว้เลยเอามาฝากค๊าบ...

headlight mod!!! [1996-97 single beam to 1998-00 dual beam]

ลิงค์...http://rav4world.com/forums/viewtopic.php?t=6650&postdays=0&postorder=asc&&start=60






 แสดงความคิดเห็นย่อย แสดงความคิดเห็นย่อย

aeh88 จาก Aeh88 124.121.233.141 อังคาร, 16/2/2553 เวลา : 22:32  IP : 124.121.233.141   

edit แก้ไขคำตอบ   delete ลบคำตอบ 3773

คำตอบที่ 7
       ขอบคุณมากครับสำหรับคำแนะนำ ทุกอย่าง



 แสดงความคิดเห็นย่อย แสดงความคิดเห็นย่อย

pawin555 จาก top1139 124.120.201.86 พุธ, 17/2/2553 เวลา : 05:56  IP : 124.120.201.86   

edit แก้ไขคำตอบ   delete ลบคำตอบ 3774

คำตอบที่ 8
       ไม่ปลื้มแบบนี้กันบ้างหรือครับ





 แสดงความคิดเห็นย่อย แสดงความคิดเห็นย่อย

daan507 จาก daan507 202.142.200.252 พุธ, 17/2/2553 เวลา : 10:36  IP : 202.142.200.252   

edit แก้ไขคำตอบ   delete ลบคำตอบ 3775

คำตอบที่ 9
       คุณท๊อปครับ
ผมใช้ไฟเพชรอยู่ เพิ่งไปเปลี่ยนซีนอนมา ทำให้ความคมชัดดีขึ้นครับ แต่ยังไม่มีโอกาสไปลองตามสภาพ ฝนตกหนักกลางคืน บนถนนไฮเวย์ ถนนตจวที่มืด ๆ
อีกอย่างคือ ไม่มีไฟหรี่ครับ ต้องแปลง ตอนแรกว่าจะไปให้ร้านเค้าใส่โคมวงแหวน ร้านเค้าไม่ยอมทำให้ครับ เค้าบอกอยากได้ตัง แต่ทำออกมาแล้วไม่สวย กลัวผมจะว่า ซึ่งผมก็เห็นด้วยครับ เพราะโคมเพชร ไฟ มันค่อนข้างเหลี่ยม
ใช้โคม depo น่าจะดีกว่าครับ แปลงแบบคุณนนท์ได้ดีกว่าครับ

ลองดูใน e-bay ก็ดีนะครับ เห็นมีเยอะดี

ปล. ที่เคยบอกว่าจะส่งค่าใช้จ่ายไปให้ดู ขออภัยนะครับ ตอนนี้เอกสารไม่ได้อยู่ที่ผม ไว้กลับไปกรุงเทพแล้วจะจัดให้ครับ



 แสดงความคิดเห็นย่อย แสดงความคิดเห็นย่อย

krij จาก krij 203.117.66.237 พุธ, 17/2/2553 เวลา : 19:02  IP : 203.117.66.237   

edit แก้ไขคำตอบ   delete ลบคำตอบ 3776

คำตอบที่ 10
       แวะมาเสริมคุณใหญ่ครับ

CCFL ใส่ได้ครับ สำหรับไฟตาเพชรเหลี่ยมๆ แต่มันจะไม่เดินตามขอบ มันจะเป็นวงกลมอยู่ในกรอบเหลี่ยม

ร้านที่แนะนำฝีมือดีจริงๆ ก็ Bankkin Xenon ครับ (ตอนนี้ อยู่แถวๆ วงแหวนรอบนอกช่วงตัดจรัญ 13 มั้ง)

เค้าทำไฟวงแหวนใส่ไฟหน้ารถได้ทุกแบบหล่ะครับ มันต้องถอดโคมออกจากจานฉาย และการซีลตอนใส่กลับคืน งานเค้าค่อนข้างดีกว่าผู้ค้ารายอื่นๆ น่ะครับ

แต่จะโดนใจคนใช้รถไหมอีกเรื่องนึงนะครับ

คุณท๊อปได้กันชนเวอร์ชั่นตามเพชรมาแล้วครับ ดังนั้น เรื่องไฟหรี่ ไม่เป็นปัญหาสำหรับคุณท๊อป
แต่ปัญหาคุณท๊อปคือ หาไฟหน้าไม่ได้น่ะครับ สั่งห้างก็รอนานเกิน

โคม DEPO ต้องแปลงก็จริง แต่เดี๋ยวนี้น่าจะไม่ยากเท่าแต่ก่อน เพราะมีเคสศึกษามาบ้างแล้ว และล่าสุดน้องจ๊ะก็ให้เพื่อนทำให้สำเร็จมาแล้ว เห็นว่า ใช้รุ่นอื่นมาดัดแปลง

ลองติดต่อกันดูนะครับ



 แสดงความคิดเห็นย่อย แสดงความคิดเห็นย่อย

nond9972 จาก nond9972 124.121.69.9 พุธ, 17/2/2553 เวลา : 21:24  IP : 124.121.69.9   

edit แก้ไขคำตอบ   delete ลบคำตอบ 3783

คำตอบที่ 11
       คำตอบที่ 8
ไม่ปลื้มแบบนี้กันบ้างหรือครับ

ปลื้มคุณแดน หาได้หรือยังครับ



 แสดงความคิดเห็นย่อย แสดงความคิดเห็นย่อย

hs2kgc จาก PAE5496 124.120.152.85 พุธ, 17/2/2553 เวลา : 23:26  IP : 124.120.152.85   

edit แก้ไขคำตอบ   delete ลบคำตอบ 3784

คำตอบที่ 12
       ขอบคุณพี่เอ๋ครับ กำลังหาข้อมูลพอดีเลย..



 แสดงความคิดเห็นย่อย แสดงความคิดเห็นย่อย

IDIN จาก หนึ่ง 118.173.104.242 จันทร์, 14/6/2553 เวลา : 21:42  IP : 118.173.104.242   

edit แก้ไขคำตอบ   delete ลบคำตอบ 7073

คำตอบที่ 13
       คำตอบที่ 12
ขอบคุณพี่เอ๋ครับ กำลังหาข้อมูลพอดีเลย..


จาก หนึ่ง

==========================================================================

จัดไปเลยครับอย่าให้ขาด ฮี่ๆ

แต่ต้องต่อวงจรให้ไฟเลี้ยวกันชนหน้า มีสองขั้วด้วย จะได้ทั้งเลี้ยวและหรี่ นะครับ เพราะโคมเพชร ไม่มีไฟหรี่



 แสดงความคิดเห็นย่อย แสดงความคิดเห็นย่อย

nond9972 จาก nond9972 124.122.214.180 จันทร์, 14/6/2553 เวลา : 22:33  IP : 124.122.214.180   

edit แก้ไขคำตอบ   delete ลบคำตอบ 7074

คำตอบที่ 14
       ไฟหรี่แบบคุณนนท์แจ่มมากครับ สงสัยต้องหากันชนอีกแล้วเพราะไม่งั้นติดแบบคุณนนท์ไม่ได้ แจ่มดีครับต้องคู่กับโปรเจ็คเตอร์ครับ



 แสดงความคิดเห็นย่อย แสดงความคิดเห็นย่อย

hs2kgc จาก PAE5496 203.172.127.98 อังคาร, 15/6/2553 เวลา : 20:22  IP : 203.172.127.98   

edit แก้ไขคำตอบ   delete ลบคำตอบ 7094

คำตอบที่ 15
       คำตอบที่ 14
ไฟหรี่แบบคุณนนท์แจ่มมากครับ สงสัยต้องหากันชนอีกแล้วเพราะไม่งั้นติดแบบคุณนนท์ไม่ได้ แจ่มดีครับต้องคู่กับโปรเจ็คเตอร์ครับ


จาก PAE5496

=============================================================================

ถ่ายมาให้ดูเฉยๆ ไม่ใช่ของผมครับ



 แสดงความคิดเห็นย่อย แสดงความคิดเห็นย่อย

nond9972 จาก nond9972 124.121.62.109 อังคาร, 15/6/2553 เวลา : 21:03  IP : 124.121.62.109   

edit แก้ไขคำตอบ   delete ลบคำตอบ 7096

คำตอบที่ 16
       โอ้ว..แค่เราขยับท่านก็รู้ทันแล้ว นับถือมากๆครับ แถมรู้ลึกซึ้งมากๆ ถ้างั้นไฟแล้วในกันชนต้องเปลี่ยนเป็นหลอด 2 ไส้แบบไฟเบรคใช่ไหมครับพี่ ผมเห็นตรงบริเวณไฟหน้ามีปลั๊กไม่ได้ใช่อยู่ชุดนึง เขาอุดไว้ สีเทาๆ มีสายเล็กๆประมาณ 6 เล้นน่ะคับ ไม่รู้ว่าเป็นสายไฟอะไร

พี่เป้ใจเดียวกับผมเลย แต่หายังไงก็ไม่มี ครับ มีแต่ของแต่ง จับไม่ลง



 แสดงความคิดเห็นย่อย แสดงความคิดเห็นย่อย

IDIN จาก หนึ่ง 180.180.91.13 อังคาร, 15/6/2553 เวลา : 21:40  IP : 180.180.91.13   

edit แก้ไขคำตอบ   delete ลบคำตอบ 7101

คำตอบที่ 17
       คำตอบที่ 16
โอ้ว..แค่เราขยับท่านก็รู้ทันแล้ว นับถือมากๆครับ แถมรู้ลึกซึ้งมากๆ ถ้างั้นไฟแล้วในกันชนต้องเปลี่ยนเป็นหลอด 2 ไส้แบบไฟเบรคใช่ไหมครับพี่ ผมเห็นตรงบริเวณไฟหน้ามีปลั๊กไม่ได้ใช่อยู่ชุดนึง เขาอุดไว้ สีเทาๆ มีสายเล็กๆประมาณ 6 เล้นน่ะคับ ไม่รู้ว่าเป็นสายไฟอะไร

พี่เป้ใจเดียวกับผมเลย แต่หายังไงก็ไม่มี ครับ มีแต่ของแต่ง จับไม่ลง


จาก หนึ่ง

============================================================================

ครับ หลอดเดียวกับไฟเบรกครับ

กรณีคุณพี่เป้ แกทักจากที่ผม MMS ไปให้น่ะครับ เป็นงานแปลงครับ เอาไฟรถอื่นมาแปลงใส่ พอดีผ่านไปเห็นเข้า เลยส่งไปยั่ว เพราะผมทราบว่า คุณพี่เป้ คันๆ อยู่

(ไฟเลี้ยวปัจจุบันของแก ก็แอคคอร์ดตาเพชร หนิครับ)



 แสดงความคิดเห็นย่อย แสดงความคิดเห็นย่อย

nond9972 จาก nond9972 124.121.60.168 พุธ, 16/6/2553 เวลา : 22:17  IP : 124.121.60.168   

edit แก้ไขคำตอบ   delete ลบคำตอบ 7121

คำตอบที่ 18
       อืมเริ่มมันส์แล้วครับ พวกแปลงๆนี่ชอบครับ แต่ผมไม่มีข้อมูลเลย พี่นนท์เอามาเผยแพร่บ้างสิครับ เป็นวิทยาทาน



 แสดงความคิดเห็นย่อย แสดงความคิดเห็นย่อย

IDIN จาก หนึ่ง 113.53.154.113 พุธ, 16/6/2553 เวลา : 22:22  IP : 113.53.154.113   

edit แก้ไขคำตอบ   delete ลบคำตอบ 7123

คำตอบที่ 19
       คำตอบที่ 18
อืมเริ่มมันส์แล้วครับ พวกแปลงๆนี่ชอบครับ แต่ผมไม่มีข้อมูลเลย พี่นนท์เอามาเผยแพร่บ้างสิครับ เป็นวิทยาทาน


จาก หนึ่ง

=============================================================================

ไว้รอให้เสร็จก่อนดีกว่าครับ ตอนนี้ยังไม่เรียบร้อย อยากเห็นเหมือนกันครับ



 แสดงความคิดเห็นย่อย แสดงความคิดเห็นย่อย

nond9972 จาก nond9972 124.121.60.168 พุธ, 16/6/2553 เวลา : 22:46  IP : 124.121.60.168   

edit แก้ไขคำตอบ   delete ลบคำตอบ 7126

คำตอบที่ 20
       คำตอบที่ 15
คำตอบที่ 14
ไฟหรี่แบบคุณนนท์แจ่มมากครับ สงสัยต้องหากันชนอีกแล้วเพราะไม่งั้นติดแบบคุณนนท์ไม่ได้ แจ่มดีครับต้องคู่กับโปรเจ็คเตอร์ครับ


จาก PAE5496

=============================================================================

ถ่ายมาให้ดูเฉยๆ ไม่ใช่ของผมครับ

=============================================================

ครับจำกันชนได้โทรไปเรียบร้อยแล้วครับ ว่าง ๆคงไปรับของครับ ชอบเปิดไฟหรี่วิ่งโชว์ ต้องหาเสริมในกันให้สว่างหน่อย เดี๋ยวไปรับคงได้มีอะไรสนุกๆเล่น คุณหนึ่งไม่สนตัวนี้หรือครับ





 แสดงความคิดเห็นย่อย แสดงความคิดเห็นย่อย

hs2kgc จาก PAE5496 124.120.146.144 พฤหัสบดี, 17/6/2553 เวลา : 00:10  IP : 124.120.146.144   

edit แก้ไขคำตอบ   delete ลบคำตอบ 7127

คำตอบที่ 21
       พี่เป้ครับ อันนี้ไฟหรี่ของอะไรครับ สวยดีน่ะ แบบว่าแนวๆวัยรุ่นดีครับ ผมชอบแนว ฮาร์ดคอร์ ครับ พี่เป้..เอามาโชว์หน่อย แล้วที่โบ่ๆนี้โป้วไงครับ



 แสดงความคิดเห็นย่อย แสดงความคิดเห็นย่อย

IDIN จาก หนึ่ง 180.180.94.132 ศุกร์, 18/6/2553 เวลา : 21:57  IP : 180.180.94.132   

edit แก้ไขคำตอบ   delete ลบคำตอบ 7152

คำตอบที่ 22
       ไว้รอให้เสร็จก่อนนะครับ ตอนนี้ยังไม่เรียบร้อยครับ งานน่าจะออกมาแบบไม่มีที่ติครับ เอ้าที่กำลังทำอยู่เร่งมือหน่อยครับ ส่งรูปมาให้ดูด่วนเลยครับ



 แสดงความคิดเห็นย่อย แสดงความคิดเห็นย่อย

hs2kgc จาก PAE5496 124.120.147.72 ศุกร์, 18/6/2553 เวลา : 22:53  IP : 124.120.147.72   

edit แก้ไขคำตอบ   delete ลบคำตอบ 7156

คำตอบที่ 23
       ลืมไป เป็นของSUBARU ครับ



 แสดงความคิดเห็นย่อย แสดงความคิดเห็นย่อย

hs2kgc จาก PAE5496 124.120.147.72 ศุกร์, 18/6/2553 เวลา : 22:54  IP : 124.120.147.72   

edit แก้ไขคำตอบ   delete ลบคำตอบ 7157

คำตอบที่ 24
       ว้าว..ไม่เอาแบบกลมๆ แนว WRX เลยอ่ะพี่โหดดี..หรือกลัวเดี๋ยวเจ้าของจะค้อนเอา..



 แสดงความคิดเห็นย่อย แสดงความคิดเห็นย่อย

IDIN จาก หนึ่ง 180.180.95.81 เสาร์, 19/6/2553 เวลา : 21:57  IP : 180.180.95.81   

edit แก้ไขคำตอบ   delete ลบคำตอบ 7163

คำตอบที่ 25
       คำตอบที่ 24
ว้าว..ไม่เอาแบบกลมๆ แนว WRX เลยอ่ะพี่โหดดี..หรือกลัวเดี๋ยวเจ้าของจะค้อนเอา..


จาก หนึ่ง

=========================================================================

ลองถอดกันชนมาดูครับ

พื้นที่ข้างหลังพอที่จะใส่ไฟดวงใหญ่ๆ ได้แค่ไหน

ถ้าพื้นที่ด้านหลังไม่พอ คงต้องเจาะ แล้วทำฐานยื่นออกมาครับ เรื่องหย่ายนะนั่น

ดูตัวอย่างจาก MTV's Pimp My Ride สิครับ






 แสดงความคิดเห็นย่อย แสดงความคิดเห็นย่อย

nond9972 จาก nond9972 124.122.214.172 เสาร์, 19/6/2553 เวลา : 22:49  IP : 124.122.214.172   

edit แก้ไขคำตอบ   delete ลบคำตอบ 7164

คำตอบที่ 26
       คุณ เป้/คุณ นนท์ ซนอะไรกันคับ

มายั่วให้สมาชิก อยากรู้ อยากเห็น อิ อิ อิ...

รออยู่นะค๊าบ

van 7990



 แสดงความคิดเห็นย่อย แสดงความคิดเห็นย่อย

van7990 จาก van7990 183.89.40.177 อาทิตย์, 20/6/2553 เวลา : 10:37  IP : 183.89.40.177   

edit แก้ไขคำตอบ   delete ลบคำตอบ 7172

คำตอบที่ 27
       มุมนี้หน้าเปมือนปลาโลมาเลยอ่ะครับ



 แสดงความคิดเห็นย่อย แสดงความคิดเห็นย่อย

IDIN จาก หนึ่ง 125.27.79.249 อาทิตย์, 20/6/2553 เวลา : 20:28  IP : 125.27.79.249   

edit แก้ไขคำตอบ   delete ลบคำตอบ 7177

คำตอบที่ 28
       คำตอบที่ 26
คุณ เป้/คุณ นนท์ ซนอะไรกันคับ

มายั่วให้สมาชิก อยากรู้ อยากเห็น อิ อิ อิ...

รออยู่นะค๊าบ

van 7990


จาก van7990

================================================================================

ผมเปล่านะพี่ ผมเพียงแต่มายุให้คนเค้าซนกันน่ะครับ



 แสดงความคิดเห็นย่อย แสดงความคิดเห็นย่อย

nond9972 จาก nond9972 124.121.64.32 อาทิตย์, 20/6/2553 เวลา : 21:04  IP : 124.121.64.32   

edit แก้ไขคำตอบ   delete ลบคำตอบ 7180

คำตอบที่ 29
       รับทราบรายละเอียดแล้วขอรับ...รอลุ้นให้งานออกมาแหล่มฯ ด้วยคน

van7990



 แสดงความคิดเห็นย่อย แสดงความคิดเห็นย่อย

van7990 จาก Van7990 203.146.214.164 จันทร์, 21/6/2553 เวลา : 11:41  IP : 203.146.214.164   

edit แก้ไขคำตอบ   delete ลบคำตอบ 7186

คำตอบที่ 30
      
ขอรบกวนถามพี่ ๆ เกี่ยวกับไฟหน้าดังนี้ครับ

1.ไฟตาเพชรนี่ ดวงเล็ก เป็นไฟต่ำ ดวงใหญ่เป็นไฟสูงเหรอครับ แล้วปรับมุมก้มเงยแยกสูงต่ำกันได้มั้ยครับ

2.ไฟตาเพชร ใส่ Xenon แล้ว ปรับให้ส่องลงพื้นไปไกล ๆ หน่อยเหมือน (Halogen 100 watts) แยงตามั้ยครับ

3.เทียบการใช้งาน ความสว่าง ไม่แยงตา ระหว่าง Depo Projector กับ ตาเพชร อันไหนสว่างดีกว่าครับ

4.Cut off ของไฟตอนส่องกำแพงของ ไฟตาเพชรใส่ Xenon กับ Depo Projector ระหว่างส่วนที่มืดกับสว่าง

คมประมาณรูปใน Link นี้มั้ยครับ

Credit Web www.civicesgroup ครับ

http://www.civicesgroup.com/forum/topic7707


โคมติดรถผมเป็นแบบ 4.1 เดิม ๆ พอใส่ Xenon ปรับให้ไม่แยงตาแล้ว ไฟมันส่องไปใกล้นิดเดียวเองครับ

พอปรับให้เงย Cut Off แสงมันไม่คมครับ ฟุ้งขึ้นข้างบน แยงตาครับ

ผมใส่ 6000K แต่พอวิ่งถนนสีดำ ๆ หน่อย มันมองไม่สว่างเหมือนตอนใส่ไฟ Halogen 100 watts เลยครับ

รบกวนด้วยครับ



 แสดงความคิดเห็นย่อย แสดงความคิดเห็นย่อย

newbierav4 จาก NewbieRAV4 118.174.87.154 อาทิตย์, 25/7/2553 เวลา : 17:39  IP : 118.174.87.154   

edit แก้ไขคำตอบ   delete ลบคำตอบ 8010

      

ยังมีคำตอบมากกว่านี้นะครับ คลิ๊กเพื่อดูหน้าถัดไป


คำตอบแบ่งหน้าละ 30 คำตอบ ขณะนี้คุณอยู่ที่หน้า 1 จาก >>> 1  2  



website รองรับการใช้งานทุกระบบปฏิบัติการของ PC Tablet SmartPhone ทุกระบบสามารถโพสข้อความและรูปภาพได้โดยไม่ต้องย่อไฟล์
เพื่อความปลอดภัยในการใช้ website WeekendHobby.Com สมาชิก เท่านั้น จึงจะตั้งกระทู้ หรือ ตอบกระทู้ได้ครับ
Login Click ที่นี่
สมัครสมาชิก Click ที่นี่



Since 22, Feb 2001 hit counter View My Stats  Truehits.net      วันจันทร์,20 เมษายน 2569 (Online 1216 คน)