WeekendHobby.com
เครื่องมือในการใช้งาน website =>> สมัครสมาชิก | Login | Logout | เปลี่ยนไอคอนส่วนตัว | เกี่ยวกับเรา | ติดต่อโฆษณา         View stat by Truehits.net


DIY กล่อง RELAY fan & air
talan team
จาก Talan
IP:171.96.184.88

เสาร์ที่ , 2/1/2559
เวลา : 13:52

อ่านแล้ว = ครั้ง
 เก็บเข้ากระทู้ส่วนตัว
แจ้งตรวจสอบกระทู้
 แจ้งลบ
ส่งหาเพื่อน ส่งหาเพื่อน

       DIY RELAY FOR FAN and AIR CON
กล่อง รีเลย์ rav4 หาซื้อ ใหม่ คงหายาก มาก หลายท่าน มีปัญหา เรื่องระบบไฟ –ขาขั้ว รีเลย์ ช็อตไหม้ละลาย
หลวม สายไฟกรอบแตก ขาดใน ทำให้ระบบไฟ รวนไปหมด จะหาซื้อ ก็หายาก เหมือนสมาชิกบางท่าน เริ่มเจอ
ปัญหานี้ ผมเอง ก็ผ่านปัญหานี้มาแล้ว ก็สามารถแก้ปัญหา ผ่านพ้นมาได้ ใช้การดัดแปลง แบบใช้งบน้อย แต่
ใช้งานได้ดี ตามสไตน์การซ่อมแซม แบบของผม ท่านสมาชิกที่มีปัญหานี้ลองอ่านกระทู้นี้เป็นแนวทางเลยครับ
ผมเคยเดิน แถวเซียงกง มาหลายที่ ของเก่าก็ไม่มี เพราะรถคันหนึ่ง ก็มีกล่องติดมาอันเดียว ถึงหาของเก่าได้ สภาพ
ก็คงเริ่มแย่ พอๆ กัน หาวิธี DIY แบบถูก ตังค์ ดีกว่าครับ








 แสดงความคิดเห็นย่อย แสดงความคิดเห็นย่อย

แจ้งเพื่อเก็บขึ้นกระทู้พิเศษ คลิ๊กที่นี่แจ้งเพื่อนำขึ้นกระทู้พิเศษ

คำตอบแบ่งหน้าละ 30 คำตอบ ขณะนี้คุณอยู่ที่หน้า 1 จาก >>> 1  

คำตอบที่ 1
       1 ใช้รีเลย์ ยี่ห้อBOSCH หน้า คอนแทค ทนกระแส 30 a ซื้อตามร้านขายอะไหล่รถยนต์ทั่วไป ก็มีขาย รี่เลย์
ของ บอทช์ มีทั้งแบบ ที่เป็น หน้าคอนแทค ปกติ เปิด และปกติ ปิด แบบ ปิด relay no 1 ใช้ หนึ่งตัว
แบบปกติ เปิด ใช้ 3ตัว ( no 2 ,3 และ E/G ) กลับไปดูที่ วงจร รี่เลย์ ประกอบ ไปด้วย จะเข้าใจง่าย
ลงทุน รี่เลย์ ตัวละ 80 บาท บวก ขารี่เลย์ แบบ ห้าขาอีก 40 บาท ชุดละ 120 เอง .ใช้ สี่ชุด






 แสดงความคิดเห็นย่อย แสดงความคิดเห็นย่อย

talan team จาก Talan เสาร์, 2/1/2559 เวลา : 13:54  IP :   

edit แก้ไขคำตอบ   delete ลบคำตอบ 18301

คำตอบที่ 2
      





 แสดงความคิดเห็นย่อย แสดงความคิดเห็นย่อย

talan team จาก Talan เสาร์, 2/1/2559 เวลา : 13:55  IP :   

edit แก้ไขคำตอบ   delete ลบคำตอบ 18302

คำตอบที่ 3
      





 แสดงความคิดเห็นย่อย แสดงความคิดเห็นย่อย

talan team จาก Talan เสาร์, 2/1/2559 เวลา : 13:56  IP :   

edit แก้ไขคำตอบ   delete ลบคำตอบ 18303

คำตอบที่ 4
      





 แสดงความคิดเห็นย่อย แสดงความคิดเห็นย่อย

talan team จาก Talan เสาร์, 2/1/2559 เวลา : 13:57  IP :   

edit แก้ไขคำตอบ   delete ลบคำตอบ 18304

คำตอบที่ 5
      





 แสดงความคิดเห็นย่อย แสดงความคิดเห็นย่อย

talan team จาก Talan เสาร์, 2/1/2559 เวลา : 13:58  IP :   

edit แก้ไขคำตอบ   delete ลบคำตอบ 18305

คำตอบที่ 6
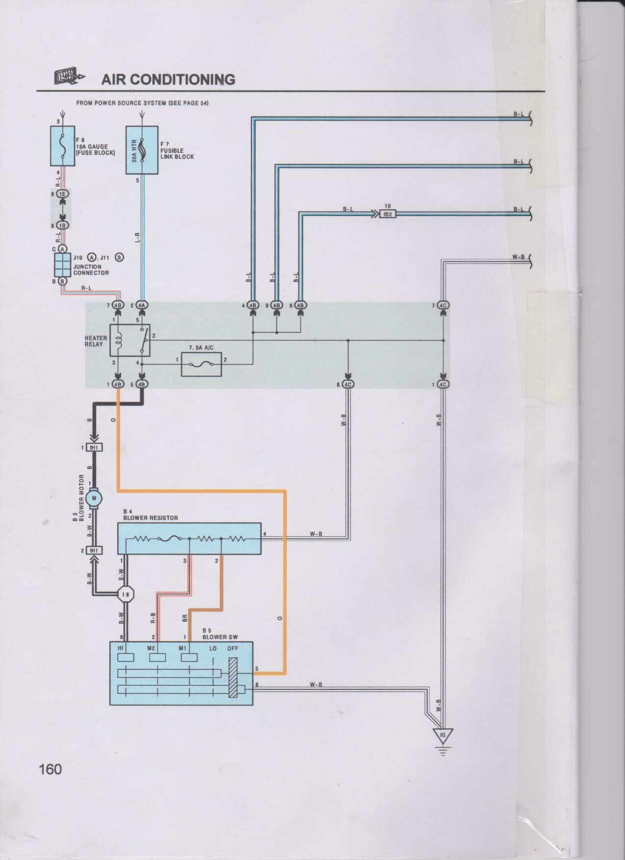
       ภาพนี้เป็นวงจรของระบบพัดแอร์และหม้อน้ำ





 แสดงความคิดเห็นย่อย แสดงความคิดเห็นย่อย

talan team จาก Talan เสาร์, 2/1/2559 เวลา : 13:59  IP :   

edit แก้ไขคำตอบ   delete ลบคำตอบ 18306

คำตอบที่ 7
       ใช้รีเลย์ บอทช์ แทนของเดิมได้เลย





 แสดงความคิดเห็นย่อย แสดงความคิดเห็นย่อย

talan team จาก Talan เสาร์, 2/1/2559 เวลา : 14:02  IP :   

edit แก้ไขคำตอบ   delete ลบคำตอบ 18307

คำตอบที่ 8
       แกะกล่องรีเลย์ ออกมา ไล่ ดูขั้ว และสีของสายไฟ ตัดต่อบัดกรี ทำทีละตัว จำไม่หมดหากระดาษ จดไว้ก่อนถอด
ขารีเลย์ มีสายให้มาพร้อม ห้าเส้น แต่สีอาจไม่เหมือนจดไว้กันลืมก็ดี ( ไม่ต้องกลัวต่อผิด มีวงจร แนบท้ายสำเนาฉบับ
นี้ ไล่ตามวงจร ) ได้เลย






 แสดงความคิดเห็นย่อย แสดงความคิดเห็นย่อย

talan team จาก Talan เสาร์, 2/1/2559 เวลา : 14:03  IP :   

edit แก้ไขคำตอบ   delete ลบคำตอบ 18308

คำตอบที่ 9
       เลือกรี่เลย์ แบบห้าขา





 แสดงความคิดเห็นย่อย แสดงความคิดเห็นย่อย

talan team จาก Talan เสาร์, 2/1/2559 เวลา : 14:05  IP :   

edit แก้ไขคำตอบ   delete ลบคำตอบ 18309

คำตอบที่ 10
       ซื้อมาพร้อมด้วยแท่นขารีเลย์มาด้วยเลย 40 บาท รี่เลย์ 80





 แสดงความคิดเห็นย่อย แสดงความคิดเห็นย่อย

talan team จาก Talan เสาร์, 2/1/2559 เวลา : 14:07  IP :   

edit แก้ไขคำตอบ   delete ลบคำตอบ 18310

คำตอบที่ 11
       ระบบพัดลมของ rav4 มีสองตัว ตัวใหญ่ หม้อน้ำ ตัวเล็กแอร์ คอนแดนเซอร์ ยามปกติ พัดลมทั้งสองตัว จะถูกต่อวงจร
เข้าด้วยกัน เป็นแบบอนุกรม ทำให้ค่าความต้านทานมีมาก พัดลมหมุน สปีดช้าลง ในขณะที่การระบายความร้อนไม่สูง
มาก แต่หากน้ำหม้อน้ำมีความร้อนสะสมมากขึ้น ระบาย ความร้อนไม่ทัน เช่นขณะรถติด ในตัวเมือง พัดลมสองตัวนี่
จะถูกตัดวงจรออกจากกันให้ทำงานโดยเอกเทศ ตัวใครตัวมัน ไฟวิ่งผ่านมอเตอร์ แต่ละตัวแล้ว ลงดินโดยตรง ทำให้สปีด
พัดลม แรงขึ้น จนกว่าอุนหภูมิหม้อน้ำจะลดลง จึงจะกลับมาเดิน รอบต่ำอีกครั้ง สลับกันไปเช่นนี้ ตลอด จึงจำเป็น
ต้องต่อพัดลมให้ถูกต้องตามระบบเดิม ไว้ห้ามดัดแปลงระบบ ของมันดีซายร์ มาดีแล้ว เคยเจอร้านซ่อมแบบลูกทุ่ง
รู้ไม่จริงดัดแปลงตัดระบบ เดิม ต่อตรง เล่นเอารีเลย์ไหม้ หม้อน้ำเดือด น้ำหาย ช่วงรถติดติด แอร์ไม่เย็นอีก เลยต้อง
ลงมือ ศึกษา และ DIY ด้ยตนเอง ขณะนี้ระบบใช้งานได้เหมือนเดิม รถติด ติด ขับเข้าตัวเมืองได้สบาย ดีใจ สุด สุด






 แสดงความคิดเห็นย่อย แสดงความคิดเห็นย่อย

talan team จาก Talan เสาร์, 2/1/2559 เวลา : 14:09  IP :   

edit แก้ไขคำตอบ   delete ลบคำตอบ 18311

คำตอบที่ 12
       เจ้าตัวที่ทำหน้าตัดต่อการทำงานของพัดลม เป็นตัวคุมอุณหภูมิ ในข้อสาม ก็คือ ECT ,Engine coolant temp
Switch ของผมเสียพึ่งตรวจเจอ มันซ่อนอยู่ด้านล่างของหม้อน้ำทางขวามือ ใกล้ท่อยางน้ำ ( 440) เปลี่ยนซะ
หาตั้งนาน ทำไม พัดลมเดินแค่สปีดเดียว หม้อน้ำเดือด ต้องค่อยเติมน้ำในกระป๋องพักน้ำทุกวัน ตอนนี้หายละดูหน้า
ตาพี่เขาตามภาพ ใครใช้มานานไม่เคยเปลี่ยน พัดลมไม่เคยหมุนสปีดแรง ระวัง 440[B)






 แสดงความคิดเห็นย่อย แสดงความคิดเห็นย่อย

talan team จาก Talan เสาร์, 2/1/2559 เวลา : 14:10  IP :   

edit แก้ไขคำตอบ   delete ลบคำตอบ 18312

คำตอบที่ 13
       ตำแหน่งที่อยู่ของ ECT ดังภาพ





 แสดงความคิดเห็นย่อย แสดงความคิดเห็นย่อย

talan team จาก Talan เสาร์, 2/1/2559 เวลา : 14:12  IP :   

edit แก้ไขคำตอบ   delete ลบคำตอบ 18313

คำตอบที่ 14
       เรื่องระบบไฟ rav4 โดนกันหลายคนน่าปวดหัว พานเบื่อ ขายทิ้ง ทั้งที่ rav4 เป็นรถที่ใช้ดีมาก ขับแล้วติดใจ นิ่มน้องๆ
เบนท์เลยนะเนี่ย ซ่อมไว้ใช้ชั่วลูกหลาน ดีกว่า เชื่อเหอะ
เมื่อต่อเสร็จ หาที่ยึดข้าง ๆ กล่องเดิม หรือเก็บไว้ในกล่องเดิมก็ได้ หาวิธียึดให้ดี เท่านั้น






 แสดงความคิดเห็นย่อย แสดงความคิดเห็นย่อย

talan team จาก Talan เสาร์, 2/1/2559 เวลา : 14:16  IP :   

edit แก้ไขคำตอบ   delete ลบคำตอบ 18314

คำตอบที่ 15
       no# part ของรีเลย์ ทั้งปกติ ปิด และปกติ เปิด ดูจากรูป ครับ





 แสดงความคิดเห็นย่อย แสดงความคิดเห็นย่อย

talan team จาก Talan เสาร์, 2/1/2559 เวลา : 14:17  IP :   

edit แก้ไขคำตอบ   delete ลบคำตอบ 18315

คำตอบที่ 16
      





 แสดงความคิดเห็นย่อย แสดงความคิดเห็นย่อย

talan team จาก Talan เสาร์, 2/1/2559 เวลา : 14:18  IP :   

edit แก้ไขคำตอบ   delete ลบคำตอบ 18316

คำตอบที่ 17
      





 แสดงความคิดเห็นย่อย แสดงความคิดเห็นย่อย

talan team จาก Talan เสาร์, 2/1/2559 เวลา : 14:19  IP :   

edit แก้ไขคำตอบ   delete ลบคำตอบ 18317

คำตอบที่ 18
       ขอให้ท่านมีความสุขกับการใช้ rav4 หากไม่มีความรู้เรื่องช่าง หาช่างไฟที่เก่งๆ ตรวจดูให้ อ่านกระทู้นี้เป็นแนว
ทางการแก้ไข โชคดี ทุกท่านครับ talan






 แสดงความคิดเห็นย่อย แสดงความคิดเห็นย่อย

talan team จาก Talan เสาร์, 2/1/2559 เวลา : 14:20  IP :   

edit แก้ไขคำตอบ   delete ลบคำตอบ 18318

คำตอบที่ 19
       ขอบคุณมากครับ สำหรับความรู้



ยินดีครับ
จาก : talan team(talan team) 8/1/2559 13:19:13 [171.96.182.188]
 แสดงความคิดเห็นย่อย แสดงความคิดเห็นย่อย

noomkp จาก หนุ่ม2133 171.96.182.38 จันทร์, 4/1/2559 เวลา : 10:30  IP : 171.96.182.38   

edit แก้ไขคำตอบ   delete ลบคำตอบ 18319

คำตอบที่ 20
       ...เยี่ยมคับพี่ตะแลน ว่างเมื่อไหร่เจอกันหน่อยคับผม...



ครับผม
จาก : talan team(talan team) 8/1/2559 13:18:53 [171.96.182.188]
 แสดงความคิดเห็นย่อย แสดงความคิดเห็นย่อย

aeh88 จาก Aeh88 203.144.220.246 จันทร์, 4/1/2559 เวลา : 16:43  IP : 203.144.220.246   

edit แก้ไขคำตอบ   delete ลบคำตอบ 18320

คำตอบที่ 21
       ขอบคุณมากครับ



 แสดงความคิดเห็นย่อย แสดงความคิดเห็นย่อย

SAK KU KPS จาก SAK KU KPS 158.108.202.57 พุธ, 8/6/2559 เวลา : 14:37  IP : 158.108.202.57   

edit แก้ไขคำตอบ   delete ลบคำตอบ 18366

คำตอบที่ 22
       ช่างผมทำไดเออร์แอร์ระเบิด กล่องฟิวส์กระจุยเลยครับ พี่ ๆ ท่านใดรับทำหรือพอแนะนำร้านที่ไล่ไฟทั้งกล่องฟิวส์ได้ รบกวนขอเบอร์ติดต่อด้วยครับ ขอบคุณครับ



ลองสอบถาม 089 4547208 ดูครับ
จาก : talan team(talan team) 25/1/2560 18:07:25 [171.97.87.108]
ขอบคุณครับ
จาก : bampkung(bampkung) 26/1/2560 11:46:32 [119.160.223.250]
...โอ้วว อันตรายมากเลย งี้ต้องให้ช่างรับผิดชอบนะครับ...
จาก : aeh88(aeh88) 27/1/2560 16:34:51 [61.91.4.3]
 แสดงความคิดเห็นย่อย แสดงความคิดเห็นย่อย

bampkung จาก bampkung 119.160.223.250 พุธ, 25/1/2560 เวลา : 10:18  IP : 119.160.223.250   

edit แก้ไขคำตอบ   delete ลบคำตอบ 18426

      

คำตอบแบ่งหน้าละ 30 คำตอบ ขณะนี้คุณอยู่ที่หน้า 1 จาก >>> 1  



website รองรับการใช้งานทุกระบบปฏิบัติการของ PC Tablet SmartPhone ทุกระบบสามารถโพสข้อความและรูปภาพได้โดยไม่ต้องย่อไฟล์
เพื่อความปลอดภัยในการใช้ website WeekendHobby.Com สมาชิก เท่านั้น จึงจะตั้งกระทู้ หรือ ตอบกระทู้ได้ครับ
Login Click ที่นี่
สมัครสมาชิก Click ที่นี่



Since 22, Feb 2001 hit counter View My Stats  Truehits.net      วันอาทิตย์,19 เมษายน 2569 (Online 2421 คน)