WeekendHobby.com
เครื่องมือในการใช้งาน website =>> สมัครสมาชิก | Login | Logout | เปลี่ยนไอคอนส่วนตัว | เกี่ยวกับเรา | ติดต่อโฆษณา         View stat by Truehits.net


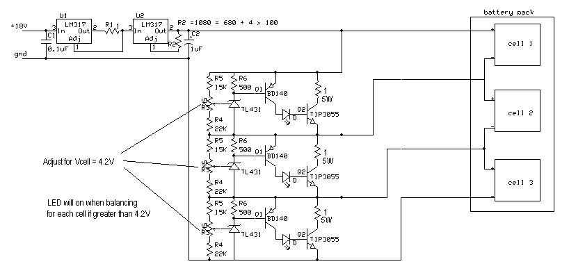
วงจรนี้เป็นวงจรChargeถ่านLipoและBalance Chargeในตัวหรือเปล่าครับ

จาก mai
IP:203.113.44.10

จันทร์ที่ , 10/9/2550
เวลา : 21:07

อ่านแล้ว = ครั้ง
 เก็บเข้ากระทู้ส่วนตัว
แจ้งตรวจสอบกระทู้
 แจ้งลบ
ส่งหาเพื่อน ส่งหาเพื่อน

       วงจรนี้เป็นวงจรChargeถ่านLipoและBalance Chargeในตัวหรือเปล่าครับและมีท่านRCท่านใดทดลองทำหรือเปล่าครับ






 แสดงความคิดเห็นย่อย แสดงความคิดเห็นย่อย

แจ้งเพื่อเก็บขึ้นกระทู้พิเศษ คลิ๊กที่นี่แจ้งเพื่อนำขึ้นกระทู้พิเศษ

คำตอบแบ่งหน้าละ 30 คำตอบ ขณะนี้คุณอยู่ที่หน้า 1 จาก >>> 1  

คำตอบที่ 1
       ลองดูในนี้แล้วกันครับ
http://www.weekendhobby.com/rc/Webboard/question.asp?page=2&ID=13966



 แสดงความคิดเห็นย่อย แสดงความคิดเห็นย่อย

จาก doc007 203.113.44.10 พุธ, 26/9/2550 เวลา : 20:09  IP : 203.113.44.10   

edit แก้ไขคำตอบ   delete ลบคำตอบ 111569

คำตอบที่ 2
       ขอขอบคุณคุณdoc007ที่หาขัอมูลเก่ามาให้ครับ



 แสดงความคิดเห็นย่อย แสดงความคิดเห็นย่อย

จาก mai 203.113.44.84 พุธ, 26/9/2550 เวลา : 20:45  IP : 203.113.44.84   

edit แก้ไขคำตอบ   delete ลบคำตอบ 111572

      

คำตอบแบ่งหน้าละ 30 คำตอบ ขณะนี้คุณอยู่ที่หน้า 1 จาก >>> 1  



website รองรับการใช้งานทุกระบบปฏิบัติการของ PC Tablet SmartPhone ทุกระบบสามารถโพสข้อความและรูปภาพได้โดยไม่ต้องย่อไฟล์
เพื่อความปลอดภัยในการใช้ website WeekendHobby.Com สมาชิก เท่านั้น จึงจะตั้งกระทู้ หรือ ตอบกระทู้ได้ครับ
Login Click ที่นี่
สมัครสมาชิก Click ที่นี่



Since 22, Feb 2001 hit counter View My Stats  Truehits.net      วันพุธ,11 กุมภาพันธ์ 2569 (Online 4377 คน)