WeekendHobby.com
เครื่องมือในการใช้งาน website =>> สมัครสมาชิก | Login | Logout | เปลี่ยนไอคอนส่วนตัว | เกี่ยวกับเรา | ติดต่อโฆษณา         View stat by Truehits.net


ถามเรื่องวงจรชาร์จแบต li-po วงจรนี้หน่อยครับ

จาก หมาน
IP:222.123.22.179

เสาร์ที่ , 22/9/2550
เวลา : 22:26

อ่านแล้ว = ครั้ง
 เก็บเข้ากระทู้ส่วนตัว
แจ้งตรวจสอบกระทู้
 แจ้งลบ
ส่งหาเพื่อน ส่งหาเพื่อน

       ไม่ทราบว่า TL431 นี่คือตัวอะไรครับ ใช่ไดแอคหรือปล่าวครับ จะได้บอกคนขายเค้าถูก กลัวชื้อมาผิด






 แสดงความคิดเห็นย่อย แสดงความคิดเห็นย่อย

แจ้งเพื่อเก็บขึ้นกระทู้พิเศษ คลิ๊กที่นี่แจ้งเพื่อนำขึ้นกระทู้พิเศษ

คำตอบแบ่งหน้าละ 30 คำตอบ ขณะนี้คุณอยู่ที่หน้า 1 จาก >>> 1  

คำตอบที่ 1
       ไม่มีคนตอบเลย



 แสดงความคิดเห็นย่อย แสดงความคิดเห็นย่อย

จาก หมาน 222.123.209.252 อาทิตย์, 23/9/2550 เวลา : 23:38  IP : 222.123.209.252   

edit แก้ไขคำตอบ   delete ลบคำตอบ 111481

คำตอบที่ 2
       เป็น Zener diode ที่สามารถปรับค่า Volt ได้ ไม่ได้ ล๊อกค่า ซื้อได้ที่ www.es.co.th ราคาไม่น่าเกิน 4-5 บาท หน้าตาเหมือน tr มี 3 ขา



 แสดงความคิดเห็นย่อย แสดงความคิดเห็นย่อย

จาก ป๋อง สุโขทัย 203.172.181.222 จันทร์, 24/9/2550 เวลา : 07:52  IP : 203.172.181.222   

edit แก้ไขคำตอบ   delete ลบคำตอบ 111482

คำตอบที่ 3
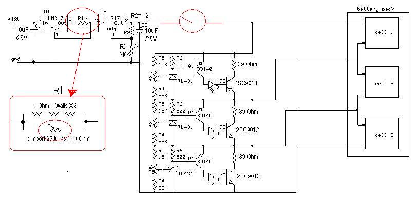
       ดูต้อง Note
ปรับ VR แรงดันให้ได้ 4.15 V ต่อถ่าน 1 ก้อน(ปกติถ่านเต็มเท่ากับ 4.2 V)
---เมื่อแรงดันชาร์ทถ่าน เกิน 4.15V กระแสก็จะสามารถไหลผ่าน R -1K ผ่าน TR413 ลงขั่วลบของถ่านก่อนนั้น เมื่อกระแสไหลผ่าน Tl413 ได้ส่งผลให้ค่า B ของ BD140 มีแรงดันต่ำลงไป BD140 จึงนำกระแส ไหลผ่านจากขา E(มีหัวลูกศร) มายังขา C มาตกคล่อม ที่ RX-33 Ohm X 2 เป็นโหลด(กินกระแสจากถ่านก้อนที่มีแรงดันเกิน 4.15 V) เมื่อกระแสไหลผ่าน RX เกิดแรงดันตกคล่อม ทำให้หลอด LED จึงสว่าง
- เมื่อถ่านถูก Rx ลดแรงดันให้เท่ากับ 4.15V ไฟที่ขา K ของ TL413 จึงเป็นบวกแรงดันสูงขึ้น BD140 จึงไม่นำกระแส

- วงจรนี้ ผมว่าดี แต่มีข้อเสีย มันจะรักษา แรงดันไม่ให้เกิน 4.15V แต่ไม่สามารถทำให้แรงดันเท่ากันเฉลี่ยเท่ากันทุกก้อน

-การทำงานจึงเป็นเช่นนี้ เมากาแฟแต่เช้าเลย เขียนเยอะ ดูท่านผู้รู้ อืนๆ ประกอบด้วย นะครับ



 แสดงความคิดเห็นย่อย แสดงความคิดเห็นย่อย

จาก ป๋อง สุโขทัย 203.172.181.222 จันทร์, 24/9/2550 เวลา : 08:15  IP : 203.172.181.222   

edit แก้ไขคำตอบ   delete ลบคำตอบ 111483

คำตอบที่ 4
       - วงจรนี้ ผมว่าดี แต่มีข้อเสีย มันจะรักษา แรงดันไม่ให้เกิน 4.15V แต่ไม่สามารถทำให้แรงดันเท่ากันเฉลี่ยเท่ากันทุกก้อน

*** เขียนเอง...งง เอง หมายถึง ใช้ดีขณะมีเครื่องชาร์ทอยู่ และใช้ไม่ได้ตอนเอาเครื่องชาร์ทออก บาลานซ์ถ่านแบบไม่มีเครื่องชาร์ท(ซึ่งก็ไม่ค่อยมีใครทำ...ร่วมทั้งผมด้วย.....55555)



 แสดงความคิดเห็นย่อย แสดงความคิดเห็นย่อย

จาก ป๋อง สุโขทัย 203.172.181.222 จันทร์, 24/9/2550 เวลา : 08:23  IP : 203.172.181.222   

edit แก้ไขคำตอบ   delete ลบคำตอบ 111484

คำตอบที่ 5
       ขอบคุณ คุณป๋อง สุโขทัย มากเลยครับ ที่ให้ความกระจ่าง ที่แท้ก็เป็นซีเนอร์ปรับค่าได้นั่นเอง แล้วก้ขอบคุณอีกสำหรับคำอธิบายครับ แต่ทำไมเราไม่ปรับค่าแรงดันให้ได้ 4.2โวล แทน 4.15 ละครับ



 แสดงความคิดเห็นย่อย แสดงความคิดเห็นย่อย

จาก หมาน 117.47.41.201 จันทร์, 24/9/2550 เวลา : 19:06  IP : 117.47.41.201   

edit แก้ไขคำตอบ   delete ลบคำตอบ 111499

คำตอบที่ 6
       ผมคิดว่าคงเพื่อ ค่าผิดพลาดของมิเตอร์ที่เรานำมาวัด ซึ่งปกติแล้ว ค่าอุปกรณ์ต่างๆ เครื่องมือต่างๆ ก็มีค่าเพื่อๆนิดหน่อย.......ผมคิดว่านะครับ แต่ถ้าแบตชาร์ทเกิน 4.2 V มีโอกาสเสียสูงมากๆเลย...แถมระเบิดน่ากลัวมากๆ ลุกเป็นไฟ เห็นใน Web ต่างประเทศ สยองเลย เค้าเลยเพื่อๆ...ครับ แต่ผมเคยทำผมเอามิเตอร์ดิจิตอลแล้วปรับที่ 4.2V ก็ใช้ได้ครับ....
************* อ้อ VR เอาของดีนิดครับ ใช้แบบ
ทิมพ๊อท 15 รอบ หรือ 25 รอบ ราคา 10-25 บาท ดีกว่าปรับละเอียด เวลาเครื่องกระแทรก ค่า ความต้านทานจะได้ไม่เปลี่ยนครับ



 แสดงความคิดเห็นย่อย แสดงความคิดเห็นย่อย

จาก ป๋อง สุโขทัย 203.172.181.222 อังคาร, 25/9/2550 เวลา : 08:15  IP : 203.172.181.222   

edit แก้ไขคำตอบ   delete ลบคำตอบ 111515

คำตอบที่ 7
       ค้นไปค้นมา เลยเจอวงจรนี้เข้า คล้ายๆกัน ของคุณ mac เลยลังเลว่าจะใช้วงจรใหนดี





 แสดงความคิดเห็นย่อย แสดงความคิดเห็นย่อย

จาก หมาน 222.123.212.236 พุธ, 26/9/2550 เวลา : 00:08  IP : 222.123.212.236   

edit แก้ไขคำตอบ   delete ลบคำตอบ 111542

คำตอบที่ 8
       วงจรที่ 2 ดีกว่า

วงจรด้านหลังวงจร บาลานซ์ถ่าน หลักการคล้ายๆกัน

วงจรที่ 2 ดีตรงวงจรด้านหน้าครับ มีวงจร CC(U1) รักษากระแสให้คงที่ และ CV(U2) รักษาแรงดันให้คงที่ครับ



 แสดงความคิดเห็นย่อย แสดงความคิดเห็นย่อย

จาก ป๋อง สุโขทัย 203.172.181.222 พุธ, 26/9/2550 เวลา : 08:30  IP : 203.172.181.222   

edit แก้ไขคำตอบ   delete ลบคำตอบ 111555

คำตอบที่ 9
       ไปชื้อมาแล้ว ไม่รู้ว่าใช่หรือเปล่าครับ TL431 ตัวเหมือนทรานชิสเตอร์ แต่คนขายเค้าบอกว่าเป็นทรานซิสเตอร์ ไม่ใช่ซีเนอร์ปรับค่าได้ครับ ที่ตัวถังมันเขียนไว้ว่า 6SM839E TL431ACTI ไม่รู้ว่าใช่หรือปล่าวครับ แล้วตัว 2SC9013 ได้มามันเขียนว่า C9013 H635 ใช่ไหมครับ ส่วนตัว BD140 นี่เป็นทรานซิสเตอร์ แบบที่สามารถติดแผ่นระบายความร้อนได้ ไม่รู้ว่าทั้ง3ตัวนี่ใช่ตัวที่เขียนในวงจรหรือเปล่าครับ ไม่แน่ใจเลยครับ



 แสดงความคิดเห็นย่อย แสดงความคิดเห็นย่อย

จาก หมาน 117.47.42.20 ศุกร์, 28/9/2550 เวลา : 20:47  IP : 117.47.42.20   

edit แก้ไขคำตอบ   delete ลบคำตอบ 111661

คำตอบที่ 10
       TL431 เค้าบอกว่าเป็น Shunt Regulate ครับ ไม่ใช่ซีเนอร์ปรับค่าได้
สรุปว่าไม่ใช่ซีเนอร์ปรับค่าได้ งงเลยสิคราวนี้ 555



 แสดงความคิดเห็นย่อย แสดงความคิดเห็นย่อย

จาก หมาน 117.47.43.138 ศุกร์, 28/9/2550 เวลา : 21:26  IP : 117.47.43.138   

edit แก้ไขคำตอบ   delete ลบคำตอบ 111663

คำตอบที่ 11
       แล้วจะดูขายังไงครับ แต่ละตัว ว่าขาไหนเป็นขาไหน ช่วยบอกขาของ ทั้ง3ตัวหน่อยครับ



 แสดงความคิดเห็นย่อย แสดงความคิดเห็นย่อย

จาก หมาน 117.47.43.138 ศุกร์, 28/9/2550 เวลา : 21:35  IP : 117.47.43.138   

edit แก้ไขคำตอบ   delete ลบคำตอบ 111664

คำตอบที่ 12
       ลองใช้ Google ค้นดูหาไม่ยากครับ

http://www.tranzistoare.ro/datasheets2/83/83137_1.pdf
http://www.ortodoxism.ro/datasheets/philips/BD138-10.pdf
http://www.onsemi.com/pub/Collateral/TL431-D.PDF

TL431 เป็น IC ในวงจรทำหน้าที่เป็นตัว Shunt Regulator สัญญลักษ์คล้ายๆ Diode บางครั้งก็เอาไปทำเป็นตัวสร้างแรงดันอ้างอิงเพราะมีความแม่นยำพอสมควร

ปรกติ TL431 ทำงานได้สูงสุด 100ma แต่เมื่อรวมกับทรานซิสเตอร์และอุปกรณ์อื่นๆ กลายเป็น Shunt Regulator ที่จ่ายกระแสได้มากขึ้น จากวงจรเมื่อแบตฯถูกชาร์จเข้าใกล้แรงดันที่ตั้งไว้ กระแสส่วนมากก็จะไหลผ่านมาทางเจ้า Shunt นี่แหละครับ



 แสดงความคิดเห็นย่อย แสดงความคิดเห็นย่อย

i2k จาก i2k 210.246.73.149 เสาร์, 29/9/2550 เวลา : 00:00  IP : 210.246.73.149   

edit แก้ไขคำตอบ   delete ลบคำตอบ 111669

คำตอบที่ 13
       Shunt Regulate ถูกต้องแล้วครับ ที่พูดว่า ซีเนอร์ปรับค่าได้ อย่างนั้น เพื่อให้ดูเข้าใจการทำงานได้ง่ายกว่า



 แสดงความคิดเห็นย่อย แสดงความคิดเห็นย่อย

จาก ป๋อง 61.19.112.99 เสาร์, 29/9/2550 เวลา : 21:19  IP : 61.19.112.99   

edit แก้ไขคำตอบ   delete ลบคำตอบ 111701

คำตอบที่ 14
       ขาของ
-TJ431 ดูจากด้านหน้า ด้านที่เรียบ 1refer 2anode 3Cathode

-2SC9031 1E 2B 3C

-BD140 ดูจากด้านที่ไม่มีแถบติดแผ่นระบายความร้อน
1E 2C 3B

ใช่หรือปล่าวครับขาของทั้ง3ตัวที่ผมเข้าใจ จากลิ้งที่คุณ i2k ให้ไว้ ขอบคุณสำหรับลิ้งที่ลงให้ด้วยครับ

ถ้าใช่ก็จะได้ลงมือทำซะที หลังรอมานานเป็นเดือนแล้ว ชื้อแบต li-po มาเป็นเดือนแล้วยังไม่ได้ใช้เลยถ้าทั้งหมดถูกต้อง อีกไม่นานคงได้เล่นแล้วครับ



 แสดงความคิดเห็นย่อย แสดงความคิดเห็นย่อย

จาก หมาน 117.47.44.67 เสาร์, 29/9/2550 เวลา : 23:05  IP : 117.47.44.67   

edit แก้ไขคำตอบ   delete ลบคำตอบ 111704

      

คำตอบแบ่งหน้าละ 30 คำตอบ ขณะนี้คุณอยู่ที่หน้า 1 จาก >>> 1  



website รองรับการใช้งานทุกระบบปฏิบัติการของ PC Tablet SmartPhone ทุกระบบสามารถโพสข้อความและรูปภาพได้โดยไม่ต้องย่อไฟล์
เพื่อความปลอดภัยในการใช้ website WeekendHobby.Com สมาชิก เท่านั้น จึงจะตั้งกระทู้ หรือ ตอบกระทู้ได้ครับ
Login Click ที่นี่
สมัครสมาชิก Click ที่นี่



Since 22, Feb 2001 hit counter View My Stats  Truehits.net      วันพุธ,11 กุมภาพันธ์ 2569 (Online 4475 คน)