WeekendHobby.com
เครื่องมือในการใช้งาน website =>> สมัครสมาชิก | Login | Logout | เปลี่ยนไอคอนส่วนตัว | เกี่ยวกับเรา | ติดต่อโฆษณา         View stat by Truehits.net


ต้องการใช้มอเตอร์ 2 ตัว Speed 2 ตัว จะต้องต่อกับ Reciver ยังไงครับ

จาก หนึ่ง
IP:124.121.150.91

พฤหัสบดีที่ , 17/1/2551
เวลา : 11:09

อ่านแล้ว = ครั้ง
 เก็บเข้ากระทู้ส่วนตัว
แจ้งตรวจสอบกระทู้
 แจ้งลบ
ส่งหาเพื่อน ส่งหาเพื่อน

       ต้องการใช้มอเตอร์ 2 ตัว Speed 2 ตัว จะต้องต่อกับ Reciver ยังไงครับ
งงจังเลย



 แสดงความคิดเห็นย่อย แสดงความคิดเห็นย่อย

แจ้งเพื่อเก็บขึ้นกระทู้พิเศษ คลิ๊กที่นี่แจ้งเพื่อนำขึ้นกระทู้พิเศษ

คำตอบแบ่งหน้าละ 30 คำตอบ ขณะนี้คุณอยู่ที่หน้า 1 จาก >>> 1  

คำตอบที่ 1
       ตามที่เคยเล่นนะครับ ผิดถูกอย่างไรขอผู้รู้ช่วยอีกแรงนะครับ
BL..ให้ใช้สาย Y ต่อจาก Speed ทั้ง2ตัวไปเข้า Reciver ถ้า batt 2000 ma ขึ้นไปส่วนมาก จะตัดสายสีแดง ของปลายสาย Y ที่ต่อกับ speed ข้างใดข้างหนึ่งออก เหตุผล เพราะว่า เมื่อกระแส ต่อขนานกัน จะเพิ่มขึ้น (2000//2000=4000ma) ซึ่งเป็นอันตรายต่อ Reciver แต่ถ้า batt 800-1000 ma ก็ไม่จำเป็นต้องคัดครับ



 แสดงความคิดเห็นย่อย แสดงความคิดเห็นย่อย

จาก L19 125.24.140.213 พฤหัสบดี, 17/1/2551 เวลา : 11:33  IP : 125.24.140.213   

edit แก้ไขคำตอบ   delete ลบคำตอบ 116657

คำตอบที่ 2
       ขอบคุณครับจะลองดู



 แสดงความคิดเห็นย่อย แสดงความคิดเห็นย่อย

จาก หนึ่ง 124.121.156.45 อาทิตย์, 20/1/2551 เวลา : 17:44  IP : 124.121.156.45   

edit แก้ไขคำตอบ   delete ลบคำตอบ 116743

คำตอบที่ 3
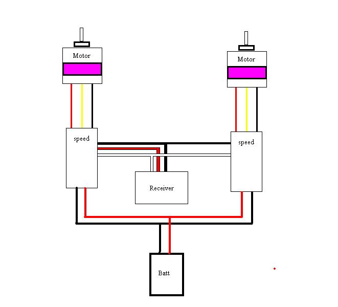
       ลองดูตามนี้ครับ สำหรับมอเตอร์ 2 ลูก และspeed 2 ตัว
แบตเตอรี่ 1 แพ็ค





 แสดงความคิดเห็นย่อย แสดงความคิดเห็นย่อย

kobtot จาก กบ TOT 203.113.0.203 จันทร์, 21/1/2551 เวลา : 09:30  IP : 203.113.0.203   

edit แก้ไขคำตอบ   delete ลบคำตอบ 116761

คำตอบที่ 4
       ลำนี้มอเตอร์ 4 ลูก speed 4 ตัว แบตเตอรี่ 2 แพ็ค ครับ
ต่อเหมือนที่วาดไว้ให้ครับ แต่ 4 มอเตอร์ จะต้องทำสองชุด





 แสดงความคิดเห็นย่อย แสดงความคิดเห็นย่อย

kobtot จาก กบ TOT 203.113.0.203 จันทร์, 21/1/2551 เวลา : 09:40  IP : 203.113.0.203   

edit แก้ไขคำตอบ   delete ลบคำตอบ 116762

คำตอบที่ 5
       tank



 แสดงความคิดเห็นย่อย แสดงความคิดเห็นย่อย

จาก back dog 125.26.173.200 อาทิตย์, 14/6/2552 เวลา : 08:51  IP : 125.26.173.200   

edit แก้ไขคำตอบ   delete ลบคำตอบ 136194

      

คำตอบแบ่งหน้าละ 30 คำตอบ ขณะนี้คุณอยู่ที่หน้า 1 จาก >>> 1  



website รองรับการใช้งานทุกระบบปฏิบัติการของ PC Tablet SmartPhone ทุกระบบสามารถโพสข้อความและรูปภาพได้โดยไม่ต้องย่อไฟล์
เพื่อความปลอดภัยในการใช้ website WeekendHobby.Com สมาชิก เท่านั้น จึงจะตั้งกระทู้ หรือ ตอบกระทู้ได้ครับ
Login Click ที่นี่
สมัครสมาชิก Click ที่นี่



Since 22, Feb 2001 hit counter View My Stats  Truehits.net      วันพุธ,11 กุมภาพันธ์ 2569 (Online 2741 คน)