WeekendHobby.com
เครื่องมือในการใช้งาน website =>> สมัครสมาชิก | Login | Logout | เปลี่ยนไอคอนส่วนตัว | เกี่ยวกับเรา | ติดต่อโฆษณา         View stat by Truehits.net


D.I.Y:Modify bit car for controls airplan

จาก ..friend
IP:58.10.149.90

จันทร์ที่ , 7/1/2551
เวลา : 16:59

อ่านแล้ว = ครั้ง
 เก็บเข้ากระทู้ส่วนตัว
แจ้งตรวจสอบกระทู้
 แจ้งลบ
ส่งหาเพื่อน ส่งหาเพื่อน

       ขอตั้งกระทู้นะครับ
เกี่ยวกับเรื่องการ นำเอาวงจรรถแมลงสาบหรือ Infraled มาทำเครื่องบินบังครับ
สืบเนื่องจากกระทู้ทำไม่เครื่องบินแมลงสาบถึงเงียบจังครับ
ไม่แน่ใจว่ายังมีเพื่อนๆอยู่หรือเปล่า
ยืมรูปจากกระทู้เก่าก่อนละกันครับ






 แสดงความคิดเห็นย่อย แสดงความคิดเห็นย่อย

แจ้งเพื่อเก็บขึ้นกระทู้พิเศษ คลิ๊กที่นี่แจ้งเพื่อนำขึ้นกระทู้พิเศษ

คำตอบแบ่งหน้าละ 30 คำตอบ ขณะนี้คุณอยู่ที่หน้า 1 จาก >>> 1  2  

คำตอบที่ 1
       ฝากกระทู้ไม่ได้ครับ งง



 แสดงความคิดเห็นย่อย แสดงความคิดเห็นย่อย

ans_poy8 จาก ..friend 58.10.149.90 อังคาร, 8/1/2551 เวลา : 08:42  IP : 58.10.149.90   

edit แก้ไขคำตอบ   delete ลบคำตอบ 116245

คำตอบที่ 2
      
เป็นภาครับแบบ 3 ch






 แสดงความคิดเห็นย่อย แสดงความคิดเห็นย่อย

จาก ..friend 58.10.149.90 อังคาร, 8/1/2551 เวลา : 09:13  IP : 58.10.149.90   

edit แก้ไขคำตอบ   delete ลบคำตอบ 116247

คำตอบที่ 3
       ของเก่าจากเมืองนอกครับเอามากระตุ้นกระทู้





 แสดงความคิดเห็นย่อย แสดงความคิดเห็นย่อย

จาก ..friend 58.10.149.141 พุธ, 9/1/2551 เวลา : 17:04  IP : 58.10.149.141   

edit แก้ไขคำตอบ   delete ลบคำตอบ 116320

คำตอบที่ 4
       มันหน้ารักดีออก ทำไมกระทู้ไม่ก้าวหน้าเลยไม่มีใครสนหรือจ๊ะ คุณ friend ก็ เพิ่มข้อมูลอีกหน่อยซีครับ เอาใจช่วย



 แสดงความคิดเห็นย่อย แสดงความคิดเห็นย่อย

third_aman จาก แรกแย้ม 58.8.236.73 เสาร์, 31/5/2551 เวลา : 17:38  IP : 58.8.236.73   

edit แก้ไขคำตอบ   delete ลบคำตอบ 120038

คำตอบที่ 5
       เอาใจช่วยคร้บ คุณfriend......ติดตามชมอยู่...



 แสดงความคิดเห็นย่อย แสดงความคิดเห็นย่อย

จาก fasaisai 202.91.19.204 พุธ, 4/6/2551 เวลา : 14:36  IP : 202.91.19.204   

edit แก้ไขคำตอบ   delete ลบคำตอบ 120158

คำตอบที่ 6
       สวัสดีครับคุณ Friend
เห็นทีผมค้องปัดฝุ่นเจ้า Micro Guide Mite ออกมาทำต่อซักหน่อย
ที่เหลือคือ Actuator แต่ก่อนขี้เกียจพัน Coil
ทั้งๆที่ชื้อแม่เหล็กและขดลวด (จากนาฬืกาเก่า)พร้อมแล้ว





 แสดงความคิดเห็นย่อย แสดงความคิดเห็นย่อย

white eagle จาก White Eagle 202.133.176.47 พุธ, 4/6/2551 เวลา : 20:51  IP : 202.133.176.47   

edit แก้ไขคำตอบ   delete ลบคำตอบ 120163

คำตอบที่ 7
       รอชมอยู่ครับคุณ friend คุณ White Eagle



 แสดงความคิดเห็นย่อย แสดงความคิดเห็นย่อย

จาก แฟนตัวจิ๋ว 58.64.87.136 พฤหัสบดี, 5/6/2551 เวลา : 10:52  IP : 58.64.87.136   

edit แก้ไขคำตอบ   delete ลบคำตอบ 120169

คำตอบที่ 8
       ช่วงนี้ติดงานประจำอยู่ครับ ถ้าว่างแล้วจะนำผลงานมาโชนะครับ ถ้าใครมีผลงานเอามาโชปลุกกระแสกันก่อนเลยนะครับ ถ้าโครพอมีการหา CG เครื่องขับหลังแบบต่างช่วยแนะด้วยนะครับเพราะก่อนหน้าผมหมด M20 ไปหลายตัวแล้ว ก็เลยว่าจะทำขับหลังดูโดยใช้ วงจรแมลงสาบเดิมครับ



 แสดงความคิดเห็นย่อย แสดงความคิดเห็นย่อย

จาก ..friend 124.120.96.23 เสาร์, 7/6/2551 เวลา : 19:35  IP : 124.120.96.23   

edit แก้ไขคำตอบ   delete ลบคำตอบ 120272

คำตอบที่ 9
       ถ้าเสร็จจากงานประจำว่าจะทำตัวนี้อยู่ครับ





 แสดงความคิดเห็นย่อย แสดงความคิดเห็นย่อย

จาก ..friend 124.120.96.23 เสาร์, 7/6/2551 เวลา : 20:22  IP : 124.120.96.23   

edit แก้ไขคำตอบ   delete ลบคำตอบ 120274

คำตอบที่ 10
       ผมว่าทำได้น่ารักดีครับ ตอนนี้มี ฮ.จิ๋ว 3 ช่อง มีมอเตอร์ 2ตัวและก็มีมอเตอร์หางด้วย ลองลื้อมาทำได้นะครับผมว่าน่าจะไม่ยากแต่ว่าราคาก็หลายร้อยอยู่ครับ ตัวละ 7-8 ร้อยบาทอะ เล่นพังก่อนค่อยลื้อก็ได้นะ



 แสดงความคิดเห็นย่อย แสดงความคิดเห็นย่อย

จาก Changbin 58.137.129.220 อังคาร, 10/6/2551 เวลา : 12:57  IP : 58.137.129.220   

edit แก้ไขคำตอบ   delete ลบคำตอบ 120365

คำตอบที่ 11
       Thank ครับ
ผมว่าจะรองหาดูเหมือนกัน เห็นเพื่อนเล่นอยู่



 แสดงความคิดเห็นย่อย แสดงความคิดเห็นย่อย

จาก ..friend 203.152.52.180 พุธ, 11/6/2551 เวลา : 16:42  IP : 203.152.52.180   

edit แก้ไขคำตอบ   delete ลบคำตอบ 120390

คำตอบที่ 12
       ผมเล่นตัวนี้อยู่ครับ.....พื้นที่บังคับ...ประมาณครึ่งสนามฟุตบอล......
เอาแบบมาจาก rc grops....กางปีก14"....
ใช้โฟมอัด 5 มิล ฝานผ่าครึ่งด้วยเครื่องตัดโฟมสายกีร์ต้า เส้นที่ 2....(ทําเอง)
ลําตัวใช้ก้านลูกโป่ง.....คํายันปีกใช้หลอดดูดนมเปี้ยว...
ขุมกําลังใช้มอเตอร์หางของคอปเตอร์ 2 ช่อง 2 ตัว ใบพัดของเครื่องบิน AIR BUS 2 ใบ.....(สะพานเหล็ก)
ภาครับ -ส่งใช้ของแมลงสาปโมใส่FETแบ็ตโทรศ้พท์มือถือ...ตามแบบของคุณ Action_nan
แบ็ตบลูทูช 170 มิลลิแอมป์(เสือป่าพลาซ่า)ใช้ 2 ก้อนอนุกรมกัน 7.2 โวลล์(โหดไปมั้ย....)กดปล่อยกดปล่อย......ใด้ประมาณ 5 นาที บินสูงเท่าตึก 4 ชั้น มากกว่านั้นยังไม่กล้ากลัวลมหอบหนี...



 แสดงความคิดเห็นย่อย แสดงความคิดเห็นย่อย

จาก fasaisai 202.91.18.206 ศุกร์, 13/6/2551 เวลา : 14:04  IP : 202.91.18.206   

edit แก้ไขคำตอบ   delete ลบคำตอบ 120506

คำตอบที่ 13
       รุปครับ





 แสดงความคิดเห็นย่อย แสดงความคิดเห็นย่อย

จาก fasaisai 202.91.18.206 ศุกร์, 13/6/2551 เวลา : 14:08  IP : 202.91.18.206   

edit แก้ไขคำตอบ   delete ลบคำตอบ 120507

คำตอบที่ 14
       น่าสนใจดีครับ อยากลองทำบ้าง คุณ fasaisai มีรายละเอียดการทำมั๊ยครับ ทั้งการโมภาครับ-ส่ง และแปลนเครื่องบิน ขอบคุณล่วงหน้า



 แสดงความคิดเห็นย่อย แสดงความคิดเห็นย่อย

จาก จาก แฟนตัวจิ๋ว 58.64.106.79 อาทิตย์, 15/6/2551 เวลา : 09:09  IP : 58.64.106.79   

edit แก้ไขคำตอบ   delete ลบคำตอบ 120570

คำตอบที่ 15
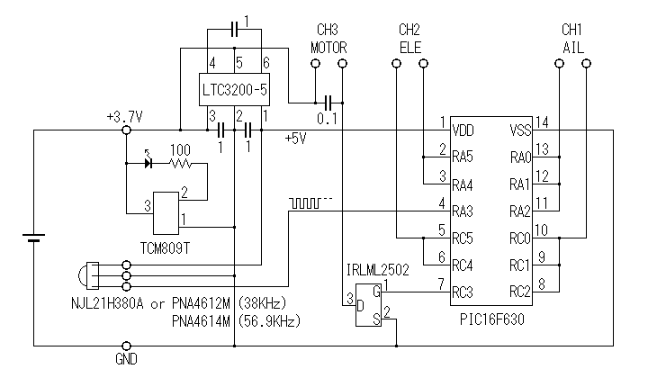
       วงจรโมภาครับ....ที่ใช้ประจําอยู่ 2 แบบนี้ใช้ได้ดีมาก....ใด้มาจากกระทู้...ทําไมช่วงนี้เครื่องบินแมลงสาปเงียบไป....ปลุกผีกันหน่อย....





 แสดงความคิดเห็นย่อย แสดงความคิดเห็นย่อย

จาก fasaisai 202.91.19.205 ศุกร์, 20/6/2551 เวลา : 15:11  IP : 202.91.19.205   

edit แก้ไขคำตอบ   delete ลบคำตอบ 120856

คำตอบที่ 16
       อีกอัน...เอาไปทําเล่นกัน...





 แสดงความคิดเห็นย่อย แสดงความคิดเห็นย่อย

จาก fasaisai 202.91.19.205 ศุกร์, 20/6/2551 เวลา : 15:13  IP : 202.91.19.205   

edit แก้ไขคำตอบ   delete ลบคำตอบ 120857

คำตอบที่ 17
       ขอถามคุณ fasaisai ผมเคยซื้อรถแมลงสาบมาเล่นแล้วระยะบังคับมันได้ไม่กี่เมตรเอง ไม่ทราบว่าต้องทำอะไพิเศษเพิ่มหรือเปล่าถึงไกลขนาดตึก 4 ชั้นครับ



 แสดงความคิดเห็นย่อย แสดงความคิดเห็นย่อย

จาก แฟนตัวจิ๋ว 58.64.104.7 อาทิตย์, 22/6/2551 เวลา : 08:10  IP : 58.64.104.7   

edit แก้ไขคำตอบ   delete ลบคำตอบ 120913

คำตอบที่ 18
       ขอตอบแทนนะครับ การโมง่ายคือที่ภาค-รับเพิ่มสายอากาศให้ยาวประมาณ 12-14 นิ้วนะครับ
ส่วนภาคส่งเพิ่มถ่านขึ้นไม่เกิน 5 V. ถ้าเป็นถ่าน AA ธรรมดาเพิ่มเป็น 4 ก้อนครับ ถ้าเป็น AA แบบ อัลคาไลเพิ่มเป็น 3 ก้อนครับ และเปลี่ยนเสาเป็นเสาอากาศของรถกระป๋องคันใหญ่ก็พอครับ



 แสดงความคิดเห็นย่อย แสดงความคิดเห็นย่อย

จาก ..friend 124.120.103.209 อาทิตย์, 22/6/2551 เวลา : 17:27  IP : 124.120.103.209   

edit แก้ไขคำตอบ   delete ลบคำตอบ 120921

คำตอบที่ 19
       ใครมีแบบเครื่องบิน ขับหลังบ้างครับแนะนำหน่อยครับ



 แสดงความคิดเห็นย่อย แสดงความคิดเห็นย่อย

จาก ..friend 124.120.103.209 อาทิตย์, 22/6/2551 เวลา : 17:29  IP : 124.120.103.209   

edit แก้ไขคำตอบ   delete ลบคำตอบ 120922

คำตอบที่ 20
       เมื่อวานไปเดินคลองถมมาของเล่นใหม่เต็มเลยครับพี่น้อง
มีปีกบินจิ๋วด้วย น่าจะ 2 ch wing ประมาณ 10นิ้วครับ ราคาขาย 480 บาทครับไว้เดี่ยวจะหารูปมาลงให้ดูนะครับ



 แสดงความคิดเห็นย่อย แสดงความคิดเห็นย่อย

จาก ..friend 124.120.97.183 อาทิตย์, 29/6/2551 เวลา : 12:50  IP : 124.120.97.183   

edit แก้ไขคำตอบ   delete ลบคำตอบ 121218

คำตอบที่ 21
       น่าสนใจ รอดูรูปครับรายงานผล ถ้าพอเล่นได้จะได้ถอยมาซักตัว ชอบเล่นตัวเล็กๆ



 แสดงความคิดเห็นย่อย แสดงความคิดเห็นย่อย

จาก แฟนตัวจิ๋ว 58.64.51.106 จันทร์, 30/6/2551 เวลา : 08:19  IP : 58.64.51.106   

edit แก้ไขคำตอบ   delete ลบคำตอบ 121256

คำตอบที่ 22
       ถ้าผมจะรับมาขายบวกกำไรนิดหน่อย พอจะขายได้หรือเปล่าครับ



 แสดงความคิดเห็นย่อย แสดงความคิดเห็นย่อย

จาก ..friend 58.10.149.104 จันทร์, 7/7/2551 เวลา : 07:55  IP : 58.10.149.104   

edit แก้ไขคำตอบ   delete ลบคำตอบ 121684

คำตอบที่ 23
       goodๆ



 แสดงความคิดเห็นย่อย แสดงความคิดเห็นย่อย

jujeep จาก jujeep 124.121.45.60 พุธ, 9/7/2551 เวลา : 09:06  IP : 124.121.45.60   

edit แก้ไขคำตอบ   delete ลบคำตอบ 121880

คำตอบที่ 24
       มาแล้วครับใช้เวลาทำ 6 ชม. Tiger moth ครับ
เคยทำแล้วแต่เอามาทำใหม่ครับ ใช้ Moter N20 ของเครื่องบินจีน 1 ตัวกับ LIPO 150 mah 1 ก้อน และภาครับ แมลงสาบเก่า รวมด้วยเครื่องชาร์ตมือถือ+ Balance Cell
เป็นตัวชาร์จ





 แสดงความคิดเห็นย่อย แสดงความคิดเห็นย่อย

ans_poy8 จาก ..friend 124.120.97.211 ศุกร์, 18/7/2551 เวลา : 21:27  IP : 124.120.97.211   

edit แก้ไขคำตอบ   delete ลบคำตอบ 122674

คำตอบที่ 25
       อีกมุมครับ





 แสดงความคิดเห็นย่อย แสดงความคิดเห็นย่อย

ans_poy8 จาก ..friend 124.120.97.211 ศุกร์, 18/7/2551 เวลา : 21:27  IP : 124.120.97.211   

edit แก้ไขคำตอบ   delete ลบคำตอบ 122675

คำตอบที่ 26
      





 แสดงความคิดเห็นย่อย แสดงความคิดเห็นย่อย

ans_poy8 จาก ..friend 124.120.97.211 ศุกร์, 18/7/2551 เวลา : 21:27  IP : 124.120.97.211   

edit แก้ไขคำตอบ   delete ลบคำตอบ 122677

คำตอบที่ 27
      





 แสดงความคิดเห็นย่อย แสดงความคิดเห็นย่อย

ans_poy8 จาก ..friend 124.120.97.211 ศุกร์, 18/7/2551 เวลา : 21:28  IP : 124.120.97.211   

edit แก้ไขคำตอบ   delete ลบคำตอบ 122678

คำตอบที่ 28
      





 แสดงความคิดเห็นย่อย แสดงความคิดเห็นย่อย

ans_poy8 จาก ..friend 124.120.97.211 ศุกร์, 18/7/2551 เวลา : 21:28  IP : 124.120.97.211   

edit แก้ไขคำตอบ   delete ลบคำตอบ 122679

คำตอบที่ 29
       แท่นชาร็จดัดแปลงเล็กน้อยมาใช้ชาร็จแบต





 แสดงความคิดเห็นย่อย แสดงความคิดเห็นย่อย

ans_poy8 จาก ..friend 124.120.97.211 ศุกร์, 18/7/2551 เวลา : 21:29  IP : 124.120.97.211   

edit แก้ไขคำตอบ   delete ลบคำตอบ 122680

คำตอบที่ 30
       ข้างบนรูปของใครไม่รู้





 แสดงความคิดเห็นย่อย แสดงความคิดเห็นย่อย

ans_poy8 จาก ..friend 124.120.97.211 ศุกร์, 18/7/2551 เวลา : 21:31  IP : 124.120.97.211   

edit แก้ไขคำตอบ   delete ลบคำตอบ 122683

      

ยังมีคำตอบมากกว่านี้นะครับ คลิ๊กเพื่อดูหน้าถัดไป


คำตอบแบ่งหน้าละ 30 คำตอบ ขณะนี้คุณอยู่ที่หน้า 1 จาก >>> 1  2  



website รองรับการใช้งานทุกระบบปฏิบัติการของ PC Tablet SmartPhone ทุกระบบสามารถโพสข้อความและรูปภาพได้โดยไม่ต้องย่อไฟล์
เพื่อความปลอดภัยในการใช้ website WeekendHobby.Com สมาชิก เท่านั้น จึงจะตั้งกระทู้ หรือ ตอบกระทู้ได้ครับ
Login Click ที่นี่
สมัครสมาชิก Click ที่นี่



Since 22, Feb 2001 hit counter View My Stats  Truehits.net      วันพุธ,11 กุมภาพันธ์ 2569 (Online 2635 คน)