WeekendHobby.com
เครื่องมือในการใช้งาน website =>> สมัครสมาชิก | Login | Logout | เปลี่ยนไอคอนส่วนตัว | เกี่ยวกับเรา | ติดต่อโฆษณา         View stat by Truehits.net


มีใครคิดจะลองสร้างวิทยุบังคับเองบ้างไหมครับ

จาก sa
IP:210.196.54.4

ศุกร์ที่ , 14/3/2551
เวลา : 11:19

อ่านแล้ว = ครั้ง
 เก็บเข้ากระทู้ส่วนตัว
แจ้งตรวจสอบกระทู้
 แจ้งลบ
ส่งหาเพื่อน ส่งหาเพื่อน

       บังเอินผมเข้าไปใน WEB .UK เห็นมีวงจรTX 35 -40 Mhz และวงจร ENCODE DECODER
มีรายละเอียดพอสมควรที่เดียว แถมระบบ FM อีก และยังบอกว่าเป็นมาตราฐานของ Futaba
ด้วยครับ แสดงว่าเราสามารถศึกษาและมีโอกาศ เกิด วิทยุสายพันธุ์ไทยได้ ในข้อมูล ที่ผม
อ่านดูเห็นได้ชัดเลยว่าสามารถหาอุปกรณ์ในบ้านเราได้แน่นอน



 แสดงความคิดเห็นย่อย แสดงความคิดเห็นย่อย

แจ้งเพื่อเก็บขึ้นกระทู้พิเศษ คลิ๊กที่นี่แจ้งเพื่อนำขึ้นกระทู้พิเศษ

คำตอบแบ่งหน้าละ 30 คำตอบ ขณะนี้คุณอยู่ที่หน้า 5 จาก >>> 1  2  3  4  5  6  

คำตอบที่ 121
       มีวงจรขนาดจิ๋วมากๆสำหรับเครื่องบินจิ๋วมั้ยครับ ซัก3ช่องก็พอ อยากทดลองสร้างดูครับ ของแมลงสาบมันแค่2เอง



 แสดงความคิดเห็นย่อย แสดงความคิดเห็นย่อย

จาก Y001 124.122.151.48 พฤหัสบดี, 20/8/2552 เวลา : 13:56  IP : 124.122.151.48   

edit แก้ไขคำตอบ   delete ลบคำตอบ 139406

คำตอบที่ 122
       อยากได้ลายวงจรแบบ 4 แชนแนล
phuchong-bo@hotmail.com



 แสดงความคิดเห็นย่อย แสดงความคิดเห็นย่อย

จาก baby 113.53.150.167 พุธ, 9/9/2552 เวลา : 12:28  IP : 113.53.150.167   

edit แก้ไขคำตอบ   delete ลบคำตอบ 140136

คำตอบที่ 123
       ตัวที่ลงใว้ 2 แชนแนล ก็เพิ่มเป็น 4 แชนแนลได้ครับ
แต่ที่ตัวรับต้อง โมนิดหน่อยไว้ว่างๆจะมาบอกครับ



 แสดงความคิดเห็นย่อย แสดงความคิดเห็นย่อย

จาก SA 134.180.242.21 อังคาร, 15/9/2552 เวลา : 17:57  IP : 134.180.242.21   

edit แก้ไขคำตอบ   delete ลบคำตอบ 140313

คำตอบที่ 124
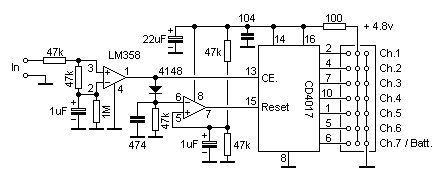
       รูปวงจรที่ต้องแก้ไข





 แสดงความคิดเห็นย่อย แสดงความคิดเห็นย่อย

จาก SA 134.180.242.21 อังคาร, 15/9/2552 เวลา : 18:42  IP : 134.180.242.21   

edit แก้ไขคำตอบ   delete ลบคำตอบ 140314

คำตอบที่ 125
       อยากได้เป็นลายทองแดงเลยอ่ะ ไม่มีหรือครับคุณ SA



 แสดงความคิดเห็นย่อย แสดงความคิดเห็นย่อย

จาก baby 113.53.150.154 จันทร์, 21/9/2552 เวลา : 13:07  IP : 113.53.150.154   

edit แก้ไขคำตอบ   delete ลบคำตอบ 140544

คำตอบที่ 126
       แล้วอันนี้มันใช้ได้จริงเหรอครับ รบกวนช่วยตอบด้วยว่ามันทำยังไงใช้กลัวทำแล้วใช้ไม่ได้เสียดายตังค์





 แสดงความคิดเห็นย่อย แสดงความคิดเห็นย่อย

จาก baby 113.53.150.154 จันทร์, 21/9/2552 เวลา : 13:11  IP : 113.53.150.154   

edit แก้ไขคำตอบ   delete ลบคำตอบ 140545

คำตอบที่ 127
       ใช้งานได้จริงครับผมเองก็ทดลองใช้โปรแกรมซิมมูเลตวงจรดูแล้วปรากฏว่าใช้งานได้ครับสัญญาณออก TRหาง่ายแต่ตอนถอดรหัสผมใช้วงจรที่ผมแก้ไขใหม่ปกติวงจรเดิมของที่ผมลงไว้ว่าชุด 2 แชนแนลเวลาถอดมันถอดได้แค่สองช่องถึงแม้ว่าเราจะเพิ่มรหัสที่ภาคส่งแล้ว เนื่องจากค่า RC ที่ใส่ไวเดิมนั้นแหละครับของเดิม ค่า C แทนทาลัม 3.3uF + R 150K เปลี่ยนเป็น C1.1uF R47K เสร็จแล้วของเดิมป้อนต่อ Data 74LS164 แก้ใหม่ตัด ตัดรายทองแดงแล้วป้อนให้74LS04ที่ขา11นำสัญญาณจากขา10ของ74LS04ป้อนให้ขา Data 74LS164 เท่านี้ภาครับเดิมที่เป็น2ช่องก็กลายเป็น8ช่องแล้วครับ



 แสดงความคิดเห็นย่อย แสดงความคิดเห็นย่อย

จาก SA 134.180.242.21 อังคาร, 22/9/2552 เวลา : 07:37  IP : 134.180.242.21   

edit แก้ไขคำตอบ   delete ลบคำตอบ 140589

คำตอบที่ 128
       ขอแก้ไขครับป้อนเข้าขา13นำออกขา12ไปต่อ Data ขา1-2ของ74LS164



 แสดงความคิดเห็นย่อย แสดงความคิดเห็นย่อย

จาก SA 134.180.242.21 อังคาร, 22/9/2552 เวลา : 07:52  IP : 134.180.242.21   

edit แก้ไขคำตอบ   delete ลบคำตอบ 140608

คำตอบที่ 129
       แล้วควรเริ่มทำจากต้องในก่อนดีครับ



 แสดงความคิดเห็นย่อย แสดงความคิดเห็นย่อย

จาก baby 113.53.150.154 อังคาร, 22/9/2552 เวลา : 08:51  IP : 113.53.150.154   

edit แก้ไขคำตอบ   delete ลบคำตอบ 140610

คำตอบที่ 130
       แล้วเรื่องของระยะการส่งขึ้นอยู่กับอะไร ตรงมีเครื่องส่งต่างหากรึเปล่ารบ



 แสดงความคิดเห็นย่อย แสดงความคิดเห็นย่อย

จาก baby 113.53.150.154 อังคาร, 22/9/2552 เวลา : 08:53  IP : 113.53.150.154   

edit แก้ไขคำตอบ   delete ลบคำตอบ 140611

คำตอบที่ 131
       ผมคงไปนานนะครับแล้วเจอกันใหม่



 แสดงความคิดเห็นย่อย แสดงความคิดเห็นย่อย

จาก baby 113.53.150.247 อังคาร, 22/9/2552 เวลา : 09:37  IP : 113.53.150.247   

edit แก้ไขคำตอบ   delete ลบคำตอบ 140616

คำตอบที่ 132
       ชุดส่งชุดรับก็ตามที่มีรายละเอียดของวงจรลงไว้ตั้งแต่หน้าแรกๆนั้นละครับเพียงแต่ว่าที่ลงไว้เป็น 2 แชนแนลแล้วเรามาแก้ไขเพิ่มเติ่มให้มีการบังคับเพิ่มหลายแชนแนลครับสำหรับวิทยุชุดนี้นั้นถ้าทำการสร้างทำควรเริ่มจากทำแผ่นปริ้นท์ก่อนเรื่องอุปกรณ์ตัวใหนที่ไม่เข้าใจก็ถามมาครับแต่วงจรทำงานได้แน่นอนอย่าง L 6 uH เราก็เอาของวิทยุ
กระป่องค่า2.2+3.3uH+1uH เท่านี้ก็ได้ 6 uH ตามที่ระบุแล้วครับ TR 2SC1018หาไม่ได้ก็ใช้ 2SC1959แทนแต่ขาอาจไม่ตรงกันก็ใส่ให้ถูกก็ทำงานได้แล้วครับถ้ายังไงก็ถามมาครับ



 แสดงความคิดเห็นย่อย แสดงความคิดเห็นย่อย

จาก SA 134.180.242.21 อังคาร, 22/9/2552 เวลา : 11:43  IP : 134.180.242.21   

edit แก้ไขคำตอบ   delete ลบคำตอบ 140619

คำตอบที่ 133
       บอกผิดครับ2SC1969



 แสดงความคิดเห็นย่อย แสดงความคิดเห็นย่อย

จาก SA 134.180.242.21 อังคาร, 22/9/2552 เวลา : 11:49  IP : 134.180.242.21   

edit แก้ไขคำตอบ   delete ลบคำตอบ 140620

คำตอบที่ 134
       สงสัยว่าเสาอากาศออกไม่ต้องใส่เหรอ ลองประมาณมูลค่าที่ต้องใช้หน่อยครับประมาณเท่าไหร่



 แสดงความคิดเห็นย่อย แสดงความคิดเห็นย่อย

จาก baby 113.53.150.247 อังคาร, 22/9/2552 เวลา : 12:25  IP : 113.53.150.247   

edit แก้ไขคำตอบ   delete ลบคำตอบ 140631

คำตอบที่ 135
       รวมเครื่องรับภาคถอดรหัสด้วยนะ



 แสดงความคิดเห็นย่อย แสดงความคิดเห็นย่อย

จาก baby 113.53.150.247 อังคาร, 22/9/2552 เวลา : 12:33  IP : 113.53.150.247   

edit แก้ไขคำตอบ   delete ลบคำตอบ 140632

คำตอบที่ 136
       ราวๆ600กว่าบาทลอง check ดูครับ



 แสดงความคิดเห็นย่อย แสดงความคิดเห็นย่อย

จาก SA 134.180.242.21 อังคาร, 22/9/2552 เวลา : 19:07  IP : 134.180.242.21   

edit แก้ไขคำตอบ   delete ลบคำตอบ 140637

คำตอบที่ 137
       ผมมาติดตามต่อแล้วครับ (ไม่ได้เข้ามาตั้งนาน เปลี่ยนไปเยอะเลย)



 แสดงความคิดเห็นย่อย แสดงความคิดเห็นย่อย

phuchong จาก baby 113.53.150.212 อังคาร, 3/11/2552 เวลา : 10:35  IP : 113.53.150.212   

edit แก้ไขคำตอบ   delete ลบคำตอบ 141516

คำตอบที่ 138
       มันใช้ภาคส่งรึเปล่าครับ





 แสดงความคิดเห็นย่อย แสดงความคิดเห็นย่อย

phuchong จาก baby 113.53.150.212 อังคาร, 3/11/2552 เวลา : 13:23  IP : 113.53.150.212   

edit แก้ไขคำตอบ   delete ลบคำตอบ 141519

คำตอบที่ 139
       ก๊อกๆๆมีใครอยู่มั้ย(หายไปไหนกันครับ)



 แสดงความคิดเห็นย่อย แสดงความคิดเห็นย่อย

phuchong จาก baby 113.53.150.10 ศุกร์, 13/11/2552 เวลา : 11:02  IP : 113.53.150.10   

edit แก้ไขคำตอบ   delete ลบคำตอบ 141681

คำตอบที่ 140
       ผมมาตอบคำถามข้อนี้ให้ครับ ดูแล้วน่าจะเป็น Pre.ANT คือทำหน้าที่ขยายสัญญาณก่อนส่งเข้าเครื่องรับครับ



 แสดงความคิดเห็นย่อย แสดงความคิดเห็นย่อย

iam จาก SA 134.180.242.21 อาทิตย์, 15/11/2552 เวลา : 14:00  IP : 134.180.242.21   

edit แก้ไขคำตอบ   delete ลบคำตอบ 141706

คำตอบที่ 141
       วงจรชุดนี้ถอดระหัสได้ดีเปล่า





 แสดงความคิดเห็นย่อย แสดงความคิดเห็นย่อย

phuchong จาก baby 118.173.240.144 จันทร์, 16/11/2552 เวลา : 12:38  IP : 118.173.240.144   

edit แก้ไขคำตอบ   delete ลบคำตอบ 141733

คำตอบที่ 142
       ขอโทษที่ถามมากนะครับ ก็อยากทำเล่นบ้างเท่านั้นแหละ คงไม่ว่านะครับ





 แสดงความคิดเห็นย่อย แสดงความคิดเห็นย่อย

phuchong จาก baby 118.173.240.144 จันทร์, 16/11/2552 เวลา : 12:40  IP : 118.173.240.144   

edit แก้ไขคำตอบ   delete ลบคำตอบ 141734

คำตอบที่ 143
       วงนี้ผมเคยทดลองสร้าง เหมือนกันครับมีหลายจุดที่ต้องระวังเช่น ตำแหน่งขา IC และที่สำคัญเข้าใจว่ามันรับสัญญาณ
แบบสามเหลียมแล้วมาจัดแต่งสัญญาณใหม่ ที่ผมทำมันไม่ทำงานครับทั้งที่ตามวงจรมันน่าจะทำงาน



 แสดงความคิดเห็นย่อย แสดงความคิดเห็นย่อย

iam จาก SA 134.180.242.21 ศุกร์, 20/11/2552 เวลา : 22:31  IP : 134.180.242.21   

edit แก้ไขคำตอบ   delete ลบคำตอบ 141858

คำตอบที่ 144
       แย่จังครับ เออแล้ว คันโยกแบบ 4 ช่องหาซื้อได้ที่ไหนครับ



 แสดงความคิดเห็นย่อย แสดงความคิดเห็นย่อย

phuchong จาก baby 113.53.150.68 จันทร์, 23/11/2552 เวลา : 10:44  IP : 113.53.150.68   

edit แก้ไขคำตอบ   delete ลบคำตอบ 141880

คำตอบที่ 145
       คุณ SA ครับ รบกวนขอ E-mail หน่อยได้ไหมครับ คือ ผมสนใจ วงจรวิทยุ รับและส่งอะครับ อยากรู้ว่า เอามาจากหนังสือ อะไรผมจะไปเอามาศึกษา บ้างอะครับ ผมกำลัง จะทำ โปรเจค จบ มันมีส่วนที่ต้องใช้พวกนี้ด้วยอะครับ เลยอยากจะถาม E-mail kapolo_club_newaver@hotmail.com ถ้าว่างก็ช่วยแอดมาหน่อยนะครับ หรือว่า ลงอีเมล ไว้ให้ผมแอดไปก็ได้ครับ



 แสดงความคิดเห็นย่อย แสดงความคิดเห็นย่อย

kapolo4214 จาก NewTrOn 203.158.208.31 จันทร์, 12/4/2553 เวลา : 11:08  IP : 203.158.208.31   

edit แก้ไขคำตอบ   delete ลบคำตอบ 144113

คำตอบที่ 146
       ขอถามนิดนะครับ ไอ 2 แชแนล กับ 4 ชาแนล อะ ยิ่งมี เยอะ มันมีประโยชน์ไรหรอครับ คือ ผมไม่ทราบช่วยตอบทีครับ



 แสดงความคิดเห็นย่อย แสดงความคิดเห็นย่อย

kapolo4214 จาก NewTrOn 125.24.126.150 จันทร์, 12/4/2553 เวลา : 13:35  IP : 125.24.126.150   

edit แก้ไขคำตอบ   delete ลบคำตอบ 144115

คำตอบที่ 147
       แล้ว ถ้าผมต้องการ แค่ใช้ ควบคุมเซอร์โวมอเตอร์ เอาแบบให้หมุนได้ ก้ม - เงย ซ้าย - ขวา นี่ผมต้องใช้แบบไหนอ่าครับ คือผมจะเอาไป ควบคุมกล้องวงจรปิด แบบไร้สายอะครับ แนะนำทีครับ ความรู้น้อยอ่า



 แสดงความคิดเห็นย่อย แสดงความคิดเห็นย่อย

kapolo4214 จาก NewTrOn 125.24.126.150 จันทร์, 12/4/2553 เวลา : 13:38  IP : 125.24.126.150   

edit แก้ไขคำตอบ   delete ลบคำตอบ 144116

คำตอบที่ 148
       สวัสดีครับมีใครทีแวะมาอ่านผมรบกวนทีครับที่ WEB RCTHAI เห็นหัวข้อทำการModify วิทยุที่ใช้ PIC แล้วดูน่าจะเป้นประโชยน์ดีช่วยลง เบอร์โทร
ได้ใหมครับ



 แสดงความคิดเห็นย่อย แสดงความคิดเห็นย่อย

iam จาก SA 134.180.242.21 พฤหัสบดี, 26/8/2553 เวลา : 22:37  IP : 134.180.242.21   

edit แก้ไขคำตอบ   delete ลบคำตอบ 144793

คำตอบที่ 149
       อ่า คุน sa คับ พอดีผมอย่างลองทำเครื่องส่งงอ่ะคับ อัีนนี้ที่แน๊บของที่มีในกระทู้อะคับ

ผมอยากได้รายระเอียด ว่า มีอุปกรณ์อารัยบ้าง ทำงานยังงัย อันนี้ถ้าว่างอยากให้รบกวนส่งมาทางเมลให้หน่อยได้ไหมคับ
km_23_n@







 แสดงความคิดเห็นย่อย แสดงความคิดเห็นย่อย

toeyy11 จาก เตย เต้ย ' 118.172.226.205 อังคาร, 31/8/2553 เวลา : 07:03  IP : 118.172.226.205   

edit แก้ไขคำตอบ   delete ลบคำตอบ 144819

คำตอบที่ 150
       ลองดูครับ...' target='_blank'>http://www.rcthai.net/webboard/viewtopic.php?f=27&t=373601





 แสดงความคิดเห็นย่อย แสดงความคิดเห็นย่อย

kit001 จาก kit001 210.246.144.163 ศุกร์, 3/9/2553 เวลา : 00:55  IP : 210.246.144.163   

edit แก้ไขคำตอบ   delete ลบคำตอบ 144840

      

ยังมีคำตอบมากกว่านี้นะครับ คลิ๊กเพื่อดูหน้าถัดไป


คำตอบแบ่งหน้าละ 30 คำตอบ ขณะนี้คุณอยู่ที่หน้า 5 จาก >>> 1  2  3  4  5  6  



website รองรับการใช้งานทุกระบบปฏิบัติการของ PC Tablet SmartPhone ทุกระบบสามารถโพสข้อความและรูปภาพได้โดยไม่ต้องย่อไฟล์
เพื่อความปลอดภัยในการใช้ website WeekendHobby.Com สมาชิก เท่านั้น จึงจะตั้งกระทู้ หรือ ตอบกระทู้ได้ครับ
Login Click ที่นี่
สมัครสมาชิก Click ที่นี่



Since 22, Feb 2001 hit counter View My Stats  Truehits.net      วันอาทิตย์,29 มีนาคม 2569 (Online 2697 คน)